Меню по разделу
+
| Обозначение: | ГОСТ 12475-67* |
| Название рус.: | Рычаги угловые двухпазовые. Конструкция |
| Статус: | действующий |
| Заменяет собой: | МН 5418-64 |
| Дата актуализации текста: | 01.10.2008 |
| Дата добавления в базу: | 01.02.2009 |
| Дата введения в действие: | 01.07.1967 |
| Разработан: | Министерство тяжелого , энергетического и транспортного машиностроения СССР |
| Утвержден: | Госстандарт СССР (03.01.1967) |
| Опубликован: | ИПК Издательство стандартов № 2000 |
МЕЖГОСУДАРСТВЕННЫЙ СТАНДАРТ
РЫЧАГИ УГЛОВЫЕ ДВУХПАЗОВЫЕ
КОНСТРУКЦИЯ
ИПК ИЗДАТЕЛЬСТВО СТАНДАРТОВ
Москва
МЕЖГОСУДАРСТВЕННЫЙСТАНДАРТ
| РЫЧАГИ УГЛОВЫЕ ДВУХПАЗОВЫЕ Конструкция Levers cranked, two-slot. Design | ГОСТ 12475-67 |
Дата введения 01.07.67
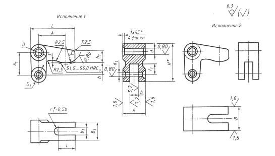
1. Конструкция и размеры угловых двухпазовых рычаговдолжны соответствовать чертежу и таблице.

*Размердля справок.
Размеры, мм
| Обозначения рычагов | Применяемость | Исполнение | А | А1 | d* Е8 или Н11 | d1 H11 | b Н11 | b1 | Н | D | D1 | L | В d11 | B1 | h | h1 | l | l1 | r | Мизг, Н × м (кгс × м), не более | Масса, кг |
| 7018-0501 |
| 1 | 32 | 40 | 12 | 10 | 12 | 15 | 62 | 24 | 20 | 55 | 32 | 30 | 25 | 16 | 20 | 18 | 22 | 1794,62 (183,00) | 0,29 |
| 7018-0502 |
| 2 | - | 0,31 | |||||||||||||||||
| 7018-0503 |
| 1 | 40 | 50 | 16 | 12 | 16 | 19 | 78 | 32 | 24 | 68 | 40 | 38 | 36 | 20 | 25 | 22 | 25 | 3550,00 (362,00) | 0,61 |
| 7018-0504 |
| 2 | - | 0,76 | |||||||||||||||||
| 7018-0505 |
| 1 | 50 | 63 | 20 | 16 | 20 | 24 | 99 | 40 | 32 | 82 | 50 | 45 | 42 | 25 | 28 | 28 | 7305,95 (745,00) | 1,16 | |
| 7018-0506 |
| 2 | - |
| 1,24 | ||||||||||||||||
| 7018-0507 |
| 1 | 60 | 75 | 25 | 20 | 25 | 28 | 120 | 50 | 40 | 100 | 60 | 55 | 50 | 30 | 32 | 32 | 32 | 13464,53 (1373,00) | 2,06 |
| 7018-0508 |
| 2 | - |
| 2,18 |
*В случаеприменения штифтов типа 1 по ГОСТ 3128-70-поле допуска отверстия d1-K7.Соответственно в условном обозначении указывать поле допуска К7.
Пример условногообозначения углового двухпазового рычагаисполнения 1, размером А = 32мм,с полями допусков диаметров d и d1-H11:
То же, с полями допусков диаметров d -Е8, dl- H11:
(Измененная редакция, Изм. № 1, 2).
2. Материал - сталь марки 40Х поГОСТ4543-71. Допускается замена на стали других марок с механическимисвойствами не ниже, чем у стали марки 40Х.
3. Рычаги угловые двухпазовыеисполнения 1 изготавливать методом прецизионного литья.
4. Литейные радиусы - 3мм.
5. Твердость 36,5...41,5 HRCэ, кромемест, обозначенных особо.
(Измененная редакция, Изм. № 1, 2).
6. Неуказанные предельныеотклонения размеров: Н14, ![]()
(Измененная редакция, Изм. № 2).
7. (Исключен,Изм. № 1).
8. Покрытие - Хим. Окс. прм(обозначение покрытия - по ГОСТ9.306-85).
9. Маркировать партию деталейодного типоразмера на таре или упаковке с указанием условного обозначения.
8, 9. (Измененная редакция, Изм. № 2).
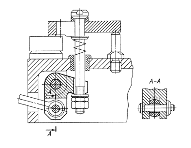
10. Пример применения рычаговуказан в приложении.
(Введен дополнительно, Изм.№2).

ИНФОРМАЦИОННЫЕДАННЫЕ
1. РАЗРАБОТАН И ВНЕСЕН Министерством тяжелого,энергетического и транспортного машиностроения СССР, Министерством станкостроительнойи инструментальной промышленности СССР РАЗРАБОТЧИКИ
В.В.Андреев; В.Н. Дзегиленок, канд. техн.наук; В.А. Петрова; К.И. Сокольский;А.З. Старосельский (руководитель темы);А.В. Хренова; Т.А. Шестакова
2. УТВЕРЖДЕН И ВВЕДЕН В ДЕЙСТВИЕ ПостановлениемКомитета стандартов, мер и измерительных приборов при Совете Министров СССР от03.01.67 № 51
3. ВЗАМЕН МН 5418-64
4. ССЫЛОЧНЫЕ НОРМАТИВНО-ТЕХНИЧЕСКИЕДОКУМЕНТЫ
| Обозначение НТД, на который дана ссылка | Номер пункта |
| ГОСТ 9.306-85 ГОСТ 4543-71 | 8 2 |
5. Постановлением Госстандарта СССР от 17.03.88 № 568снято ограничение срока действия
6. ПЕРЕИЗДАНИЕ (ноябрь 1999г.) с Изменениями № 1, 2,утвержденными в июне 1980г., марте 1988г. (ИУС 9-80, 6-88)

