Меню по разделу
+
| Обозначение: | ГОСТ 12470-67* |
| Название рус.: | Вилки с резьбовым отверстием. Конструкция |
| Статус: | действующий |
| Заменяет собой: | МН 5421-64 |
| Дата актуализации текста: | 01.10.2008 |
| Дата добавления в базу: | 01.02.2009 |
| Дата введения в действие: | 01.07.1967 |
| Утвержден: | Госстандарт СССР (03.01.1967) |
| Опубликован: | ИПК Издательство стандартов № 2000 |
ГОСТ 12470-67
МЕЖГОСУДАРСТВЕННЫЙ СТАНДАРТ
ВИЛКИ С РЕЗЬБОВЫМ ОТВЕРСТИЕМ
КОНСТРУКЦИЯ
ИПК ИЗДАТЕЛЬСТВО СТАНДАРТОВ
Москва
МЕЖГОСУДАРСТВЕННЫЙ СТАНДАРТ
| ВИЛКИ С РЕЗЬБОВЫМ ОТВЕРСТИЕМ Конструкция Forks with thread holes. Design | ГОСТ 12470-67* Взамен MH 5421-64 |
Утвержден Комитетом стандартов, мер и измерительных приборовпри Совете Министров СССР 3 января 1967г. Срок введения установлен
с 01.07.67
Постановлением Госстандарта СССР от 17.03.88 № 568снято ограничение срока действия
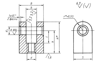
1. Конструкция и размеры вилок с резьбовым отверстиемдолжны соответствовать чертежу и таблице.

*Размеры для справок.
Размеры в мм
| Обозначение вилок | Применяемость | b (поле допуска Н11) | d | d1 (поле допуска Н7 или Н11) | В | S | h | l | H | Масса, кг |
| 7018-0371 |
| 8 | М6 | 6 | 16 | 14 | 16 | 10 | 23,0 | 0,021 |
| 0372 |
| 10 | М8 | 8 | 20 | 16 | 20 | 12 | 28,0 | 0,036 |
| 0373 |
| 20 | М10 | 32 | 25 | 33,0 | 0,067 | |||
| 0374 |
| 12 | 10 | 25 | 20 | 14 | 35,0 | 0,088 | ||
| 0375 |
| 25 | М12 | 40 | 30 | 40,0 | 0,129 | |||
| 0376 |
| 16 | 12 | 32 | 25 | 32 | 18 | 44,5 | 0,149 | |
| 0377 |
| 32 | М16 | 50 | 40 | 52,5 | 0,267 | |||
| 0378 |
| 20 | 16 | 40 | 32 | 22 | 56,0 | 0,294 | ||
| 0379 |
| 40 | М20 | 65 | 48 | 64,0 | 0,537 | |||
| 0380 |
| 25 | М24 | 20 | 50 | 40 | 55 | 28 | 75,0 | 0,609 |
| 0381 |
| 50 | 80 | 60 | 80,0 | 1,030 | ||||
| 0382 |
| 32 | МЗО | 25 | 65 | 50 | 70 | 34 | 95,0 | 1,290 |
| 7018-0383 |
| 40 | М36 | 32 | 80 | 60 | 90 | 45 | 120,0 | 1,375 |
*Вслучае применения штифтов типа 1 по ГОСТ 3128-70-поледопуска отверстия d1 - К7. Соответственно в условном обозначении указывать поледопуска К7.
Пример условногообозначения вилки с резьбовым отверстиемразмерами d-M6, b=8мм, сполем допуска диаметра d1 - Н7:
Вилка 7018-0371 Н7ГОСТ12470-67
(Измененная редакция, Изм. № 1, 2).
2. Материал - сталь марки 45по ГОСТ1050-88. Допускается замена на стали других марок с механическими свойствамине ниже, чем у стали марки 45.
3. Твердость - 35,0…39,5 HRCэ.
4. Неуказанные предельныеотклонения размеров: ![]()
3,4. (Измененная редакция,Изм. № 2).
5. Резьба метрическая - по ГОСТ24705-81. Поле допуска резьбы - 6Н по ГОСТ16093-81.
(Измененная редакция, Изм.№ 1, 2).
6. Размеры фасок для резьбы -по ГОСТ10549-80.
(Измененная редакция, Изм. № 1).
7. (Исключен,Изм. № 1).
8. Покрытие - Хим. Окс. прм(обозначение покрытия - по ГОСТ9.306-85).
(Измененная редакция, Изм.№ 2).
9. Маркировать партию деталейодного типоразмера на таре или упаковке с указанием условного обозначения.
(Измененная редакция, Изм. № 1, 2).
10. Пример применения вилокуказан в приложении.
(Введен дополнительно, Изм.№ 2).


