Меню по разделу
+
| Обозначение: | ГОСТ 12467-67* |
| Название рус.: | Прихваты для укрепления приспособлений. Конструкция |
| Статус: | действующий |
| Заменяет собой: | МН 5437-64 |
| Дата актуализации текста: | 01.10.2008 |
| Дата добавления в базу: | 01.02.2009 |
| Дата введения в действие: | 01.07.1967 |
| Утвержден: | Госстандарт СССР (03.01.1967) |
| Опубликован: | ИПК Издательство стандартов № 2000 |
ГОСТ 12467-67
МЕЖГОСУДАРСТВЕННЫЙ СТАНДАРТ
ПРИХВАТЫ ДЛЯ КРЕПЛЕНИЯ ПРИСПОСОБЛЕНИЙ
КОНСТРУКЦИЯ
ИПК ИЗДАТЕЛЬСТВО СТАНДАРТОВ
Москва
МЕЖГОСУДАРСТВЕННЫЙ СТАНДАРТ
| ПРИХВАТЫ ДЛЯ КРЕПЛЕНИЯ ПРИСПОСОБЛЕНИЙ Конструкция Clamps for fixing devices. Design | ГОСТ 12467-67* Взамен MH 5437-64 |
Утвержден Комитетом стандартов, мер иизмерительных приборов при Совете Министров СССР 3 января 1967г.
Срок введения установлен
с 01.07.67
Постановлением Госстандарта СССР от 17.03.88 № 568снято ограничение срока действия
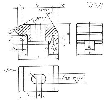
1. Конструкция иразмеры прихватов для крепления приспособлений должны соответствовать чертежу итаблице.

*Размер для справок
Размеры в мм
| Обозначения прихватов | Применяемость | Под стержень диаметром | h | Н | В | В1 | L | А | b | hl | l | l1 | l2 | l3 | r | Масса, кг |
| 7011-0421 |
| 8 | 10 | 20 | 25 | 10 | 40 | 4 | 10 | 3 | 10 | 6 | 28 | 18 | 10 | 0,099 |
| 0422 |
| 12 | 22 | 0,108 | ||||||||||||
| 0423 |
| 10 | 25 | 32 | 12 | 50 | 6 | 12 | 4 | 12 | 38 | 22 | 12 | 0,206 | ||
| 0424 |
| 16 | 28 | 0,227 | ||||||||||||
| 0425 |
| 12 |
| 32 | 36 | 14 | 60 | 15 | 16 | 8 | 44 | 28 | 16 | 0,351 | ||
| 0426 |
| 20 | 36 | 0,403 | ||||||||||||
| 0427 |
| 16 | 40 | 40 | 16 | 75 | 8 | 19 | 5 | 20 | 10 | 55 | 34 | 20 | 0,588 | |
| 0428 |
| 22 | 42 | 0,622 | ||||||||||||
| 0429 |
| 25 | 45 | 0,657 | ||||||||||||
| 0430 |
| 20 | 28 | 50 | 50 | 20 | 95 | 10 | 24 | 6 | 25 | 12 | 70 | 43 | 25 | 1,141 |
| 0431 |
| 24 | 36 | 60 | 60 | 28 | 100 | 28 | 75 | 45 | 1,770 | |||||
| 7011-0432 |
| 30 | 40 | 70 | 70 | 36 | 125 | 12 | 35 | 8 | 32 | 16 | 92 | 58 | 32 | 2,960 |
Пример условного обозначения прихвата для крепления приспособлений под стерженьдиаметром 8 мм, h = 10 мм:
Прихват 7011-0421 ГОСТ 12467-67
(Измененная редакция, Изм. № 2).
2. Материал - сталь марки 45по ГОСТ1050-88. Допускается замена на стали других марок с механическимисвойствами не ниже, чем у стали марки 45.
3. Прихваты для крепленияприспособлений изготавливать методом прецизионного литья.
4. Литейные радиусы - 3мм.
5. Твердость - 36,5...41,5 HRCэ.
6. Неуказанные предельныеотклонения размеров: Н14,![]()
5, 6. (Измененная редакция, Изм. № 2).
7. (Исключен,Изм. № 1).
8. Покрытие Хим. Окс. прм(обозначение покрытия – по ГОСТ9.306-85).
9. Маркировать партию деталейодного типоразмера на таре или упаковке с указанием условного обозначения.
8, 9. (Измененная редакция, Изм. № 2).
10. Пример примененияприхватов указан в приложении.
(Введен дополнительно, Изм.№2).


