Стандарт рапсространяется на заклепки с потайной головкой общемашиностроительного применения с диаметром стержня от 1 до 36 мм классов точности В и С.
| Обозначение: | ГОСТ 10300-80* |
| Название рус.: | Заклепки с потайной головкой классов точности В и С. Технические условия |
| Статус: | действующий |
| Заменяет собой: | ГОСТ 10300-68 |
| Дата актуализации текста: | 01.10.2008 |
| Дата добавления в базу: | 01.02.2009 |
| Дата введения в действие: | 01.01.1981 |
| Разработан: | Министерство станкостроительной и инструментальной промышленности СССР |
| Утвержден: | Госстандарт СССР (06.05.1980) |
| Опубликован: | Издательство стандартов № 1980<br>Издательство стандартов № 1986<br>ИПК Издательство стандартов № 2004 |

ГОСУДАРСТВЕННЫЙ СТАНДАРТСОЮЗА ССР
ЗАКЛЕПКИ С ПОТАЙНОЙ ГОЛОВКОЙ
классов точности В и С.
ГОСТ 10300-80
(СТ СЭВ 1020-78)
ГОСУДАРСТВЕННЫЙ КОМИТЕТ СССР ПО СТАНДАРТАМ
Москва
ГОСУДАРСТВЕННЫЙ СТАНДАРТ СОЮЗА ССР
| ЗАКЛЕПКИ С ПОТАЙНОЙ ГОЛОВКОЙ Технические условия Countersunk-head rivets classes В and С. Specifications | ГОСТ (СТ СЭВ 1020-78) Взамен |
Постановлением Государственного комитета СССР постандартам от 6 мая 1980 г. № 2009 срок введения установлен
с 01.01.81
Проверен в 1985 г. Постановлением Госстандарта от 23.04.85 № 1138 срокдействия продлен
до 01.01.91
(Измененная редакция, Изм. № 2).
Настоящий стандартраспространяется на заклепки с потайной головкой общемашиностроительногоприменения с диаметром стержня от 1 до 36 мм классов точности В и С.
Стандарт полностьюсоответствует СТ СЭВ 1020-78.
Заклепки с потайной головкойдолжны удовлетворять всем требованиям ГОСТ10304-80 и требованиям, изложенным в соответствующих разделах настоящегостандарта.
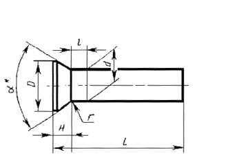
1.1. Размеры заклепок должнысоответствовать указанным на чертеже и в табл. 1 и2.
__________
* Размер длясправок.
(Измененная редакция, Изм. № 2).
Таблица 1
мм
| 1 | 1,2 | (1,4) | 1,6 | 2 | 2,5 | 3 | 4 | 5 | |
| Диаметр головки D | 1,9 | 2,3 | 2,7 | 2,9 | 3,9 | 4,5 | 5,2 | 7,0 | 8,8 |
| Высота головки Н | 0,5 | 0,6 | 0,7 | 0,7 | 1,0 | 1,1 | 1,2 | 1,6 | 2,0 |
| Угол a | 90° | ||||||||
| Радиус под головкой, r, не более | 0,1 | 0,2 | |||||||
| Расстояние от основания головки до места замера диаметра l | 1,5 | 3 | 4 | ||||||
Продолжение табл. 1
| Диаметр стержня d | 6 | 8 | 10 | 12 | (14) | 16 | 20 | 24 | 30 | 36 |
| Диаметр головки D | 10,3 | 13,9 | 17 | 20 | 24 | 30 | 36 | 41 | 49 | |
| Высота головки Н | 2,4 | 3,2 | 4,8 | 5,6 | 6,8 | 7,2 | 9 | 11 | 14 | 16 |
| Угол a | 90° | 75° | 60° | 45° | ||||||
| Радиус под головкой, r, не более | 0,25 | 0,3 | 0,4 | 0,5 | 0,6 | 0,8 | ||||
| Расстояние от основания головки до места замера диаметра l | 4 | 6 | 8 | 10 | ||||||
Примечание. Размеры, указанные в скобках, применять не рекомендуется.
Таблица 2
мм
| Диаметр стержня d | Длина L | Диаметр стержня d | Длина L |
| 1,0 | 2-8 | 8 | 9-60 |
| 1,2 | 3-10 | 10 | 16-75 |
| (1,4) | 3-12 | 12 | 18-85 |
| 1,6 | 3-12 | (14) | 22-100 |
| 2,0 | 3-16 | 16 | 24-100 |
| 2,5 | 4-20 | 20 | 38-150 |
| 3,0 | 4-40 | 24 | 40-180 |
| 4,0 | 5-50 | 30 | 52-180 |
| 5,0 | 8-60 | 36 | 60-180 |
| 6,0 | 8-60 |
(Измененная редакция, Изм. № , 2).
1.2. Длина заклепок должнавыбираться из следующего ряда: 2, 3, 4, 5, 6, 7, 8, 9, 10, 12, 14, 16, 18, 20,22, 24, 26, 28, 30, 32, 34, 36, 38, 40, 42, 45, 48, 50, 52, 55, 58, 60, 65, 70,75, 80, 85, 90, 95, 100, 110, 120, 130, 140, 150, 160, 170, 180 мм.
Пример условного обозначениязаклепки с потайной головкой класса точности В диаметром d = 8мм, длиной L = 20 мм, из материалагруппы 00, без покрытия:
Заклепка 8 ´ 20.00 ГОСТ 10300-80
1.1. (Измененная редакция, Изм. № 1).
1.2. (Измененная редакция, Изм. № 1, 2).
1.3. Теоретическая массазаклепок указана всправочном приложении.
2.1. Предельные отклонениявысоты головки для размеров H < 1 мм - плюс 0,28,минус 0,16 мм; для H = 1 мм - ± 0,28 мм.
| Теоретическая масса 1000 шт. заклепок, кг, при номинальном диаметре стержня d, мм | |||||||||||||||||||
| Длина L, мм | 1 | 1,2 | (1,4) | 1,6 | 2 | 2,5 | 3 | 4 | 5 | 6 | 8 | 10 | 12 | (14) | 16 | 20 | 24 | 30 | 36 |
| 2 | 0,016 |
|
|
|
|
|
|
|
|
|
|
|
|
|
|
|
|
|
|
| 3 | 0,022 | 0,033 | 0,055 | 0,058 | 0,104 |
|
|
|
|
|
|
|
|
|
|
|
|
|
|
| 4 | 0,028 | 0,042 | 0,067 | 0,074 | 0,129 | 0,195 | 0,281 |
|
|
|
|
|
|
|
|
|
|
|
|
| 5 | 0,034 | 0,051 | 0,079 | 0,090 | 0,154 | 0,233 | 0,336 | 0,635 |
|
|
|
|
|
|
|
|
|
|
|
| 6 | 0,040 | 0,060 | 0,091 | 0,106 | 0,178 | 0,272 | 0,392 | 0,733 |
|
|
|
|
|
|
|
|
|
|
|
| 7 | 0,047 | 0,069 | 0,103 | 0,121 | 0,203 | 0,310 | 0,447 | 0,832 |
|
|
|
|
|
|
|
|
|
|
|
| 8 | 0,053 | 0,078 | 0,115 | 0,137 | 0,228 | 0,349 | 0,503 | 0,931 | 1,522 | 2,235 | 4,294 |
|
|
|
|
|
|
|
|
| 9 |
| 0,087 | 0,127 | 0,153 | 0,252 | 0,387 | 0,558 | 1,029 | 1,677 | 2,457 | 4,689 |
|
|
|
|
|
|
|
|
| 10 |
| 0,095 | 0,140 | 0,169 | 0,277 | 0,426 | 0,614 | 1,128 | 1,831 | 2,679 | 5,083 |
|
|
|
|
|
|
|
|
| 12 |
|
| 0,164 | 0,200 | 0,326 | 0,503 | 0,724 | 1,325 | 2,139 | 3,123 | 5,478 |
|
|
|
|
|
|
|
|
| 14 |
|
|
|
| 0,376 | 0,580 | 0,835 | 1,522 | 2,447 | 3,563 | 6,656 |
|
|
|
|
|
|
|
|
| 16 |
|
|
|
| 0,425 | 0,657 | 0,946 | 1,719 | 2,755 | 4,007 | 7,445 | 13,41 |
|
|
|
|
|
|
|
| 18 |
|
|
|
|
| 0,734 | 1,057 | 1,917 | 3,064 | 4,451 | 8,234 | 14,64 | 19,93 |
|
|
|
|
|
|
| 20 |
|
|
|
|
| 0,811 | 1,168 | 2,114 | 3,372 | 4,895 | 9,023 | 15,88 | 21,70 |
|
|
|
|
|
|
| 22 |
|
|
|
|
|
| 1,279 | 2,311 | 3,680 | 5,309 | 9,812 | 17,11 | 23,48 | 33,67 |
|
|
|
|
|
| 24 |
|
|
|
|
|
| 1,390 | 2,509 | 3,989 | 5,783 | 10,603 | 18,34 | 25,26 | 36,09 | 44,36 |
|
|
|
|
| 26 |
|
|
|
|
|
| 1,501 | 2,706 | 4,297 | 6,227 | 11,391 | 19,58 | 27,03 | 38,51 | 47,52 |
|
|
|
|
| 28 |
|
|
|
|
|
| 1,612 | 2,903 | 4,605 | 6,671 | 12,180 | 20,81 | 28,81 | 40,93 | 50,68 |
|
|
|
|
| 30 |
|
|
|
|
|
| 1,723 | 3,100 | 4,913 | 7,115 | 12,969 | 22,04 | 30,58 | 43,34 | 53,83 |
|
|
|
|
| 32 |
|
|
|
|
|
| 1,834 | 3,294 | 5,222 | 7,559 | 13,758 | 23,28 | 32,36 | 45,76 | 56,99 |
|
|
|
|
| 34 |
|
|
|
|
|
| 1,945 | 3,495 | 5,530 | 8,002 | 14,547 | 24,51 | 34,13 | 48,18 | 60,15 |
|
|
|
|
| 36 |
|
|
|
|
|
| 2,056 | 3,692 | 5,838 | 8,446 | 15,337 | 25,74 | 35,91 | 50,59 | 63,30 |
|
|
|
|
| 38 |
|
|
|
|
|
| 2,167 | 3,890 | 6,146 | 8,890 | 16,126 | 26,97 | 37,68 | 53,01 | 66,46 | 106,4 |
|
|
|
| 40 |
|
|
|
|
|
| 2,278 | 4,087 | 6,455 | 9,334 | 16,915 | 28,21 | 39,46 | 55,43 | 69,62 | 111,4 | 164,4 |
|
|
| 42 |
|
|
|
|
|
|
| 4,284 | 6,763 | 9,778 | 17,704 | 29,44 | 41,24 | 57,84 | 72,77 | 116,3 | 171,5 |
|
|
| 45 |
|
|
|
|
|
|
| 4,580 | 7,225 | 10,444 | 18,888 | 31,29 | 43,90 | 61,47 | 77,51 | 123,7 | 182,2 |
|
|
| 48 |
|
|
|
|
|
|
| 4,876 | 7,688 | 11,110 | 20,072 | 33,14 | 46,56 | 65,09 | 82,24 | 131,1 | 192,8 |
|
|
| 50 |
|
|
|
|
|
|
| 5,073 | 7,996 | 11,554 | 20,861 | 34,37 | 48,34 | 67,51 | 85,40 | 136,0 | 199,9 |
|
|
| 52 |
|
|
|
|
|
|
|
| 8,304 | 11,998 | 21,650 | 35,61 | 50,11 | 69,93 | 88,56 | 140,9 | 207,0 | 319,8 |
|
| 55 |
|
|
|
|
|
|
|
| 8,767 | 12,663 | 22,834 | 37,46 | 52,78 | 73,55 | 93,29 | 148,3 | 217,7 | 336,4 |
|
| 58 |
|
|
|
|
|
|
|
| 9,229 | 13,329 | 24,017 | 39,31 | 55,44 | 77,18 | 98,03 | 155,7 | 228,3 | 353,0 |
|
| 60 |
|
|
|
|
|
|
|
| 9,537 | 13,773 | 24,806 | 40,54 | 57,22 | 79,60 | 101,18 | 160,7 | 235,4 | 364,1 | 529,9 |
| 65 |
|
|
|
|
|
|
|
|
|
|
| 43,62 | 61,66 | 85,64 | 109,07 | 173,0 | 253,2 | 391,9 | 569,9 |
| 70 |
|
|
|
|
|
|
|
|
|
|
| 46,70 | 66,09 | 91,68 | 116,97 | 185,3 | 270,9 | 419,6 | 609,8 |
| 75 |
|
|
|
|
|
|
|
|
|
|
| 49,79 | 70,53 | 97,72 | 124,85 | 197,7 | 288,7 | 447,4 | 649,8 |
| 80 |
|
|
|
|
|
|
|
|
|
|
|
| 74,97 | 103,80 | 132,75 | 210,0 | 306,5 | 475,1 | 689,7 |
| 85 |
|
|
|
|
|
|
|
|
|
|
|
| 79,41 | 109,80 | 140,64 | 222,3 | 324,2 | 502,9 | 729,7 |
| 90 |
|
|
|
|
|
|
|
|
|
|
|
|
| 115,80 | 148,53 | 234,7 | 341,9 | 530,6 | 769,9 |
| 95 |
|
|
|
|
|
|
|
|
|
|
|
|
| 121,90 | 156,42 | 247,0 | 359,6 | 558,4 | 809,6 |
| 100 |
|
|
|
|
|
|
|
|
|
|
|
|
| 127,90 | 164,32 | 259,3 | 377,5 | 586,1 | 849,5 |
| 110 |
|
|
|
|
|
|
|
|
|
|
|
|
|
|
| 284,0 | 413,0 | 641,6 | 929,4 |
| 120 |
|
|
|
|
|
|
|
|
|
|
|
|
|
|
| 308,6 | 448,5 | 697,1 | 1009,3 |
| 130 |
|
|
|
|
|
|
|
|
|
|
| - |
|
|
| 333,3 | 484,0 | 752,6 | 1089,2 |
| 140 |
|
|
|
|
|
|
|
|
|
|
|
|
|
|
| 358,0 | 519,5 | 808,0 | 1179,1 |
| 150 |
|
|
|
|
|
|
|
|
|
|
|
|
|
|
| 382,6 | 555,0 | 863,5 | 1249,0 |
| 160 |
|
|
|
|
|
|
|
|
|
|
|
|
|
|
|
| 590,6 | 919,0 | 1328,9 |
| 170 |
|
|
|
|
|
|
|
|
|
|
|
|
|
|
|
| 626,1 | 974,5 | 1408,8 |
| 180 |
|
|
|
|
|
|
|
|
|
|
|
|
|
|
|
| 661,6 | 1030,0 | 1488,8 |
Примечание. Для определения массызаклепок, изготовляемых из других материалов, значения массы, указанные втаблице, должны быть умножены на коэффициенты: 0,356 - для алюминиевого сплава,1,080 - для латуни, 1,134 - для меди.
(Измененная редакция, Изм. № 1, 2).