| Обозначение: | ГОСТ 8949-75* |
| Название рус.: | Соединительные части из ковкого чугуна с цилиндрической резьбой для трубопроводов. Тройники переходные. Основные размеры |
| Статус: | действующий |
| Заменяет собой: | ГОСТ 8949-59 |
| Дата актуализации текста: | 01.10.2008 |
| Дата добавления в базу: | 01.02.2009 |
| Дата введения в действие: | 01.01.1977 |
| Утвержден: | Госстандарт СССР (14.11.1975) |
| Опубликован: | ИПК Издательство стандартов № 1998 |
ТРУБЫ МЕТАЛЛИЧЕСКИЕ
И СОЕДИНИТЕЛЬНЫЕ ЧАСТИ
К НИМ
Часть 4
ТРУБЫ ИЗ ЧЕРНЫХ МЕТАЛЛОВ И СПЛАВОВ
ЛИТЫЕ И СОЕДИНИТЕЛЬНЫЕ ЧАСТИ К НИМ.
ОСНОВНЫЕ РАЗМЕРЫ.
МЕТОДЫ ТЕХНОЛОГИЧЕСКИХ ИСПЫТАНИЙ
ТРУБ
ГОСТ 8949-75*
(СТ СЭВ 3300-81)
Москва
ИПКИЗДАТЕЛЬСТВО СТАНДАРТОВ
ГОСУДАРСТВЕННЫЙСТАНДАРТ СОЮЗА ССР
| Основные размеры Ductile iron and steel fittings with | ГОСТ Взамен |
Постановлением Государственного комитета стандартов Совета МинистровСССР от 14.11.75 № 2901 дата введения установлена
Ограничение срока действия снято по протоколу МежгосударственногоСовета по стандартизации, метрологии и сертификации (ИУС 2-93)
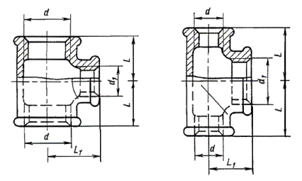
1. Основные размеры тройников должны соответствовать указанным начертеже и в таблице.
Стандарт полностью соответствует СТ СЭВ 3300-81.
Примечание. Чертеж неопределяет конструкцию тройников.
Размерыв мм
| Dy´Dy1 | Резьба | L | L1 | Масса без покрытия, кг, не более* | ||
| d | d1 | Вариант по ГОСТ 8944-75 | ||||
| 1 | 2 | |||||
| 10´8 | G 3/8 - В | G 1/4 - В | 23 | 23 | 0,103 | 0,101 |
| 15´8 | G 1/2 - В | G 1/4 - В | 24 | 24 | 0,115 | 0,111 |
| 15´10 | G 1/2 - В | G 3/8 - В | 26 | 26 | 0,119 | 0,115 |
| 15´20 | G 1/2 - В | G 3/4 - В | 31 | 30 | 0,163 | 0,158 |
| 15´25 | G 1/2 - В | G 1 - В | 34 | 32 | 0,199 | 0,193 |
| 20´8 | G 3/4 - В | G 1/4 - В | 26 | 27 | 0,152 | 0,148 |
| 20´10 | G 3/4 - В | G 3/8 - В | 28 | 28 | 0,168 | 0,160 |
| 20´15 | G 3/4 - В | G 1/2 - В | 30 | 31 | 0,183 | 0,178 |
| 20´25 | G 3/4 - В | G 1 - В | 36 | 35 | 0,198 | 0,193 |
| 20´32 | G 3/4 - В | G 11/4 - В | 41 | 36 | 0,206 | 0,202 |
| 25´8 | G 1 - В | G 1/4 - В | 28 | 31 | 0,228 | 0,219 |
| 25´10 | G 1 - В | G 3/8 - В | 30 | 32 | 0,235 | 0,227 |
| 25´15 | G 1 - В | G 1/2 - В | 32 | 34 | 0,255 | 0,246 |
| 25´20 | G 1 - В | G 3/4 - В | 35 | 36 | 0,285 | 0,277 |
| 25´32 | G 1 - В | G 11/4 - В | 42 | 40 | 0,304 | 0,315 |
| 25´40 | G 11/4 - В | G 11/2 - В | 46 | 42 | 0,315 | 0,308 |
| 32´10 | G 11/4 - В | G 3/8 - В | 32 | 36 | 0,342 | 0,334 |
| 32´15 | G 11/4 - B | G 1/2 - В | 34 | 38 | 0,352 | 0,340 |
| 32´20 | G 11/4 - В | G 3/4 - В | 36 | 41 | 0,382 | 0,370 |
| 32´25 | G 11/4 - В | G 1 - В | 40 | 42 | 0,430 | 0,418 |
| 32´40 | G 11/4 - В | G 11/2 - В | 40 | 46 | 0,434 | 0,424 |
| 32´50 | G 11/4 - В | G 2 - В | 54 | 48 | 0,444 | 0,429 |
| 40´15 | G 11/2 - В | G 1/2 - В | 36 | 42 | 0,459 | 0,442 |
| 40´20 | G 11/2 - В | G 3/4 - В | 38 | 44 | 0,494 | 0,474 |
| 40´25 | G 11/2 - В | G 1 - В | 42 | 46 | 0,552 | 0,531 |
| 40´32 | G 11/2 - В | G 11/4 - В | 46 | 48 | 0,616 | 0,557 |
| 40´50 | G 11/2 - В | G 2 - В | 55 | 52 | 0,650 | 0,628 |
| 50´15 | G 2 - В | G 1/2 - В | 38 | 48 | 0,672 | 0,646 |
| 50´20 | G 2 - В | G 3/4 - В | 40 | 50 | 0,714 | 0,685 |
| 50´25 | G 2 - В | G 1 - В | 44 | 52 | 0,788 | 0,752 |
| 50´32 | G 2 - В | G 11/4 - В | 48 | 54 | 0,867 | 0,832 |
| 50´40 | G 2 - В | G 11/2 - В | 52 | 55 | 0,940 | 0,914 |
| 65´25 | G 21/2 - В | G 1 - В | 47 | 60 | 0,091 | 0,080 |
| (65´32) | G 21/2 - В | G 11/4 - В | 52 | 62 | 1,124 | 1,085 |
| (65´40) | G 21/2 - В | G 11/2 - В | 55 | 63 | 1,192 | 1,160 |
| (65´50) | G 21/2 - В | G 2 - В | 61 | 66 | 1,345 | 1,330 |
| 80´25 | G 3 - В | G 1 - В | 51 | 67 | 1,375 | 1,369 |
| 80´32 | G 3 - В | G 11/4 - В | 55 | 70 | 1,390 | 1,368 |
| (80´40) | G 3 - В | G 11/2 - В | 58 | 71 | 1,484 | 1,450 |
| (86´50) | G 3 - В | G 2 - В | 64 | 73 | 1,646 | 1,630 |
| (80´65) | G 3 - В | G 21/2 - В | 72 | 76 | 1,860 | 1,840 |
| (100´50) | G 4 - В | G 2 - В | 70 | 86 | 2,826 | 2,765 |
| (100´65) | G 4 - В | G 21/2 - В | 78 | 89 | 3,150 | 3,040 |
| (100´80) | G 4 - В | G 3 - В | 84 | 92 | 3,421 | 3,290 |
* Длясправок
Примечания:
1. Тройники с Dу, указанными в таблицев скобках, применять не рекомендуется.
2. Масса оцинкованных соединительных частей недолжна превышать массу неоцинкованных более чем на 5%.
Примерыусловных обозначений
Переходного тройника безпокрытия с Dу 40 мм на Dу1 32 мм:
Тройник 40´32 ГОСТ 8949-75
То же, с цинковым покрытием:
Тройник Ц-40´32 ГОСТ 8949-75
(Измененная редакция, Изм. № 1, 2).
2. Конструктивные размеры и технические требования - по ГОСТ 8944-75 .