Стандарт распространяется на вулканизированные резиновые и резинотканевые пластины, предназначенные для изготовления резинотехнических изделий, служащих для уплотнения неподвижных соединений, предотвращения трения между металлическими поверхностями, для восприятия одиночных ударных нагрузок, а также в качестве прокладок, настилов и других неуплотнительных изделий в климатическом исполнении У2, 3,1; УХЛ2, 4; Т2, 3; ОМ2,4 по ГОСТ 15150.
| Обозначение: | ГОСТ 7338-90* |
| Название рус.: | Пластины резиновые и резинотканевые. Технические условия |
| Статус: | действующий |
| Заменяет собой: | ГОСТ 7338-77 |
| Дата актуализации текста: | 01.10.2008 |
| Дата добавления в базу: | 01.02.2009 |
| Дата введения в действие: | 01.07.1991 |
| Разработан: | Министерство химической и нефтеперерабатывающей промышленности СССР |
| Утвержден: | Госстандарт СССР (13.06.1990) |
| Опубликован: | Издательство стандартов № 1990 |

ГОСУДАРСТВЕННЫЙ СТАНДАРТ СОЮЗА ССР
ПЛАСТИНЫ РЕЗИНОВЫЕ
И РЕЗИНОТКАНЕВЫЕ
ТЕХНИЧЕСКИЕУСЛОВИЯ
ГОСТ 7338-90
ГОСУДАРСТВЕННЫЙКОМИТЕТ СССР ПО УПРАВЛЕНИЮ
КАЧЕСТВОМ ПРОДУКЦИИ И СТАНДАРТАМ
Москва
ГОСУДАРСТВЕННЫЙ СТАНДАРТ СОЮЗА ССР
| ПЛАСТИНЫ РЕЗИНОВЫЕ И РЕЗИНОТКАНЕВЫЕ Технические условия Rubber and rubber-fabric sheets. Specifications | ГОСТ |
Срок действия с 01.07.91
до 01.07.96
Настоящий стандарт распространяется навулканизованные резиновые и резинотканевые пластины, предназначенные дляизготовления резинотехнических изделий, служащих для уплотнения неподвижныхсоединений, предотвращения трения между металлическими поверхностями, длявосприятия одиночных ударных нагрузок, а также в качестве прокладок, настилов идругих неуплотнительных изделий в климатическом исполнении У2, 3.1; УХЛ2, 4;Т2, 3; ОМ2, 4 по ГОСТ15150.
(Измененная редакция, Изм. № 1).
1.1. Пластины должны быть изготовленыв соответствии с требованиями настоящего стандарта по технологическойдокументации и рецептурам резин, утвержденным в установленном порядке.
1.2. Основные параметры и размеры
1.2.1. Пластины взависимости от назначения, конструкции и способа изготовления выпускают:
следующих марок:
ТМКЩ -тепломорозокислотощелочестойкая;
АМС - атмосферомаслостойкая(ограниченно озоностойкая);
МБС - маслобензостойкая;
классов:
1 - пластина толщиной от 1,0до 20,0 мм, предназначенная для изготовления резино-технических изделий,служащих для уплотнения узлов, работающих под давлением свыше 0,1 МПа;
2 - пластина толщиной от 1,0до 60,0 мм, предназначенная для изготовления резино-технических изделий,служащих для уплотнения узлов, работающих под давлением до 0,1 МПа, дляпредотвращения трения между металлическими поверхностями, а также длявосприятия одиночных ударных нагрузок или в качестве подкладок, настилов;
видов:
Ф - формовые пластины,изготовляемые методом вулканизации в пресс-формах на вулканизационных прессах;
Н - неформовые пластины,изготовляемые методом вулканизации в котлах, а также на вулканизаторахнепрерывного действия;
типов:
I -резиновая пластина (черт.1);
II - резинотканевая пластина(черт. 2) содним или несколькими тканевыми слоями. Количество тканевых слоев определяетсяпо согласованию между изготовителем и потребителем с учетом, что на каждые 2 ммпластины должно быть не более одного тканевого слоя.

1 - резина

1 - резина; 2 - ткань
степеней твердости:
М - мягкая;
С - средняя;
Т - повышенная.
(Измененная редакция, Изм. № 1).
1.2.2. Основные параметрыпластин в зависимости от условий эксплуатации должны соответствовать указаннымв табл. 1.
1.2.3. Толщина и предельныеотклонения пластин типов I и II должны соответствовать указанным в табл. 2 и 3.
| Марка | Класс | Вид | Тип | Степень твердости | Температурный интервал, °С | Рабочая среда* |
|
| ТМКЩ | 1; 2 | Ф, Н | I | M | От -45 до +80 | Воздух помещений, емкостей, сосудов; азот; инертные газы при давлении от 0,05 до 0,4 МПа или вода пресная, морская, промышленная, сточная без органических растворителей и смазочных веществ; раствор солей с концентрацией до предела насыщения; кислоты, щелочи концентрацией не более 20 % при давлении от 0,05 до 10,0 МПа |
|
| 1; 2 | I | С | От -30 до +80 |
| |||
| 1**; 2 | II | С | То же |
| |||
| 1; 2 | I | С1 | От -45 до +80 |
| |||
| 1**; 2 | II | C1 | То же |
| |||
| 1; 2 | I | С2 | От -60 до +80 |
| |||
| 1; 2 | I | т | От -30 до +80 |
| |||
| 1; 2 | I | т1 | От -45 до +80 |
| |||
| 1; 2 | I | Т2 | От -60 до +80 |
| |||
| АМС | 1; 2 | Ф, Н | I | м | От -30 до +80 | Воздух атмосферный, помещений, емкостей, сосудов; азот; инертные газы при давлении от 0,05 до 0,4 МПа или масла на нефтяной основе при давлении от 0,05 до 10,0 МПа |
|
| М1 | От -40 до +80 |
| |||||
| С | От -30 до +80 |
| |||||
| С1 | От -40 до +80 |
| |||||
| Т | От -30 до +80 |
| |||||
| T1 | От -40 до +80 |
| |||||
| МБС | 1; 2 | Ф, Н | I | М M1 с | От -30 до +80 От -40 до +80 От -30 до +80 | Воздух помещений, емкостей, сосудов; инертные газы при давлении от 0,05 до 0,4 МПа или масла и топлива на нефтяной основе, бензин при давлении от 0,05 до 10,0 МПа; азот | |
| МБС | 1; 2 | Ф, Н | I | C1 | От -40 до +80 | Воздух помещений, емкостей сосудов; инертные газы при давлении от 0,05 до 0,4 МПа или масла и топлива на нефтяной основе; бензин при давлении от 0,05 до 10,0 МПа; азот |
|
| т | От -30 до +80 |
| |||||
| T1 | От -40 до +80 | ||||||
___________
* Давление указанодля пластин 1-го класса; для пластин 2-го класса - от 0,05 до 0,1 МПа.
** Пластину1-го класса типа II допускается изготовлять по согласованию изготовителя спотребителем.
Толщина ипредельные отклонения на толщину пластин типа I
мм
| Толщина | Предельное отклонение для класса и вида | |||
| 1 | 2 | |||
| Ф | н | Ф | н | |
| 1,0 | ±0,20 | ±0,20 | ±0,25 | ±0,35 |
| 1,5 | ±0,20 | ±0,25 | ±0,30 | ±0,50 |
| 2,0 | ±0,30 | ±0,30 | ±0,40 | +0,60 |
| 3,0 | ±0,40 | ±0,50 | ±0,50 | ±0,70 |
| 4,0 | ±0,40 | +0,60 | ±0,60 | ±0,80 |
| 5,0 | ±0,50 | ±0,70 | ±0,70 | ±0,90 |
| 6,0 | ±0,60 | ±0,80 | ±0,80 | ±1,00 |
| 7,0 | ±0,70 | ±0,90 | ±0,90 | +1,10 |
| 8,0 | ±0,80 | ±1,00 | ±1,00 | +1,20 |
| 9,0 | ±0,90 | ±1,10 | ±1,10 | +1,30 |
| 10,0 | ±1,00 | ±1,20 | ±1,20 | +1,40 |
| 12,0 | ±1,10 | ±1,30 | ±1,30 | ±1,50 |
| 14,0 | ±1,20 | ±1,40 | ±1,50 | ±1,70 |
| 16,0 | ±1,30 | ±1,60 | ±1,70 | ±1,90 |
| 18,0 | ±1,40 | +1,80 | ±1,90 | ±2,10 |
| 20,0 | ±1,50 | ±2,00 | ±2,10 | ±2,30 |
| 25,0 | - | - | ±3,00 | ±4,00 |
| 30,0 | - | - | ±3,00 | ±4,00 |
| 36,0 | - | - | +4,00 | +6,00 |
| 40,0 | - | - | ±4,00 | ±6,00 |
| 45,0 | - | - | ±5,00 | ±7,00 |
| 50,0 | - | - | ±5,00 | ±7,00 |
| 55,0 | - | - | ±6,00 | - |
| 60,0 | - | - | ±6,00 | - |
(Измененная редакция, Изм. № 1).
Толщина ипредельные отклонения на толщину пластин типа II
мм
| Толщина | Предельное отклонение для 2-го класса вида | Толщина | Предельное отклонение для 2-го класса вида | ||
| Ф | Н | Ф | Н | ||
| 2,0 | ±0,4 | ±0,6 | 7,0 | ±0,9 | ±1,1 |
| 3,0 | ±0,5 | ±0,7 | 8,0 | ±1,0 | ±1,2 |
| 4,0 | ±0,6 | ±0,8 | 9,0 | ±1,1 | ±1,3 |
| 5,0 | ±0,7 | ±0,9 | 10,0 | ±1,2 | ±1,4 |
| 6,0 | ±0,8 | ±1,0 |
|
|
|
1. Посогласованию между изготовителем и потребителем допускается изготовлятьпластину типа I толщиной менее 1 мм.
2. Посогласованию между изготовителем и потребителем допускается изготовлятьпластину 1-го класса толщиной свыше 20 до 40 мм с предельными отклонениями для2-го класса.
1.2.4. Ширина и длина пластины в зависимости от толщины должнысоответствовать указанным в табл. 4.
Размеры, мм
| Класс пластины | Вид пластины | Толщина | Ширина | Длина | ||
| Номин. | Пред. откл. % | Номин. | Пред. откл. % | |||
| 1 | ф | От 1,0 |
| ± |
| ±5,0 |
| до 3,0 | 250 | 250 | ||||
| От 3,0 | От 250 | От 250 | ||||
| до 20,0 | до 1000 | до 1000 | ||||
| Н | От 1,0 | От 500 до 1350 | ±10,0 | От 500 | ||
| до 3,0 | до 10000 | |||||
| Св. 3,0 | От 500 | |||||
| до 5,0 | до 5000 | |||||
| Св. 5,0 | От 500 | |||||
| до 10,0 | до 3000 | |||||
| Св. 10,0 | От 500 | |||||
| до 20,0 | до 1500 | |||||
| 2 | ф | От 1,0 | От 250 | ±10,0 | От 250 | ±10,0 |
| до 60,0 | до 1000 | до 1000 | ||||
| Н | От 1,0 | От 500 до 1350 | ±15,0 | От 500 | ||
| до 3,0 | до 30000 | |||||
| Св. 3,0 | От 500 | |||||
| до 10,0 | до 3000 | |||||
| Св. 10,0 | От 500 | |||||
| до 30,0 | до 2000 | |||||
| Св. 30,0 | От 500 | |||||
| до 50,0 | до 1500 | |||||
Примечания:
1. Ширину иминимальную длину пластины при необходимости устанавливают по согласованию спотребителем.
2.Допускается изготовлять неформовую пластину шириной до 500 мм, но не менее 250мм в количестве не более 10 % от партии.
3. Посогласованию между изготовителем и потребителем допускается изготовлятьпластины с размерами длины и ширины, не предусмотренными в табл. 4
(Измененная редакция, Изм. № 1).
1.2.5. Условное обозначение пластин должно содержать слово «пластина»,класс, вид, тип, марку, степень твердости, количество тканевых прокладок (дляпластины типа II), толщину пластины и обозначение настоящего стандарта.
Примерыусловного обозначения пластины:
Пластина 1-го класса, видаФ, типа I, марки ТМКЩ, степени твердости С, толщиной 3 мм:
Пластина 1Ф-I-ТМКШ-С-3 ГОСТ 7338-90.
Тоже, 1-го класса, вида Н, типа I,марки TMKЩ,степени твердости Т2, толщиной 10 мм:
Пластина 1H-I-TMKЩ-T2-10 ГОСТ 7338-90.
Тоже, 2-го класса, вида Ф, марки АМС, степени твердости С, толщиной 25 мм:
Пластина 2Ф-I-АМС-С-25 ГОСТ 7338-90.
Тоже, 2-го класса, вида Н, типа II,марки ТМКЩ, степени твердости С, с одной тканевой прокладкой, толщиной 2 мм:
Пластина 2Н-II-ТМКЩ-С1-1´2 ГОСТ 7338-90.
1.2.6. Условное обозначениепластины для работы в условиях тропического климата должно соответствоватьтребованиям настоящего стандарта и ГОСТ 15152.
Примерусловного обозначения пластины:
Пластина 2-го класса, видаФ, типа I, марки ТМКЩ, степень твердости С, толщиной 4 мм,группы I изделий тропического исполнения по ГОСТ 15152, категории размещения 2по ГОСТ15150, работоспособная в интервале температур от минус 30 до плюс 80 °С:
Пластина 2Ф-I-
ГОСТ 7338-90.
(Измененная редакция, Изм. № 1).
1.3. характеристики
1.3.1. Физико-механическиепоказатели резин и пластин должны соответствовать нормам, указанным в табл. 5 и 6.
1.3.2. Поверхность пластиндолжна быть без трещин и механических повреждений.
Шероховатость формующихповерхностей пресс-форм, применяемых для изготовления пластин, должна быть неболее Rа1,25 мкм по ГОСТ 2789.
Таблица 5
| Наименование показателя | Норма для резины пластины марок | Метод испытания | ||||||||||
| ТМКЩ | АМС | МБС | ||||||||||
| Степень твердости | ||||||||||||
| М | с | Т | М | с | т | М | с | Т | ||||
| 1. Условная прочность при растяжении, МПа, не менее: |
|
|
|
|
|
|
|
|
|
| ||
| для класса 1 | 4,0 | 5,0 | 6,5 | 4,5 | 5,0 | 7,0 | 6,0 | 8,0 | 8,5 | По ГОСТ 269 и ГОСТ 270 на образцах | ||
| для класса 2 | 4,0 | 5,0 | 6,5 | 4,5 | 5,0 | 7,0 | 5,0 | 7,0 | 7,5 | типа I толщиной (2 ± 0,2) мм | ||
| 2. Относительное удлинение при разрыве, %, не менее: |
|
|
|
|
|
|
|
|
|
| ||
| для класса 1 | 300 | 250 | 200 | 300 | 250 | 200 | 250 | 200 | 200 | То же | ||
| для класса 2 | 300 | 250 | 200 | 300 | 250 | 200 | 250 | 200 | 150 |
| ||
| 3. Изменение массы образца после воздействия сред в течение 24 ч, %, не более: |
|
|
|
|
|
|
|
|
|
| ||
| Смеси изооктана по ГОСТ 12433 и толуола по ГОСТ 5789 в отношении 7 : 3 при температуре 23 °С: |
|
|
|
|
|
|
|
|
| По ГОСТ 9.030, метод А | ||
| для класса 1 | - | - | - | - | - | - | 20 | 20 | 20 |
| ||
| для класса 2 | - | - | - | - | - | - | 25 | 25 | 25 |
| ||
| Стандартного масла СЖР-2 при температуре 100 °С: |
|
|
|
|
|
|
|
|
|
| ||
| для класса 1 | - | - | - | От -5 до +20 | От -5 до +20 | От -5 до +20 | - | - | - |
| ||
| для класса 2 | - | - | - | От -5 до +25 | От -5 до +25 | От -5 до +25 | - | - | - |
| ||
| 4. Изменение относительного удлинения после воздействия 20 %-ного раствора соляной кислоты по ГОСТ 3118 или ГОСТ 857, или серной кислоты по ГОСТ 4204, или ГОСТ 2184, или гидроокиси натрия по ГОСТ 4328, или ГОСТ 11078 в течение 24 ч при температуре 23 °С, %: | От -20 до +20 | От -20 до +20 | От -20 до +20 | - | - | - | - | - | - | По ГОСТ 9.030, метод В | ||
| 5. Коэффициент морозостойкости по эластическому восстановлению после сжатия, не менее: | 0,2 | 0,2 | 0,2 | 0,2 | 0,2 | 0,2 | 0,2 | 0,2 | 0,2 | По ГОСТ 13808 | ||
| 6. Относительная остаточная деформация при сжатии на (20 + 5) % в воздухе при 70 °С в течение 24 ч, не более: |
|
|
|
|
|
|
|
|
|
| ||
| для класса 1 | 50 | 50 | 50 | 60 | 60 | 60 | 50 | 50 | 50 | По ГОСТ 9.029, метод Б | ||
| для класса 2 | 50 | 50 | 50 | 80 | 80 | 80 | 50 | 50 | 50 |
| ||
Примечание.Коэффициент морозостойкости по эластическому восстановлению определяют длярезин, работающих при температуре минус 30 °С и ниже, при этомиспытания проводят при отрицательных температурах на 5 °С выше от указанных в табл. 1.
(Измененная редакция, Изм. № 1).
| Наименование показателя | Норма для пластин марок | Метод испытания | ||||||||
| ТМКЩ | АМС | МБС | ||||||||
| Степень твердости | ||||||||||
| М | С | Т | М | С | Т | М | С | Т | ||
| 1. Твердость, международные единицы JRHD или единицы Шора А: | 35-50 | 50-65 | 65-85 | 35-50 | 50-65 | 65-85 | 40-55 | 55-70 | 70-90 | По гост 20403 или ГОСТ 263 и методу, приведенному в приложении 1 |
| 2. Прочность связи резиновых слоев с тканевыми прокладками Н/см, не мене, для 1 и 2-го класса | 7,0 | 7,0 | 7,0 | - | - | - | - | - | - | По ГОСТ 6768 |
| 3. Изменение массы после воздействия сред в течение 24 ч, %, не более, для класса 1: |
|
|
|
|
|
|
|
|
| По ГОСТ 9.030, метод А |
| смеси изооктана по ГОСТ 12433 и толуола по ГОСТ 5789 в соотношении 7 : 3 при температуре 23 °С: | - | - | - | - | - | - | 20 | 20 | 20 |
|
| стандартного масла СЖР-2 при температуре 100 °С: | - | - | - | 20 | 20 | 20 | - | - | - |
|
| пластины толщиной менее 2 мм | - | - | - | * | * | * | - | - | - |
|
| пластины толщиной 2 мм и выше | - | - | - | * | * | * | - | - | - |
|
(Измененная редакция, Изм. №1).
На поверхности и в срезепластин не допускаются:
возвышения, углубления,включения и пористость (в срезе), превышающие значения, указанные в табл. 7, при этом для пластин 1-го класса недопускаются посторонние включения материалов, не входящих в состав резиновойсмеси;
мм
| Толщина пластины | Возвышения, углубления, включения класса | Диаметр пор класса | ||
| 1 | 2 | 1 | 2 | |
| 1,0 | 0,20 | 0,3 | 0,2 | 0,2 |
| 1,5; 2,0 | 0,30 | 0,5 | ||
| Св. 2,0 до 5,0 включ. | 0,50 | 1,0 | ||
| » 5,0 до 10,0 » | 0,75 | 1,5 | 0,6 | 0,6 |
| » 10,0 до 20,0 » | 1,00 | 2,0 | ||
| » 20,0 до 40,0 » | - | 3,0 | - | 3,2 |
| » 40,0 до 60,0 » | - | 4,0 | ||
пузыри площадью более 1 см2 для пластины 1-го класса и более5 см2 для пластины 2-го класса. Общая площадь пузырей не должнапревышать 10 см2 на 1 м2 пластины 1-го класса и 100 см2на 1 м2 пластины 2-го класса с каждой ее стороны;
недопрессовки и утонения нарасстоянии более 50 мм от краев пластины, при этом по требованию потребителякрая пластины с утонениями по всей длине не должны входить в ширину пластины;
складки шириной более 4 мм,длиной более 100 мм и глубиной более допуска по толщине неформовой пластины;
расслоения между резиновымии тканевыми или резиновыми слоями по кромке пластины длиной более 2 см,глубиной более 3 см;
смещение внутренних тканевыхслоев более 1/3 толщины наружных резиновых слоев;
следы шлифовки, отпечатки отвдавливания концов рулонов, складок, прокладочных материалов и деформацияповерхности от воздействия пара более допуска на толщину пластины.
Общее количество складок,отпечатков от складок прокладочных материалов не должно превышать с каждой еестороны по 10 шт. на 1 м2 пластины 1-го класса и 20 шт. на 1 м2пластины 2-го класса.
1.3.3. На поверхностипластин допускается наличие пудровочного материала, оттиски рельефа и ворсинокткани, разнотон, матовость, налет выцветающих ингредиентов и продуктов ихвзаимодействия, неровности от частиц регенерата на пластине, выступающие кромкипо поверхности разъема пресс-формы для формовой пластины, а также вырезы покраю пластины, не выходящие за предельные отклонения ширины пластины.
1.3.4. Резино-техническиеизделия должны изготовляться из пластин в соответствии с приложением 2.
1.4. Маркировка
1.4.1. На каждую пластинудолжны быть четко нанесены:
товарный знак илинаименование предприятия-изготовителя и товарный знак;
условное обозначение;
штамп технического контроляили ПЗ (в случае приемки им пластины);
дата изготовления (год иквартал).
На пластины, подлежащиеупаковыванию в рулоны, допускается ставить маркировку на верхнем листе рулона.
До замены существующейоснастки на новую допускается старая маркировка.
1.4.2. Маркировку напластины наносят оттиском рельефной графировки шрифтом Пр-3 по ГОСТ 26.008, илинесмываемой краской, или на ярлыке из прорезиненной ткани, фанеры, картона,бумаги и других материалов, обеспечивающих полную сохранность надписи притранспортировании и хранении.
При приемке пластин представителемзаказчика материал ярлыка определяется по согласованию между изготовителем ипредставителем заказчика.
1.5. Упаковка
1.5.1. Пластины складывают встопы или свертывают в рулоны. В рулоне может быть одна или несколькопластин, свернутых вместе.
Каждую стопу перевязываюткрестообразно, а рулон в двух-трех местах веревкой по ГОСТ 1868или другими перевязочными материалами, обеспечивающими сохранность при транспортированиии хранении.
Пластины размерами 800 ´ 800 мм и свыше допускаетсяукладывать в стопы без перевязки при условии их сохранности притранспортировании.
Масса одного упакованногоместа не должна превышать 60 кг.
По согласованию междуизготовителем и потребителем допускается увеличивать массу одного упакованногоместа при механизированной погрузке.
1.5.2. Каждое упакованноеместо должно иметь маркировку, содержащую:
товарный знак илинаименование предприятия-изготовителя и товарный знак;
условное обозначениепластины;
номер партии;
массу упакованного места илипартии;
дату изготовления, штамптехнического контроля и ПЗ (в случае приемки им пластины).
При указании на упакованномместе массы партии проставляют также количество мест.
При наличии в упакованномместе документа о качестве в маркировке указывают «Документ о качестве здесь».
1.5.3. (Исключен, Изм. № 1).
1.5.4. Пакетирование пластиносуществляется в соответствии с требованиями ОСТ 63.89 на поддонах ящичныхтипа ТМ-III по ТМ 105 или поддонах плоских по ГОСТ 9078 или ГОСТ 9557.
(Измененная редакция, Изм. № 1).
При использовании плоскихподдонов обвязка пакета должна соответствовать требованиям ГОСТ26663.
По согласованию междуизготовителем и потребителем допускается применять другие пакеты или непакетировать.
Масса пакета должна быть неболее 1000 кг.
1.5.5. К каждому пакетудолжен прикрепляться ярлык из отходов фанеры, картона, прорезиненных тканей идругих материалов, содержащий:
товарный знак илинаименование предприятия-изготовителя и товарный знак;
номер партии и условноеобозначение пластины;
массу пакета;
дату изготовления, штамптехнического контроля и ПЗ (в случае приемки им пластины).
Допускается укладывать впакеты упакованные места разных партий.
2.1. Пластины принимаютпартиями. Партией считают пластины одного класса, типа, вида, марки, толщины,степени твердости общей массой не более 3000 кг и сопровождаемые однимдокументом о качестве, содержащим:
товарный знак илинаименование предприятия-изготовителя и товарный знак;
условное обозначениепластины;
дату изготовления;
номер партии;
массу партии;
количество мест в партии;
штамп технического контроляи ПЗ (в случае приемки им пластины).
При приемке пластиныпредставителем заказчика партия должна быть изготовлена в течение не более 10сут.
2.2. Для проверкисоответствия качества пластин требованиям настоящего стандарта их подвергаютприемосдаточным и периодическим испытаниям в соответствии с табл. 8.
| Наименование показателя | Объем выборки, периодичность испытаний | Вид испытаний | |
| приемосдаточные | периодические | ||
| 100 % | + | - | |
| 2 Внешний вид среза пластины по п. 1.3.2 | На одной пластине от партии не реже 1 раза а месяц | - | + |
| 100 % | + | - | |
| 4. Ширина и длина (табл. 4) | На трех пластинах от партии | + | - |
| 5. Твердость пластины (табл. 6 п. 1) | 10 % от партии, но не менее трех пластин | + | - |
| 6. Прочность связи резиновых слоев с тканевыми прокладками (табл. 6 п. 2) | На трех образцах от одной пластины в партии не реже одного раза в месяц | - | + |
| 7. Изменение массы пластины после воздействия сред (табл. 6 п. 3) | То же | - | + |
| 8. Физико-механические показатели резин (табл. 5 пп. 1-6) | От одной закладки резиновой смеси, не реже одного раза в месяц, а также при изменении рецептуры или режима вулканизации | - | + |
Примечание.Длину и ширину пластин проверяют по требованию потребителя.
2.3. При получении неудовлетворительных результатов при приемосдаточныхиспытаниях пластин по одному из показателей п. 4 или 5 табл. 8 по нему проводят повторные испытания на удвоеннойвыборке пластин, взятой от той же партии. Результаты повторных испытанийраспространяются на всю партию.
(Измененная редакция, Изм. № 1).
2.4. При получения неудовлетворительныхрезультатов периодических испытаний по одному из показателей пп. 2, 6 и 7 табл. 8 по нему проводят повторные испытанияна удвоенной выборке пластин, взятой от той же партии.
При получении неудовлетворительныхрезультатов повторных испытаний их переводят по этому показателю вприемосдаточные до получения положительных результатов на пяти партиях пластинподряд.
(Измененная редакция, Изм. № 1).
2.5. При получениинеудовлетворительных результатов периодических испытаний резин по п. 8 табл. 8 хотя бы по одному из показателей понему проводят повторные испытания на удвоенной выборке, взятой от той жезакладки резины.
При получениинеудовлетворительных результатов повторных испытаний проводят испытания накаждой закладке резин до получения положительных результатов подряд на трехзакладках резины.
(Измененная редакция, Изм. № 1).
2.6. Приемка пластинпредставителем заказчика проводится по нормативно-технической документации наиспытания и приемку серийных изделий.
3.1. Внешний вид пластиныконтролируют в соответствии с требованиями пп.1.3.2 и 1.3.3 визуально или сравнениемс контрольными образцами, утвержденными в установленном порядке.
3.2. Толщину пластиныследует контролировать универсальным или специальным измерительным инструментом, обеспечивающимзаданную точность измерения, с учетом погрешности измерения по ГОСТ 8.051, приэтом специальный измерительный инструмент должен быть аттестован в соответствиис ГОСТ 8.326.
Измерение проводят нарасстоянии не менее 50 мм от края.
Толщину формовой пластиныизмеряют в трех точках с каждой стороны пластины.
Толщину неформовой пластиныизмеряют по длине с каждой стороны через каждые (1000 ± 10) мм и по ширинерулона в трех точках в начале и конце рулона.
За результат измеренияпринимают показания толщиномера, при этом каждое измерение, должносоответствовать нормам, указанным в табл. 2или 3.
3.3. Ширину и длину пластиныизмеряют линейкой по ГОСТ427 ,рулеткой по ГОСТ 7502 или другим измерительным инструментом, обеспечивающим требуемуюточность. Ширина неформовой пластины при этом измеряется в трех местах.
3.4. Физико-механическиепоказатели резиновых смесей и пластин определяют по методам, указанным в табл. 5 и 6.
3.5. Твердость пластинопределяют на резиновых пластинах типа I в соответствии с методами, указанными в табл. 6.
3.5.1. Твердость резиновыхпластин толщиной до 2 мм определяют по ГОСТ 263 и методу подготовки образцов,указанному в приложении 1, или поГОСТ 20403 на микротвердомере. При испытании на микротвердомере можноиспользовать образцы толщиной не менее 1 мм с предельными отклонениями натолщину в соответствии с табл. 2.
3.5.2. Твердость резиновыхпластин толщиной более 2 мм определяют по ГОСТ 263 или по ГОСТ 20403 натвердомере. При испытании на твердомере по ГОСТ 20403 можно использоватьобразцы толщиной не менее 4 мм, причем образец может складываться из двухобразцов, имеющих плоские параллельные поверхности.
3.6. Изменение массырезиновых пластин типа I в средах определяют на образцах объемом от 1,0 до 3,0см3.
4.1. Пластины транспортируютвсеми видами транспорта в соответствии с правилами перевозки грузов,действующими на транспорте данного вида.
При транспортированиипластин в температурных условиях ниже минус 30 °С не допускается воздействиеударных нагрузок на пластины и их деформация.
Распаковывать пластины послетранспортирования при низких температурах следует после выдержки их в течениесуток при температуре (20 ± 5) °С.
4.2. Пластины должныхраниться в помещении при температуре до плюс 25 °С, в упаковке или россыпью.Деформация пластин при хранении не допускается.
После хранения приотрицательной температуре пластины перед изготовлением из них деталей должныбыть выдержаны в течение суток при температуре (20 ± 5) °С.
Допускается хранить пластиныпри температуре от 25 до 35 °С не более трех месяцев в течение гарантийногосрока хранения.
4.3. Пластины при хранениидолжны находиться от теплоизлучающих приборов на расстоянии не менее 1 м.
При хранении пластины должныбыть защищены от воздействия прямых солнечных и тепловых лучей, от попадания наних масла, бензина, керосина и действия их паров, а также кислот, щелочей,газов и других веществ, разрушающих резину и ткань.
5.1. Изготовительгарантирует соответствие пластины требованиям настоящего стандарта присоблюдении условий эксплуатации, хранения, транспортирования и примененияпластины.
5.2. Гарантийный срокхранения пластин 1-го класса - 5,5 лет; 2-го класса - 2,5 года со дняизготовления.
(Измененная редакция, Изм. № 1).
5.3.Гарантийный срок эксплуатации пластин 1-го класса - 3 года; 2-го класса-1 год со дня ввода в эксплуатациюв пределах гарантийного срока хранения пластин.
1.Образцы для испытаний должны состоять из нескольких слоев резины одной и той жемарки в виде многослойного пакета прямоугольной формы с размерами сторон неменее 45 ´50 мм или формы круга диаметром не менее 50 мм. Толщина образца должна быть неменее 4 мм.
2.Поверхность каждого слоя резины должна соответствовать требованиям настоящегостандарта, а также не иметь трещин и пузырей.
3.Испытания проводят на одном образце.
4.Аппаратура, подготовка к испытаниям и испытания проводят в соответствии с ГОСТ263.
5.Результаты испытаний должны быть сопоставимы для образцов, состоящих изодинакового количества слоев.
(Измененная редакция, Изм. № 1).
1. Резино-техническиеизделия (РТИ) из пластин изготовляют вырубкой или вырезкой при помощи острыхрежущих инструментов, специальных штанцевых ножей, резцов.
2. При изготовлении РТИрежущий инструмент должен смачиваться водой или мыльной эмульсией.
3. При изготовлении РТИ настанках смачивание осуществляют непрерывно. Не допускается применять длясмачивания режущего инструмента керосин, бензин, масло и другие разрушающиерезину вещества.
4. Пузыри, складки, утонениядолжны быть вырезаны из пластины на предприятии-потребителе перед изготовлениемРТИ.
5. Конструкции местустановки РТИ указаны на черт. 3-9.






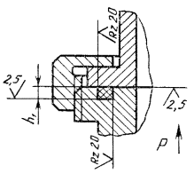
6. Для уплотнения узлов,работающих под давлением свыше 0,1 МПа, РТИ устанавливают в закрытые места установки (черт. 4-8).Закрытые места установки обеспечивают более высокую надежность и стабильностьработы РТИ.
7. Минимальный объем местаустановки должен превышать максимальный объем РТИ на 3-10 %, при этомнеобходимо обеспечить прилегание прокладки к поверхности места установки состороны, противоположной действию давления рабочей среды.
8. Для уплотнения узлов,работающих под давлением до 0,1 МПа, а также для защиты узлов от попаданияпыли и влаги, разрешается устанавливать РТИ в открытые места установки (черт. 3, 9). В открытых местах установкидеформация сжатия уплотнителя должна быть обеспечена технологией сборки.
9. При изготовлении РТИприменяют следующие соотношения ширины РТИ к высоте
(черт. 10); от 2до 5 - для открытых мест установки; от 1 до 3 - для закрытых мест установки.При этом на РТИ допускается конусность боковых поверхностей до 0,5 мм впределах допуска на размер b.
10. При выборе конструкцииместа установки необходимо учитывать процент поджатия РТИ при сборке e, который вычисляют поформуле
,
где h -высота РТИ, мм;
h1 - глубина посадочного места, мм.
Степень поджатия должна быть15-35 % равномерно по всему периметру РТИ.
11. Шероховатость уплотняемыхповерхностей места установки должна быть не более Rz 20 мкм по ГОСТ 2789.

1 - хомутик; 2 -прокладка; 3 - охватываемое изделие

12. При монтаже недопускаются перекосы и смещения РТИ. При монтаже РТИ в закрытые места установкирекомендуется применять смазку ЦИАТИМ-221 по ГОСТ 9433 в количестве 2 % массыРТИ.
При монтаже РТИ в открытыхместах установки смазку применять не допускается.
13. Растяжение РТИ повнутреннему диаметру dдолжно быть не более 5 %.
Допускается во время монтажакратковременное растяжение уплотнителя по внутреннему диаметру до 25 %.
14. Острые кромки,соприкасающиеся с РТИ при монтаже, должны быть притуплены радиусом или фаской0,5 мм.
15. При монтаже РТИ врезьбовых соединениях вращение металлических уплотняемых поверхностейотносительно РТИ не допускается. РТИ может испытывать только усилие сжатия (черт. 8).
16. В открытых местахустановки поверхности РТИ не должны выступать за боковую поверхность фланца идолжны быть защищены от воздействия прямых солнечных лучей.
В закрытых местах установкизазор по сопрягаемым поверхностям не должен превышать 0,3 мм.
17. При использовании РТИ изпластины для восприятия ударных нагрузок не допускается деформация РТИ болеечем на 25 % высоты.
18. При применении РТИ изпластины в качестве прокладки под хомут (черт.9) должно быть соблюдено неравенство
.
где R -радиус охватываемой поверхности, мм;
h - толщина пластины, мм.
Деформация сжатия прокладкине должна превышать значение, указанное в п. 10.
19. Пластины и РТИ изпластин должны применяться в изделиях следующих климатических исполнений,указанных в табл. 9.
Таблица9
| РТИ из пластины марки | Степень твердости | Климатические исполнения и категория размещения изделий по ГОСТ 15150 |
| тмкщ | С, Т | УХЛ4, Т2*, Т3**, ОМ4 |
| м, с1, т1 | У2, УХЛ4, Т2*, Т3**, ОМ2 | |
| С2, Т2 | УХЛ2, Т2*, Т3**, ОМ2 | |
| МБС | С, М, Т | УХЛ4, Т2*, Т3**, ОМ4 |
| С1, М1, Т1 | У3.1, УХЛ4, Т2*, Т3**, ОМ2 | |
| АМС | м, с, т | УХЛ4, Т2, ОМ4 |
| М1, C1, T1 | У3.1, УХЛ4, Т2, ОМ2 |
____________
* Длязакрытых мест установки (см. п. 6).
** Дляоткрытых мест установки (см. п. 8).
20. Пластины и РТИ, изготовленные из пластин, должны быть работоспособныв средах и температурных интервалах, указанных в табл. 1 настоящего стандарта.
21. Установленный срокслужбы и установленный ресурс пластины 1-го класса и РТИ из нее в зависимостиот назначения должны соответствовать приведенным в табл. 10.
Таблица 10
| Марка пластины | Условия эксплуатации* | Установленный срок службы, лет, не менее | Установленный ресурс в пределах срока службы при воздействии рабочей среды и температуры | |
| Рабочая среда | Верхний предел температурного интервала, °С | |||
| ТМКЩ | Воздух помещений, емкостей и сосудов; азот; инертные газы; вода пресная, морская, промышленная, сточная без органических растворителей и смазочных веществ; растворы солей с концентрацией до предела насыщения; кислоты и щелочи концентрацией не более 20 % | До плюс 80 | 5 | 43800 ч., в том числе: при температурах до: 40 °С - 16000 ч; 50 °С - 6000 ч; 60 °С - 3000 ч; 70 °С - 1000 ч; 80 °С - 500 ч |
| АМС | Атмосферный воздух, воздух помещений, емкостей и сосудов; азот; инертные газы | |||
| Масла (трансформаторные по ГОСТ 982, ГОСТ 10121, БМГЗ, МГЕ-10А) | 43800 ч, в том числе при температурах до: 40 °С - 8400 ч; 50 °С - 5000 ч; 60 °С - 2100 ч; 70 °С - 1100 ч; 80 °С - 420 ч | |||
| МБС | Воздух помещений, емкостей и сосудов; азот; инертные газы | 43800 ч, в том числе при температурах до: 40 °С - 16000 ч; 50 °С - 6000 ч; 60 °С - 3000 ч; 70 °С - 1000 ч; 80 °С - 500 ч | ||
| Масла (трансформаторное по ГОСТ 982, по ГОСТ 10121, ВМГЗ, МГЕ-10А) | 43800 ч, в том числе при температурах до: 40 °С - 12000 ч; 50 °С - 8000 ч; 60 °С - 3000 ч; 70 °С - 1500 ч; 80 °С - 600 ч | |||
| Топлива (дизельное по ГОСТ 305, бензин по ГОСТ 2084, Т-1 по ГОСТ 10227) | 43800 ч, в том числе при температурах до: 40 °С - 1000 ч; 50 °С - 600 ч; 60 °С - 250 ч; 70 °С - 150 ч; 80 °С - 50 ч | |||
____________
* Рабочее давление и нижний предел температурного интервалаэксплуатации пластин и РТИ из них указаны в табл.1 настоящего стандарта.
(Измененная редакция, Изм. № 1).
Примечания:
1. Рецептурарезин для изготовления пластины 1-го класса и РТИ из нее должна бытьсогласована с разработчиком настоящего стандарта.
2. Посогласованию между потребителем и изготовителем допускается применять другиесреды в соответствии с протоколом разрешения применения по ГОСТ 2.124.
22. Гарантийный срокэксплуатации РТИ равен гарантийному сроку эксплуатации пластин, указанному в п. 5.3 настоящего стандарта приусловии соответствия конструкции мест уплотнителя, изготовления и монтажа РТИиз пластины требованиям настоящего стандарта.
23. По согласованию междуизготовителем и потребителем допускается увеличение гарантийного срокаэксплуатации РТИ, изготовленных из пластин, в соответствии с требованиями ГОСТ 2.124.
ИНФОРМАЦИОННЫЕ ДАННЫЕ
1. РАЗРАБОТАН И ВНЕСЕН Министерством химической инефтеперерабатывающей промышленности СССР
РАЗРАБОТЧИКИ
В.Ю. Фрадков; Л.А. Яковлев,канд. техн. наук; В.В. Михайлов; В.П.Никифоров, канд. техн. наук; З.А.Ковачева, канд. техн. наук; Л.А.Акопян, канд. техн. наук; М.В.Зобина, канд. техн. наук; Н.А.Сухих; Г.Т. Измакина; М.Ю. Некрасов; Г.А. Гончар; Т.В. Осипова; Л.З. Плавник;Н.Н. Егорова
2 УТВЕРЖДЕН И ВВЕДЕН В ДЕЙСТВИЕ Постановлением Государственногокомитета СССР по управлению качеством продукции и стандартам от 13.06.90 № 1528
3. Срок первой проверки - 1995 г., периодичность проверки -5 лет
4. ВЗАМЕН ГОСТ 7338-77
5. ССЫЛОЧНЫЕ НОРМАТИВНО-ТЕХНИЧЕСКИЕ ДОКУМЕНТЫ
| Обозначение НТД, на который дана ссылка | Номер пункта, приложения |
| ГОСТ 2.124-55 | |
| ГОСТ 8.051-81 | |
| РОСТ 8.326-89 | |
| ГОСТ 9.029-74 | |
| ГОСТ 9.030-74 | |
| ГОСТ 26.008-85 | |
| ГОСТ 263-75 | |
| ГОСТ 269-66 | |
| ГОСТ 270-75 | |
| ГОСТ 305-82 | |
| ГОСТ 427-75 | |
| ГОСТ 857-88 | |
| ГОСТ 982-80 | |
| ГОСТ 1868-88 | |
| ГОСТ 2084-77 | |
| ГОСТ 2184-77 | |
| ГОСТ 2789-73 | |
| ГОСТ 3118-77 | |
| ГОСТ 4204-77 | |
| ГОСТ 4328-77 | |
| ГОСТ 5789-78 | |
| ГОСТ 6768-75 | |
| ГОСТ 7502-89 | |
| ГОСТ 9078-84 | |
| ГОСТ 9433-80 | |
| ГОСТ 9557-87 | |
| ГОСТ 10121-76 | |
| ГОСТ 10227-86 | |
| ГОСТ 11078-78 | |
| ГОСТ 12433-83 | |
| ГОСТ 13808-79 | |
| ГОСТ 15150-69 | |
| ГОСТ 15152-69 | |
| ГОСТ 20403-75 | |
| ГОСТ 26663-85 | |
| ОСТ 38.01281-82 | |
| ОСТ 63.30-78 | |
| ОСТ 63.89-88 | |
| ТУ 29-02-1105-85 | |
| ТУ 387-01-479-85 |
СОДЕРЖАНИЕ