Стандарт распространяется на маслоканифольный и битумные нефтяные составы, предназначенные для заливки соединительных, ответвительных и концевых муфт и заделок силовых и контрольных кабелей.
| Обозначение: | ГОСТ 6997-77* |
| Название рус.: | Составы для заливки кабельных муфт. Технические условия |
| Статус: | действующий |
| Заменяет собой: | ГОСТ 6997-54 |
| Дата актуализации текста: | 01.10.2008 |
| Дата добавления в базу: | 01.02.2009 |
| Дата введения в действие: | 01.01.1978 |
| Разработан: | Министерство нефтеперерабатывающей и нефтехимической промышленности СССР |
| Утвержден: | Госстандарт СССР (03.02.1977) |
| Опубликован: | Издательство стандартов № 1977<br>ИПК Издательство стандартов № 1996<br>ИПК Издательство стандартов № 1997 |

ГОСУДАРСТВЕННЫЙ СТАНДАРТ СОЮЗА ССР
СОСТАВЫДЛЯ ЗАЛИВКИ КАБЕЛЬНЫХ МУФТ
ТЕХНИЧЕСКИЕУСЛОВИЯ
ГОСТ6997-77
ИПКИЗДАТЕЛЬСТВО СТАНДАРТОВ
Москва
ГОСУДАРСТВЕННЫЙ СТАНДАРТ СОЮЗА ССР
| СОСТАВЫ ДЛЯ ЗАЛИВКИ КАБЕЛЬНЫХ МУФТ Технические условия Compositions for filling cable joints. Specifications | ГОСТ |
Дата введения 01.01.78
Настоящийстандарт распространяется на маслоканифольный и битумные нефтяные составы,предназначенные для заливки соединительных, ответвительных и концевых муфт и заделоксиловых и контрольных кабелей.
Требованиянастоящего стандарта являются обязательными.
(Измененная редакция, Изм. №4).
1.1. Взависимости от применения устанавливаются следующие марки составов: МК-45, МБМ,МБ-70/60 и МБ-90/75.
МК-45 -маслоканифольный состав (готовят смешением канифоли, кабельного масла икальцинированной соды);
МБМ -маслобитумный морозостойкий состав (готовят смешением битума, полученногоокислением остаточных продуктов прямой перегонки нефти, и трансформаторногомасла);
МБ-70/60и МБ-90/75 - масса битумная (готовят окислением остаточных продуктов прямойперегонки нефти или компаундированием окисленных и остаточных продуктов).
Примеры обозначения марок:
МК-45 - буквы «МК» обозначают маслоканифольный состав, цифра 45обозначает среднюю температуру размягчения;
| Наименование показателя | Норма для марки | Метод испытания | |||
| МК-45 | МБМ | МБ-70/60 | МБ-90/75 | ||
| высший сорт ОКП 02 5541 010 | высший сорт ОКП 02 5541 0202 | высший сорт ОКП 02 5541 0205 | высший сорт ОКП 02 5541 0206 | ||
| - | - | 80 | 90 | По ГОСТ 6793 | |
| 2. Температура размягчения по кольцу и шару, °С | 45-55 | Не ниже 40 | 55-65 | 70-80 | По ГОСТ 11506 с дополнением по п. 3.2 настоящего стандарта |
| 3. Усадка, %, не более | 6,5 | 6,0 | 6,0 | 7,0 | По п. 3.3 |
| 4. Массовая доля веществ, нерастворимых в толуоле, %, не более | 0,20 | 0,20 | 0,20 | 0,20 | По ГОСТ 20739 с изменением по п. 3.4 настоящего стандарта |
| 5. Пробивное напряжение переменным током 50 Гц в течение 1 мин, В, не ниже | 50000 | 40000 | 50000 | 50000 | По п. 3.5 |
| 6. Морозостойкость, °С, не выше | - | -45 | -5 | 0 | По п.3.6 |
| 7. Температура вспышки, °С, не ниже | 190 | 170 | 260 | 250 | По ГОСТ 4333 |
| 8. рН водной вытяжки | 7,0-8,5 | - | - | - | По п.3.7 |
| 9. Испытание на хрупкость и адгезию к металлам | Выдерживает | По п.3.8 | |||
| 10. Массовая доля водорастворимых кислот и щелочей | Отсутствие | По ГОСТ 6307 | |||
(Измененная редакция, Изм. №4).
МБ-70/60 -буквы «МБ» обозначают битумную массу, цифра 70 - температуру каплепадения, ацифра 60 - среднюю температуру размягчения.
2.1.Составы принимают партиями. Партией считают любое количество состава,однородного по своим качественным показателям, сопровождаемого одним документомо качестве.
2.2. Объем выборок определяют по ГОСТ 2517 .
2.3. Приполучении неудовлетворительных результатов испытаний хотя бы по одномупоказателю по нему проводят повторные испытания пробы от удвоенной выборки.
Результатыповторных испытаний распространяются на всю партию.
2.4. Показательпо п.1 таблицы изготовитель определяютпериодически не реже одного раза в полгода.
(Введен дополнительно, Изм.№ 2).
3.1. Пробы составов отбирают по ГОСТ 2517 . Дляобъединенной пробы берут состав каждой марки массой 2 кг.
(Измененная редакция, Изм. №3).
3.3.1. Проведениеиспытания
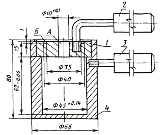
Впредварительно нагретый металлический цилиндр вместимостью 100 см3наливают испытуемый состав, разогретый до температуры заливки таким образом,чтобы после того, как закроют цилиндр крышкой, избыток состава вышел вотверстие крышки и заполнил кольцевую выемку в ней (см. чертеж). Если условие не соблюдено, состав заливают вновь.
Температуразаливки для марок МК-45 и МБМ должна быть 130-140 °С, для марки МБ-70/60 должнабыть 160-170 °С, для марки МБ-90/75 должна быть 180-190 °С.
Состав вцилиндре выдерживают при комнатной температуре не менее 12 ч. Затем из бюреткичерез отверстие в крышке цилиндра порциями наливают воду до краевцилиндра. При этом необходимо несколько раз осторожно постучать цилиндр одеревянную подставку, чтобы водой заполнились образовавшиеся при охлаждениипустоты.
3.3.2. Обработкарезультатов
По объемувылитой из бюретки воды в см3 определяют усадку состава в объемныхдолях.
Завеличину усадки принимают среднее арифметическое значение двух параллельныхопределений, допускаемое расхождение между которыми не должно превышать 0,5 %.
Цилиндрдля определения усадки
1 - крышка; 2 - ручка крышки; 3 - ручкацилиндра; 4 - цилиндр; А - отверстие в крышке,
Б- кольцеваявыемка в крышке
3.4. Определениемассовой доли веществ, не растворимых в толуоле
3.4.1. Массовую долю веществ, не растворимых в толуоле,определяют по ГОСТ 20739 соследующим дополнением:
массовуюдолю нерастворимых в толуоле веществ (Х) в процентах вычисляют поформуле
![]()
где т1 - масса нерастворимого осадкана фильтре, г;
т2 - масса состава, г.
3.4-3.4.1.(Измененнаяредакция, Изм. № 3).
3.5. Определениепробивного напряжения
Пробивноенапряжение определяют на аппаратах типов АИМ-70, АИМ-80 или другой аналогичной конструкции.Для испытаний берут фарфоровый цилиндрический сосуд или сосуд из молибденовогостекла, который входит в комплект аппарата.
Внутрисосуда находятся прочно закрепленные медные или латунные сферические электродыпо ГОСТ6581. Перед испытанием сосуд тщательно промывают бензином и высушивают.Расстояние между электродами устанавливают точно 2,5 мм специальным шаблоном,после этого электроды закрепляют. Испытуемый состав нагревают.
Температуранагрева состава для марок МК-45 и МБМ должна быть 130-140 °С, длямарки МБ-70/60 должна быть 160-170 °С и марки МБ-90/75 должна быть 180-190 °С.Состав нагревают до жидкого однородного состояния в термостате в течение 3-4 чпри периодическом перемешивании. Затем в предварительно подогретый сосудналивают горячий состав на 15 мм выше уровня электродов. Сосуд с залитымсоставом выдерживают 30 мин в термостате при температуре заливки (при этомнеобходимо состав два-три раза перемешать латунной палочкой между электродами).Перемешивание состава между электродами необходимо для удаления пузырьковвоздуха. После этого состав выдерживают не менее 12 ч при комнатнойтемпературе.
Охлажденныйсосуд с составом вставляют в аппарат и проводят испытание, медленно повышаянапряжение на электродах со скоростью не менее 1-2 кВ/с передвижением ручкиреостата. Когда напряжение достигнет 40000 В (для составов марок МБМ) и 50000 В(для составов марок МК-45, МБ-70/60 и МБ-90/75 высшего сорта), дальнейшееповышение напряжения прекращают и выдерживают образец в течение 1 мин. Если приэтом не будет пробоя, то состав считают выдержавшим испытание.
(Измененная редакция, Изм. №1,4).
3.6. Определениеморозостойкости
3.6.1. Аппаратура, реактивы и материалы:
пробиркастеклянная со сферическим дном, высотой (160±10) мм, внутреннимдиаметром (30±1) мм, на наружной боковой поверхности пробиркина расстоянии 30 мм от ее дна должна быть сделана несмываемая кольцевая метка;
пробирка-муфтасо сферическим дном, высотой (130±10) мм, внутренним диаметром (40±2) мм;
пробкакорковая или резиновая, соответствующая внутреннему диаметру пробирки, сотверстием в центре для термометра;
муфтамедная для термометра высотой 40 мм, запаянная с одного конца, изготовленная измедной трубки по ГОСТ617, наружным диаметром 8-9 мм, толщиной стенки 0,5 мм;
термометртолуоловый с диапазоном показаний от минус 80 до плюс 60 °С по ГОСТ400, типа ТН-8 для определения температуры застывания нефтепродуктов вышеминус 30 °С;
сосудДьюара или стакан с широкой пробиркой, укрепленной пробкой; требуемаятемпература в сосуде Дьюара поддерживается при помощи охлаждающей смеси.
Вкачестве охлаждающей смеси применяют:
спиртэтиловый регенерированный или
спиртэтиловый синтетический по ОСТ 38.02386 или
изооктантехнический по ГОСТ 4095;
углекислотатвердая или
газуглекислый сжиженный по ГОСТ 8050,или
азотжидкий по ГОСТ 9293.
3.6.2. Проведениеиспытания
Испытуемыйсостав нагревают до 140 °С и осторожно заливают до метки в сухую пробирку,предварительно нагретую до 100 °С. При заливке нужно следить за тем, чтобысостав не растекался по стенкам пробирки. В пробирку с испытуемым составом вцентр вставляют медную муфту для термометра и помещают ее в термостат, вкотором нагревают до 150 °С в течение 10-15 мин. Затем пробирку вынимают изтермостата и устанавливают вертикально в штативе на 1 ч, для охлаждения составадо комнатной температуры, а в медную муфту до дна вставляют термометр накорковой пробке (после 8-10 мин от начала охлаждения). Пробирку с составом итермометром укрепляют при помощи корковой пробки в пробирке-муфте так, чтобы еестенки находились приблизительно на одинаковом расстоянии от стенок муфты.Собранный прибор с составом помещают в сосуд с охладительной смесью. Охлаждениесостава проводят со скоростью 2 °С в 1 мин.
Температуру,при которой появится характерный звук растрескивания, принимают за температуруморозостойкости.
3.6.3. Обработкарезультатов
Заморозостойкость испытуемого состава принимают среднее арифметическое трех параллельныхопределений, допускаемые расхождения между которыми не должны превышать 3 °С.
3.7. Определение(рН) водной вытяжки состава марки МК-45.
Определениеконцентрации водородных ионов (рН) проводят следующим образом: 10 г состававзвешивают в конической колбе вместимостью 250 см3, приливают 150 см3дистиллированной воды по ГОСТ 6709 и кипятят собратным холодильником в течение 30 мин. После охлаждения до комнатной температурыотделившуюся водную вытяжку осторожно сливают или переносят при помощи пипеткив стаканчик или колбу.
ВеличинурН определяют потенциометрическим методом на рН-метре любого типа спогрешностью измерения не менее 0,05 рН.
Приборкалибруют по буферным растворам, имеющим рН 6,0; 7,0; 8,0. Дистиллированнаявода должна быть проверена на нейтральность.
(Измененная редакция, Изм. №3).
3.8. Определениехрупкости состава и адгезии к металлам (алюминий, свинец)
3.8.1. Применяемые материалы и реактивы: пластинкисвинцовые размером 180×30×0,8-0,9 мм;
рамкимедные или латунные размером 180×30×3 мм, посередине которыхимеется окно размером 100×15 мм; тальк по ГОСТ19729, ГОСТ 21235;глицерин по ГОСТ 6823;декстрин по ГОСТ6034.
3.8.2. Подготовкак испытанию
Рамкинакладывают на свинцовые пластинки, предварительно смазав края окна смесьюталька с глицерином 1:3 или смесью декстрина с глицерином - 1:2.
При этомне допускается попадание смазки на поверхность свинцовой пластинки, на которуюнаносится состав. Температура разогрева для марок МК-45 и МБМ должна быть130-140 °С, для марки МБ-70/60 должна быть 160-170 °С, длямарки МБ-90/75 должна быть 180-190 °С. Разогретый состав заливают в окна двух рамок тонкойструей от одного конца рамки до другого, пока она не наполнится выше краев.Залитый в рамки состав оставляют охлаждаться на воздухе в течение 5-15 мин прикомнатной температуре, а затем гладко срезают излишек состава горячим острымножом так, чтобы состав заполнял рамки вровень с их краями, и свинцовыепластинки с составом отделяют от рамок.
3.8.3. Проведениеиспытания
Подготовленныепластинки с составом выдерживают в течение 2 ч, при комнатной температуре,после чего наматывают их по винтовой линии на металлический или деревянныйстержень диаметром 25 мм. Состав считают выдержавшим испытание на хрупкость иадгезию, если он не отстает от свинцовых пластинок и не растрескивается впроцессе изгиба вокруг стержня при двух параллельных определениях.
Адгезию калюминию определяют методом, описанным выше, вместо свинцовых пластинокиспользуют алюминиевые размером 180×30×0,1-0,2 мм.
4.1. Упаковка, маркировка, транспортирование и хранениесоставов - по ГОСТ 1510 соследующим дополнением: составы упаковывают в бидоны или банки из белой или чернойжести вместимостью не более 10 дм3 с герметично закрывающимисякрышками. Внутренняя поверхность бидонов должна быть чистой и без ржавчины.
4.2. По согласованию с потребителем допускается упаковыватьсоставы всех марок в бидоны с герметично закрывающимися крышками вместимостьюне более 20 дм3 по ТУ 38.101169, составы марок МБ-70/60 и МБ-90/75 -в мешки из полимерных материалов вместимостью не более 10 кг. Состав маркиМБ-90/75 допускается упаковывать в бумажные мешки марки НМ по ГОСТ 2226 вместимостью не более 50 кг только для предприятий Минэлектротехпрома СССР. Длядругих потребителей упаковывание этого состава в бумажные мешки не допускается.
(Измененная редакция, Изм. №3).
4.3. На тарес составом дополнительно указывается предельная температура разогрева состава:для марки МК-45 не выше 140 °С, для марки МБМ не выше 150 °С, длямарки МБ-70/60 не выше 180 °С и для марки МБ-90/75 не выше 190 °С и датаизготовления состава.
4.4.Составы должны храниться в таре изготовителя.
4.5. (Исключен, Изм. № 3).
4.6. Транспортирование грузов пакетами осуществляется всоответствии с требованиями ГОСТ 26663 .Основные параметры и размеры пакетов должны соответствовать ГОСТ 24597 .
(Введен дополнительно, Изм.№ 2).
5.1.Изготовитель гарантирует соответствие состава требованиям настоящего стандартапри соблюдении условий хранения и транспортирования.
5.2.Гарантийный срок хранения составов для заливки кабельных муфт - два года со дняизготовления.
5.1-5.2. (Измененная редакция, Изм. №2).
6.1.Составы являются твердым горючим веществом с температурой вспышки 170-230 °С иминимальной температурой самовоспламенения 368 °С.
6.2. Предельнодопустимая концентрация паров (летучих углеводородов) составов в воздушнойсреде производственных помещений 300 мг/м3. Массовая доля паровуглеводородов в воздушной среде определяется газоанализатором типа УГ-2.
6.3. Постепени воздействия на организм человека пары (летучих углеводородов) составовотносятся к 4-му классу опасности.
6.4.Места заливки состава в производственных помещениях должны быть снабженыместной вытяжной вентиляцией.
6.5. При производстве,сливе, наливе и отборе проб составов следует применять спецодежду ииндивидуальные средства защиты, согласно типовым отраслевым нормам,утвержденным в установленном порядке.
(Измененная редакция, Изм. №2, 3).
6.6. Призагорании небольших количеств продукта - тушить песком, кошмой, специальнымипорошками, пенным огнетушителем; развившиеся пожары разлитого продукта набольшой площади - тушить пенной струей.
Справочное
| По ГОСТ 6997-77 | По ГОСТ 6997-54 |
| МК-45 | МК-45 |
| МБ-70/60 | МБ-70 |
| МБ-90/75 | МБ-90 |
| МБМ | МБ-1, МБМ-2 |
ИНФОРМАЦИОННЫЕ ДАННЫЕ
1. РАЗРАБОТАН И ВНЕСЕН Министерствомнефтеперерабатывающей и нефтехимической промышленности СССР
РАЗРАБОТЧИКИ
В.В. Фрязинов,И.И. Шерыщева, С.Л. Александрова, Н.И. Смирнова
2. УТВЕРЖДЕН И ВВЕДЕН ВДЕЙСТВИЕ Постановлением Государственного комитета стандартов Совета МинистровСССР от 03.02.77 № 286
3. Периодичность проверки - 5лет
4. ВЗАМЕН ГОСТ 6997-54
5. ССЫЛОЧНЫЕНОРМАТИВНО-ТЕХНИЧЕСКИЕ ДОКУМЕНТЫ
| Обозначение НТД, на который дана ссылка | Номер пункта |
| ГОСТ 400-80 | |
| ГОСТ 617-90 | |
| ГОСТ 1510-84 | |
| ГОСТ 2226-88 | |
| ГОСТ 2517-85 | |
| ГОСТ 4095-75 | |
| ГОСТ 4333-87 | |
| ГОСТ 6034-74 | |
| ГОСТ 6307-75 | |
| ГОСТ 6581-75 | |
| ГОСТ 6709-72 | |
| ГОСТ 6793-74 | |
| ГОСТ 6823-77 | |
| ГОСТ 8050-85 | |
| ГОСТ 9293-74 | |
| ГОСТ 11506-73 | |
| ГОСТ 19729-74 | |
| ГОСТ 20739-75 | |
| ГОСТ 21235-75 | |
| ГОСТ 24597-81 | |
| ГОСТ 26663-85 | |
| ОСТ 38.02386-85 | |
| ТУ 38.101169-88 |
6. Ограничение срока действияснято Постановлением Госстандарта от 18.05.92 № 490
7. ПЕРЕИЗДАНИЕ (ноябрь 1996 г.)с Изменениями № 1, 2, 3, 4, утвержденными в апреле 1979 г., марте 1983 г., июне1987 г. и мае 1992 г. (ИУС 6-79, 7-83, 11-87, 8-92)
СОДЕРЖАНИЕ
| 1. Марки и технические требования. 1 4. Упаковка, маркировка, транспортирование и хранение. 5 Приложение Таблица соответствия обозначения марок составов для заливки кабельных муфт. 6 |