Стандарт устанавливает методы определения механических свойств сварного соединения в целом и его отдельных участков, а также наплавленного металла при всех виидах сварки металлов и их сплавов.
| Обозначение: | ГОСТ 6996-66* |
| Название рус.: | Сварные соединения. Методы определения механических свойств |
| Статус: | действующий |
| Заменяет собой: | ГОСТ 6996-54 |
| Дата актуализации текста: | 01.10.2008 |
| Дата добавления в базу: | 01.02.2009 |
| Дата введения в действие: | 01.01.1967 |
| Разработан: | Академия наук Украинской ССР |
| Утвержден: | Госстандарт СССР (03.03.1966) |
| Опубликован: | Издательство стандартов № 1991<br>ИПК Издательство стандартов № 1997<br>Стандартинформ № 2005 |

ГОСУДАРСТВЕННЫЙ СТАНДАРТ СОЮЗА ССР
СВАРНЫЕСОЕДИНЕНИЯ
МЕТОДЫОПРЕДЕЛЕНИЯ
МЕХАНИЧЕСКИХ СВОЙСТВ
ГОСТ6996-66
(ИСО 4136-89, ИСО 5173-81, ИСО 5177-81)
ИПКИЗДАТЕЛЬСТВО СТАНДАРТОВ
Москва
ГОСУДАРСТВЕННЫЙ СТАНДАРТ СОЮЗА ССР
| Сварные соединения МЕТОДЫ ОПРЕДЕЛЕНИЯ Welded joints. | ГОСТ (ИСО 4136-89, ИСО 5173-81, ИСО 5177-81) |
Датавведения 01.01.67
(Измененнаяредакция, Изм. № 4).
Настоящийстандарт устанавливает методы определения механических свойств сварногосоединения в целом и его отдельных участков, а также наплавленного металла привсех видах сварки металлов и их сплавов.
(Измененная редакция, Изм. № 2).
1.1. Стандартустанавливает методы определения механических свойств при следующих видахиспытаний:
а) испытанииметалла различных участков сварного соединения и наплавленного металла настатическое (кратковременное) растяжение;
б) испытанииметалла различных участков сварного соединения и наплавленного металла наударный изгиб (на надрезанных образцах);
в) испытанииметалла различных участков сварного соединения на стойкость противмеханического старения;
г) измерениитвердости металла различных участков сварного соединения и наплавленногометалла;
д) испытаниисварного соединения на статическое растяжение;
е) испытаниисварного соединения на статический изгиб (загиб);
ж) испытаниисварного соединения на ударный разрыв.
1.2. Стандартраспространяется на испытания, проводимые при определении качества продукции исварочных материалов, пригодности способов и режимов сварки, при установленииквалификации сварщиков и показателей свариваемости металлов и сплавов.
1.3. Видыиспытаний, типы образца и применение метода предусматривается в стандартах итехнических условиях на продукцию, устанавливающих технические требования нанее.
(Измененная редакция, Изм. № 3).
1.4. Допускается применятьобразцы и методы испытаний по международным стандартам ИСО 4136, ИСО 5173, ИСО5177, приведенным в приложениях 1, 2, 3.
(Введендополнительно, Изм. № 4).
2.1. Образцы дляиспытаний отбирают из проб, вырезанных непосредственно из контролируемойконструкции или от специально сваренных для проведения испытаний контрольныхсоединений.
2.2. Если формасварного соединения исключает возможность изготовления образцов данного типа(детали сложной конфигурации, трубы и др.), то образцы могут быть отобраны отспециально сваренных плоских контрольных соединений.
2.3. Привыполнении контрольных соединений характер подготовки под сварку, марка итолщина основного металла, марки сварочных материалов, положение шва впространстве, начальная температура основного металла, режим сварки итермической обработки должны полностью отвечать условиям изготовленияконтролируемого изделия или особому назначению испытания.
Сваркуконтрольных соединений, предназначенных для испытания сварочных материалов(электродов, сварочных проволок, присадочных прутков, флюсов и др.), если нетспециальных требований, производят с остыванием между наложением отдельныхслоев. Температура, до которой должен остывать металл, устанавливаетсястандартом или другой технической документацией.
(Измененная редакция, Изм. № 2, 3).
2.4. Размерыпластин для изготовления контрольных соединений определяются требованиями,указанными ниже.
2.4.1. Для контрольных соединений, выполняемых дуговой,электрошлаковой и газовой сваркой из плоских элементов, ширина каждойсвариваемой пластины, если нет иных указаний в стандартах или другойтехнической документации, должна быть не менее:
50 мм - притолщине металла до 4 мм;
70 мм « « « св. 4 до 10 мм;
100 мм « « « « 10 « 20 мм;
150 мм « « « « 20 « 50 мм;
200 мм « « « « 50 « 100 мм;
250 мм « « « « 100 мм.
Ширинаконтрольного соединения, выполненного из круглого или фасонного проката, должнабыть не менее двух диаметров или ширин элементов.
2.4.2. Длина свариваемых кромок пластин определяется размерами иколичеством подлежащих изготовлению образцов с учетом повторных испытаний,припусков на ширину реза и последующую обработку и с добавлением длинынеиспользуемых участков шва. Размеры неиспользуемых участков принимают равными:
- при ручнойдуговой сварке покрытыми электродами и газовой сварке - не менее 20 мм в началеи не менее 30 мм в конце шва;
- приавтоматической и полуавтоматической сварке с любым типом защиты, кроме флюса,при толщине металла до 10 мм - не менее 15 мм в начале и не менее 30 мм в концешва, а при толщине металла более 10 мм - не менее 30 мм в начале и не менее 50мм в конце шва;
- приавтоматической и полуавтоматической дуговой сварке под флюсом на токе до 1000А, при электрошлаковой сварке и дуговой сварке с принудительным формированием -не менее 40 мм в начале и не менее 70 мм в конце шва;
- при автоматическойсварке под флюсом на токе более 1000 А - не менее 60 мм в начале шва. Длинунеиспользуемого участка в конце шва для этого случая принимают равной длинекратера шва (участок, имеющий неполное сечение).
(Измененная редакция, Изм. № 1).
2.4.3. Размерыпластин для контрольных соединений, выполняемых способами сварки, не указаннымив п. 2.4.1, устанавливаются соответствующимитехническими условиями.
В случаях сваркипластин с применением приставных планок для вывода начала и конца шва можноотбирать образцы по всей длине контрольного соединения. Приставные планкиизготавливают из того же материала, что и пластины.
Длина приставныхпланок должна быть не менее размера неиспользуемых участков шва (см. п. 2.4.2).
2.5. Размерыпроб, вырезаемых из контролируемой конструкции, определяются количеством иразмерами образцов.
При кислороднойвырезке проб их размеры определяют с учетом припуска на последующуюмеханическую обработку, обеспечивающую отсутствие металла, подвергшегосятермическому влиянию при резке в рабочей части образцов.
(Измененная редакция, Изм. № 2).
2.6. Вырезкузаготовок для образцов из проб и контрольных соединений рекомендуется выполнятьна металлорежущих станках. Допускается вырезать заготовки на ножницах, штампах,кислородной, плазменной, анодно-механической и другими методами резки.
Припуск навеличину заготовки, при котором обеспечивается отсутствие в рабочей частиобразца металла с измененными в результате резки свойствами, назначают взависимости от метода резки. Минимальное значение припуска должно быть:
- при толщинеметалла до 10 мм: кислородная и плазменная резка - 3 мм, механическая, в т. ч.анодно-механическая резка, - 2 мм;
- при толщинеметалла более 10 до 30 мм: кислородная резка - 4 мм, плазменная резка - 5 мм,механическая, в т. ч. и анодно-механическая резка, - 3 мм;
- при толщинеметалла более 30 до 50 мм: кислородная резка - 5 мм, плазменная резка - 7 мм,механическая, в т. ч. и анодно-механическая, - 3 мм;
- при толщинеметалла более 50 мм: кислородная резка - 6 мм, плазменная резка - 10 мм,механическая, в т. ч. и анодно-механическая, - 3 мм.
При вырезкезаготовок для образцов из металла, в котором под воздействием резки неизменяются свойства в рабочей части образца, допускается уменьшение указанныхвыше припусков, но не более чем в два раза.
Величинаприпуска для способов резки, не перечисленных выше, должна быть указана внормативно-технической документации (НТД) на данный вид продукции или на методотбора проб.
При изготовленииобразцов необходимо принимать меры, исключающие возможность изменения свойствметалла в результате нагрева или наклепа, возникающих при механическойобработке.
(Измененная редакция, Изм. № 2, 3).
2.7. На пробах,контрольных соединениях и заготовках из листового проката и труб следуетуказывать направление прокатки основного металла по отношению к шву.
(Измененная редакция, Изм. № 3).
2.8. Правкаконтрольного соединения или пробы, отбираемой от контролируемой конструкции, недопускается. Разрешается править готовые образцы вне их рабочей части. Прииспытании сварных соединений из труб допустимость правки образцов оговариваетсястандартами или другой технической документацией.
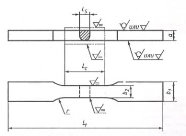
Если нет иныхуказаний в стандартах или другой технической документации, то стрела прогиба f на длине 200 мм (черт.1) не должна превышать 10 % от толщины металла, но не более 4 мм.
Несовпадениеплоскости листов h в стыковых соединениях (черт. 2) не должнопревышать 15 % от толщины листа, но не более 4 мм.
2.9. Термическуюобработку, если она оговорена НТД, проводят до чистовой обработки образцов.Термической обработке могут подвергаться пробы, контрольные соединения иливырезанные из них заготовки для Образцов. В случае нормализации или закалкитермическая обработка заготовок для образцов не допускается.
Черт. 1
Термическую обработку контрольных соединений или заготовокдля образцов предпочтительно совмещать с термической обработкой контролируемогоизделия. Порядок проведения термической обработки при изготовлении образцов изматериалов с sВ более 1000 МПа(100 кгс/мм2) оговаривается НТД.
(Измененнаяредакция, Изм. № 2).
Черт. 2
2.10. Клеймениепроб, контрольных соединений заготовок и готовых образцов можно производитьлюбым способом так, чтобы клеймо располагалось вне рабочей части образца и сохранялосьна нем после испытания.
3.1. Образцы,имеющие отступления от чертежных размеров по чистоте обработки, а такжемеханические повреждения в рабочей части, к испытаниям не допускаются и заменяютсятаким же числом новых образцов, изготовленных из той же пробы или контрольногосоединения. Если размеры пробы или контрольного соединения исключаютвозможность изготовления новых образцов, производят вырезку новой пробы илисварку нового контрольного соединения.
При соответствиирезультатов механических испытаний требованиям стандартов или другойтехнической документации, во всех случаях, кроме арбитражных испытаний,допускается использование образцов с более низким классом шероховатостиповерхности.
(Измененная редакция, Изм. № 3).
3.2. Если нетдругих указаний в стандартах или другой технической документации, то испытанияпо разд. 4, 8 и 9 проводят неменее чем на двух образцах; по разд. 5, 6 и 10 - не менее чемна трех образцах; по разд. 7 - не менее чемна четырех точках для каждого участка сварного соединения. Если размерысварного соединения исключают возможность размещения четырех точек, тодопускается уменьшить их количество в соответствии с реальными возможностями.
(Измененная редакция, Изм. № 3).
3.3. Результаты по всем видам испытаний определяют как среднееарифметическое результатов, полученных при испытании всех образцов. Если нетуказаний в соответствующих стандартах или другой технической документации, тодля всех видов испытаний, кроме испытаний на статический изгиб и измерениятвердости, допускается снижение результатов испытаний для одного образца на 10% ниже нормативного требования, если средний арифметический результат отвечаетнормативным требованиям. Допускаемое снижение результатов испытания образцов настатический изгиб и при измерении твердости должно оговариваться всоответствующих стандартах или другой технической документации. При испытаниина ударный изгиб допускаемое снижение ниже нормативных требованийустанавливается не более 5 Дж/см2 (0,5 кгс×м/см2).
3.4. Испытания,предусмотренные разд. 7-10, проводят принормальной температуре, равной (20±10)°С [(293 ± 10)К]. Температуру образца принимают равной температуре помещения, в котором проводятиспытания. Испытания, предусмотренные разд. 4-6, проводят принормальной температуре или по требованию, оговоренному в соответствующихстандартах или другой технической документации, при повышенных или пониженныхтемпературах. При испытании при пониженной или повышенной температурахтемпературу образца принимают равной температуре среды, в которой проводятнагрев или охлаждение. Допускается определение температуры наобразцах-свидетелях.
(Измененная редакция, Изм. № 1).
3.5. Результатыиспытаний считают неудовлетворительными, если не выполняются требования п. 3.3 или в изломеобразца, или на его поверхности выявлены кристаллизационные или холодныетрещины (кроме случаев, когда наличие трещин допускается соответствующей НТД).При неудовлетворительных результатах испытания повторяют на удвоенномколичестве образцов. Если в изломе образца, результаты испытания которогосчитают неудовлетворительными, обнаружены дефекты основного металла илисварного соединения (кроме трещин), его исключают из оценки и заменяют однимновым образцом.
Общие результатыиспытаний определяют по показаниям, полученным при повторных испытаниях.Результаты повторных испытаний являются окончательными.
(Измененная редакция, Изм. № 2, 3).
3.6. Методика определения размеров образцов, требования,предъявляемые к оборудованию для испытаний, условия проведения испытаний иподсчет результатов должны соответствовать:
- при испытаниина статическое растяжение при комнатной температуре - ГОСТ 1497 , при пониженныхтемпературах - ГОСТ 11150, при повышенныхтемпературах - ГОСТ 9651;
- при испытаниина ударный изгиб при пониженной, комнатной и повышенной температурах - ГОСТ 9454 ;
- при измерениитвердости - ГОСТ 2999, ГОСТ 9013 и ГОСТ 9012 .
Другиетребования к условиям проведения испытаний, определению размеров образцов,оборудованию для испытаний и подсчету результатов должны оговариватьсястандартом иди другой технической документацией.
(Измененная редакция, Изм. № 2).
3.7. Протоколпри всех видах испытаний должен содержать: обозначение настоящего стандарта,толщину и марку основного металла, способ сварки, тип соединения, видтермической обработки (если она выполняется), индекс образца (по клейму), типобразца, место его отбора, результаты данного вида испытаний всех образцов,наличие дефектов в изломе образца, при испытании сварных соединений - месторазрушения (по металлу шва, по металлу зоны термического влияния, по основномуметаллу). Для испытаний, проводимых по разд. 4-6, дополнительноуказывают температуру испытания; по разд. 5 и 6 - максимальнуюэнергию копра; по разд. 7 - схемурасположения точек замера твердости.
(Измененная редакция, Изм. № 2, 3).
4.1. Прииспытании металла на статическое (кратковременное) растяжение определяютследующие характеристики механических свойств:
- пределтекучести физический sТ, МПа (кгс/мм2)или предел текучести условный s0,2, МПа (кгс/мм2);
- временноесопротивление sВ, МПа (кгс/мм2);
- относительноеудлинение после разрыва (на пятикратных образцах) s5, %;
- относительноесужение после разрыва, j, %.
Испытанияпроводят для металла шва, металла различных участков зоны термического влияниянаплавленного металла при всех видах сварки плавлением.
4.2. Форма иразмеры образцов, применяемых для испытания, должны соответствовать черт. 3 или 4 и табл. 1.
Допускаетсяувеличение размера диаметра образца и его высоты.
Черт. 3
Черт. 4
Размеры в мм
| Тип образца | d0 | d | К | D | h | h1 | R | l0 | l | L ± 1 |
| I | 3 ± 0,1 | - | 0,03 | 6 | 4 | 2 | 1 | 15 | 18 | 30 |
| II | 6 ± 0,1 | - | 0,03 | 12 | 10 | 2,5 | 1,5 | 30 | 36 | 61 |
| III | 10 ± 0,2 | - | 0,04 | 16 | 10 | 3 | 3 | 50 | 60 | 86 |
| IV | 6 ± 0,1 | 10 | 0,03 | М12 | 15 | 5 | 5 | 30 | 36 | 86 |
| V | 10 ± 0,2 | 12 | 0,04 | М16 | 15 | 5 | 5 | 50 | 60 | 110 |
Примечание.К - допускаемая разность наибольшегои наименьшего диаметров на длине рабочей части образца.
(Измененная редакция, Изм. № 3).
4.3. Дляиспытаний, проводимых при нормальной или пониженной температуре, применяютобразцы всех типов. При повышенной температуре применяют образцы типов IV и V.
4.4. Допускается применение пропорциональных короткихцилиндрических образцов другого диаметра или типа по ГОСТ 1497 .
4.5. При испытании при повышенных температурах по требованию,оговоренному в стандарте или другой технической документации, допускаетсяприменение пропорциональных длинных цилиндрических образцов № 2 и 3 по ГОСТ 9651.
При наличиисоответствующих приспособлений допускается применение образцов типов I, II иIII для испытаний при повышенных температурах.
4.6. Рабочее сечение образцов всех типов должно полностьюсостоять из металла испытуемого участка. В головках образца допускается наличиеметалла других участков сварного соединения. На поверхности головки допускаетсяналичие одной или двух (параллельных) лысок, а также наличие необработаннойповерхности шва или основного металла.
Размеры головкив месте лыски должны быть: для образцов типов I, II и III - не менее d0 + 2; дляобразцов типов IV и V - не менее d.
4.7. Разметку места вырезки образцов производят по макрошлифам,изготовленным на торцах заготовки в соответствии с данными табл. 2 и 3. Все образцырасполагают вдоль продольной оси испытываемого участка.
При испытанииметалла шва и наплавленного металла с сечением, превышающим сечение головкиобразца, разрешается производить разметку места вырезки образцов без травлениязаготовки по внешним очертаниям шва с соблюдением требований табл. 2 и 3.
Схемарасположения образцов при испытании других участков металла шва или металлаоколошовной зоны устанавливается стандартами или другой техническойдокументацией.
4.6, 4.7. (Измененная редакция, Изм. № 3).
| Позиция | Тип металла | Толщина основного металла, мм | Схема расположения образцов | Указания по вырезке образцов |
| Наплавленный металл | Не менее 12 |
Сварка покрытыми электродами, в защитном газе и газовая сварка | q - не менее пяти слоев. Образец должен располагаться выше штрихпунктирной линии | |
| Наплавленный металл. Наплавку производят на ребро пластины толщиной 20 мм. Длина пластины - не менее 80 мм. Для удержания металла устанавливают медные планки А | 20 |
Сварка покрытыми электродами, в защитном газе и газовая сварка | q - не менее пяти слоев, но не менее 10 мм. Образец должен располагаться выше штрихпунктирной линии | |
| Наплавленный металл. Наплавку ведут в медной форме. Элементы формы могут охлаждаться водой |
|
Сварка покрытыми электродами, в защитном газе и газовая сварка | Количество слоев - не менее шести. Образец располагают вдоль направления сварки | |
| 4 | Металл одно- и многослойных угловых швов, сваренных без полного провара одного из элементов |
|
Дуговая и электрошлаковая сварка | Толщина шва Н - не менее 6 мм |
| Металл стыкового многослойного шва | Не менее 12 |
Сварка покрытыми электродами, в защитном газе и газовая сварка | ||
| 6 | Металл стыкового многослойного шва. Перед сваркой кромки наплавляют не менее чем в три слоя с применением испытуемых материалов | Не менее 12 |
| В рабочее сечение образца не должен попадать металл, наплавленный на кромки пластин |
| Металл стыкового многослойного шва с предварительной наплавкой кромок и подкладки не. менее чем в три слоя. Для наплавки применяют испытуемые материалы. Ширина подкладки 30 мм | Не менее 20 | Зазор между стыкуемыми кромками 16 мм
Сварка покрытыми электродами, в защитном газе и газовая сварка | В рабочее сечение образца не должен попадать металл, наплавленный на кромки пластин и на подкладку | |
| 8 | Металл стыковых односторонних и двусторонних симметричных и несимметричных одно- и многослойных швов | От 5 до 15 |
| |
| 9 | Металл двусторонних и односторонних угловых швов с полным проваром стенки |
|
Дуговая и электрошлаковая сварка
Дуговая и электрошлаковая сварка | Толщина шва Я- не менее 6 мм. При достаточной толщине шва расположение образцов может соответствовать позиции 12 табл. 2 или позиции 2 табл. 3. |
| 10 | Металл односторонних и многослойных стыковых швов | От 16 до 35 |
| С = 0,5D + 2 мм |
| 11 | ||||
| От 36 до 60 | С = 0,5D + 2 мм | |||
| 13 | С = 0,5D + 2 мм | |||
| 14 | От 61 до 350 |
| С = 0,5D + 2 мм | |
| 15 | С = 0,5D + 2 мм |
| Позиция | Тип металла | Толщина второго шва, Н, мм | Схема расположения образцов | Указания по вырезке образцов |
| 1 | Металл двусторонних, одно- и многослойных стыковых швов | От 16 до 35 |
| С = 0,5D + 2 мм |
| От 36 до 60 |
| С = 0,5D + 2 мм | ||
| 3 | От 61 до 150 |
| С = 0,5D + 2 мм |
1. а - толщинаметалла в мм; D - диаметр головкиобразца в мм;
С - расстояние от поверхности шва до оси образца в мм.
2. При однопроходных швах образцы, вырезаемые из различныхучастков шва, имеют практически одинаковые механические свойства. Примногопроходных швах характеристики механических свойств в различных участкахшва различны. Место вырезки образцов из многопроходных швов оговариваетсястандартами или другой технической документацией. При отсутствии специальныхуказаний образцы вырезают у поверхности шва.
3. Для сварных соединений, выполняемых из круглого проката,схему отбора образцов сохраняют той же.
4. Заготовки по позициям 1-3; 5-7 табл. 2 предназначаютсядля проверки качества сварочных материалов.
5. Если в стандартах или другой технической документациинет других указаний, то при двусторонней сварке образцы для испытаний вырезаютиз шва, выполненного вторым.
5.1. Прииспытании на ударный изгиб определяют ударную вязкость или работу удара, илипроцентное соотношение хрупкой и вязкой составляющих поверхности излома дляметалла шва, наплавленного металла, зоны сплавления и различных участковоколошовной зоны при толщине основного металла 2 мм и более.
Ударную вязкостьопределяют в Дж/см2 (кгс×м/см2), если нет указаний в соответствующихстандартах или другой НТД.
(Измененная редакция, Изм. № 2, 3).
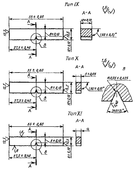
5.2. Дляиспытания применяют образцы, форма, размер и качество поверхности которыхсоответствуют указанным на черт. 5 (образцы с V-образным надрезом) или черт. 6 (образцы сV-образным надрезом). Предпочтительными являются образцы с V-образным надрезом.
а - толщина основного металла, мм
Черт. 5
По требованию,указанному в НТД, разрешается применять образцы типа VI (см. черт. 5) с надрезом по черт. 7 или 8.
а - толщина основного металла, мм
Черт. 6
Черт. 7
Черт. 8
5.3. Условное обозначение ударной вязкости или работы ударавключает: символ ударной вязкости (КС) или работы удара (К); вид надреза(концентратора) (U, V);температуру испытания (температуру 20 °С непроставляют); максимальную энергию удара маятника (максимальную энергию 300 Джне проставляют); тип образца (типы образцов VI и IX не проставляют); место расположения надреза (Ш - шов, ЗС -зона сплавления, ЗТВ - зона термического влияния, t - расстояние отграницы сплавления до оси надреза). Значение t оговаривают встандартах или другой технической документации. При расположении надрезапоперек металла шва, зоны сплавления или зоны термического влияния в концеобозначения ставят букву П.
Примеры условныхобозначений:
1. Ударнаявязкость, определяемая на образце типа VII, при температуре 100°С, примаксимальной энергии удара маятника 150 Дж, с надрезом вида U, расположенным позоне сплавления:
KCU+100 150 УПЗС.
2. Ударнаявязкость, определяемая на образце типа XI, при температуре минус 40 °С, примаксимальной энергии удара маятника 50 Дж, с надрезом вида V, расположенным позоне термического влияния на расстоянии (t мм) от границы сплавления до оси надреза:
KCV-4050 XI 3TBt.
3. Ударнаявязкость, определяемая на образце типа VI, при температуре 20 °С, примаксимальной энергии удара маятника 300 Дж, с надрезом вида U, расположенным пометаллу шва:
KCUШ.
4. Ударнаявязкость на образце типа IX, при температуре 20 °С, примаксимальной энергии удара маятника 300 Дж, с надрезом вида V, расположеннымпоперек металла шва:
KCVШ П.
5.2, 5.3. (Измененная редакция, Изм. № 3).
5.4. Образцыразличных типов дают несравнимые между собой результаты испытаний. Дляотдельных случаев могут быть экспериментально установлены частные переводныекоэффициенты.
5.5. При испытаниина ударный изгиб должны применяться образцы с максимально возможной для даннойтолщины основного металла шириной. В соответствии с этим при толщине основногометалла 11 мм и более применяют образцы типа VI или IX, при толщине основногометалла 6-10 мм - образцы типа VII или X, при толщине металла 2-5 мм - образцытипа VIII или XI. Использование образцов типов VII и Х вместо образцов типов VIи IX и образцов типов VIII и XI вместо образцов типов VII и Х или VI и IXдопускается только при сравнительных испытаниях, когда для одного из объектовсравнения применение тонкого образца обусловлено толщиной основного металла.
При вырезкеобразцов типов VI и IX из сварного соединения, выполненного из основногометалла толщиной 11 мм, и образцов типов VII и Х - из основного металлатолщиной 6 мм, допускается наличие необработанного основного металла на двухповерхностях образца. Поверхность основного металла образцов типов VIII и XI необрабатывают.
Выпуклость швана всех образцах удаляют до уровня основного металла. При наличии в сварномсоединении смещения кромок (см. черт. 2) он удаляетсямеханическим путем.
(Измененная редакция, Изм. № 2, 3).
5.6. В зависимости от цели испытания надрез располагают пометаллу шва (черт. 9 и 10), по зонесплавления (черт. 11) и в различныхучастках металла околошовной зоны на расстоянии t от границысплавления (черт. 12 и 13). Месторасположения надреза и расстояние tот границы сплавления до оси надреза оговаривают в НТД.
Черт. 9
Черт. 10
При испытанииметалла околошовной зоны при сварке давлением расстояние t отсчитывают отоси шва.
(Измененная редакция, Изм. № 2, 3).
5.7. Разметкудля нанесения надреза производят по макрошлифам, расположенным на граняхобразца или заготовки для образцов. Расположение надреза должно соответствоватьп. 5.6. Все образцы вырезают поперек испытуемого участка сварногосоединения. Ориентация надреза для образцов типов VI и IX должнасоответствовать черт. 9, 11 и 12, для образцовтипов VII, VIII, Х и XI - черт. 10 и 13. Ориентациюнадреза для образцов типов VI и IX оговаривают в НТД. Вырезку образцов изаготовок для них ведут по табл. 4 и 5.
Схемурасположения образцов при испытании металла околошовной зоны для стыковыхсоединений и металла шва и околошовной зоны при испытании тавровых инахлесточных соединений оговаривают в стандартах или другой техническойдокументации.
Черт. 11
Черт. 12
Черт. 13
| Позиция | Тип металла | Толщина основного металла, мм | Схема расположения образцов | Указания по вырезке образцов | |
| Наплавленный металл. Ширина пластины, на которую производят наплавку, не менее 80 мм | Не менее 12 |
Сварка покрытыми электродами, в защитных газах и газовая сварка | q - не менее пяти слоев. Образец должен располагаться выше пунктирной линии | ||
| 2 | Металл стыковых многопроходных швов | Не менее 12 |
Сварка покрытыми электродами, в защитных газах и газовая сварка | С - не более 1,5 мм | |
| 3 | Металл стыковых многопроходных швов. Перед сваркой производят наплавку кромок не менее чем в три слоя. Для наплавки применяют испытуемые материалы |
| С - не более 1,5 мм | ||
| Металл стыковых многопроходных швов. Перед сваркой производят наплавку кромок и подкладки не менее чем в три слоя. Для наплавки применяют испытуемые материалы | Не менее 20 | Зазор между стыкуемыми кромками Сварка покрытыми электродами, в защитных газах и газовая сварка | С - не более 1,5 мм | ||
| 5 | Металл стыковых швов всех типов | От 2 до 17 |
|
| |
| 6 |
|
|
| ||
| 7 |
|
|
| ||
| 8 |
|
|
| ||
| 9 | Металл односторонних, одно- и многопроходных стыковых швов | От 18 до 40 |
| С - от 1 до 3 мм | |
| 10 |
| ||||
| 11 | От 41 до 60 |
| С - от 1 до 3 мм | ||
| 12 |
| С - не менее 8 мм | |||
| 13 | Металл односторонних, одно- и многопроходных стыковых швов | От 61 до 350 |
| С - от 1 до 3 мм | |
| 14 | С - не менее 8 мм | ||||
| Позиция | Тип металла | Толщина основного металла, мм | Схема расположения образцов | Указания по вырезке образцов |
| 1 | Металл двусторонних, одно- и многослойных стыковых швов | От 18 до 40 |
| С - от 1 до 3 мм |
| 2 | От 41 до 60 |
| С - от 1 до 3 мм | |
| 3 | Металл двусторонних, одно- и многослойных стыковых швов | от 61 до 350 |
| С - от 1 до 3 мм |
1. а - толщинаосновного металла, мм; С - расстояниеот поверхности металла до края образца (заготовки), мм.
2. При однослойных швах образцы, вырезаемые из различныхучастков, имеют практически одинаковую ударную вязкость. При многослойных швахударная вязкость металла различных участков отличается друг от друга. Местовырезки образцов оговаривается стандартами или другой техническойдокументацией. При отсутствии таких указаний образцы вырезают у поверхностишва.
3. Если в стандартах или другой технической документациинет специальных указаний, то при двусторонних швах образцы вырезают из шва,сваренного вторым, При двусторонних многослойных швах, выполняемых с переменнымналожением проходов, образцы вырезают со стороны последнего из них.
4. Заготовки по позициям 1-4 табл. 4 используют дляпроверки качества сварочных материалов.
6.1. Стойкость против механического старенияхарактеризуется изменением ударной вязкости металла, подвергнутого старению посравнению с ударной вязкостью его в исходном состоянии. О стойкости металлапротив механического старения судят по выраженному в процентах отношению этихвеличин или по абсолютному (нормативному) значению ударной вязкости послестарения. Испытания проводят для металла шва и различных участков металлаоколошовной зоны.
6.2. Заготовки подвергают искусственному старению пометодике: деформация растяжением из расчета получения (10 ± 0,5) % остаточногоудлинения в пределах расчетной длины l, ограниченной кернами или рисками. Рекомендуется наповерхности образцов через каждые 10 мм наносить риски для проверкиравномерности деформации по длине расчетной части.
После удлинения заготовку подвергают равномерному нагреву втечение 1 ч при температуре 250 °С (523 °К) с последующим охлаждением на воздухе. Из рабочейчасти заготовок по черт. 14, 15 или 17 отбирают образцы типа VI или IX, а по черт. 16 - типа VII илиX. Ось надреза должна совпадать с осью симметрии шва. Схему отбора образцов прирасположении надреза в других участках сварного соединения оговариваютстандартами или другой технической документацией.
Предусмотренную данным пунктом методику старения применяютдля сварных соединений из сталей. Методику старения для других металлов исплавов, а также иную температуру нагрева или величину деформации длясоединений из стали оговаривают стандартами или другой техническойдокументацией.
6.3. Механическому старению подвергают заготовки,отбираемые от стыкового соединения в соответствии с черт. 14 или 15 и табл. 6. Ось симметриизаготовки должна совпадать с продольной осью шва или с осью будущего надреза(если испытание проводят не для металла шва). Расположение надреза по черт. 15 применяют приэлектрошлаковой сварке и в случаях, оговоренных в п. 5.6. Заготовки по черт. 16 применяют прииспытании сварных соединений из металла толщиной менее 12 мм. По требованию,оговоренному стандартами или другой технической документацией, для сварныхсоединений, выполняемых электрошлаковым процессом, разрешается применятьзаготовки по черт. 17.
6.4. Длину захватной части заготовок h устанавливают в зависимости от конструкции испытательноймашины.
6.5. К условному обозначению образца, оговоренному в п. 5.3, прибавляютиндекс «ст» (например, КСст Ш, КСст Ш).
| Позиция | Тип шва | Толщина основного металла, мм | Схема расположения заготовок | Указания по вырезке заготовок |
| 1 | Все стыковые швы | От 6 до 17 |
|
|
| 2 |
| |||
| 3 |
| |||
| 4 | Односторонние, одно- и многопроходные стыковые швы | Более 20 |
| С - от 1 до 3 мм |
| 5 |
| |||
| 6 | От 56 до 350 | С - не менее 8 мм. Вырезка заготовок по данной схеме должна оговариваться стандартами или другой технической документацией. Отбор образцов производят по черт. 17 | ||
| 7 | Двусторонние одно- и многослойные стыковые швы | Более 17 |
| С - от 1 до 3 мм |
Примечание, а -толщина основного металла, мм; С -расстояние от поверхности металла до края заготовки, мм.
Черт. 14
Черт. 15
Черт. 16
Черт. 17
(Измененнаяредакция, Изм. № 3).
7.1. Твердость измеряютв поперечном сечении сварного соединения в соответствии с черт. 18, 18а и 19.
7.2. Твердостьизмеряют по Виккерсу (HV), Бринеллю (НВ)и по Роквеллу - шкалам А, В и С (HRA, HRB и HRC), отдаваяпредпочтение замеру по Виккерсу.
Примечание. Линии измерения твердости во всех случаях,кроме позиции УП, проходят через все участки сварного соединения. С - от 2 до 4 мм, C1 - от 10 до 15 мм; а - толщина основного металла, мм; Н - толщина углового шва, мм; q - подготовительный участок толщиной не менее пяти слоев; q1 - участок измерения твердости толщиной не менее шести слоев.Для угловых швов, имеющих вогнутую или выпуклую поверхность, величину С отсчитывают от места максимальнойвогнутости или выпуклости.
Черт. 18
Черт. 18а
Твердость поВиккерсу измеряют по ГОСТ 2999. Нагрузка наиндентор в зависимости от прочности металла участков сварного соединения иширины зоны термического влияния должна составлять 98 Н (HV10) или 49Н (HV50). При наличиив стандартах или другой технической документации соответствующих указаний, измеряюттвердость по Виккерсу. Нагрузка на индентор при таких замерах может меняться от0,04 до 4,9 Н.
Твердость поБринеллю измеряют в соответствии с ГОСТ 9012 , используя стальнойшарик диаметром 2,5 или 5,0 мм.
Твердость поРоквеллу измеряют в соответствии с ГОСТ 9013 при сфероконическом алмазноминденторе (шкала А и С) или шариковом стальном наконечнике диаметром 1,5875 мм.
7.3. Твердостьопределяют для соединений, полученных сваркой плавлением или давлением изсталей различных марок и других металлических конструкционных материаловтолщиной не менее 1,5 мм.
Твердостьосновного металла, различных участков зоны термического влияния и металла шваизмеряют по одной или нескольким линиям, указанным на черт. 18. Еслисоединение выполнено из металлов различных марок, то твердость измеряют длякаждого из них.
При измерениях,выполняемых в непосредственной близости от границы сплавления, рекомендуется проводить2-3 измерения в соответствии с позицией I черт. 18а илидополнительные измерения по позиции II черт. 18а.
Допускаетсяпроведение измерений на участках сварного соединения, указанных на черт. 19.
Черт. 19
7.4. Твердостьпо Виккерсу измеряют на микрошлифах или образцах с полированной поверхностью,если очертания шва видны без травления. Шероховатость поверхности такихобразцов должна быть от 0,40 до 0,63 мкм. Твердость по Бринеллю или Роквеллуизмеряют на макрошлифах или на образцах с шлифованной поверхностью, еслиочертания шва видны без травления. Шероховатость поверхности таких образцовдолжна быть от 1,25 до 2,00 мкм. В образцах должна быть соблюдена параллельностьрабочей и опорной поверхностей.
7.5. Твердостьстыковых и угловых соединений, выполненных дуговой сваркой, измеряют: притолщине основного металла или углового шва от 1,5 до 9 мм - в соответствии спозицией VIII черт. 18 по однойпунктирной линии; при толщине от 9 до 25 мм - в соответствии с позициями I иIII черт. 18 по двумсплошным линиям; при толщине от 26 до 60 мм - в соответствии с позициями II илиIII черт. 18 по двумсплошным и одной пунктирной линиям.
Схему измерениятвердости при толщине основного металла или углового шва более 60 ммоговаривают в стандартах или другой технической документации.
Твердостьсварных соединений, полученных электрошлаковой сваркой, измеряют в соответствиис позицией IV черт. 18. Количествоточек измерений в зоне термического влияния должно быть не менее 10.
Твердостьразличных участков металла наплавки измеряют в соответствии с позицией V черт. 18.
Твердостьсварных соединений, полученных сваркой давлением, измеряют в соответствии спозицией VI черт. 18.
Твердостьнаплавленного металла при контроле качества сварочных материалов измеряют всоответствии с позицией VII черт. 18.
(Измененная редакция, Изм. № 3).
8.1. При испытанииопределяют прочность наиболее слабого участка стыкового или нахлесточногосоединения или прочность металла шва в стыковом соединении.
(Измененная редакция, Изм. № 1).
А. Определение прочности наиболее слабого участкастыкового и нахлесточного соединения
8.2. При испытаниисварного соединения на статическое растяжение определяют временноесопротивление наиболее слабого участка. Временное сопротивление подсчитывают по ГОСТ 1497 . При испытанииопределяют место разрушения образца (по металлу шва, по металлу околошовнойзоны, по основному металлу).
(Измененная редакция, Изм. № 1, 2).
8.3. Испытанияпроводят, как правило, на образцах, толщина или диаметр которых равны толщинеили диаметру основного металла. При испытании сварного соединения или листовразной толщины более толстый лист путем механической обработки должен бытьдоведен до толщины более тонкого листа.
Шероховатостьповерхности после обработки более толстого элемента должна быть не более 6,3мкм.
8.4. Форма и размер плоских образцов для испытания стыковыхсоединений должны соответствовать черт. 20, 21 или 21а и табл. 7. Допускаетсяприменение цилиндрических образцов типов I, II, III, IV и V. Металл шва в этихобразцах должен располагаться по середине их рабочей части. Разрешаетсяприменение образца по ГОСТ 1497 .
При испытанииматериалов высокой прочности разрешается изменять конструкцию захватной частиобразца.
Черт. 20
Черт. 21
Черт. 21а
Размеры в мм
| Тип образца | Толщина основного металла а | Толщина образца а1 | Ширина рабочей части образца b | Ширина захватной части образца b1 | Длина рабочей части образца l | Общая длина образца L | Номер чертежа |
| XII, XIII | До 6 | Равна толщине основного металла | 15 ± 0,5 | 25 | 50 | l + 2h | 20 или 21 |
| Св. 6 до 10 включ. | 20 ± 0,5 | 30 | 60 | ||||
| « 10 « 25 « | 25 ± 0,5 | 35 | 100 | ||||
| « 25 « 50 « | 30 ± 0,5 | 40 | 160 | ||||
| « 50 « 75 « | 35 ± 0,5 | 45 | 200 | ||||
| XIIIa | Равна и менее 20 | Равна толщине металла | Не менее 1, 2 толщины образца, но не менее 10 и не более 50 | b+ 12 | lШ + 60 | Равна или более 200 | 21а |
|
| |||||||
| Св. 20 до 40 | Равна толщине металла или 20 | ||||||
|
| |||||||
| Св. 40 | 20 или 40 |
Примечания:
1. lШ- максимальная ширина шва.
2. Длину захватной части образца h устанавливают взависимости от конструкции испытательной машины.
3. Размеры образцов типов XII и XIII при толщине основногометалла более 75 мм устанавливают стандартом или другой НТД.
4. Длину рабочей части образца можно увеличить, есликонструкция испытательной машины делает невозможным испытание образцапредписанной длины.
(Измененная редакция, Изм. № 3).
8.5. Форма иразмеры цилиндрических образцов для испытания стыковых соединений стержней круглогоили многогранного сечения должны соответствовать указанным на черт. 22, 22а и в табл. 8. Для испытаниястыковых соединений из арматурной стали применяют необработанные образцы соснятым утолщением.
Черт. 22а
(Измененная редакция, Изм. № 3).
8.6. Утолщение швадолжно быть снято механическим способом до уровня основного металла. Приудалении утолщения разрешается снимать основной металл по всей поверхности образцана глубину до 15 % от толщины металла или диаметра стержня, но не более 4 мм.Основной металл с поверхности образца удаляют только с той стороны, с которойснимают утолщение шва или имеется уступ (см. черт. 2). Строгать утолщениеследует поперек шва. Острые кромки плоских образцов в пределах рабочей частидолжны быть закруглены радиусом не более 1,0 мм путем сглаживания напильникомвдоль кромки. Разрешается строгать утолщение вдоль шва с последующим удалениемрисок. Шероховатость поверхности R в местахудаления утолщения должна быть не более 6,3 мкм.
(Измененная редакция, Изм. № 2).
Размеры, мм
| Тип образца | Диаметр круглого стержня или диаметр окружности, вписанной в многогранный стержень, В | Диаметр захватной части образца d1 | Диаметр рабочей части образца d | Длина рабочей части образца l | Общая длина образца L | Номер чертежа |
| XIV | До 10 | - | DC или В | 60 | /+2А | 22 |
| Св. 10 до 25 | 100 | |||||
| « 25 « 50 | 160 | |||||
| « 50 « 70 | 200 | |||||
| XIVa | Не ограничивается | DC или В, но не более 40 | 0,8d1 | lШ + 60 | ³ 200 | 22а |
Примечания:
1. lШ- максимальная ширина шва.
2. Длину захватной части h устанавливают взависимости от конструкции испытательной машины.
3. При DCболее 75 мм размеры образца типа XIV устанавливают в стандартах или другой НТД.
8.7. Испытания образцов типов XII, XIII, XIIIa и XIVразрешается проводить без снятия утолщения, если это оговорено в НТД.
В этом случае вформулу расчета временного сопротивления ( ГОСТ 1497 ) вводятзначение площади сечения образца вне шва.
(Измененная редакция, Изм. № 2).
8.8. При недостаточной мощности разрывной машины разрешаетсяиспытывать плоские (черт. 23) илицилиндрические образцы (черт. 24 или 25). Величинузахватной части образцов h устанавливают взависимости от конструкции испытательной машины. Схема расположения заготовокдля образцов типов XVI и XVIIприведена в табл. 9 и 10.
Разрешаетсяприменение цилиндрических образцов с другими рабочими диаметрами и другим типомзахватной части в соответствии с ГОСТ 1497 . Допускаетсяпроведение испытаний на образцах типов XII-XVII с более низким классом чистотыобработки при условии соответствия характеристик механических свойств испытуемогометалла всем установленным требованиям.
Черт. 23
Черт. 24
Черт. 25
| Позиция | Тип шва | Толщина основного металла или диаметр стержня, мм | Схема расположения заготовок | Указания по вырезке заготовок |
| 1 | Все стыковые швы | Для образцов типа XVI - от 25 до 50 |
| При стыковой контактной и газопрессовой сварке схема вырезки образцов такая же |
| 2 | Для образцов типа XVII от 30 до 70 | |||
| 3 |
| Позиция | Тип шва | Толщина основного металла, мм | Схема расположения заготовок | Указания по вырезке заготовок |
| 1 | Все стыковые швы | Для образцов типа XVI от 51 до 75 |
| С - от 1 до 3 мм. При стыковой контактной и газопрессовой сварке схема вырезки образцов такая же |
| 2 | Для образцов типа XVII - от 71 до 100 | |||
| 3 | ||||
| 4 | Все стыковые швы | Для образцов типа XVI - более 75 |
| С - от 1 до 3 мм |
| 5 | Для образцов типа XVII - более 100 | |||
| 6 |
Примечание к табл. 9 и 10: а - толщинаосновного металла, мм; С - расстояниеот поверхности металла до края заготовки, мм.
8.9. Для контроля прочности сварных соединений труб применяютсегментные образцы, указанные на черт. 20 или 21, или 21 а, а такжецилиндрические образцы в виде отрезков труб, указанные на черт. 26 или 26а, или 27. Образцы типовXII, XIII, XIIIa не выправляют.Форму их в поперечном сечении определяет естественная кривизна трубы.
Черт. 26
Черт. 26а
Черт. 27
Сегментныеобразцы вырезают при диаметре трубы более 20 мм. Цилиндрические образцы типовXVIII и XVIIIa вырезают придиаметре трубы до 100 мм. При наличии соответствующего оборудования образцыэтого типа вырезают и при трубах больших диаметров. При испытании образца типаXIX его максимальный диаметр определяется мощностью испытательной машины. Вформулу расчета временного сопротивления ( ГОСТ 1497 ) для образцовэтого типа вводят значение площади сечения трубы вне шва. В образцах типов XII,XIII и XIIIa выпуклость швовудаляют с двух сторон. В образцах типов XVIII и XIX выпуклость шва не удаляют,в образцах типа XVIIIa выпуклость шваудаляют только с наружной стороны. По требованиям, изложенным в НТД,разрешается испытывать образцы типа XVIII со снятой с наружной сторонывыпуклостью шва. При недостаточной мощности испытательной машины разрешаетсяприменять образцы типов I-V. Металл шварасполагают посередине образца.
8.10. Концыобразцов типов XVIII и XVIIIa подготавливают дляиспытания при использовании цилиндрических пробок (образцы типа XVIIIa) илисплющивания (образцы типов XVIII и XVIIIa). Расстояниемежду внутренними концами металлических пробок должно быть равно l + 2D. Расстояние от осишва до начала сплющиваемого участка должно быть не менее двух диаметров трубы.
(Измененная редакция, Изм. № 2).
8.11. Сварныесоединения, выполненные точечной сваркой и электрозаклепками, испытывают насрез путем растяжения образца, приведенного на черт. 29, или на отрыврастяжением образца, приведенного на черт. 30. При испытанииэлектрозаклепок ширина образца во всех случаях равна 50 мм.
Размеры образцовдолжны соответствовать табл. 11.
мм
| Толщина основного металла а | Ширина образца b, не менее |
| До 1 включ. | 20 |
| Более 1 до 2 включ. | 25 |
| « 2 « 3 « | 30 |
| « 3 « 4 « | 35 |
| « 4 « 5 « | 40 |
| « 5 | 45 |
(Измененная редакция, Изм. № 1).
8.12. Прииспытании определяют разрушающую нагрузку на точку в ньютонах (килограммах).
а - толщина основного металла, мм; h - длина захватной части (выбирают в зависимости отконструкции испытательной машины), мм; l - длина рабочей части образца, мм
Черт. 29*
*Черт. 28 исключен
Черт. 30
8.13. Дляпредотвращения изгиба образцы типа XXI закрепляют в специальном приспособлении.Приспособление должно обеспечивать жесткость образца и возможность испытанияего на разрывных машинах.
8.14. Сварныесоединения листов, выполненные шовной сваркой, испытывают на срез путемрастяжения образцов, приведенных на черт. 31 или 32.
При толщинеметалла до 1,0 мм испытывают образцы типа XXIII. При толщине металла более 1,0мм выбор типа образца не устанавливают. При испытании определяют разрушающуюнагрузку на образец в килограммах (ньютонах).
Черт. 31
Черт. 32
8.15. Вырезку образцовтипов XX, XXII и XXIII из контрольных сварных соединений, сваренных точечнойили шовной сваркой, производят согласно черт. 33. Шаг точекдолжен обеспечивать возможность вырезки образцов заданных размеров.
Разрешается свариватьобразцы с одной точкой в соответствии с черт. 29.
Б. Определение прочности металла шва в стыковомсоединении
8.16. Прииспытании прочности металла шва в стыковом соединении определяют его временноесопротивление.
8.17. Толщинаобразца типа XXIV должна равняться толщине основного металла. Диаметр захватнойчасти образца типа XXV должен равняться толщине основного металла или диаметрусвариваемых элементов.
(Измененная редакция, Изм. № 1).
Черт. 33
8.18. Форма и размерыплоского образца должны соответствовать черт. 34 и табл. 12.
Черт. 34
мм
| Толщина основного металла а | Ширина захватной части образца b1 | Ширина рабочей части образца b ±0,5 | Радиус закругления R | Длина рабочей части образца l | Общая длина образца L |
| До 6 | 25 | 15 | 6 ± 1 | 40 | L = l + 2h |
| Более 6 до 10 | 30 | 20 | 12 ± 1 | 60 | |
| Более 10 до 25 | 38 | 25 | 20 ± 2 | 70 | |
| Более 25 до 40 | 45 | 30 | 25 ± 2 | 90 | |
| Более 40 до 50 | 55 | 35 | 30 ± 2 | 110 |
Примечания:
1. Длину захватной части образца h устанавливают взависимости от конструкции испытательной машины.
2. Размеры образца при толщине металла более 50 ммустанавливают соответствующими техническими условиями.
8.19. Форма иразмеры цилиндрического образца должны соответствовать черт. 35 и табл. 13.
Черт. 35
мм
| Диаметр захватной части образца d1 | Диаметр рабочей части образца d | Радиус закругления R | Длина рабочей части образца l | Общая длина образца L |
| До 5 | d = 0,6 d1 | R = 0,5d1 | 40 | L = l + 2h |
| Более 5 до 10 | 60 | |||
| Более 10 до 15 | 70 | |||
| Более 15 до 30 | d = 0,7 d1 | 90 | ||
| Более 30 до 50 | 110 |
Примечания:
1. Длину захватной части образца L устанавливают в зависимости от конструкции испытательной машины.
2. Размеры образца при толщине металла более 50 мм устанавливают соответствующимитехническими условиями.
8.20. Поперечнаяось образцов типов ХХIV и XXV должнасовпадать с осью шва. Для односторонних швов разметку поперечной оси образцапроизводят по узкой части шва (при электродуговой сварке) или по грату (приконтактной или газопрессовой сварке).
Для двустороннихшвов разметку поперечной оси производят после шлифовки и травления боковыхповерхностей образца по макрошлифу или посередине выпуклость шва, сваренного совторой стороны.
8.21. Временноесопротивление sВ, МПа (кгс/мм2),определяют по формуле
![]()
где k - поправочныйкоэффициент;
Р - максимальноеусилие, Н (кгс);
F - площадьпоперечного сечения образца в наименьшем сечении до испытания, мм2(м2).
Для углеродистыхи низколегированных конструкционных сталей коэффициент k принимают равным 0,9. Для других металлов значение коэффициента k устанавливают соответствующейтехнической документацией.
8.22. Выпуклость швадля образцов типа XXIV должна быть удалена в соответствии с п. 8.6.
8.18-8.22. (Измененная редакция, Изм. № 3).
9.1. Испытанияпроводят для стыковых соединений. При испытании определяют способностьсоединения принимать заданный по размеру и форме изгиб. Эта способностьхарактеризуется углом изгиба a (черт. 36), при котором врастянутой зоне образца образуется первая трещина, развивающаяся в процессеиспытания. Если длина трещин, возникающих в процессе испытания в растянутойзоне образца, не превышает 20 % его ширины, но не более 5 мм, то они неявляются браковочным признаком. Определяют также место образования трещины илиразрушения (по металлу шва, металлу околошовной зоны или основному металлу).
В зависимости оттребований, установленных соответствующей НТД, испытания проводят до достижениянормируемого угла изгиба или угла изгиба, при котором образуется перваяявляющаяся браковочным признаком трещина, до параллельности или соприкосновениясторон образца. Угол изгиба при испытании до образования первой трещинызамеряют в ненапряженном состоянии с погрешностью до ± 2 °.
Черт. 36
(Измененная редакция, Изм. № 2).
9.2. Форма иразмеры плоских образцов должны соответствовать указанным на черт. 37, 38, 38а и в табл. 14.
Толщина образцовтипов XXVI, XXVII и XXVIII при толщине основного металла 50 мм должна равнятьсятолщине основного металла. При толщине металла более 50 мм толщину образцаустанавливают в НТД. Образцы типов XXVIa, XXVIIa и XXVIIIa, толщина которыхменьше толщины основного металла, допускается вырезать в различных участкахпоперечного сечения сварного соединения. К результатам испытания образцовразных типов устанавливают различные нормативные требования.
Выпуклость швапо обеим сторонам образца снимают механическим способом до уровня основногометалла с шероховатостью до 6,3 мкм. В процессе удаления утолщения, если в НТДнет иных указаний, удаляют и подрезы основного металла. Строгать утолщение приобразцах типов XXVI и XXVIa следует вдоль, а при образцах типов XXVII, XXVIIa, XXVIII и XXVIIIa - поперек шва.Разрешается строгать утолщение в любом направлении с последующим удалениемрисок. Кромки образцов в пределах их рабочей части должны быть закругленырадиусом ³ 0,1 толщиныобразца, но не большим 2 мм, путем сглаживания напильником вдоль кромки.
Черт. 37
Черт. 38
Черт. 38а
Ось,расположенного поперек сварного шва образца, после окончательной обработкидолжна находиться на его середине.
Размеры в мм
| Тип образца | Толщина основного металла и образца а | Ширина образца b | Общая длина образца L | Длина рабочей части образца l | Номер чертежа |
| XXVI | 5 | а + 15 | 2,5D + 80 | 0,33L | 37 |
| Св. 5 до 50 | а + 20 | ||||
| XXVIa | До 25 | lш + 10, но не менее 20 | Не более 250 | Не устанавливается |
|
| XXVII | До 50 | 1,5 а, но не менее 10 | 2,5D + 80 | 0,33L | 38 |
| XXVIIa | До 25 | Не менее 1,5а, но не менее 20 и не более 50 | Не более 250 | Не устанавливается | |
| XXVIII | До 10 | 20 | 3,0 D + 80 | 0,33L | |
| Св. 10 до 45 | 30 | ||||
| XXVIIIa | До 40 | 0,7а, но не более 15 | Не более 250 | Не устанавливается | 38а |
Примечания:
1. D - диаметр оправки; lш - максимальная ширина шва.
2. Общая длина образцов типов XXVI, XXVII и XXVIII принята равнойне менее указанной величины.
3. Форма поперечного сечения образца должна быть постояннойпо всей длине.
(Измененная редакция, Изм. № 3).
9.3. Испытаниеобразцов типов XXVI и XXVIa проводят, какуказано на черт. 39, типов XXVIIa и XXVIII - на черт. 40, типа XXVIIIa - на 40а. Расстояниемежду опорами К (черт. 40) должно бытьравно: для образцов типа XXVII - 2,52), для образцов типа XXVIIa - D + 3а, для образцов типа XXVIII - 3D. Расстояние для образцов типов XXVI иXXVIa указано на черт. 39, а типа XXIIIa-на черт. 40а.
Обязательнымусловием проведения испытаний является плавность возрастания нагрузки наобразец. Испытания проводят со скоростью не более 15 мм/мин на испытательныхмашинах или прессах с использованием опорных роликов.
Диаметр оправки D может изменяться в зависимости отмарки стали, толщины листов, способа термообработки и должен оговариваться всоответствующей НТД. При отсутствии специальных указаний диаметр оправкипринимают равным двум толщинам основного металла. Радиус закругления опоры г для образцов типов XXVI, XXVIa, XXVIIи XXVIIa выбирают по табл. 15. Для образцовтипа XXVII r = 25 мм. Для образцов типа XXVIIIа радиус не установлен.
Черт. 39
Черт. 40
Черт. 40а
Черт. 41
Если заданныйугол изгиба превышает 150°, то после изгиба по схеме, приведенной на черт. 39, 40, 40а, изгиб можнопродолжать между двумя параллельными нажимными плитами. Между концами образцаустанавливают прокладку толщиной d, равнойдиаметру оправки (черт. 41). Послеудаления прокладки испытание проводят до соприкосновения сторон.
мм
| а | r |
| До 2 | 2 |
| Более 2 до 4 | 4 |
| « 4 « 8 | 8 |
| « 8 « 10 | 10 |
| « 10 « 26 | 20 |
| « 26 | 25 |
(Измененная редакция, Изм. № 2).
9.4. Длястыковых односторонних швов по требованию, оговоренному в стандартах или другойтехнической документации, в растянутой зоне располагают поверхностный наиболееширокий или корневой участок шва. При отсутствии специальных указаний врастянутой зоне должна располагаться поверхность шва.
Если встандартах или другой технической документации нет иных указаний, то придвусторонних стыковых швах в растянутой зоне располагают для всех типовобразцов, кроме XXVIIIa, шов, выполненныйвторым. Для образцов типа XXVIIIa в растянутуюзону попадает все сечение шва. При сварке многослойных двусторонних стыковыхшвов с поперечным наложением проходов в растянутой зоне располагают сторону,где был выполнен последний проход.
Соединения сподварочным швом относят к односторонним.
(Измененная редакция, Изм. № 3).
9.5. Испытаниястыковых соединений труб на изгиб при поперечном (круговом) расположении швапроводят на образцах со снятым с наружной стороны утолщением.
При диаметретрубы £ 20 мм применяютобразцы в виде отрезков трубы.
При диаметретрубы св. 20 до 45 мм применяют образцы в виде отрезка труб или плоские(сегментные) образцы.
При диаметретрубы св. 45 мм применяют плоские (сегментные) образцы типов XXVII, XXVIIa и XXVIII; их размерыуказаны в табл. 14.
Образцы невыправляют. Форму их в поперечном сечении определяет естественная кривизнатрубы.
Испытание трубдиаметром 60 мм и менее с поперечным (круговым) и продольным швами можнопроводить на образцах, приведенных на черт. 42 или 43. Утолщение швас наружной стороны трубы механическим путем снимают до уровня основного металла.
Черт. 42
Черт. 43
На образцах,вырезанных из труб, выполненных стыковой контактной сваркой, грат должен бытьснят с наружной и внутренней сторон трубы до уровня основного металла.
(Измененная редакция, Изм. № 2).
9.6. Результатыиспытания образцов типов ХХIХ и XXXопределяют величиной b (черт. 44) при появлениина поверхности образца трещины. Характер трещины должен соответствоватьуказанному в п. 9.1.
Если трещина необразуется, то испытание проводят до соприкосновения сторон.
Черт. 44
Черт. 45
(Измененная редакция, Изм. № 2, 3).
9.7. Испытаниепроводят путем деформации образца под прессом сжимающей нагрузкой.
Обязательнымусловием проведения испытания является плавность нарастания усилия на образец.Скорость испытания должна соответствовать п. 9.3.
При испытанииобразцов с круговым швом последний располагают по оси приложения сжимающейнагрузки (черт. 45), а прииспытании образца с продольным швом шов располагают в диаметральной плоскости,перпендикулярной действию сжимающей нагрузки (см. черт. 44).
Если в образце,предназначенном для испытания кругового шва, есть продольный шов, он долженрасполагаться вне растянутой зоны.
9.8. Испытание соединенийстержней кругового или многогранного сечения, при отсутствии в НТД другихтребований, проводят на следующих образцах:
- при диаметрестержня или диаметре окружности, вписанной в многогранное сечение £ 20 мм,испытывают отрезки натурального соединения со снятым утолщением;
- при диаметрестержня или вписанной окружности более 20 до 50 мм - отрезки натурального соединения со снятым утолщением илиплоские образцы типа XXVIIa, толщинукоторых принимают равной половине диаметра круглого стержня или вписанной всечение многогранного стержня окружности;
- при диаметрестержня или вписанной в сечение многогранника окружности более 50 мм - плоскиеобразцы типа XXVIIa, толщинуосновного металла которых принимают равной половине диаметра круглого стержня иливписанной в сечение многогранника окружности.
Во всех случаяхрабочая длина образца должна быть ³ 250 мм, арадиус закругления граней многогранника должен равняться 0,1 толщины образца,но не более 2 мм.
(Введен дополнительно, Изм. № 2, 3).
10.1. Испытаниена сопротивление ударному разрыву проводят для сварных стыковых соединенийлистов толщиной до 2 мм.
10.2. Форма иразмеры образца должны соответствовать черт. 46. При испытанииматериалов высокой прочности разрешается изменять конструкцию захватной частиобразца.
а - толщина основногометалла в мм
Черт. 46
10.3. Испытаниепроводят на маятниковых копрах с приспособлением для закрепления плоскихобразцов. Удельную ударную работу аопределяют по формуле
![]()
где Ау - работа удара,затраченная на разрыв образца, Дж (кгс×м);
V - объем расчетнойчасти образца, равный произведению толщины основного металла (а) на расчетную длину и ширину образца,см3 (м3).
1. Область применения
Настоящий международный стандарт устанавливает размеры и процедуруиспытания на растяжение образцов, вырезанных поперек шва из стыковогосоединения, выполненного сваркой плавлением.
Цель испытания – определение предела прочности (временногосопротивления) сварного соединения.
Примечание.Испытание не пригодно для определения предела текучести и относительногоудлинения сварного соединения и металла шва.
Данный международный стандарт распространяется на стыковые сварныесоединения из сплавов на основе железа, выполненные любым способом сваркиплавлением.
2. Ссылки
Указанные ниже стандарты содержат положения, приссылке на которые в тексте стандарта они составляют положения настоящегостандарта. На момент публикации указанные издания были действующими. Всестандарты периодически пересматриваются, поэтому необходимо использоватьпоследние издания стандартов, на которые даются ссылки. Члены МЭК и ИСОрасполагают указателями действующих в настоящее время международных стандартов.
ИСО 1302-78 Чертежи технические. Правила обозначения шероховатостиповерхности на чертежах.
ИСО 6892-84 Материалы металлические.Испытания на растяжение.
3. Основные положения
Разрушение образца, вырезанного поперек сварного соединения, достигаетсяприложением к нему растягивающего усилия. Если нет других указаний, испытаниядолжны проводиться при температуре окружающей среды. Если в настоящем стандартенет других указаний, то при проведении испытаний необходимо руководствоватьсяосновными положениями ИСО 6892.
4. Отбор образцов
4.1. Образцы для испытания отбирают от изготавливаемого сварного изделияили из контрольного соединения. Образец вырезают поперек сварного соединениятак, чтобы после механической обработки шов располагался посередине его рабочейчасти (черт. 2).
Примечание.Контрольное соединение – специально изготовленное сварное соединение, из которогоотбирают образцы при контроле качества промышленного изделия, квалификацииперсонала, результатов исследовательских работ и установлении кондициисварочных материалов.
4.2. Маркировка образцов должна выполняться так, чтобы после вырезкиможно было определить его точное положение в сварном изделии или контрольномсоединении. Термическая обработка контрольного соединения должна проводитьсятолько в случае, когда нормативно-технической документацией предусмотренопроведение ее для контролируемого изделия. Данные о любой термической обработкедолжны заноситься в протокол испытания.
4.3. Образец для испытания должен вырезаться пригодным для данногослучая способом. Резка на ножницах для толщин более 8 мм не допускается. Прииспользовании термической резки или другого способа, приводящего к изменениюсвойств металла на поверхности реза, вырезка должна проводиться на расстояниине менее 8 мм от рабочей части образца.
5. Механическая обработка образца
5.1. Окончательная обработка образца должнавыполняться механическим способом. Необходимо принять меры, предупреждающиеповерхностное упрочнение или чрезмерный нагрев материала. На поверхностиобразца не должно быть царапин или надрезов, расположенных поперек егопродольной оси.
5.2. Если в нормативно-технической документации на контролируемоеизделие нет других указаний, поверхность образца должна подвергатьсямеханической обработке для удаления выпуклости шва (с двух сторон) инеровностей шва и основного металла.
5.3. Как правило, толщина образца а должнаравняться толщине основного металла вблизи шва. Допускается вместо одногообразца, толщина которого равна толщине соединения, вырезать несколькообразцов, при этом суммарная толщина их должна быть больше толщины соединения (черт. 1). Впоследнем случае должно быть указано положение образца в сварном соединении.
Примечание. Потребованию нормативно-технической документации на контролируемое сварноеизделие можно применять уменьшенное количество образцов или образцы могут отбиратьсяиз других сечений соединения.
5.4. Толщина образца по всей длине его рабочей части и на участкеперехода от рабочей к захватной части, осуществляемой по радиусу, должна бытьпостоянной. Форма и размеры образца и шероховатость его поверхности должны соответствоватьданным, приведенным в табл. 1 и на черт. 2. Для образцов, вырезанных изтруб, допускается правка захватной части. Правка и возможное изменение толщиныметалла не должны распространяться на рабочую часть образца и на участокперехода от рабочей к захватной части, осуществляемой по радиусу.
6. Методы испытаний
Образец нагружают постепенно и непрерывно в направлении,перпендикулярном к оси сварного шва вплоть до разрушения. Скорость нагружениядолжна быть равномерной, в любом случае возможные отклонения скоростинагружения во время испытания должны быть возрастающими без резких изменений(см. ИСО 6892).
7. Оценка результатов
7.1. Предел прочности (временное сопротивление) при растяжении Rm должен подсчитываться какотношение максимальной нагрузки, которую выдерживает образец во времяиспытания, к исходной площади поперечного сечения образца в его рабочей части.Результаты испытания выражаются в ньютонах на квадратный миллиметр или вмегапаскалях.
| Общая длина Lt | Размер устанавливается в зависимости от конструкции испытательной машины | |
| Ширина захватной части b1 | b 2 +12 мм | |
| Ширина рабочей части b2 | пластины | 25 мм |
| трубы*** | Не менее 20 мм* | |
| Длина рабочей части LС | Не менее LS +60 мм** | |
| Радиус у захватной части r | Не менее 35 мм | |
* Для трубмалого диаметра размер при необходимости может быть уменьшен.
** LS – максимальная ширина шва после механическойобработки.
*** Длятруб малого диаметра при необходимости могут применяться трубчатые образцы.Диаметр их должен равняться внешнему диаметру трубы.

S – толщина сварного соединения; а – толщина образца
Примечание. Не обязательно вырезатьобразцы, перекрывающие друг друга по толщине соединения, хотя такой случай неисключается.
Черт. 1. Положение образцов дляиспытания сварного соединения большой толщины

Примечание. Символы для обозначения шероховатости поверхности в соответствии с ИСО1302.
Черт. 2. Образец для испытаний
7.2. После разрушения необходимо осмотреть поверхность образца в местеразрыва. Данные о наличии дефектов, их количестве и типе должны заноситься впротокол испытания.
7.3. После окончания испытаний должно бытьопределено место разрыва. При необходимости, с этой целью, допускаетсятравление боковой поверхности образца.
7.4. Результаты испытания должны оцениваться в соответствии стребованиями нормативно-технической документации на контролируемое изделие.
(Введенодополнительно, Изм. № 4 ).
1. Назначение
Настоящий стандарт устанавливает два способа проведения испытаний наизгиб образцов, вырезанных поперек шва из стыковых соединений, выполненныхсваркой плавлением, с целью определения пластичности сварного соединения иотсутствия дефектов на поверхности растянутой зоны образца. Испытания проводятпри расположении образцов корнем шва или его лицевой поверхностью наружу.Стандарт также регламентирует размеры образцов.
2. Область применения
Настоящий стандарт распространяется на стыковые соединения из сплавов наоснове железа, выполненные любым способом сварки плавлением.
3. Основные положения
Испытуемый образец подвергается пластической деформации путем изгиба(без перегиба) так, чтобы одна из поверхностей шва находилась в процессеиспытания в растянутой зоне.
Испытания выполняются одним из двух способов, описанных в разделах 6 (испытание на изгиб с использованием оправки) и 7 (испытание на изгиб с использованием роликов).
4. Отбор образцов
4.1. Образец для испытаний отбирают непосредственно от контролируемогоизделия или из специально сваренного для проведения испытаний контрольногосоединения. Образец вырезают поперек сварного соединения так, чтобы после егомеханической обработки ось шва располагалась посередине длины образца.
Примечание.Контрольное соединение – специально изготовленное сварное соединение, изкоторого отбираются образцы при контроле качества промышленного изделия,квалификации персонала, результатов исследовательских работ, кондиции сварочныхматериалов и др.
4.2. Маркировка каждого образца должнавыполняться так, чтобы после изготовления можно было определить его положение вконтролируемом изделии или в контрольном соединении. Термическая обработкаконтрольного соединения должна проводиться только в случае, когданормативно-техническая документация предусматривает проведение ее дляконтролируемого изделия. Данные о любой термической обработке должны заноситьсяв протокол испытаний.
4.3. Вырезка образцов должна выполняться пригодным для данного случаяспособом. Резка на ножницах при толщине основного металла более 8 мм недопускается. При использовании термической резки или других методов, влияющихна состояние металла на поверхности реза, он должен располагаться на расстояниине менее 8 мм от поверхности готового образца, но в любом случае исключающимвлияние реза на результаты испытания. Исключение из этого правила допускаетсяпри испытании образцов, предназначенных только для выявления дефектов. В этомслучае кромки образца зачищаются.
5. Обработка образцов
5.1. Окончательная обработка образцов должна производиться механическимспособом. При обработке необходимо принять меры, предупреждающие поверхностноеупрочнение или чрезмерный нагрев металла. В пределах длины L (черт. 3, 4) не должно быть царапин и надрезов, располагающихся поперек образца.
5.2. Образец по всей длине должен иметь прямоугольное практическипостоянное сечение. Форма поперечного сечения приведена на черт. 1. При односторонних швах различают образцы для испытаний на изгиб:лицевой поверхностью наружу, когда в растянутой зоне находится лицевая наиболееширокая поверхность шва; корнем шва наружу, когда в растянутой зоне находитсякорень шва. При двустороннем шве – лицевой считается сторона, сваренная первой.Сторона, свариваемая второй, приравнивается к корню шва.
5.3. Выпуклость шва с обеих сторон должна зачищаться заподлицо сосновным металлом. Обработка подрезов, если это не предусматриваетсянормативно-технической документацией, не допускается.
5.4. Для листового металла ширина образца b должна быть не более, чем 1,5а, но не менее 20 мм. Для трубширина образца b должна соответствовать:
при диаметре трубы не более 50 мм; S+0,10d (но не менее 8 мм);
при диаметре трубы более 50 мм; S+0,05d (не менее 8 мм и не более 40мм),
где S – толщина трубы; d – наружный диаметр трубы.
5.5. Толщина образца а должна, как правило, равняться толщинеосновного металла вблизи сварного соединения.
При толщине металла более 30 мм допускается вместо одного образца,толщина которого равна полной толщине соединения, испытывать несколько образцовпри условии, что толщина каждого из них не менее 30 мм и что они охватывают всютолщину соединения (черт. 2). При использованиинескольких образцов следует указать их месторасположение по толщине сварногосоединения.
Примечание. Общееколичество образцов или количество образцов, взятых в различных сечениях,должно устанавливаться нормативными документами на контролируемое изделие.
5.6. Кромки образца, попадающие при испытании в растянутую зону, должныбыть закруглены механическим способом по радиусу R, не превышающему 0,2а, но не более 3 мм.
6. Способ испытания на изгиб с использованием оправки (черт. 3)
6.1. Испытуемый образецпомещается на две параллельно расположенные роликовые опоры. Образец медленно инепрерывно деформируется путем приложения в средней части образца по оси шваперпендикулярно поверхности образца концентрированной нагрузки (трехточечныйизгиб).
6.2. Нагрузка на образецпередается с помощью оправки с закругленным концом диаметром D, который должен соответствовать требованиям нормативно-техническойдокументации на контролируемое изделие.
6.3. Расстояние между опорамиL (черт. 3) должно быть не более, чем L = D + 3а.
6.4. Испытание считаетсязаконченным, когда угол изгиба a (черт. 3) достигает значения,установленного в нормативно-технической документации на контролируемое изделие.
7. Способ испытаний на изгиб с использованием ролика (черт. 4)
7.1. Один край образца жестко закрепляется в устройстве, имеющем двапараллельных ролика. Испытание должно проводиться медленно и непрерывнососредоточенной нагрузкой, прикладываемой на образец через вращающийся внешнийролик с радиусом R. Изгиб осуществляется по дуге, центр которойсовпадает с центром внутреннего ролика.
7.2. Диаметр внутреннего ролика D должен соответствоватьтребованиям, оговоренным в нормативно-технической документации на контролируемоеизделие.
7.3. Испытание считается законченным, когда угол изгиба a (черт. 4) достигает величины,установленной в нормативно-технической документации на контролируемое изделие.
8. Оценка результатов испытаний
После изгиба необходимо осмотреть наружную поверхность и стороныиспытанного образца.
Оценка результатов испытания должна проводиться в соответствии стребованиями нормативно-технической документации на контролируемое изделие. В протоколеиспытаний должен быть указан способ испытания на изгиб.



L £ D+ 3а

(Введено дополнительно, Изм. № 4).
1. Назначение
Настоящий стандарт устанавливает способ испытания на боковой изгиб образцов,вырезанных поперек шва из стыковых соединений, выполненных сваркой плавлением сцелью оценки пластичности соединения и отсутствия в нем внутренних дефектов.Стандарт также регламентирует размеры образцов.
2. Область применения
Настоящий стандарт распространяется на стыковые соединения из сплавов наоснове железа толщиной не менее 10 мм, выполненные любым способом сваркойплавлением.
3. Основные положения
Пластическая деформация образцов осуществляется без изменениянаправления изгиба. Образцы вырезаются из сварного соединения поперек шва такимобразом, что ширина образца совпадает с толщиной соединения. Испытаниявыполняются одним из двух способов, описанных в разделах 6 (испытание на изгиб с использованием оправки) и7 (испытание на изгиб сиспользованием роликов).
4. Отбор образцов
4.1. Образцы для испытаний вырезают непосредственно из контролируемогоизделия или из специально сваренного для проведения испытаний контрольногосоединения. Образцы вырезают поперек сварного соединения так, чтобы послемеханической обработки сечение шва располагалось по середине длины образца иявлялось его шириной (черт. 1).
Примечание. Контрольноесоединение – специально изготовленное сварное соединение, из которогоотбираются образцы при контроле качества промышленного изделия, квалификацииперсонала, результатов исследовательских работ, кондиции сварочных материалов.
4.2. Маркировка каждого образца должна выполняться так, чтобы послеизготовления можно было определить его положение в контролируемом изделии иликонтрольном соединении. Термическая обработка контрольного соединения должнапроводиться только в случае, когда нормативно-технической документациейпредусмотрено проведение ее для контролируемого изделия. Данные о любойтермической обработке должны заноситься в протокол испытания.
4.3. Вырезка образцов должна выполняться пригодным для данного случаяспособом. Резка на ножницах исключается. При использовании термической резкиили других методов, оказывающих влияние на состояние металла на поверхностиреза, он должен располагаться на расстоянии не менее 8 мм от поверхностиготового образца, в любом случае, исключающем влияние реза на результатыиспытания.
5. Механическая обработка образцов
5.1. Окончательная обработка образцов должна выполняться механическимспособом, с соблюдением мер, исключающих поверхностное упрочнение иличрезмерный нагрев металла. В пределах длины образца L (черт. 3, 4) на егоповерхности не должно быть поперечных рисок и царапин.
5.2. Образец, практически по всей длине, должен иметь постоянноепрямоугольное сечение. Форма поперечного сечения приведена на черт. 1.
5.3. Выпуклость шва с обеих сторон должна быть защищена механическимспособом заподлицо с основным металлом.
5.4. Толщина образца а должна быть не менее 10 мм исоответствовать диаметру оправки или ролика, устанавливаемомунормативно-технической документацией на контролируемое изделие. Ширина образцадолжна равняться толщине основного металла вблизи шва.
5.5. При исходной толщине соединения, превышающей 40 мм, допускаетсявместо одного образца, шириной равного полной толщине соединения, отбиратьнесколько образцов шириной 20-40 мм каждый при условии, что они охватывают всютолщину соединения (черт. 2). Прииспользовании нескольких образцов следует указать их месторасположение потолщине сварного соединения.
Примечание. Числообразцов, отбираемых из различных сечений, устанавливаетсянормативно-технической документацией на контролируемое изделие.
5.6. Кромки образца, попадающие при испытании в растянутую зону, должныбыть закруглены механическим способом по радиусу R, не превышающему 0,2а,но не более 3 мм.
6.Способ испытания на изгиб с использованием оправки (черт. 3)
6.1. При необходимости форму поперечного сечения сварного шва и егоположение в образце определяют травлением.
6.2. Испытуемый образец помещается на две расположенные параллельнороликовые опоры. Он медленно и непрерывно деформируется за счет приложения вего средней части по оси шва сосредоточенной нагрузки. Нагрузка прилагаетсяперпендикулярно поверхности образца.
6.3. Нагрузка на образец передается с помощью оправки. Диаметр ееустанавливается нормативно-технической документацией на контролируемое изделие.
Примечание. При отсутствиив нормативно-технической документации соответствующих указаний диаметрзакругленного конца оправки D выбирается таким, чтобыширина LS после испытаниявписывалась в угол, не превышающий 90 ° (черт. 3).
6.4. Расстояние между опорами L должно быть не более, чем L = D + 3а.
6.5. Испытание считается законченным, когда угол изгиба a (черт. 3) достигает значения,установленного нормативно-технической документацией на контролируемое изделие.
7.Способ испытания на изгиб с помощью ролика (черт. 4)
7.1. Один конец образца жестко закрепляется в устройстве для испытания, имеющемдва параллельных ролика. Испытание должно проводиться медленно и непрерывнососредоточенной нагрузкой, передаваемой на образец при помощи внешнеговращающегося ролика с радиусом R. Изгиб осуществляется подуге, центр которой совпадает с центром внутреннего ролика.
7.2. Диаметр внутреннего ролика D устанавливаетсянормативно-технической документацией на контролируемое изделие.
Примечание. При отсутствиив нормативно-технической документации специальных указаний диаметр внутреннегоролика D выбирается таким, чтобы ширина шва LS после испытания вписывалась в угол, не превышающий 90 ° (черт. 4).
7.3. Испытание считается законченным, когда угол изгиба a (черт. 4) достигает значения,установленного в нормативно-технической документации на контролируемое изделие.
8. Оценка результатов испытания
После изгиба осмотреть наружную поверхность и стороны испытанногообразца.
Оценка результатов испытания проводится в соответствии с требованияминормативно-технической документации на контролируемое изделие. В протоколеиспытаний должен быть указан способ испытания на изгиб.


а – толщина образца; b – ширина;
LS – ширина сварного шва; S – толщина соединения

L £ D+3а
D ³ 1,3LS - а

(Введено дополнительно, Изм. № 4).
1.РАЗРАБОТАН И ВНЕСЕН Академией наук УССР
РАЗРАБОТЧИКИ
А.А.Казимиров, И.И. Зюбин, С.А. Островская
2. УТВЕРЖДЕН И ВВЕДЕН В ДЕЙСТВИЕ Постановлением Комитетастандартов, мер и измерительных приборов при Совете Министров СССР 03.03.66 №4736
3. ВЗАМЕН ГОСТ6996-54
4.Стандарт полностью соответствует СТ СЭВ 3521-82 - СТ СЭВ 3524-82, СТ СЭВ6732-89
5. ССЫЛОЧНЫЕНОРМАТИВНО-ТЕХНИЧЕСКИЕ ДОКУМЕНТЫ
| Обозначение НТД, на который дана ссылка | Номер пункта |
| ГОСТ 1497-84 | |
| ГОСТ 2999-75 | |
| ГОСТ 9012-59 | |
| ГОСТ 9013-59 | |
| ГОСТ 9454-78 | |
| ГОСТ 9651-84 | |
| ГОСТ 11150-84 |
6. ПЕРЕИЗДАНИЕ (август 1997 г.) с Изменениями № 1, 2, 3,утвержденными в июне 1980 г., сентябре 1983 г., декабре 1990 г. (ИУС 8-80,1-84, 5-91)
СОДЕРЖАНИЕ