Меню
Навигация
Бесплатное обучение по программе А
Первая линия

ГОСТ 6786-80** «Плиты парапетные железобетонные для производственных зданий. Технические условия»

Стандарт распространяется на парапетные железобетонные плиты, изготовляемые из тяжелого бетона и бетона на пористых заполнителях и предназначаемые для покрытия парапетов из кирпича, искусственных н естественных камней, бетонных блоков и железобетонных панелей производственных и вспомогательных зданий промышленных и сельскохозяйственных предприятий, в том числе зданий с расчетной сейсмичностью до 8 баллов включительно, возводимых на всей территории СССР, а также зданий с расчетной сейсмичностью 9 баллов, возводимых в I - IV районах по весу снегового покрова.

Плиты из тяжелого бетона предназначаются для применения при неагрессивной, слабо- и среднеагрессивной степенях воздействия газовой среды; плиты из бетона на пористых заполнителях - при неагрессивной и слабоагрессивной степенях воздействия газовой среды.

Обозначение: ГОСТ 6786-80**
Название рус.: Плиты парапетные железобетонные для производственных зданий. Технические условия
Статус: действующий Переиздание (октябрь 1991 г.) с изменением.
Заменяет собой: ГОСТ 6786-71
Дата актуализации текста: 01.10.2008
Дата добавления в базу: 01.02.2009
Дата введения в действие: 01.01.1982
Разработан: ЦНИИпромзданий 127238, г. Москва, Дмитровское ш., 46 к. 2
Утвержден: Госстрой СССР (18.11.1980)
Опубликован: Издательство стандартов № 1992

ГОСУДАРСТВЕННЫЙ СТАНДАРТ СОЮЗА ССР

ПЛИТЫ ПАРАПЕТНЫЕЖЕЛЕЗОБЕТОННЫЕ
ДЛЯ ПРОИЗВОДСТВЕННЫХ ЗДАНИЙ

ТЕХНИЧЕСКИЕ УСЛОВИЯ

ГОСТ 6786-80

ГОСУДАРСТВЕННЫЙ КОМИТЕТ СССР ПОСТРОИТЕЛЬСТВУ И ИНВЕСТИЦИЯМ

Москва

ГОСУДАРСТВЕННЫЙ СТАНДАРТСОЮЗА ССР

ПЛИТЫ ПАРАПЕТНЫЕ ЖЕЛЕЗОБЕТОННЫЕ
ДЛЯ ПРОИЗВОДСТВЕННЫХ ЗДАНИЙ

Технические условия

Coping units of precast concrete for industrial building.
Specifications

ГОСТ
6786-80*

Взамен
ГОСТ 6786-71

ПостановлениемГосударственного комитета СССР по делам строительства от 18 ноября 1980 г. №180 срок введения установлен

с 01.01.82

Настоящий стандарт распространяется напарапетные железобетонные плиты, изготовляемые из тяжелого бетона и бетона напористых заполнителях и предназначаемые для покрытия парапетов из кирпича,искусственных н естественных камней, бетонных блоков и железобетонных панелейпроизводственных и вспомогательных зданий промышленных и сельскохозяйственныхпредприятий, в том числе зданий с расчетной сейсмичностью до 8 балловвключительно, возводимых на всей территории СССР, а также зданий с расчетнойсейсмичностью 9 баллов, возводимых в I- IV районах по весу снегового покрова.

Плиты изтяжелого бетона предназначаются для применения при неагрессивной, слабо- исреднеагрессивной степенях воздействия газовой среды; плиты из бетона напористых заполнителях - при неагрессивной и слабоагрессивной степеняхвоздействия газовой среды.

1.ТИПЫ, ОСНОВНЫЕ ПАРАМЕТРЫ И РАЗМЕРЫ

1.1. Плиты подразделяются на два типа:

ПП - рядовые;

ППУ - угловые для внешних (выступающих) и внутренних (входящих) углов.

Допускается применение плит типа ППУ в качестве доборных рядовых.

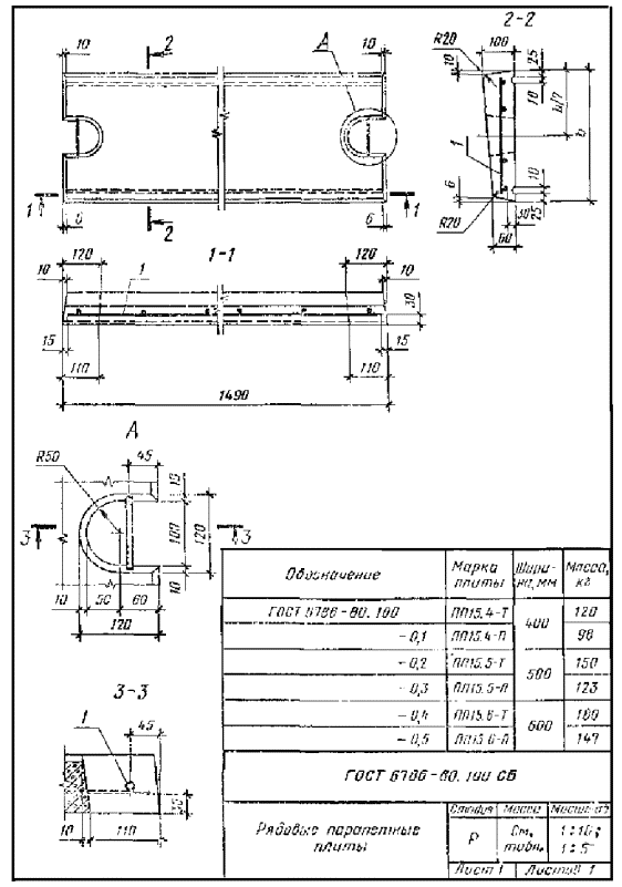
1.2. Форма и размеры плит, а также их техническиепоказатели должны соответствовать указанным в обязательном приложении и в табл.1.

1.3. Плиты обозначаются марками в соответствии с ГОСТ 23009-78 . Марка плит состоитиз буквенно-цифровых групп, разделенных дефисами.

Первая группа содержит обозначение тина плиты, длину и ширину (вдециметрах). Во второй группе указывают вид бетона, обозначаемый буквами: Т -тяжелый бетон, П - бетон па пористых заполнителях. В третьей группе, в случаенеобходимости, указывают проницаемость бетона, обозначаемую буквами Н и Псоответственно при слабо- и среднеагрессивной степенях воздействия газовойсреды.

Таблица 1

Марка плиты, изготовленной из бетона

Основные размеры, мм

Проектная марка бетона по прочности на сжатие

Расход материалов

Масса плиты, изготовленной из бетона, кг

тяжелого

Облегченного на пористых заполнителях

Длина

Ширина

Толщина

Бетон, м3

Сталь, кг

тяжелого

облегченного на пористых заполнителях**

ПП15.4.Т

ПП15.1-П

1490

400

60 - 100

200*

0,048

1,09

120

99

ПП15.5-Т

ПП15.5-П

500

0,06

1,23

150

123

ПП15.6-Т

ПП15.6-П

600

0,072

1,36

180

148

ППУ10.4-Т

ППУ10.4-П

990

400

0,032

1,18

80

66

ППУ10.5-Т

ППУ10.5-П

500

0,04

1,24

100

82

ППУ10.6-Т

ППУ10.6-П

600

0,048

1,30

120

99

* Для плит зданий,возводимых в районах с расчетной зимней температурой минус 40 °С и ниже, а также в тех случаях, когда марка бетона плит принимается по условиямморозостойкости и водонепроницаемости, марка бетона по прочности на сжатиеможет быть выше указанной в табл. 1, но не выше М300.

При соответствующем обосновании вотдельных случаях допускается изготовлениепарапетных плит из бетона на пористых заполнителях марки по прочности насжатие ниже М200, но не ниже М150.

** Подсчитана для бетона плит средней плотности1850 кг/м3 и влажностью по массе 10 %.

Примечание. Расход материалов и масса плит даны справочно.

Пример условного обозначения (марки) плиты типа ПП, длиной 1490 мм,шириной 400 мм, из тяжелого бетона,предназначенной для применения в неагрессивной среде:

ПП15.4-Т ГОСТ6786-80

То же, типа ППУ, длиной 990 мм, шириной 400 мм, из облегченного бетона напористых заполнителях, при слабоагрессивной степени воздействия газовой среды:

ППУ10.4-П-Н ГОСТ6786-80

То же, типа ПП, длиной 1490 мм, шириной 500 мм, из тяжелого бетона, присреднеагрессивной степени воздействия газовой среды:

ПП15.5-Т-П ГОСТ 6786-80

1.2, 1.3. (Измененнаяредакция, Изм. № 1).

2.ТЕХНИЧЕСКИЕ ТРЕБОВАНИЯ

2.1. Плиты следует изготовлять в соответствии стребованиями настоящего стандарта и технологической документации, утвержденнойв установленном порядке, по рабочим чертежам, приведенным в обязательномприложении.

2.2. Для изготовления плит должны применятьсяоблегченные бетоны на пористых заполнителях следующих видов: керамзитобетон,аглопоритобетон, шлакопемзобетон, шунгизитобетон, бетон на естественныхпористых заполнителях средней плотности не ниже 1850 кг/м3.

2.1, 2.2.(Измененная редакция, Изм. № 1).

2.3. Плиты должны изготовляться в стальных формах,удовлетворяющих требованиям ГОСТ 25781-83 .

Допускается изготовлять плиты в неметаллических формах, обеспечивающихсоблюдение требований к качеству и точности изготовления плит, установленныхнастоящим стандартом.

2.4. Материалыдля приготовления бетона

2.4.1. Для приготовления бетона должны применятьсяпортландцемент и шлакопортландцемент, содержащие гидрофобизирующиеповерхностно-активные добавки и соответствующие требованиям ГОСТ 10178-85 .

Допускается применение указанных цементов без гидрофобизирующих добавокпри условии введения соответствующих добавок в бетонную смесь.

2.4.2. Для приготовления бетона, плит,предназначенных для эксплуатации в агрессивных сульфатных средах, а также длязданий, возводимых на побережьях северных морей и в районах с расчетной зимнейтемпературой ниже минус 40 °С, должны примениться гидрофобизированныесульфатостойкий портландцемент и сульфатостойкий портландцемент с минеральнымидобавками, соответствующие требованиям ГОСТ 22266-76.

2.4.3. В случаях, предусмотренных проектом, дляприготовления бетона парапетных плит допускается применение белого пли цветногоцементов, соответствующих требованиям ГОСТ 965-89 или ГОСТ 15825-80 .

2.4.4. Крупные заполнители должны соответствоватьтребованиям ГОСТ 10268-80 для тяжелого бетона или ГОСТ 9757-90 - для бетонов на пористыхзаполнителях.

2.4.5. Максимальная крупность заполнителя не должнапревышать 10 мм.

2.4.6. Песок для приготовления бетона долженсоответствовать требованиям ГОСТ 8736-85.

2.4.7. Для улучшения технических свойств бетонадолжны применяться добавки, преимущественно гидрофобизирующие, по ГОСТ 24211 -80.

Допускается применение комплексных добавок, а также других добавок,обеспечивающих заданные технические свойству бетона и проверенных в заводскихусловиях.

2.4.8. Целесообразные добавки для конкретного видабетона в заданных условиях строительства, время и способ их введения в бетондолжны быть заданы в проекте и указаны в заказе на изготовление плит.

2.4.9. Добавки - ускорители твердения, содержащиехлор, к применению не допускаются.

2.5. Бетон

2.5.1. Фактическая прочность бетона плит (в проектномвозрасте и отпускная) должна соответствовать требуемой, назначаемой по ГОСТ18105-6 в зависимости от нормируемой прочности бетона и от показателяфактической однородности прочности бетона.

2.5.2. Морозостойкость и водонепроницаемость бетонадолжны соответствовать маркам, установленным в проекте здания согласнотребованиям СНиП2.03.01-84 в зависимости от режима эксплуатацииконструкции и климатических условий района строительства, и указанным в заказена изготовление плит.

2.5.3. Показатели проницаемости бетона плит,предназначенных для применения в условиях воздействия агрессивной газовойсреды, а также материалы для приготовления этого бетона должны соответствоватьтребованиям СНиП 2.03.11-85 для заданной в проекте степени воздействияагрессивности газовой среды.

2.5.1 - 2.5.3 (Измененнаяредакция, Изм. № 1).

2.5.4. Водопоглощение бетона плит не должно превышатьвеличины, указанной в проекте и в заказе на изготовление плит.

2.6. Поставку плит потребителю следует производитьпосле достижения бетоном требуемой отпускной прочности (п. 2.5.1).

Значение нормируемой отпускной прочности бетона плит принимают равным 70% марки по прочности на сжатие. При поставке плит в холодный период годазначение нормируемой отпускной прочности бетона может быть повышено, но неболее 90% марки бетона по прочности на сжатие. Значение нормируемой отпускнойпрочности бетона принимают по проектной документации на конкретное здание всоответствии с требованиями ГОСТ13015.0-83.

Поставку плит с отпускной прочностью бетона ниже прочности,соответствующей его марке по прочности на сжатие, производят при условии, еслиизготовитель гарантирует достижение бетоном плит требуемой прочности впроектном возрасте, определяемой по результатам испытания контрольных образцов,изготовленных из бетонной смеси рабочего состава и хранившихся в условияхсогласно ГОСТ18105-86.

(Измененная редакция, Изм. № 1).

2.7. Арматурныеизделия

2.7.1. Плиты следует армировать сварными сетками изстержневой горячекатаной гладкой арматуры класса А-Iпо ГОСТ 5781-82 и арматурнойпроволоки периодического профиля класса Вр-I по ГОСТ 6727-80 .

2.7.2. Стержни (поз. 3) арматурных сеток и монтажные петли должны изготовляться изгорячекатаной гладкой арматурной стали класса А-I марокВСт3сп2 и ВСт3пс2 по ГОСТ 5781-82 .

Сталь марки ВСт3пс2 не допускается применять для изготовления указанныхстержней и монтажных петель в изделиях, предназначенных для подъема и монтажапри температуре минус 40 °С и ниже.

2.7.3. Сварные арматурные изделия должнысоответствовать требованиям ГОСТ 10922-90 .

2.7.4. Необетонируемые участки стержней (поз. 3) арматурных сеток должны иметьантикоррозионное цинковое покрытие, техническая характеристика которого должнасоответствовать установленной в проекте здания в соответствии с требованиями СНиП 2.03.11-85 и указанной взаказе на изготовление плит.

(Измененная редакция, Изм. № 1).

2.8. Проектное положение арматурных изделий итолщину защитного слоя бетона следует фиксировать прокладками из плотногоцементно-песчаного раствора или пластмассовыми фиксаторами. Применение стальныхфиксаторов не допускается.

2.9. Точностьизготовления

2.9.1. Отклонения фактических размеров плит отпроектных не должны превышать, мм:

по длине и ширине....................................................... ±5

по толщине плиты........................................................ ±3

по размерам пазов........................................................ +3

по размерам монтажных вырезов............................... +5

2.9.2. Непрямолинейность профиля наружных боковыхповерхностей плиты на всей длине не должна превышать 3 мм.

2.9.3. Неплоскостность верхней поверхности плиты недолжна превышать 3 мм.

2.9.4. Разность длин диагоналей верхней (или нижней)плоскости плит не должна превышать 5 мм.

2.9.5. Отклонение от проектной толщины защитного слоябетона (до арматуры) не должно превышать ±3 мм.

2.10. Качествоповерхностей и внешний вид плит

2.10.1. Внешний вид и качество поверхностей плитдолжны соответствовать проектным, а также установленным эталоном плиты.

2.10.2. На поверхностях плит не допускаются:

раковины диаметром более 15 мм и глубиной более 5 мм;

местные наплывы бетона и впадины высотой и глубиной более 5 мм;

околы бетона ребер глубиной более 10 мм общей длиной более 100 мм на 1 мребра;

трещины, за исключением усадочных, шириной не более 0,1 мм;

обнажения арматуры.

2.10.3. Открытые поверхности стержней (поз. 3) арматурных сеток, строповочныеотверстия и монтажные петли должны быть очищены от наплывов бетона.

2.10.4. Открытые поверхности плит должны бытьгидрофобизированы.

Для гидрофобизации поверхности плит следует применять эмульсииполиэтиленгидросилоксановой жидкости ГКЖ-91 по ГОСТ 10831-76, водно-спиртовыерастворы метилсиликоната натрия ГКХ-11 и этилсиликоната натрия ГКЖ-10 по ТУ6-02-696-72.

2.10.5. Открытые поверхности плит, предназначенных дляработы в условиях воздействия агрессивной среды, должны иметьзащитно-антикоррозионное покрытие в соответствии с требованиями СНиП 2.03.11-85 , указанное впроекте и в заказе на изготовление плит.

(Измененная редакция, Изм. № 1).

2.10.6. Защитно-антикоррозионное покрытие наноситсяпосле гидрофобизации поверхности плит.

2.11. Плиты, аттестуемые на высшую категориюкачества, должны удовлетворять дополнительным требованиям, указанным в табл. 2.

Таблица 2

Показатели

Требования

1. Коэффициент вариации прочности бетона в партии.

Не более 9 %

2. Водонепроницаемость бетона.

На 10 % и более выше нижнего предела

3. Водопоглощение бетона.

На 10 % и более ниже указанного в проекте

4. Отклонение фактических размеров от проектных мм, не более:

 

по длине и ширине

±4

по размерам пазов

+2

5. Качество поверхности, качество и вид отделки

Панели не должны иметь усадочных трещин и иметь отделку без отклонений от эталона

(Измененнаяредакция, Изм. № 1).

3.ПРАВИЛА ПРИЕМКИ

3.1. Приемку плит следует производить партиями всоответствии с требованиями ГОСТ 13015.1-81 и настоящегостандарта.

3.2. Плиты по показателям морозостойкости,водонепроницаемости и водопоглощению бетона следует принимать по результатампериодических испытаний, которые проводят не реже:

на морозостойкость - одного раза в 6 мес.;

на водонепроницаемость и водопоглощение - одного раза в 3 мес.

3.3. Плиты по показателям прочности бетона (маркебетона по прочности на сжатие и отпускной прочности), соответствия арматурныхизделий требованиям настоящего стандарта, прочности сварных соединении,точности геометрических параметров, толщины защитного слоя бетона до арматуры,ширины раскрытия усадочных и других поверхностных технологических трещин,категории бетонной поверхности следует принимать по результатамприемо-сдаточных испытаний.

3.4. Приемку плит по показателям, проверяемымосмотром: по внешнему виду, правильности нанесения маркировочных надписей изнаков, а также по наличию и качеству защитных покрытий от коррозии - следуетпроводить сплошным контролем с отбраковкой плит, имеющих дефекты по указаннымпоказателям.

3.5. Приемку плит по показателям точностигеометрических параметров, толщины защитного слоя бетона до арматуры, категориибетонной поверхности, контролируемых путем измерений, следует осуществлять порезультатам одноступенчатого выборочного контроля.

Разд. 3.(Измененная редакция, Изм. № 1).

4.МЕТОДЫ КОНТРОЛЯ И ИСПЫТАНИЙ

4.1. Размеры плит, непрямолинейность, неплоскостность,положение монтажных петель, толщину защитного слоя бетона до арматуры, а такжекачеству поверхностей и внешний вид следует проверять по ГОСТ 13015.0-83 , ГОСТ 13015.1-81 - ГОСТ 13015.3-81 и ГОСТ 13015.4-84 .

4.2. Прочность бетона на сжатие следует определятьпо ГОСТ 10180-90 .

Отпускную прочность бетона следует определять неразрушающими методами по ГОСТ17624-87 и ГОСТ22690-88.

4.3. Морозостойкость бетона следует определять по ГОСТ 10060-87.

4.4. Водонепроницаемость бетона следует определятьпо ГОСТ 12730.0-78 и ГОСТ 12730.5-84 на серии образцов, изготовленных из бетоннойсмеси рабочего состава.

(Измененная редакция, Изм. № 1).

4.5. Водопоглощение бетона следует определять по ГОСТ 12730.0-78 и ГОСТ 12730.3-78 .

4.6. Среднюю плотность (объемную массу) бетонаследует определять по ГОСТ 12730.0-78 и ГОСТ12730.1-78 .

Допускается определять среднюю плотность (объемную массу) бетона по ГОСТ17623-87.

(Измененная редакция, Изм. № 1).

4.7. Методы контроля и испытаний сварных арматурныхизделий - по ГОСТ 10922-90 .

5.МАРКИРОВКА, ХРАНЕНИЕ И ТРАНСПОРТИРОВАНИЕ

5.1. Маркировка плит по ГОСТ 13015.2-81 . Маркировочныенадписи и знаки следует наносить на нелицевой поверхности плит.

5.2. Требования к документу о качестве плит,поставляемых потребителю, - по ГОСТ 13015.3-81 .

Дополнительно в документео качестве плит должны быть приведены марки бетона по морозостойкости и водонепроницаемости,а также вид материала, примененного для гидрофобизации поверхности плит (еслиэти показатели приведены в заказе на изготовление плит).

5.3. Транспортировать и хранить плиты следует всоответствии с требованиями ГОСТ 13015.4-84 и настоящегостандарта.

Плиты следует хранить вштабелях, уложенными плашмя лицевой поверхностью вверх. Высота штабеля недолжна превышать десяти рядов.

Допускается при наличии специальных подставок хранение плит уложенными напродольное ребро. При этом высота штабеля не должна превышать 2,5 м.

5.1. - 5.3 (Измененнаяредакция, Изм. № 1).

5.4. При транспортировании плиты следует укладыватьправильными рядами на ребро длиннойстороной по направлению движения и надежно закреплять, предохраняя от смещения.Высота штабеля при транспортировании должна быть не более трех рядов плит.

5.5. При хранении и транспортировании каждая плитадолжна опираться на деревянные инвентарные подкладки и прокладки: клиновидныетолщиной 20 - 50 мм - при укладке плит плашмя и плоские толщиной 30 мм приукладке плит на ребро, устанавливаемые на расстоянии 100 мм от торцов плиты.Подкладки толщиной 30 мм под нижний ряд плит следует укладывать по плотному,тщательно выровненному основанию. Прокладки между плитами по высоте штабелярасполагаются одна над другой.

5.6. (Исключен,Изм. № 1).

6.ГАРАНТИИ ИЗГОТОВИТЕЛЯ

6.1. При отпуске плит из бетона, прочность которогониже проектной марки по прочности на сжатие, изготовитель обязан гарантировать,что прочность бетона достигнет проектной марки в возрасте, установленномпроектом.

СОДЕРЖАНИЕ