Настоящий стандарт распространяется на проволоку из низкоуглеродистой стали холоднотянутую периодического профиля для армирования железобетонных конструкций.
| Обозначение: | ГОСТ 6727-80* |
| Название рус.: | Проволока из низкоуглеродистой стали холоднотянутая для армирования железобетонных конструкций. Технические условия |
| Статус: | действующий |
| Заменяет собой: | ГОСТ 6727-53 |
| Дата актуализации текста: | 01.01.2009 |
| Дата добавления в базу: | 10.11.2009 |
| Дата введения в действие: | 01.01.1983 |
| Разработан: | Министерство черной металлургии СССР |
| Утвержден: | Госстандарт СССР (14.05.1980) |
| Опубликован: | ИПК Издательство стандартов № 2003<br>Издательство стандартов № 1985 |
ГОСУДАРСТВЕННЫЙ СТАНДАРТ СОЮЗА ССР
| ПРОВОЛОКА ИЗ НИЗКОУГЛЕРОДИСТОЙ СТАЛИ Технические условия Hard drawh low-carbon steel wire for reinforced concrete. | ГОСТ Взамен |
Постановлением Государственного комитета СССР по стандартам от 14 мая1980 г. № 2108 срок действия установлен
с 01.01.83
до 01.01.88
Срок действия продлен до01.01.93, ИУС 10-87
* Переиздание с Изменением № 1,утвержденным в декабре 1984 г.(ИУС 3-85)
Настоящий стандартраспространяется на проволоку из низкоуглеродистой стали холоднотянутуюпериодического профиля класса Вр1 для армирования железобетонныхконструкций.
(Измененная редакция. Изм. № 2)
(Измененная редакция. Изм. № 3)
(Измененная редакция. Изм. № 2 )
(Исключен. Изм. № 3 )
1.2. Основные параметры и размеры проволоки должны соответствоватьуказанным в табл. 1.
Обозначения размеровпроволоки приведены на чертеже.
(Измененная редакция. Изм. № 2)
Таблица 1
мм
| Номинальный диаметр проволоки | Номинальный размер а | Предельные отклонения на размер | Глубина вмятин h | Предельные отклонения по глубине вмятин | Номинальный | Предельные отклонения по шагу вмятин | Длина выступа b | Предельные отклонения по длине выступа |
| 3,0 | 3,0 | +0,03 -0,09 | 0,15 |
| 2,0 |
| 0,6 |
|
| 4,0 | 4,0 | +0,04 | 0,20 | +0,05 | 2,5 | ±0,2 | 0,8 | ±0,2 |
| 5,0 | 5,0 | +0,05 | 0,25 |
| 3,0 |
| 1,0 |
|
(Измененная редакция. Изм. № 3)
Примечание. Номинальный шаг вмятин s и радиус сопряжения поверхностивмятин с выступами R являются справочными величинамидля конструирования профилирующего инструмента и на проволоке не проверяются.
(Измененная редакция. Изм. № 2)
1.3. Радиус сопряжения поверхности вмятин с выступами R для проволоки всехдиаметров должен быть равен (2,5 ± 0,5) мм.
Допускается относительноесмещение противоположных вмятин до 0,5s и расположение их повинтовой линии оси проволоки.
(Измененная редакция. Изм. № 2)

(Измененная редакция. Изм. № 3 )
1.4. Разность размеров а и а1 не должна превышатьполя допуска на размер а.
(Измененная редакция. Изм. № 2)
(Измененная редакция. Изм. № 3)
Примерусловного обозначения проволоки номинальным диаметром 3,0 мм:
Проволока 3 Bp1 ГОСТ6727-80.
(Измененная редакция. Изм. № 2)
(Измененная редакция. Изм. № 3)
2.1. Проволока должна изготовляться в соответствии с требованияминастоящего стандарта по технологическому регламенту, утвержденному в установленномпорядке. Проволока должна изготовляться из катанки по ОСТ 14-15-193-86.
(Измененная редакция. Изм. № 1)
(Измененная редакция. Изм. № 2 )
2.2. Механические свойства проволоки должны соответствовать указанным втабл. 2.
Таблица 2
| Номинальный диаметр проволоки, мм | Разрывное усилие Р, rН (кгс) | Усилие, соответствующее условному пределу текучести Р0,2, rН (кгс) | Число перегибов | Относительное удлинение d100, % |
|
| не менее | |||
| 3,0 | 39 (400) | 35 (355) | 4 | 2,0 |
| 4,0 | 71 (720) | 62 (630) |
| 2,5 |
| 5,0 | 106 (1085) | 97 (985) |
| 3,0 |
(Измененная редакция. Изм. № 2)
Примечания:
1.Проволока с нормированным относительным удлинением изготовляется по требованиюпотребителя.
2.Допускается для проволоки первой категории качества в партии до 5 % мотков спониженным разрывным усилием не более чем на 5 %.
(Измененная редакция. Изм. № 1)
(Измененная редакция. Изм. № 2)
2.3. На поверхности проволоки не должно быть трещин, плен, закатов,раковин.
Допускаются риски и царапиныглубиной не более половины предельных отклонений на размер а и налетржавчины.
(Измененная редакция. Изм. № 3)
2.4. Проволока изготовляется в мотках массой 500 - 1500 кг. Допускаетсяизготовление проволоки в мотках массой 20 - 100 кг. Каждый моток долженсостоять из одного отрезка приволоки. Проволока должна быть свернута в моткинеперепутанными рядами.
(Измененная редакция. Изм. № 2)
2.5. Линейная плотность проволоки должна соответствовать указанной в табл.3.
(Измененная редакция. Изм. № 2 )
Таблица 3
| Линейная плотность, кг, не более | |
| 3,0 | 0,052 |
| 4,0 | 0,092 |
| 5,0 | 0,144 |
Расчетная площадьпоперечного сечения и теоретическая линейная плотность проволоки приведены всправочном приложении 2.
(Измененная редакция. Изм. № 2)
(Измененная редакция. Изм. № 3)
3.1. Проволоку принимают партиями. Партия должна состоять из проволоки,оформленной одним документом о качестве, в котором следует указывать:
товарный знак илинаименование и товарный знак предприятия-изготовителя;
условное обозначение проволоки;
результаты испытаний;
количество мотков;
номер партии;
массу нетто партии;
изображение государственногоЗнака качества для проволоки высшей категории качества.
(Измененная редакция. Изм. № 2)
(Измененная редакция. Изм. № 3)
3.2. Размер а, разность размеров а и а1 икачество поверхности проволоки проверяют на каждом мотке.
(Измененная редакция. Изм. № 3).
3.3. Для проверки механических свойств проволоки и параметров профиляпроволоки от партии должно быть отобрано 3 % мотков, но не менее 5 мотков.
(Измененная редакция. Изм. № 2)
3.4. При получении неудовлетворительных результатов испытаний хотя бы поодному из показателей проводят повторные испытания на удвоенной выборке.Результаты повторной проверки распространяют на всю партию.
4.1. Для каждого вида испытаний отбирают по одному образцу с одного концамотка.
4.2. Качество поверхности проволоки контролируется невооруженным глазом.
4.3. Размеры а и а1 проволоки измеряютмикрометром по ГОСТ 6507 -78.
Величина разности размеров аи а1 определяется как среднее арифметическое значение трехизмерений, проведенных на участке длиной 1 м.
(Измененная редакция. Изм. № 2)
(Измененная редакция. Изм. № 3)
4.4. Параметры профиля проволоки определяют как среднее арифметическоетрех измерений, проведенных на участке длиной 1 м с каждой стороны.
Глубина вмятин h измеряется микрометром по ГОСТ 6507-78,оборудованным специальной пяткой (обязательное приложение 1).
Длина выступа b1 (измеряется отсчетныммикроскопом МПБ-2, изготовленным по технической документации.
При разногласиях в измерениипараметров профиля проволоки контроль проводится по линейной плотностипроволоки (табл. 3).
Линейная плотность проволокиопределяется как частное от деления массы двух образцов длиной 1 м, взвешенныхс погрешностью до 0,001 кг, на их длину, измеренную с погрешностью до 0,001 м.
(Измененная редакция. Изм. № 2)
(Измененная редакция. Изм. № 3)
4.5. Испытание проволоки на растяжение проводят по ГОСТ 12004-81 .
(Измененная редакция. Изм. № 2)
4.6. Испытание проволоки, на перегиб проводят по ГОСТ 1579-80. Проволока диаметром 3,0 и 4,0 мм испытывается на валиках диаметром 20мм, а диаметром 5,0 мм - на валиках диаметром 30 мм.
При испытании проволокиобразец зажимается так, чтобы вмятины были обращены к губкам прибора.
(Измененная редакция. Изм. № 2)
4.7. Глубину рисок и царапин определяют удалением его зачисткой споследующим сравнительным измерением в зачищенном и незачищенном местах.
(Измененная редакция. Изм. № 2)
(Измененная редакция. Изм. № 3)
5.1. Каждый моток массой 500 - 1500 кг должен быть равномерно перевязан поокружности не менее чем в четырех местах, а моток массой 20 - 100 кг - не менеечем в трех местах.
По требованию потребителямоток массой 500 - 1500 кг должен иметь промежуточные вязки, расположенныевнутри мотка.
В качестве увязочныхматериалов применятся катанка по ОСТ 14-15-193-86, ГОСТ 4231-70 или термическиобработанная проволока из нормативно-технической документации.
Концы мотка должны бытьаккуратно уложены и легко находимы.
(Измененная редакция. Изм. № 2)
(Измененная редакция. Изм. № 4)
5.1a. Мотки проволоки массой 20 - 100 кг связываютв бухты.
Масса грузового места недолжна превышать 1500 кг по согласованию изготовителя с потребителем допускаетсяувеличение массы грузового места.
Грузовые места формируют втранспортные пакеты по ГОСТ 21929-76, ГОСТ 24597-81,ГОСТ21650-76.
(Введен дополнительно. Изм. № 2)
5.2. К каждому мотку (бухте) должен быть прочно прикреплен ярлык, накотором указывают:
товарный знак илинаименование и товарный знак предприятия-изготовителя;
условное обозначениепроволоки;
номер партии;
клеймо техническогоконтроля;
изображение государственногоЗнака качества для проволоки высшей категории качества.
(Измененная редакция. Изм. № 2)
5.3. Проволока транспортируется транспортом всех видов в соответствии справилами перевозки грузов, действующими на транспорте данного вида. Размещениеи крепление грузов в транспортных средствах, перевозимых по железной дороге,должно соответствовать техническим условиям погрузки и крепления грузов,утвержденными Министерством путей сообщения СССР. Транспортирование по железнойдороге проводится повагонными и малотоннажными или мелкими отправками.
Допускаетсятранспортирование проволоки в универсальных контейнерах по ГОСТ15102-75, ГОСТ20435-75, ГОСТ22225-76.
(Измененная редакция. Изм. № 2)
5.4. Хранение проволоки - по условиям 5 ГОСТ 15150-69 .
(Измененная редакция. Изм. № 2)
5.5. Транспортирование проволоки, отправляемой в районы Крайнего Севера ирайоны, приравниваемые к ним, проводится по ГОСТ 15846-79 .
(Введен дополнительно. Изм. № 2)
(Измененная редакция. Изм. № 3)
5.6. Транспортная маркировка - по ГОСТ 14192-77.
(Введен дополнительно. Изм. № 2)
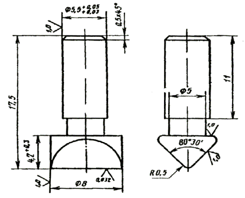
Материал- сталь ШХ15, У10А, У12А. Твердость - НRC48-50
| Расчетная площадь поперечного сечения, мм2 | Теоретическая линейная плотность, кг | |
| 3,0 | 7,07 | 0,052 |
| 4,0 | 12,57 | 0,092 |
| 5,0 | 19,63 | 0,144 |
(Измененная редакция. Изм. № 2)
(Измененная редакция. Изм. № 3)
СОДЕРЖАНИЕ