Настоящий стандарт распространяется на лигниты, бурые и каменные угли, антрациты, горючие сланцы, продукты обогащения, брикеты и коксы (далее - топливо) и устанавливает гравиметрические методы определения выхода летучих веществ:
- в каменных углях, антрацитах, горючих сланцах, брикетах, продуктах обогащения и коксах (далее - в каменных углях и коксах);
- в лигнитах, бурых углях, брикетах и продуктах переработки (далее - в бурых углях).
Для определения выхода летучих веществ в бурых углях настоящий стандарт устанавливает два альтернативных метода, отличающихся способом, снижающим до минимума вероятность выброса твердого вещества из тигля в процессе нагрева: с предварительным брикетированием навески и нагрев в двух печах.
МЕЖГОСУДАРСТВЕННЫЙ СТАНДАРТ
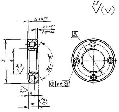
| ГАЙКИ КРУГЛЫЕ С ОТВЕРСТИЯМИ НА ТОРЦЕ «ПОД КЛЮЧ» КЛАССА ТОЧНОСТИ А | ГОСТ Взамен |
| Конструкция и размеры | |
| Round nuts with set pin holes in side, product grade A. Design and dimensions |
Утвержден Постановлением Государственного комитетастандартов Совета Министров СССР от 19.12.73 № 2716. Дата введения установлена
01.01.75
Ограничение срока действия снято по протоколу № 5-94 Межгосударственногосовета по стандартизации, метрологии и сертификации (ИУС 11-12-94)
Издание 2006 г. с Изменениями№ 1, 2, утвержденными в марте 1980 г., декабре 1986 г. (ИУС 4-80, 3-87).
Настоящий стандарт распространяется на круглые гайки с отверстиями наторце «под ключ», с диаметром резьбы от 8 до 100 мм.
2. Конструкция и размеры гаек должны соответствовать указанным начертеже и в таблице.

мм
| Номинальный диаметр резьбы d | Шаг резьбы | D hl3 | D1 | t | d1, Н13 | m h14 | h +IT14 | c, не более | c1, не более |
| 8 | 1 | 18 | 13 | 0,16 | 3,0 | 6 | 3,5 | 0,6 | 0,4 |
| 10 | 1,25 | 22 | 15 | 8 | 5,0 | ||||
| 12 | 1,25 | 26 | 18 | ||||||
| 14 | 1,5 | 28 | 20 | ||||||
| 16 | 1,5 | 30 | 22 | 3,5 | 1,0 | ||||
| 18 | 1,5 | 32 | 24 | ||||||
| 20 | 1,5 | 34 | 27 | ||||||
| 22 | 1,5 | 38 | 30 | ||||||
| 24 | 1,5 | 42 | 34 | 0,2 | 4,0 | 10 | |||
| 27 | 1,5 | 45 | |||||||
| 30 | 1,5 | 48 | 38 | 4,5 | 7,0 | 0,6 | |||
| 33 | 1,5 | 52 | 42 | ||||||
| 36 | 1,5 | 55 | 48 | ||||||
| 39 | 1,5 | 60 | |||||||
| 42 | 1,5 | 65 | 56 | 6,0 | |||||
| 45 | 1,5 | 70 | |||||||
| 48 | 1,5 | 75 | 64 | 12 | |||||
| 52 | 1,5 | 80 | |||||||
| 56 | 2 | 85 | 72 | 8,0 | 1,6 | 1,0 | |||
| 60 | 2 | 90 | 8,0 | ||||||
| 64 | 2 | 95 | 80 | ||||||
| 68 | 2 | 100 | 15 | ||||||
| 72 | 2 | 105 | 90 | 0,3 | 9,0 | 11 | |||
| 76 | 2 | 110 | |||||||
| 80 | 2 | 115 | 100 | ||||||
| 85 | 2 | 120 | |||||||
| 90 | 2 | 125 | 110 | 18 | |||||
| 95 | 2 | 130 | |||||||
| 100 | 2 | 135 | 120 |
Пример условногообозначения гайки диаметром резьбы d = 16 мм, с мелким шагом резьбы 1,5 мм с полемдопуска 7Н, класса прочности 6, без покрытия:
Гайка M16×1,5.6ГОСТ 6393-73
То же, с диаметром резьбы d = 56 мм, с мелким шагом резьбы 2 мм, с полем допуска 6Н, из стали марки35Х, с покрытием 01 толщиной 9 мкм:
Гайка М56×2.6Н.35X.019 ГОСТ 6393-73
Примечание. Гайки круглые с диаметромрезьбы до 48 мм следует обозначать по ГОСТ 1759.0-87 сдиаметром резьбы свыше 48 мм - по ГОСТ18126-94.
(Измененная редакция, Изм. № 1, 2).
3. Резьба - по ГОСТ24705-2004. Поле допуска резьбы - 6Н по ГОСТ16093-2004. До 1 января 1990 г. допускается поле допуска резьбы - 7Н. Фаскина резьбе - по ГОСТ 10549-80.
4. Поверхность отверстий «подключ» стальных гаек должны иметь твердость 37,5 . . . 43,5 HRCэ.
5. Стальные гайки должны бытьподвергнуты объемной термической обработке до твердости 28 . . . 33,5 HRCэ.
3 - 5.(Измененная редакция, Изм. № 2).
6. По заказу потребителядопускается стальные гайки изготовлять без термообработки.
7. Допуски формы и расположенияповерхностей по ГОСТ24643-81: допуск перпендикулярности опорной поверхности гайки относительнооси резьбы - по 9-й степени точности, допуск соосности наружной цилиндрическойповерхности гайки относительно оси резьбы - по 11-й степени точности.
(Измененная редакция, Изм. № 2).
8. По заказу потребителя гайки должны бытьразмагничены.
9. Остальные техническиетребования для гаек с диаметром резьбы до 48 мм - по ГОСТ 1759.0-87 сдиаметром резьбы свыше 48 мм - по ГОСТ18126-94.
10. Теоретическая масса гаекдана в приложении.
ПРИЛОЖЕНИЕ
Справочное
Масса стальных гаек
| Номинальный диаметр резьбы d, мм | Теоретическая масса 1000 шт. гаек, кг ≈ |
| 8 | 9,550 |
| 10 | 18,67 |
| 12 | 26,33 |
| 14 | 29,52 |
| 16 | 32,14 |
| 18 | 35,68 |
| 20 | 38,76 |
| 22 | 49,11 |
| 24 | 76,62 |
| 27 | 83,99 |
| 30 | 90,89 |
| 33 | 104,7 |
| 36 | 113,9 |
| 39 | 136,5 |
| 42 | 159,5 |
| 45 | 186,1 |
| 48 | 261,1 |
| 52 | 290,7 |
| 56 | 318,8 |
| 60 | 349,7 |
| 64 | 386,4 |
| 68 | 530,7 |
| 72 | 533,5 |
| 76 | 579,4 |
| 80 | 626,7 |
| 85 | 660,3 |
| 90 | 836,7 |
| 95 | 887,0 |
| 100 | 891,6 |
| - | - |
Примечание. Для определения массы гаекиз других материалов величины масс, указанные в таблице, следует умножить накоэффициенты: 0,356 - для алюминиевого сплава; 1,080 - для латуни.