Настоящий стандарт распространяется на прорезные и корончатые шестигранные гайки класса точности А с диаметром резьбы от 4 до 48 мм.
| Обозначение: | ГОСТ 5932-73* |
| Название рус.: | Гайки шестигранные прорезные и корончатые класса точности А. Конструкция и размеры |
| Статус: | действующий |
| Заменяет собой: | ГОСТ 5932-62 |
| Дата актуализации текста: | 01.10.2008 |
| Дата добавления в базу: | 01.02.2009 |
| Дата введения в действие: | 01.01.1974 |
| Разработан: | Госстандарт СССР |
| Утвержден: | Госстандарт СССР (23.01.1973) |
| Опубликован: | Стандартинформ № 2006 |
МЕЖГОСУДАРСТВЕННЫЙ СТАНДАРТ
| ГАЙКИ ШЕСТИГРАННЫЕ ПРОРЕЗНЫЕ И КОРОНЧАТЫЕ КЛАССА ТОЧНОСТИ А | ГОСТ |
| Конструкция и размеры | |
| Hexagon slotted and castle nuts, accuracy class A. Construction and dimensions |
Дата введения 01.01.74
Настоящий стандартраспространяется на прорезные и корончатые шестигранные гайки класса точности Ас диаметром резьбы от 4 до 48 мм.
Стандарт полностью соответствуетСТ СЭВ 2664-89.
(Измененная редакция, Изм. № 3).
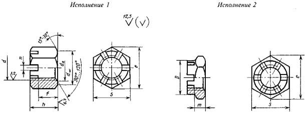
1.Конструкция и размеры гаек должны соответствовать указанным на чертеже и втаблице.

Таблица 1
мм
| Номинальный диаметр резьбы d | 4 | 5 | 6 | 8 | 10 | 12 | (14) | 16 | (18) | 20 | (22) | 24 | (27) | 30 | (33) | 36 | (39) | 42 | 48 | |
| Шаг резьбы | крупный | 0,7 | 0,8 | 1,0 | 1,25 | 1,5 | 1,75 | 2,0 | 2,0 | 2,5 | 2,5 | 2,5 | 3,0 | 3,0 | 3,5 | 3,5 | 4,0 | 4,0 | 4,5 | 5,0 |
| мелкий | - | - | - | 1,0 | 1,25 | 1,25 | 1,5 | 1,5 | 1,5 | 1,5 | 1,5 | 2,0 | 2,0 | 2,0 | 2,0 | 3,0 | 3,0 | 3,0 | 3,0 | |
| Размер «под ключ» S | 7 | 8 | 10 | 13 | 16 | 18 | 21 | 24 | 27 | 30 | 34 | 36 | 41 | 46 | 50 | 55 | 60 | 65 | 75 | |
| Высота h | 5,0 | 6,7 | 7,7 | 9,8 | 12,4 | 15,8 | 17,8 | 20,8 | 22,4 | 24,0 | 27,8 | 29,5 | 31,6 | 34,6 | 37,7 | 40,0 | 42,4 | 46 | 50 | |
| Расстояние от опорной поверхности до основания прорези f и коронки m | 3,2 | 4,7 | 5,2 | 6,8 | 8,4 | 10,8 | 12,8 | 14,8 | 16,4 | 18,0 | 19,8 | 21,5 | 23,6 | 25,6 | 28,7 | 31,0 | 33,4 | 34,0 | 38,0 | |
| dw, не менее | 6,3 | 7,2 | 9,0 | 11,7 | 14,6 | 16,6 | 19,6 | 22,5 | 25,3 | 27,7 | 31,7 | 33,2 | 38,3 | 42,7 | 46,6 | 51,1 | 55,9 | 60,6 | 69,4 | |
| Диаметр описанной окружности e, не менее | 7,7 | 8,8 | 11,1 | 14,4 | 17,8 | 20,0 | 23,4 | 26,8 | 30,1 | 33,5 | 37,7 | 40,0 | 45,6 | 51,3 | 55,8 | 61,3 | 67,0 | 72,6 | 83,9 | |
| Диаметр фаски da | не менее | 4 | 5 | 6 | 8 | 10 | 12 | 14 | 16 | 18 | 20 | 22 | 24 | 27 | 30 | 33 | 36 | 39 | 42 | 48 |
| не более | 4,6 | 5,75 | 6,75 | 8,75 | 10,8 | 13,0 | 15,1 | 17,3 | 19,4 | 21,6 | 23,8 | 25,9 | 29,2 | 32,4 | 35,6 | 38,9 | 42,2 | 45,4 | 51,8 | |
| Диаметр коронки D | - | - | - | - | - | 16 | 19 | 22 | 25 | 28 | 32 | 34 | 38 | 42 | 46 | 50 | 55 | 58 | 65 | |
| Число прорезей | 6 | 8 | ||||||||||||||||||
| Ширина прорези n | 1,2 | 1,4 | 2,0 | 2,5 | 2,8 | 3,5 | 4,5 | 4,5 | 5,5 | 7,0 | 9,0 | |||||||||
| Размер шплинта (рекомендуемый) по ГОСТ 397 | Исполнение 1 | 1×12 | 1,2×12 | 1,6×16 | 2×20 | 2,5×25 | 3,2×32 | 4×36 | 4×40 | 5×45 | 5×50 | 6,3×63 | 6,3×71 | 8×80 | 8×90 | |||||
| Исполнение 2 | - | - | - | - | - | 3,2×25 | 4×32 | 4×36 | 5×40 | 5×45 | 6,3×50 | 6,3×63 | 8×71 | 8×80 | ||||||
Примечания:
1. Размеры, заключенные в скобки,применять не рекомендуется.
2. Допускается по соглашению междуизготовителем и потребителем изготовлять гайки с номинальным диаметром резьбыот 36 до 48 мм с шагом резьбы 2 мм.
3. Для изделий, спроектированных до 01.01.91,допускается применять гайки с размерами, указанными в приложении 2.
Пример условного обозначениягайки исполнения 1, диаметром резьбы d = 12 мм, с крупным шагом резьбы с полем допуска6Н, класса прочности 5, без покрытия:
Гайка М12 - 6Н.5 ГОСТ 5932-73
То же, исполнения 2, с мелкимшагом резьбы с молем допуска 6Н, с покрытием 01 толщиной 9 мкм:
Гайка 2М12×1,25 - 6Н.5.019 ГОСТ 5932-73
(Измененная редакция, Изм. № 1, 2, 3, 4, 5).
(Измененная редакция, Изм. № 4).
3. Допускается выполнение фаскисо стороны прорези или коронки.
3а. Форма дна прорези может бытьплоской, скругленной или с фаской.
(Введен дополнительно, Изм. № 3).
4.Технические требования - по ГОСТ 1759.0.
5. Теоретическая масса гаекуказана в приложении 1.
Справочное
Масса стальных гаек с крупным шагом резьбы
Таблица 2
| Номинальный диаметр резьбы d, мм | Теоретическая масса 1000 шт. гаек, кг | |
| Исполнение 1 | Исполнение 2 | |
| 4 | 1,099 | - |
| 5 | 1,767 | - |
| 6 | 3,295 | - |
| 8 | 7,027 | - |
| 10 | 14,030 | - |
| 12 | 20,881 | 18,326 |
| 14 | 32,176 | 28,079 |
| 16 | 46,404 | 42,099 |
| 18 | 62,596 | 59,875 |
| 20 | 86,221 | 79,795 |
| 22 | 124,019 | 114,744 |
| 24 | 152,156 | 140,738 |
| 27 | 216,998 | 199,130 |
| 30 | 301,228 | 275,592 |
| 33 | 409,503 | 377,149 |
| 36 | 505,760 | 466,689 |
| 39 | 670,44 | 614,836 |
| 42 | 800,488 | 728,350 |
| 48 | 1192,376 | 1079,830 |
ПРИЛОЖЕНИЕ 1. (Измененнаяредакция, Изм. № 5).
Справочное
Таблица 3
мм
| Номинальный диаметр резьбы d | 10 | 12 | 14 | 22 |
| Размер «под ключ» S | 17 | 19 | 22 | 32 |
| Диаметр описанной окружности e, не менее | 18,9 | 21,1 | 24,5 | 35,8 |
| dw, не менее | 15,6 | 17,4 | 20,6 | 30,0 |
ПРИЛОЖЕНИЕ 2. (Введенодополнительно, Изм. № 5).
ИНФОРМАЦИОННЫЕ ДАННЫЕ
1. РАЗРАБОТАН И ВНЕСЕНГосударственным комитетом СССР но стандартам
2. УТВЕРЖДЕН И ВВЕДЕН ВДЕЙСТВИЕ Постановлением Государственного комитета стандартов Совета МинистровСССР от 23.01.73 № 141
3. Стандарт полностьюсоответствует СТ СЭВ 2664-89
Стандарт соответствуетмеждународному стандарту ИСО 4032-79, ИСО 4035-79 в части размеров «под ключ»
4. ВЗАМЕН ГОСТ 5932-62
5.ССЫЛОЧНЫЕ НОРМАТИВНО-ТЕХНИЧЕСКИЕ ДОКУМЕНТЫ
| Обозначение НТД, на который дана ссылка | Номер пункта |
| ГОСТ 397-79 | |
| ГОСТ 1759.0-87 | |
| ГОСТ 24705-2004 |
6. Ограничение срокадействия снято но протоколу № 4-93 Межгосударственного совета постандартизации, метрологии и сертификации (ИУС 4-94)
7. ИЗДАНИЕ с Изменениями №1,2, 3, 4, 5, 6, утвержденными в феврале 1974 г., августе 1979 г., декабре 1981г., октябре 1984 г., марте 1989 г., марте 1990 г. (ИУС 3-74, 10-79, 2-82, 1-85,6-89, 7-90)