Меню
Навигация
Первая линия
Бесплатное обучение по программе А

ГОСТ 5931-70* «Гайки шестигранные особо высокие класса точности А. Конструкция и размеры»

Стандарт распространяется на шестигранные особо высокие гайки класса точности А с диаметром резьбы от 8 до 48 мм.

Обозначение: ГОСТ 5931-70*
Название рус.: Гайки шестигранные особо высокие класса точности А. Конструкция и размеры
Статус: действующий
Заменяет собой: ГОСТ 5931-62
Дата актуализации текста: 01.10.2008
Дата добавления в базу: 01.02.2009
Дата введения в действие: 01.01.1972
Разработан: Министерство черной металлургии СССР
Утвержден: Госстандарт СССР (18.02.1970)
Опубликован: ИПК Издательство стандартов № 1999

ГОСУДАРСТВЕННЫЙСТАНДАРТ СОЮЗА ССР

ГАЙКИ ШЕСТИГРАННЫЕ ОСОБО ВЫСОКИЕ
КЛАССА ТОЧНОСТИ А

Конструкция и размеры

Hexagon thick nuts product grade A.
Construction and dimensions

ГОСТ
5931-70

Дата введения 01.01.72

в части размера «под ключ» S = 13 мм                                                                                                                                         01.01.73

1. Настоящий стандарт распространяется нашестигранные особо высокие гайки класса точности А с диаметром резьбы от 8 до48 мм.

(Измененная редакция, Изм. № 4).

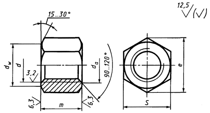
2. Конструкцияи размеры гаек должны соответствовать указанным на чертежеи в таблице.

(Измененная редакция, Изм. № 2-7).

3.Резьба - по ГОСТ 24705 .

(Измененная редакция, Изм. № 2, 4).

3а.Не установленные настоящим стандартом допуски размеров, отклонений формы ирасположения поверхностей и методы контроля - по ГОСТ 1759.1 .

3б.Допустимые дефекты поверхности гаек и методы контроля - по ГОСТ 1759.3.

3а, 3б. (Введены дополнительно, Изм. № 5).

4. Допускаетсяпо соглашению между изготовителем и потребителем изготавливать гайки сноминальным диаметром резьбы от 36 до 48 мм с шагом резьбы 2 мм.

(Измененная редакция, Изм. № 2, 5).

5.Технические требования - по ГОСТ 1759.0 .

6. (Исключен, Изм. № 2).

7. Масса гаекуказана в приложении 1.

8. (Исключен, Изм. № 4).

мм

Номинальный диаметр резьбы d

8

10

12

(14)

16

(18)

20

(22)

24

(27)

30

36

42

48

Шаг резьбы

крупный

1,25

1,5

1,75

2

2,5

3

3,5

4

4,5

5

мелкий

1

1,25

1,5

2

3

Размер «под ключ» S

13

16

18

21

24

27

30

34

36

41

46

55

65

75

Диаметр описанной окружности е, не менее

14,4

17,8

20,0

23,4

26,8

30,1

33,5

37,7

40,0

45,6

51,3

61,3

72,6

83,9

da

не менее

8

10

12

14

16

18

20

22

24

27

30

36

42

48

не более

8,75

10,8

13,0

15,1

17,3

19,4

21,6

23,8

25,9

29,2

32,4

38,9

45,4

51,8

dw, не менее

11,7

14,6

16,6

19,6

22,5

25,3

28,2

31,7

33,6

38,4

43,1

51,5

61,0

70,5

Высота т

12

15

18

21

24

27

30

32

36

40

45

54

63

71

Примечания.

1. Размеры гаек, заключенные в скобки, применять не рекомендуется.

2. Допускается изготавливать гайки с размерами, указанными в приложении 2.

Пример условного обозначения гайки с диаметром резьбы d = 12 мм с размером «подключ» S = 18 мм, с крупным шагомрезьбы с полем допуска 6Н, класса прочности 5, без покрытия:

Гайка М12-6Н5 (S18) ГОСТ 5931-70

То же, скрупным шагом резьбы с полем допуска 6Н, класса прочности 6, из стали маркиА12, без покрытия:

Гайка М12-6Н.6.А (S18) ГОСТ 5931-70

То же, сразмером «под ключ» S = 19мм, с мелким шагом резьбы с полем допуска 6Н, класса прочности 12, из сталимарки 40Х, с покрытием 01 толщиной 6 мкм:

Гайка М12´1,25-6Н.12.40Х.016 ГОСТ 5931-70

ПРИЛОЖЕНИЕ 1

Справочное

Масса стальных гаек скрупным шагом резьбы

Номинальный диаметр резьбы d, мм

Теоретическая масса 1000 шт. гаек, кг »

Номинальный диаметр резьбы d, мм

Теоретическая масса 1000 шт. гаек, кг »

Номинальный диаметр резьбы d, мм

Теоретическая масса 1000 шт. гаек, кг »

8

9,650

18

86,230

30

420,6

10

12,980

20

117,100

36

715,3

12

25,600

22

169,0

42

1179,0

14

43,590

24

202,3

48

1780,7

16

59,900

27

292,5

 

 

Для определения массы гаек из других материаловзначения массы, указанные в таблице, следует умножить на коэффициенты: 0,356 -для алюминиевого сплава; 1,080 - для латуни.

ПРИЛОЖЕНИЕ 1. (Измененнаяредакция, Изм. № 6).

ПРИЛОЖЕНИЕ 2

Справочное

Размеры в мм

Номинальный диаметр резьбы d

10

12

14

22

Размер «под ключ» S

17

19

22

32

Диаметр описанной окружности е, не менее

18,9

21,1

24,5

35,7

dw, не менее

15,6

17,4

20,6

30,0

Теоретическая масса 1000 шт. гаек с крупным шагом резьбы, кг »

16,31

30,08

49,67

140,6

ПРИЛОЖЕНИЕ 2. (Введено дополнительно, Изм. № 6; измененная редакция, Изм. № 7).

ИНФОРМАЦИОННЫЕ ДАННЫЕ

1. РАЗРАБОТАНИ ВНЕСЕН Министерством черной металлургии СССР

РАЗРАБОТЧИКИ

И.Н. Недовизий, канд. техн. наук; Б.М. Ригмант; В.И. Мокринский, канд. техн.наук

2. УТВЕРЖДЕН ИВВЕДЕН В ДЕЙСТВИЕ Постановлением Комитета стандартов, мер и измерительныхприборов при Совете Министров СССР от 18.02.70 № 178

3. ВЗАМЕН ГОСТ5931-62

4. ССЫЛОЧНЫЕ НОРМАТИВНО-ТЕХНИЧЕСКИЕ ДОКУМЕНТЫ

Обозначение НТД, на который дана ссылка

Номер пункта

Обозначение НТД, на который дана ссылка

Номер пункта

ГОСТ 1759.0-87

5

ГОСТ 1759.3-83

3б

ГОСТ 1759.1-82

3а

ГОСТ 24705-81

3

5. Ограничениесрока действия снято по протоколу № 5-94 Межгосударственного Совета постандартизации, метрологии и сертификации (ИУС 11-12-94)

6. ПЕРЕИЗДАНИЕ(сентябрь 1998 г.) с Изменениями № 2, 3, 4, 5, 6, 7, утвержденными в феврале1974 г., марте 1981 г., июне 1983 г., мае 1985 г., марте 1989 г., июле 1995 г.(ИУС 3-74, 6-81, 11-83, 8-85, 6-89, 9-95)