Стандарт устанавливает основные типы, конструктивные элементы и размеры сварных соединений из сталей, а также сплавов на железоникелевой и никелевой основах, выполняемых ручной дуговой сваркой.
Стандарт не распространяется на сварные соединения стальных трубопроводов по ГОСТ 16037-80.
| Обозначение: | ГОСТ 5264-80* |
| Название рус.: | Ручная дуговая сварка. Соединения сварные. Основные типы, конструктивные элементы и размеры |
| Статус: | действующий Ограничение срока действия отменено (ИУС 11-12-94). Стандарт не распространяется на сварные соединения стальных трубопроводов по ГОСТ 16037-80. |
| Заменяет собой: | ГОСТ 5264-69 |
| Дата актуализации текста: | 17.06.2011 |
| Дата добавления в базу: | 17.06.2011 |
| Дата введения в действие: | 01.07.1981 |
| Утвержден: | Госстандарт СССР (24.07.1980) |
| Опубликован: | Издательство стандартов № 1980<br>Стандартинформ № 2005 |
ГОСУДАРСТВЕННЫЙ СТАНДАРТ СОЮЗА ССР
РУЧНАЯ ДУГОВАЯ СВАРКА.
СОЕДИНЕНИЯ СВАРНЫЕ
Основныетипы, конструктивные элементы
и размеры
ГОСТ 5264-80
ИЗДАТЕЛЬСТВО СТАНДАРТОВ
Москва
ГОСУДАРСТВЕННЫЙ СТАНДАРТ СОЮЗА ССР
| СОЕДИНЕНИЯ СВАРНЫЕ Основные типы, конструктивные элементы и размеры Manual are welding. Welding joints. Main types, design elements and dimensions | ГОСТ Взамен |
Срок действия с 01.07. 81.г.
1. Настоящий стандарт устанавливает основные типы, конструктивные элементыи размеры сварных соединений из сталей, а также сплавов на железоникелевой иникелевой основах, выполняемых ручной и дуговой сваркой.
Стандарт не распространяетсяна сварные соединения стальных трубопроводов по ГОСТ16037-80.
2. Основные типы сварных соединений должны соответствовать указанным втабл. 1.
3. Конструктивные элементы и их размеры должны соответствовать указаннымв табл. 2 - 54.
Таблица 1
| Форма подготовленных кромок | Характер сварного шва | Форма поперечного сечения | Толщина свариваемых деталей, мм | Условное обозначение соединения | ||
| подготовленных кромок | сварного шва | |||||
| Стыковое | С отбортовкой кромок | Односторонний | 1 - 4 | С1 | ||
| 1 - 12 | С28 | |||||
| С отбортовкой одной кромки | 1 - 4 | С3 | ||||
| Без скоса кромок | С2 | |||||
| Односторонний на съемной подкладке | 1 - 4 | С4 | ||||
| Односторонний на остающейся подкладке | С5 | |||||
| Односторонний замковый | 1 - 4 | С6 | ||||
| Двухсторонний |
| 2 - 5 | С7 | |||
| Без скоса кромок с последующей дорожкой |
| 6 - 12 | С42 | |||
|
|
|
| ||||
| Со скосом одной кромки | Односторонний | 3 - 60 | С8 | |||
| Односторонний на съемной подкладке | С9 | |||||
| Односторонний на остающейся подкладке | C10 | |||||
| Односторонний замковый | C11 | |||||
| Двухсторонний | C12 | |||||
| С криволинейным скосом одной кромки | 15 - 100 | C13 | ||||
| С ломаным скосом одной кромки | C14 | |||||
| С двумя симметричными скосами одной кромки | 8 - 100 | C15 | ||||
| С двумя симметричными криволинейными скосами одной кромки | 30 - 120 | C16 | ||||
| С двумя симметричными скосами одной кромки | 12 - 100 | C43 | ||||
| Со скосом кромок | Односторонний | 3 - 60 | С17 | |||
| Односторонний на съемной подкладке | С18 | |||||
| Со скосом кромок | Односторонний на остающейся подкладке | 6 - 100 | С19 | |||
| Односторонний замковый | 3 - 60 | С20 | ||||
| Двусторонний | С21 | |||||
| Со скосом кромок с последующей дорожкой | 8 - 40 | С45 | ||||
|
| ||||||
| С криволинейным скосом кромок | 15 - 120 | С23 | ||||
| С ломаным скосом кромок | С24 | |||||
| С двумя симметричными скосами кромок | 8 - 120 | С25 | ||||
| С двумя симметричными криволинейными скосами кромок | 30 - 175 | С26 | ||||
| С двумя симметричными ломаными скосами кромок | 30 - 75 | С27 | ||||
| С двумя несимметричными скосами кромок | 12 - 120 | С39 | ||||
| С40 | ||||||
| Угловое | С отбортовкой одной кромки | Односторонний | 1 - 4 | У1 | ||
| 1 - 12 | У2 | |||||
| Без скоса кромок | 1 - 6 | У4 | ||||
| 1 - 30 | ||||||
| Двусторонний | 2 - 8 | У5 | ||||
| 2 - 30 | ||||||
| Со скосом одной кромки | Односторонний | 3 - 60 | У6 | |||
| Двусторонний | У7 | |||||
| С двумя симметричными скосами одной кромки | 8 - 100 | У8 | ||||
| Со скосом кромок | Односторонний | 3 - 60 | У9 | |||
| Двусторонний | У10 | |||||
| Тавровое | Без скоса кромок | Односторонний | 2 - 10 | Т1 | ||
| Двусторонний | Т3 | |||||
| Со скосом одной кромки | Односторонний | 3 - 60 | Т6 | |||
| Двусторонний | Т7 | |||||
| С криволинейным скосом одной кромки | 15 - 100 | Т2 | ||||
| С двумя симметричными скосами одной кромки | 8 - 100 | Т8 | ||||
| 12 - 100 | Т9 | |||||
| С двумя симметричными криволинейными скосами одной кромки | 30 - 120 | Т5 | ||||
| Нахлесточное | Без скоса кромок | Односторонний | 2 - 60 | Н1 | ||
| Двусторонний | Н2 | |||||
Таблица 2
Размеры,мм
| Конструктивные элементы | s | b | R | i | e, не более | |||
| подготавливаемых кромок свариваемых деталей | сварного шва | Номин. | Пред. откл. | |||||
| С1 | От 1 до 2 | 0 | +0,5 | От s до 2s | От s до 3s | 2s + 3 | ||
| Св. 2 до 4 | +1,0 | |||||||
* размер для справок
Таблица 3
Размеры,мм
| Конструктивные элементы | s | R | e, не более | g | |||
| подготавливаемых кромок свариваемых деталей | сварного шва |
| Номин | Пред. откл. | |||
| С28 | От 1 до 2 | От s до 2s | 3s + 2 | 0 | +1 | ||
| Св. 2 до 6 | 2s + 3 | ||||||
| Св. 6 до 9 | +2 | ||||||
| Св. 9 до 12 | 2s + 4 | +3 | |||||
Таблица 4
Размеры,мм
| Конструктивные элементы | s | b | R | i | e, не более | |||
| подготавливаемых кромок свариваемых деталей | сварного шва | Номин. | Пред. откл. | |||||
| С3 | От 1 до 2 | 0 | +0,5 | От s до 2s | От s до 3s | 2s + 3 | ||
| Св. 2 до 4 | +1,0 | |||||||
* размер для справок
Таблица 5
Размеры,мм
| Конструктивные элементы | s = s1 | b | e, не более | g | ||||
| подготавливаемых кромок свариваемых деталей | сварного шва | Номин. | Пред. откл. | Номин. | Пред. откл. | |||
| С2 | От 1,0 до 1,5 | 0 | +0,5 | 6 | 1,0 | ±0,5 | ||
| Св. 1,5 до 3,0 | 1 | ±1,0 | 7 | 1,5 | ±1,0 | |||
| Св. 3,0 до 4,0 | 2 | +1,0 -0,5 | 8 | 2,0 | ||||
Таблица 6
Размеры,мм
| Конструктивные элементы | s = s1 | b | e, не более | e1, не более | g | ||||
| подготавливаемых кромок свариваемых деталей | сварного шва | Номин. | Пред откл. | Номин. | Пред откл. | ||||
| С4 | От 1,0 до 1,5 | 0 | +0,5 | 6 | 4 | 1,0 | ±0,5 | ||
| Св. 1,5 до 3,0 | 1 | ±1,0 | 7 | 6 | 1,5 | ±1,0 | |||
| Св. 3,0 до 4,0 | 2 | +1,0 -0,5 | 8 | 2,0 |
| ||||
Таблица 7
Размеры,мм
| Конструктивные элементы | s = s1 | b | e, не более | g | ||||
| подготавливаемых кромок свариваемых деталей | сварного шва | Номин. | Пред. откл. | Номин. | Пред. откл. | |||
| С5 |
| От 1,0 до 1,5 | 0 | +0,5 | 6 | 1,0 | ±0,5 | |
| Св. 1,5 до 3,0 | 1 | ±1,0 | 7 | 1,5 | ±1,0 | |||
| Св. 3,0 до 4,0 | 2 | +1,0 -0,5 | 8 | 2,0 | ||||
Таблица 8
Размеры,мм
| Конструктивные элементы | s = s1 | b | e, не более | g | ||||
| подготавливаемых кромок свариваемых деталей | сварного шва | Номин. | Пред. откл. | Номин. | Пред. откл. | |||
| С6 | От 1,0 до 1,5 | 0 | +0,5 | 6 | 1,0 | ±0,5 | ||
| Св. 1,5 до 3,0 | 1 | ±1,0 | 7 | 1,5 | ±1,0 | |||
| Св. 3,0 до 4,0 | 2 | +1,0 -0,5 | 8 | 2,0 | ||||
Таблица 9
Размеры,мм
| Конструктивные элементы | s = s1 | b | e, не более | g | |||
| подготавливаемых кромок свариваемых деталей | сварного шва | Номин. | Пред. откл. | Номин. | |||
| С7 | 2 | 2 | ±1,0 | 8 | 1,5 | ||
| Св. 2 до 4 | 9 | ||||||
| Св. 4 до 5 | +1,5 -1,6 | 10 | 2,0 | ||||
Таблица 10
Размеры,мм
| Конструктивные элементы | s = s1 | h ±1 | f ±1 | e, не более | e1, не более | ||
| подготавливаемых кромок свариваемых деталей | сварного шва | ||||||
| С42 | От 6 до 8 | 4 | 7 | 10 | 12 | ||
| Св. 8 до 10 | 6 | 9 | 12 | 14 | |||
| Св. 10 до 12 | 8 | 11 | 14 | 16 | |||
Таблица 11
Размеры,мм
| Конструктивные элементы | s = s1 | b | g | ||||
| подготавливаемых кромок свариваемых деталей | сварного шва | Номин. | Пред. откл. | Номин. | Пред. откл. | ||
| С8 | От 3 до 5 | 8 | +0,5 | 1,0 | ±0,5 | ||
| Св. 5 до 8 | 12 | ±2 | 0,5 | ±1,5 -0,5 | |||
| Св. 8 до 11 | 16 | ||||||
| Св. 11 до 14 | 20 | ||||||
| Св. 14 до 17 | 24 | ±3 | +2,0 -0,5 | ||||
| Св. 17 до 20 | 28 | ||||||
| Св. 20 до 24 | 32 | ||||||
| Св. 24 до 28 | 35 | ||||||
| Св. 28 до 32 | 38 | ||||||
| Св. 32 до 36 | 41 | ||||||
| Св. 36 до 40 | 44 | ||||||
| Св. 40 до 44 | 49 | ±4 | |||||
| Св. 44 до 48 | 53 | ||||||
| Св. 48 до 52 | 56 | ||||||
| Св. 52 до 56 | 60 | ||||||
| Св. 56 до 60 | 64 | ||||||
Таблица 12
Размеры,мм
| Конструктивные элементы | s = s1 | b ±1 | e | e1 ±2 | g | ||||
| подготавливаемых кромок свариваемых деталей | сварного шва | Номин. | Пред откл. | Номин | Пред откл. | ||||
| С9 | От 3 до 5 | 3 | 10 | ±2 | 4 | 0,5 | +1,5 ±0,5 | ||
| Св. 5 до 8 | 14 | ||||||||
| Св. 8 до 11 | 4 | 18 | |||||||
| Св. 11 до 14 | 22 | 6 | |||||||
| Св. 14 до 17 | 5 | 26 | ±3 | +2,0 -0,5 | |||||
| Св. 17 до 20 | 30 | ||||||||
| Св. 20 до 24 | 34 | 8 | |||||||
| Св. 24 до 28 | 38 | ||||||||
| Св. 28 до 32 | 41 | ||||||||
| Св. 32 до 36 | 44 | ||||||||
| Св. 36 до 40 | 49 | ||||||||
| Св. 40 до 44 | 53 | ±4 | |||||||
| Св. 44 до 48 | 56 | ||||||||
| Св. 48 до 52 | 60 | ||||||||
| Св. 52 до 56 | 64 | ||||||||
| Св. 56 до 60 | 68 | ||||||||
Таблица 13
Размеры,мм
| сварного соединения | Конструктивные элементы | s = s1 | b ±1 | е | g | |||
| подготовленных кромок свариваемых деталей | сварного шва | Номин. | Пред. откл. | Номин. | Пред. откл. | |||
| С10 |
| От 3 до 5 | 3 | 10 | ±2 | 0,5 | ±1,5 -0,5 | |
| Св. 5 до 8 | 14 | |||||||
| Св. 8до11 | 4 | 18 | ||||||
| Св. 11 до 14 | 22 | |||||||
| Св. 14 до 17 | 5 | 26 | ±3 | +2,0 -0,5 | ||||
| Св. 17 до 20 | 30 | |||||||
| Св. 20 до 24 | 34 | |||||||
| Св. 24 до 28 | 38 | |||||||
| Св. 28 до 32 | 41 | |||||||
| Св. 32 до 36 | 44 | |||||||
| Св. 36 до 40 | 49 | |||||||
| Св. 40 до 44 | 53 | ±4 | ||||||
| Св. 44 до 48 | 56 | |||||||
| Св. 48 до 52 | 60 | |||||||
| Св. 52 до 56 | 64 | |||||||
| Св. 56 до 60 | 68 | |||||||
Таблица 14
Размеры,мм
| Конструктивные элементы | s | b ±1 | e | g | ||||
| подготовленных кромок свариваемых деталей | сварного шва | Номин. | Пред. откл. | Номин. | Пред. откл. | |||
| С11 | От 3 до 5 | 3 | 10 | ±2 | 0,5 | +1,5 -0,5 | ||
| Св. 5 до 8 | 14 | |||||||
| Св. 8 до 11 | 4 | 18 | ||||||
| Св. 11 до 14 | 22 | |||||||
| Св. 14 до 17 | 5 | 26 | ±3 | +2,0 -0,5 | ||||
| Св. 17 до 20 | 30 | |||||||
| Св. 20 до 24 | 34 | |||||||
| Св. 24 до 28 | 38 | |||||||
| Св. 28 до 32 | 41 | |||||||
| Св. 32 до 36 | 44 | |||||||
| Св. 36 до 40 | 49 | |||||||
| Св. 40 до 44 | 53 | ±4 | ||||||
| Св. 44 до 48 | 56 | |||||||
| Св. 48 до 52 | 60 | |||||||
| Св. 52 до 56 | 64 | |||||||
| Св. 56 до 60 | 68 | |||||||
Таблица 15
Размеры,мм
| Конструктивные элементы | s = s1 | e | e1±2 | g = g1 | ||||
| подготовленных кромок свариваемых деталей | сварного шва | Номин. | Пред. откл. | Номин. | Пред. откл. | |||
| С12 | От 3 до 5 | 8 | ±2 | 8 | 0,5 | +1,5 -0,5 | ||
| Св. 5 до 8 | 12 | |||||||
| Св. 8 до 11 | 16 | 10 | ||||||
| Св. 11 до 14 | 20 | |||||||
| Св. 14 до 17 | 24 | ±3 | +2,0 -0,5 | |||||
| Св. 17 до 20 | 28 | |||||||
| Св. 20 до 24 | 32 | |||||||
| Св. 24 до 28 | 35 | |||||||
| Св. 28 до 32 | 38 | |||||||
| Св. 32 до 36 | 41 | 12 | ||||||
| Св. 36 до 40 | 44 | |||||||
| Св. 40 до 44 | 49 | ±4 | ||||||
| Св. 44 до 48 | 53 | |||||||
| Св. 48 до 52 | 56 | |||||||
| Св. 52 до 56 | 60 | |||||||
| Св. 56 до 60 | 64 | |||||||
Таблица 16
Размеры,мм
| Конструктивные элементы | s = s1 | R±1 | e | e1±2 | s = s1 | ||||
| подготовленных кромок свариваемых деталей | сварного шва | Номин. | Пред. откл. | Номин. | Пред. откл. | ||||
| С13 | От 15 до 17 | 8 | 16 | ±3 | 10 | 0,5 | +2,0 -0,5 | ||
| Св. 17 до 20 | 17 | ||||||||
| Св. 20 до 24 | 18 | ||||||||
| Св. 24 до 28 | 19 | ||||||||
| Св. 28 до 32 | 20 | ||||||||
| Св. 32 до 36 | 22 | 12 | |||||||
| Св. 36 до 40 | 24 | ||||||||
| Св. 40 до 44 | 26 | ±4 | |||||||
| Св. 44 до 48 | 28 | ||||||||
| Св. 48 до 52 | 30 | ||||||||
| Св. 52 до 56 | 32 | ||||||||
| Св. 56 до 60 | 34 | ||||||||
| Св. 60 до 64 | 10 | 36 | ±5 | 14 | +3,0 -0,5 | ||||
| Св. 64 до 70 | 38 | ||||||||
| Св. 70 до 76 | 40 | ||||||||
| Св. 76 до 82 | 42 | ||||||||
| Св. 82 до 88 | 44 | ||||||||
| Св. 88 до 94 | 46 | ||||||||
| Св. 94 до 100 | 48 | ||||||||
Таблица 17
Размеры,мм
| Конструктивные элементы | s = s1 | h1±1 | e | e1±2 | g = g1 | ||||
| подготовленных кромок свариваемых деталей | сварного шва | Номин. | Пред. откл. | Номин. | Предв. откл. | ||||
| С14 | От 15 до 17 | 10 | 16 | ±3 | 10 | 0,5 | +2,0 -0,5 | ||
| Св. 17 до 20 | 17 | ||||||||
| Св. 20 до 24 | 18 | ||||||||
| Св. 24 до 28 | 19 | ||||||||
| Св. 28 до 32 | 20 | ||||||||
| Св. 32 до 36 | 12 | 22 | 12 | ||||||
| Св. 36 до 40 | 24 | ||||||||
| Св. 40 до 44 | 26 | ±4 | |||||||
| Св. 44 до 48 | 28 | ||||||||
| Св. 48 до 52 | 30 | ||||||||
| Св. 52 до 56 | 32 | ||||||||
| Св. 56 до 60 | 34 | ||||||||
| Св. 60 до 64 | 36 | ±5 | 14 | +3,0 -0,5 | |||||
| Св. 64 до 70 | 38 | ||||||||
| Св. 70 до 76 | 40 | ||||||||
| Св. 76 до 82 | 42 | ||||||||
| Св. 82 до 88 | 44 | ||||||||
| Св. 88 до 94 | 46 | ||||||||
| Св. 94 до 100 | 48 | ||||||||
Таблица 18
Размеры,мм
| сварного соединения | Конструктивные элементы | s = s1 | e | g | |||
| подготовленных кромок свариваемых деталей | сварного шва | Номин. | Пред. откл. | Номин. | Пред. откл. | ||
| С15 | От 8 до 11 | 10 | ±2 | 0,5 | +1,5 -0,5 | ||
| Св. 11 до 14 | 12 | ±3 | +2,0 -0,5 | ||||
| Св. 14 до 17 | 14 | ||||||
| Св. 17 до 20 | 16 | ||||||
| Св. 20 до 24 | 18 | ||||||
| Св. 24 до 28 | 20 | ||||||
| Св. 28 до 32 | 22 | ||||||
| Св. 32 до 36 | 24 | ||||||
| Св. 36 до 40 | 26 | ||||||
| Св. 49 до 44 | 28 | ||||||
| Св. 44 до 48 | 30 | ||||||
| Св. 48 до 52 | 32 | ||||||
| Св. 52 до 56 | 34 | ||||||
| Св. 56 до 60 | 36 | ||||||
| Св. 60 до 64 | 39 | ±4 | -3,0 -0,5 | ||||
| Св. 64 до 70 | 42 | ||||||
| Св. 70 до 76 | 45 | ||||||
| Св. 76 до 82 | 48 | ||||||
| Св. 82 до 88 | 51 | ||||||
| Св. 88 до 94 | 54 | ||||||
| Св. 94 до 100 | 58 | ||||||
Таблица 19
Размеры,мм
| Конструктивные элементы | s = s1 | R±1 | e | g | ||||
| подготовленных кромок свариваемых деталей | сварного шва | Номин. | Пред. откл. | Номин. | Пред. откл. | |||
| C16 | От 30 до 32 | 8 | 16 | ±3 | 0,5 | +2,0 -0,5 | ||
| Св. 32 до 36 | 17 | |||||||
| Св. 36 до 40 | 18 | |||||||
| Св. 40 до 44 | 19 | |||||||
| Св. 44 до 48 | 20 | |||||||
| Св. 48 до 52 | 21 | |||||||
| Св. 52 до 56 | 22 | |||||||
| Св. 56 до 60 | 23 | |||||||
| Св. 60 до 64 | 10 | 24 | ±4 | +3,0 -0,5 | ||||
| Св. 64 до 70 | 25 | |||||||
| Св. 70 до 76 | 26 | |||||||
| Св. 76 до 82 | 27 | |||||||
| Св. 82 до 88 | 28 | |||||||
| Св. 88 до 94 | 29 | |||||||
| Св. 94 до 100 | 30 | |||||||
| Св. 100 до 106 | 32 | |||||||
| Св. 106 до 112 | 34 | |||||||
| Св. 112 до 118 | 36 | |||||||
| Св. 118 до 120 | 38 | |||||||
Таблица 20
Размеры,мм
| Конструктивные элементы | s = s1 | e | e1 | g = g1 | |||||
| подготовленных кромок свариваемых деталей | сварного шва | Номин. | Пред. откл. | Номин. | Пред. откл. | Номин. | Пред. откл. | ||
| С43 | От 12 до 14 | 18 | ±2 | 15 | ±2 | 0,5 | +1,5 -0,5 | ||
| Св. 14 до 17 | 19 | ±3 | 16 | +2,0 -0,5 | |||||
| Св. 17 до 20 | 20 | 17 | |||||||
| Св. 20 до 24 | 22 | 18 | |||||||
| Св. 24 до 28 | 24 | 19 | |||||||
| Св. 28 до 32 | 27 | 20 | |||||||
| Св. 32 до 36 | 30 | 21 | |||||||
| Св. 36 до 40 | 33 | 22 | |||||||
| Св. 40 до 44 | 36 | 23 | |||||||
| Св. 44 до 48 | 39 | 25 | |||||||
| Св. 48 до 52 | 42 | 27 | |||||||
| Св. 52 до 56 | 45 | 29 | |||||||
| Св. 56 до 60 | 48 | 31 | |||||||
| Св. 60 до 64 | 51 | ±4 | 33 | ±3 | +3,0 -0,5 | ||||
| Св. 64 до 70 | 54 | 35 | |||||||
| Св. 70 до 76 | 57 | 37 | |||||||
| Св. 76 до 82 | 60 | 39 | |||||||
| Св. 82 до 88 | 63 | 41 | |||||||
| Св. 88 до 94 | 66 | 43 | |||||||
| Св. 94 до 100 | 69 | 45 | |||||||
Таблица 21
Размеры,мм
| Конструктивные элементы | s = s1 | e | g | ||||
| подготовленных кромок свариваемых деталей | сварного шва | Номин. | Пред. откл. | Номин. | Пред. откл. | ||
| С17 | От 3 до 5 | 8 | ±2 | 0,5 | +1,5 -0,5 | ||
| Св. 5 до 8 | 12 | ||||||
| Св. 8 до 11 | 16 | ||||||
| Св. 11 до 14 | 19 | +2,0 -0,5 | |||||
| Св. 14 до 17 | 22 | ±3 | |||||
| Св. 17 до 20 | 26 | ||||||
| Св. 20 до 24 | 30 | ||||||
| Св. 24 до 28 | 34 | ||||||
| Св. 28 до 32 | 38 | ||||||
| Св. 32 до 36 | 42 | ||||||
| Св. 36 до 40 | 47 | ||||||
| Св. 49 до 44 | 52 | ±4 | |||||
| Св. 44 до 48 | 54 | ||||||
| Св. 48 до 52 | 56 | ||||||
| Св. 52 до 56 | 60 | ||||||
| Св. 56 до 60 | 65 | ||||||
Таблица 22
Размеры,мм
| Конструктивные элементы | s = s1 | b±1 | e | e1±1 | g | ||||
| подготовленных кромок свариваемых деталей | сварного шва | Номин. | Пред. откл. | Номин. | Пред. откл. | ||||
| С18 | От 3 до 5 | 3 | 10 | ±2 | 4 | 0,5 | +1,5 -0,5 | ||
| Св. 5 до 8 | 16 | ||||||||
| Св. 8 до 11 | 4 | 20 | |||||||
| Св. 11 до 14 | 24 | 6 | |||||||
| Св. 14 до 17 | 5 | 28 | ±3 | +2,0 -0,5 | |||||
| Св. 17 до 20 | 32 | ||||||||
| Св. 20 до 24 | 36 | 8 | |||||||
| Св. 24 до 28 | 40 | ||||||||
| Св. 28 до 32 | 44 | ||||||||
| Св. 32 до 36 | 48 | ||||||||
| Св. 36 до 40 | 50 | ||||||||
| Св. 40 до 44 | 54 | ±4 | |||||||
| Св. 44 до 48 | 56 | ||||||||
| Св. 48 до 52 | 60 | ||||||||
| Св. 52 до 56 | 63 | ||||||||
| Св. 56 до 60 | 68 | ||||||||
Таблица 23
Размеры,мм
| сварного элемента | Конструктивные элементы | s = s1 | b±1 | e | g | |||
| подготовленных кромок свариваемых деталей | сварного шва | Номин. | Пред. откл. | Номин. | Пред. откл. | |||
| C19 | От 6 до 10 | 8 | 17 | ±2 | 0,5 | +1,5 -0,5 | ||
| Св. 10 до 14 | 19 | |||||||
| Св. 14 до 18 | 22 | ±3 | +2,0 -0,5 | |||||
| Св. 18 до 22 | 24 | |||||||
| Св. 22 до 26 | 12 | 26 | ||||||
| Св. 26 до 30 | 28 | |||||||
| Св. 30 до 35 | 30 | |||||||
| Св. 35 до 40 | 32 | |||||||
| Св. 40 до 47 | 34 | ±4 | ||||||
| Св. 47 до 54 | 36 | |||||||
| Св. 54 до 60 | 38 | |||||||
| Св. 60 до 66 | 40 | ±5 | +3,0 -0,5 | |||||
| Св. 66 до 72 | 44 | |||||||
| Св. 72 до 78 | 48 | |||||||
| Св. 78 до 85 | 52 | |||||||
| Св. 85 до 92 | 56 | |||||||
| Св. 92 до 100 | 60 | |||||||
Таблица 24
Размеры,мм
| Конструктивные элементы | s | b±1 | e | g | ||||
| подготовленных кромок свариваемых деталей | сварного шва | Номин. | Пред. откл. | Номин. | Пред. откл. | |||
| C20 | От 3 до 5 | 3 | 10 | ±2 | 0,5 | +1,5 -0,5 | ||
| Св. 5 до 8 | 16 | |||||||
| Св. 8 до 11 | 4 | 20 | ||||||
| Св. 11 до 14 | 24 | |||||||
| Св. 14 до 17 | 5 | 28 | ±3 | +2,0 -0,5 | ||||
| Св. 17 до 20 | 32 | |||||||
| Св. 20 до 24 | 36 | |||||||
| Св. 24 до 28 | 40 | |||||||
| Св. 28 до 32 | 44 | |||||||
| Св. 32 до 36 | 48 | |||||||
| Св. 36 до 40 | 50 | |||||||
| Св. 40 до 44 | 54 | ±4 | ||||||
| Св. 44 до 48 | 56 | |||||||
| Св. 48 до 52 | 60 | |||||||
| Св. 52 до 56 | 63 | |||||||
| Св. 56 до 60 | 68 | |||||||
Таблица 25
Размеры,мм
| Конструктивные элементы | s = s1 | e | e1±2 | g = g1 | ||||
| подготовленных кромок свариваемых деталей | сварного шва | Номин. | Пред. откл. | Номин. | Пред. откл. | |||
| С21 | От 3 до 5 | 8 | ±2 | 8 | 0,5 | +1,5 -0,5 | ||
| Св. 5 до 8 | 12 | |||||||
| Св. 8 до 11 | 16 | 10 | ||||||
| Св. 11 до 14 | 19 | |||||||
| Св. 14 до 17 | 22 | ±3 | +2,0 -0,5 | |||||
| Св. 17 до 20 | 26 | |||||||
| Св. 20 до 24 | 30 | |||||||
| Св. 24 до 28 | 34 | |||||||
| Св. 28 до 32 | 38 | |||||||
| Св. 32 до 36 | 42 | 12 | ||||||
| Св. 36 до 40 | 47 | |||||||
| Св. 40 до 44 | 52 | ±4 | ||||||
| Св. 44 до 48 | 54 | |||||||
| Св. 48 до 52 | 56 | |||||||
| Св. 52 до 56 | 60 | |||||||
Таблица 26
Размеры,мм
| Конструктивные элементы | s = s1 | c +2 -1 | h +2 -1 | f +2 -1 | e | e1 ±2 | g = g1 | ||||
| подготовленных кромок свариваемых деталей | сварного шва | Номин. | Пред. откл. | Номин. | Пред. откл | ||||||
| C45 | От 8 до 11 | 4 | 6 | 12 | 14 | ±2 | 18 | 0,5 | +1,5 -0,5 | ||
| Св. 11 до 14 | 16 | ||||||||||
| Св. 14 до 17 | 20 | ±3 | +2,0 -0,5 | ||||||||
| Св. 17 до 20 | 7 | 9 | 14 | 24 | 20 | ||||||
| Св. 20 до 24 | 27 | ||||||||||
| Св. 24 до 28 | 30 | ||||||||||
| Св. 28 до 32 | 10 | 12 | 16 | 34 | 22 | ||||||
| Св. 32 до 36 | 36 | ||||||||||
| Св. 36 до 40 | 38 | ||||||||||
Таблица 27
Размеры,мм
| Конструктивные элементы | s = s1 | e | e1±2 | g = g1 | ||||
| подготовленных кромок свариваемых деталей | сварного шва | Номин. | Пред. откл. | Номин. | Пред. откл. | |||
| С23 | От 15 до 17 | 26 | ±3 | 10 | 0,5 | +2,0 -0,5 | ||
| Св. 17 до 20 | 28 | |||||||
| Св. 20 до 24 | 30 | |||||||
| Св. 24 до 28 | 32 | |||||||
| Св. 28 до 32 | 33 | |||||||
| Св. 32 до 36 | 34 | 12 | ||||||
| Св. 36 до 40 | 35 | |||||||
| Св. 40 до 44 | 36 | ±4 | ||||||
| Св. 44 до 48 | 38 | |||||||
| Св. 48 до 52 | 40 | |||||||
| Св. 52 до 56 | 42 | |||||||
| Св. 56 до 60 | 44 | |||||||
| Св. 60 до 64 | 46 | ±5 | 14 | +3,0 -0,5 | ||||
| Св. 64 до 70 | 48 | |||||||
| Св. 70 до 76 | 50 | |||||||
| Св. 76 до 82 | 52 | |||||||
| Св. 82 до 88 | 54 | |||||||
| Св. 88 до 94 | 56 | |||||||
| Св. 94 до 100 | 60 | |||||||
Таблица 28
Размеры,мм
| Конструктивные элементы | s = s1 | e | e1±2 | g = g1 | ||||
| подготовленных кромок свариваемых деталей | сварного шва | Номин. | Пред. откл. | Номин. | Пред. откл. | |||
| С24 | От 15 до 17 | 24 | ±3 | 10 | 0,5 | +2,0 -0,5 | ||
| Св. 17 до 20 | 26 | |||||||
| Св. 20 до 24 | 28 | |||||||
| Св. 24 до 28 | 30 | |||||||
| Св. 28 до 32 | 32 | |||||||
| Св. 32 до 36 | 34 | 12 | ||||||
| Св. 36 до 40 | 36 | |||||||
| Св. 40 до 44 | 38 | ±4 | ||||||
| Св. 44 до 48 | 40 | |||||||
| Св. 48 до 52 | 42 | |||||||
| Св. 52 до 56 | 44 | |||||||
| Св. 56 до 60 | 46 | |||||||
| Св. 60 до 64 | 48 | ±5 | 14 | +3,0 -0,5 | ||||
| Св. 64 до 70 | 50 | |||||||
| Св. 70 до 76 | 52 | |||||||
| Св. 76 до 82 | 54 | |||||||
| Св. 82 до 88 | 56 | |||||||
| Св. 88 до 94 | 58 | |||||||
| Св. 94 до 100 | 60 | |||||||
Таблица 29
Размеры,мм
| Конструктивные элементы | s = s1 | e | g | ||||
| подготовленных кромок свариваемых деталей | сварного шва | Номин. | Пред. откл. | Номин. | Пред. откл. | ||
| С25 | Св. 8 до 11 | 10 | ±2 | 0,5 | +1,5 -0,5 | ||
| Св. 11 до 14 | 12 | ||||||
| Св. 14 до 17 | 14 | ±3 | +2,0 -0,5 | ||||
| Св. 17 до 20 | 16 | ||||||
| Св. 20 до 24 | 18 | ||||||
| Св. 24 до 28 | 20 | ||||||
| Св. 28 до 32 | 22 | ||||||
| Св. 32 до 36 | 24 | ||||||
| Св. 36 до 40 | 26 | ||||||
| Св. 49 до 44 | 28 | ||||||
| Св. 44 до 48 | 30 | ||||||
| Св. 48 до 52 | 32 | ||||||
| Св. 52 до 56 | 34 | ||||||
| Св. 56 до 60 | 36 | ||||||
| Св. 60 до 64 | 39 | ±4 | +3,0 -0,5 | ||||
| Св. 64 до 70 | 42 | ||||||
| Св. 70 до 76 | 45 | ||||||
| Св. 76 до 82 | 48 | ||||||
| Св. 82 до 88 | 51 | ||||||
| Св. 88 до 94 | 54 | ||||||
| Св. 94 до 100 | 57 | ||||||
| Св. 100 до 106 | 60 | ||||||
| Св. 106 до 112 | 63 | ||||||
| Св. 112 до 118 | 66 | ||||||
| Св. 118 до 120 | 68 | ||||||
Таблица 30
Размеры,мм
| Конструктивные элементы | s = s1 | e | g | ||||
| подготовленных кромок свариваемых деталей | сварного шва | Номин. | Пред. откл. | Номин. | Пред. откл. | ||
| С26 | От 30 до 34 | 23 | ±3 | 0,5 | +2,0 -0,5 | ||
| Св. 34 до 38 | 24 | ||||||
| Св. 38 до 42 | 25 | ||||||
| Св. 42 до 46 | 26 | ||||||
| Св. 46 до 50 | 27 | ||||||
| Св. 50 до 54 | 28 | ||||||
| Св. 54 до 60 | 29 | ||||||
| Св. 60 до 66 | 31 |
| +3,0 -0,5 | ||||
| Св. 66 до 72 | 33 |
| |||||
| Св. 72 до 78 | 34 |
| |||||
| Св. 78 до 84 | 36 |
| |||||
| Св. 84 до 90 | 38 | ±4 | |||||
| Св. 90 до 96 | 40 |
| |||||
| Св. 96 до 100 | 42 |
| |||||
| Св. 100 до 108 | 44 |
| |||||
| Св. 108 до 116 | 46 |
| |||||
| Св. 116 до 124 | 48 |
| |||||
| Св. 124 до 132 | 50 | ±5 | |||||
| Св. 132 до 140 | 52 | ||||||
| Св. 140 до 148 | 54 | ||||||
| Св. 148 до 156 | 56 | ||||||
| Св. 156 до 164 | 60 | ||||||
| Св. 164 до 170 | 64 | ||||||
| Св. 170 до 175 | 68 | ||||||
Таблица 31
Размеры,мм
| Конструктивные элементы | s = s1 | h±1 | e | g | ||||
| подготовленных кромок свариваемых деталей | сварного шва | Номин. | Пред. откл. | Номин. | Пред. откл. | |||
| C27 | От 30 до 34 | 8 | 17 | ±3 | 0,5 | +2,0 -0,5 | ||
| Св. 34 до 38 | 18 | |||||||
| Св. 38 до 42 | 20 | |||||||
| Св. 42 до 46 | 21 | |||||||
| Св. 46 до 50 | 22 | |||||||
| Св. 50 до 54 | 23 | |||||||
| Св. 54 до 60 | 25 | |||||||
| Св. 60 до 66 | 12 | 28 | ±4 | +3,0 -0,5 | ||||
| Св. 66 до 72 | 30 | |||||||
| Св. 72 до 78 | 32 | |||||||
| Св. 78 до 84 | 34 | |||||||
| Св. 84 до 90 | 36 | |||||||
| Св. 90 до 96 | 38 | |||||||
| Св. 96 до 100 | 40 | |||||||
| Св. 100 до 108 | 42 | |||||||
| Св. 108 до 116 | 20 | 44 | ||||||
| Св. 116 до 124 | 46 | |||||||
| Св. 124 до 132 | 50 | ±5 | ||||||
| Св. 132 до 140 | 54 | |||||||
| Св. 140 до 148 | 57 | |||||||
| Св. 148 до 156 | 60 | |||||||
| Св. 156 до 164 | 64 | |||||||
| Св. 164 до 170 | 68 | |||||||
| Св. 170 до 175 | 72 | |||||||
Таблица 32
Размеры,мм
| Конструктивные элементы | s = s1 | e | e1 | g = g1 | |||||
| подготовленных кромок свариваемых деталей | сварного шва | Номин. | Пред. откл. | Номин. | Пред. откл. | Номин. | Пред. откл. | ||
| C39 | От 12 до 14 | 16 | ±2 | 11 | ±2 | 0,5 | +1,5 -0,5 | ||
| Св. 14 до 17 | 18 | ±3 | 12 | +2,0 -0,5 | |||||
| Св. 17 до 20 | 20 | 13 | |||||||
| Св. 20 до 24 | 22 | 14 | |||||||
| Св. 24 до 28 | 25 | 16 | |||||||
| Св. 28 до 32 | 28 | 18 | |||||||
| Св. 32 до 36 | 30 | 20 | |||||||
| Св. 36 до 40 | 32 | 22 | |||||||
| Св. 40 до 44 | 35 | 24 | |||||||
| Св. 44 до 48 | 38 | 25 | |||||||
| Св. 48 до 52 | 41 | 26 | |||||||
| Св. 52 до 56 | 44 | 27 | |||||||
| Св. 56 до 60 | 47 | 28 | |||||||
| Св. 60 до 64 | 49 | ±4 | 29 | ±3 | +3,0 -0,5 | ||||
| Св. 64 до 70 | 51 | 30 | |||||||
| Св. 70 до 76 | 53 | 31 | |||||||
| Св. 76 до 82 | 55 | 32 | |||||||
| Св. 82 до 88 | 57 | 33 | |||||||
| Св. 88 до 94 | 60 | 34 | |||||||
| Св. 94 до 100 | 63 | 35 | |||||||
| Св. 100 до 106 | 66 | 36 | |||||||
| Св. 106 до 112 | 69 | 38 | |||||||
| Св. 112 до 118 | 72 | 40 | |||||||
| Св. 118 до 120 | 75 | 42 | |||||||
Таблица 33
Размеры,мм
| Конструктивные элементы | s = s1 | e | e1 | g = g1 | |||||
| подготовленных кромок свариваемых деталей | сварного шва | Номин. | Пред. откл. | Номин. | Пред. откл. | Номин. | Пред. откл. | ||
| C40 | От 12 до 14 | 20 | ±2 | 10 | ±2 | 0,5 | +1,5 -0,5 | ||
| Св. 14 до 17 | 22 | ±3 | 11 | +2,0 -0,5 | |||||
| Св. 17 до 20 | 23 | 12 | |||||||
| Св. 20 до 24 | 24 | 13 | |||||||
| Св. 24 до 28 | 25 | 14 | |||||||
| Св. 28 до 32 | 26 | 15 | |||||||
| Св. 32 до 36 | 27 | 16 | |||||||
| Св. 36 до 40 | 28 | 18 | |||||||
| Св. 40 до 44 | 29 | 20 | |||||||
| Св. 44 до 48 | 30 | 21 | |||||||
| Св. 48 до 52 | 31 | 23 | |||||||
| Св. 52 до 56 | 32 | 25 | |||||||
| Св. 56 до 60 | 33 | 27 | |||||||
| Св. 60 до 64 | 34 | ±4 | 29 | ±3 | +3,0 -0,5 | ||||
| Св. 64 до 70 | 36 | 30 | |||||||
| Св. 70 до 76 | 38 | 31 | |||||||
| Св. 76 до 82 | 40 | 32 | |||||||
| Св. 82 до 88 | 42 | 34 | |||||||
| Св. 88 до 94 | 44 | 36 | |||||||
| Св. 94 до 100 | 47 | 38 | |||||||
| Св. 100 до 106 | 50 | 40 | |||||||
| Св. 106 до 112 | 52 | 42 | |||||||
| Св. 112 до 118 | 54 | 44 | |||||||
| Св. 118 до 120 | 56 | 46 | |||||||
Таблица 34
Размеры,мм
| Конструктивные элементы | s | b | R | i | e, не более |
| |||
| подготовленных кромок свариваемых деталей | сварного шва | Номин. | Пред. откл. | ||||||
| У1 | От 1 до 2 | 0 | +0,5 | От s до 2s | От s до 3s | 2s + 3 |
| ||
| Св. 2 до 4 | +1,0 |
| |||||||
* Размер для справок.
Таблица35
Размеры,мм
| Конструктивные элементы | s | R | e, не более | g | |||
| подготовленных кромок свариваемых деталей | сварного шва | Номин. | Пред. откл. | ||||
| У2 | От 1 до 2 | От s до 2 s | 5 | 0 | +1 | ||
| Св. 2 до 6 | 7 | +2 | |||||
| Св. 6 до 9 | 13 | ||||||
| Св. 9 до 12 | 17 | ||||||
Таблица 36
Размеры,мм
| Конструктивные элементы | s | n | b | е, не более |
| |||
| подготовленных кромок свариваемых деталей | сварного шва | Номин. | Пред. откл | |||||
| У4 | От 0,1 до 1,5 | От 0 до 0,5s | 0 | +0,5 | 6 |
| ||
| Св. 1,5 до 3,0 | +1,0 | 8 |
| |||||
| Св. 3,0 до 5,0 | +2,0 | 10 |
| |||||
| Св. 5,0 до 6,0 | 12 |
| ||||||
Таблица 37
Размеры,мм
| Конструктивные элементы | s | n | b | |||
| подготовленных кромок свариваемых деталей | сварного шва | Номин. | Пред. откл | |||
| У4 | От 0,1 до 1,5 | От 0,5s до s | 0 | +0,5 | ||
| Св. 1,5 до 3,0 | +1,0 | |||||
| Св. 3,0 до 30,0 | +2,0 | |||||
Таблица 38
Размеры,мм
| Конструктивные элементы | s | n | b | е, не более |
| |||
| подготовленных кромок свариваемых деталей | сварного шва | Номин. | Пред. откл | |||||
| У5 | От 2 до 3 | От 0 до 0,5s | 0 | +1 | 8 |
| ||
| Св. 3 до 5 | +2 | 10 |
| |||||
| Св. 5 до 6 | 12 |
| ||||||
| Св. 6 до 8 | 14 |
| ||||||
Таблица 39
Размеры,мм
| Конструктивные элементы | s | n | b | |||
| подготовленных кромок свариваемых деталей | сварного шва | Номин. | Пред. откл | |||
| У5 | От 2 до 3 | От 0,5s до s | 0 | +1 | ||
| Св. 3 до 30 | +2 | |||||
Таблица 40
Размеры,мм
| Конструктивные элементы | s | e | g | ||||
| подготовленных кромок свариваемых деталей | сварного шва | Номин. | Пред. окл. | Номин. | Пред. откл. | ||
| У6 | От 3 до 5 | 8 | ±2 | 0,5 | +1,5 -0,5 | ||
| Св. 5 до 8 | 12 | ||||||
| Св. 8 до 11 | 16 | ||||||
| Св. 11 до 14 | 20 | ||||||
| Св. 14 до 17 | 24 | ±3 | +2,0 -0,5 | ||||
| Св. 17 до 20 | 28 | ||||||
| Св. 20 до 24 | 32 | ||||||
| Св. 24 до 28 | 35 | ||||||
| Св. 28 до 32 | 38 | ||||||
| Св. 32 до 36 | 41 | ||||||
| Св. 36 до 40 | 44 | ||||||
| Св. 40 до 44 | 49 | ±4 | |||||
| Св. 44 до 48 | 53 | ||||||
| Св. 48 до 52 | 56 | ||||||
| Св. 52 до 56 | 60 | ||||||
| Св. 56 до 60 | 64 | ||||||
Таблица 41
Размеры,мм
| Конструктивные элементы | s | e | g | ||||
| подготовленных кромок свариваемых деталей | сварного шва | Номин. | Пред. окл. | Номин. | Пред. откл. | ||
| У7 | От 3 до 5 | 8 | ±2 | 0,5 | +1,5 -0,5 | ||
| Св. 5 до 8 | 12 | ||||||
| Св. 8 до 11 | 16 | ||||||
| Св. 11 до 14 | 20 | ||||||
| Св. 14 до 17 | 24 | ±3 | +2,0 -0,5 | ||||
| Св. 17 до 20 | 28 | ||||||
| Св. 20 до 24 | 32 | ||||||
| Св. 24 до 28 | 35 | ||||||
| Св. 28 до 32 | 38 | ||||||
| Св. 32 до 36 | 41 | ||||||
| Св. 36 до 40 | 44 | ||||||
| Св. 40 до 44 | 49 | ±4 | |||||
| Св. 44 до 48 | 53 | ||||||
| Св. 48 до 52 | 56 | ||||||
| Св. 52 до 56 | 60 | ||||||
| Св. 56 до 60 | 64 | ||||||
Таблица 42
Размеры,мм
| Конструктивные элементы | s | e | e1 | g | |||||
| подготовленных кромок свариваемых деталей | сварного шва | Номин. | Пред. откл. | Номин. | Пред. откл. | Номин. | Пред. откл. | ||
| У8 | От 8 до 11 | 10 | ±2 | 9 | ±2 | 0,5 | +1,5 -0,5 | ||
| Св. 11 до 14 | 12 | 11 | |||||||
| Св. 14 до 17 | 14 | ±3 | 12 | ±2 | +2,0 -0,5 | ||||
| Св. 17 до 20 | 16 | 14 | |||||||
| Св. 20 до 24 | 18 | 16 | |||||||
| Св. 24 до 28 | 20 | 18 | |||||||
| Св. 28 до 32 | 22 | 20 | |||||||
| Св. 32 до 36 | 24 | 22 | |||||||
| Св. 36 до 40 | 26 | 24 | |||||||
| Св. 40 до 44 | 28 | 26 | |||||||
| Св. 44 до 48 | 30 | 28 | |||||||
| Св. 48 до 52 | 32 | 30 | |||||||
| Св. 52 до 56 | 34 | 32 | |||||||
| Св. 56 до 60 | 36 | 34 | |||||||
| Св. 60 до 64 | 39 | ±4 | 37 | ±4 | +3,0 -0,5 | ||||
| Св. 64 до 70 | 42 | 40 | |||||||
| Св. 70 до 76 | 45 | 43 | |||||||
| Св. 76 до 82 |
| 46 | |||||||
| Св. 82 до 88 |
| 48 | |||||||
| Св. 88 до 94 | 54 | 52 | |||||||
| Св. 94 до 100 | 58 | 56 | |||||||
Таблица 43
Размеры,мм
| Конструктивные элементы | s | e | g | ||||
| подготовленных кромок свариваемых деталей | сварного шва | Номин. | Пред. откл. | Номин. | Пред. откл. | ||
| У9 | От 3 до 5 | 8 | ±2 | 0,5 | +1,5 -0,5 | ||
| Св. 5 до 8 | 12 | ||||||
| Св. 8 до 11 | 16 | ||||||
| Св. 11 до 14 | 19 | ||||||
| Св. 14 до 17 | 22 | ±3 | +2,0 -0,5 | ||||
| Св. 17 до 20 | 26 | ||||||
| Св. 20 до 24 | 30 | ||||||
| Св. 24 до 28 | 34 | ||||||
| Св. 28 до 32 | 38 | ||||||
| Св. 32 до 36 | 42 | ||||||
| Св. 36 до 40 | 47 | ||||||
| Св. 40 до 44 | 52 | ±4 | |||||
| Св. 44 до 48 | 54 | ||||||
| Св. 48 до 52 | 56 | ||||||
| Св. 52 до 56 | 60 | ||||||
| Св. 56 до 60 | 65 | ||||||
Таблица 44
Размеры,мм
| Конструктивные элементы | s | e | g | ||||
| подготовленных кромок свариваемых деталей | сварного шва | Номин. | Пред. откл. | Номин. | Пред. откл. | ||
| У10 | От 3 до 5 | 8 | ±2 | 0,5 | +1,5 -0,5 | ||
| Св. 5 до 8 | 12 | ||||||
| Св. 8 до 11 | 16 | ||||||
| Св. 11 до 14 | 19 | ||||||
| Св. 14 до 17 | 22 | ±3 | +2,0 -0,5 | ||||
| Св. 17 до 20 | 26 | ||||||
| Св. 20 до 24 | 30 | ||||||
| Св. 24 до 28 | 34 | ||||||
| Св. 28 до 32 | 38 | ||||||
| Св. 32 до 36 | 42 | ||||||
| Св. 36 до 40 | 47 | ||||||
| Св. 40 до 44 | 52 | ±4 | |||||
| Св. 44 до 48 | 54 | ||||||
| Св. 48 до 52 | 56 | ||||||
| Св. 52 до 56 | 60 | ||||||
| Св. 56 до 60 | 64 | ||||||
Таблица 45
Размеры,мм
| Конструктивные элементы | s | b | |||
| подготовленных кромок свариваемых деталей | сварного шва | Номин. | Пред. откл | ||
| Т1 | От 2 до 3 | 0 | +1 | ||
| Св. 3 до 15 | +2 | ||||
| Св. 15 до 40 | +3 | ||||
Таблица 46
Размеры,мм
| Конструктивные элементы | s | b | |||
| подготовленных кромок свариваемых деталей | сварного шва | Номин. | Пред. откл | ||
| Т3 | От 2 до 3 | 0 | +1 | ||
| Св. 3 до 15 | +2 | ||||
| Св. 15 до 40 | +3 | ||||
Таблица 47
Размеры,мм
| Конструктивные элементы | s | e | |||
| подготовленных кромок свариваемых деталей | сварного шва | Номин. | Пред. откл. | ||
| Т6 | От 3 до 5 | 7 | ±2 | ||
| Св. 5 до 8 | 10 | ||||
| Св. 8 до 11 | 14 | ||||
| Св. 11 до 14 | 18 | ||||
| Св. 14 до 17 | 22 | ±3 | |||
| Св. 17 до 20 | 26 | ||||
| Св. 20 до 24 | 30 | ||||
| Св. 24 до 28 | 33 | ||||
| Св. 28 до 32 | 36 | ||||
| Св. 32 до 36 | 40 | ||||
| Св. 36 до 40 | 44 | ||||
| Св. 40 до 44 | 47 | ±4 | |||
| Св. 44 до 48 | 50 | ||||
| Св. 48 до 52 | 54 | ||||
| Св. 52 до 56 | 58 | ||||
| Св. 56 до 60 | 62 | ||||
Таблица 48
Размеры,мм
| Конструктивные элементы | s | e | |||
| подготовленных кромок свариваемых деталей | сварного шва | Номин. | Пред. откл. | ||
| Т7 | От 3 до 5 | 7 | ±2 | ||
| Св. 5 до 8 | 10 | ||||
| Св. 8 до 11 | 14 | ||||
| Св. 11 до 14 | 18 | ||||
| Св. 14 до 17 | 22 | ±3 | |||
| Св. 17 до 20 | 26 | ||||
| Св. 20 до 24 | 30 | ||||
| Св. 24 до 28 | 33 | ||||
| Св. 28 до 32 | 36 | ||||
| Св. 32 до 36 | 40 | ||||
| Св. 36 до 40 | 44 | ||||
| Св. 40 до 44 | 47 | ±4 | |||
| Св. 44 до 48 | 50 | ||||
| Св. 48 до 52 | 54 | ||||
| Св. 52 до 56 | 58 | ||||
| Св. 56 до 60 | 62 | ||||
Таблица 49
Размеры,мм
| Конструктивные элементы | s | R±1 | e | |||
| подготовленных кромок свариваемых деталей | сварного шва | Номин. | Пред. откл. | |||
| Т2 | От 15 до 17 | 8 | 14 | ±3 | ||
| Св. 17 до 20 | 15 | |||||
| Св. 20 до 24 | 16 | |||||
| Св. 24 до 28 | 17 | |||||
| Св. 28 до 32 | 18 | |||||
| Св. 32 до 36 | 20 | |||||
| Св. 36 до 40 | 22 | |||||
| Св. 40 до 44 | 24 | ±4 | ||||
| Св. 44 до 48 | 25 | |||||
| Св. 48 до 52 | 28 | |||||
| Св. 52 до 56 | 30 | |||||
| Св. 56 до 60 | 32 | |||||
| Св. 60 до 64 | 10 | 34 | ±5 | |||
| Св. 64 до 70 | 36 | |||||
| Св. 70 до 76 | 38 | |||||
| Св. 76 до 82 | 40 | |||||
| Св. 82 до 88 | 42 | |||||
| Св. 88 до 94 | 44 | |||||
| Св. 94 до 100 | 46 | |||||
Таблица 50
Размеры,мм
| Конструктивные элементы | s | е | |||
| подготовленных кромок свариваемых деталей | сварного шва | Номин. | Пред. откл. | ||
| Т8 | От 8 до 11 | 9 | ±2 | ||
| Св. 11 до 14 | 11 | ||||
| Св. 14 до 17 | 12 | ±3 | |||
| Св. 17 до 20 | 14 | ||||
| Св. 20 до 24 | 16 | ||||
| Св. 24 до 28 | 18 | ||||
| Св. 28 до 32 | 20 | ||||
| Св. 32 до 36 | 22 | ||||
| Св. 36 до 40 | 24 | ||||
| Св. 40 до 44 | 26 | ||||
| Св. 44 до 48 | 28 | ||||
| Св. 48 до 52 | 30 | ||||
| Св. 52 до 56 | 32 | ||||
| Св. 56 до 60 | 34 | ||||
| Св. 60 до 64 | 37 | ±4 | |||
| Св. 64 до 70 | 40 | ||||
| Св. 70 до 76 | 43 | ||||
| Св. 76 до 82 | 46 | ||||
| Св. 82 до 88 | 48 | ||||
| Св. 88 до 94 | 52 | ||||
| Св. 94 до 100 | 56 | ||||
Таблица 51
Размеры,мм
| Конструктивные элементы | s | е | |||
| подготовленных кромок свариваемых деталей | сварного шва | Номин. | Пред. откл. | ||
| Т9 | От 12 до 14 | 8 | ±2 | ||
| Св. 14 до 17 | 10 | ±3 | |||
| Св. 17 до 20 | 12 | ||||
| Св. 20 до 24 | 14 | ||||
| Св. 24 до 28 | 16 | ||||
| Св. 28 до 32 | 17 | ||||
| Св. 32 до 36 | 18 | ||||
| Св. 36 до 40 | 19 | ||||
| Св. 40 до 44 | 20 | ||||
| Св. 44 до 48 | 21 | ||||
| Св. 48 до 52 | 22 | ||||
| Св. 52 до 56 | 24 | ||||
| Св. 56 до 60 | 26 | ||||
| Св. 60 до 64 | 28 | ±4 | |||
| Св. 64 до 70 | 30 | ||||
| Св. 70 до 76 | 32 | ||||
| Св. 76 до 82 | 34 | ||||
| Св. 82 до 88 | 36 | ||||
| Св. 88 до 94 | 38 | ||||
| Св. 94 до 100 | 40 | ||||
Таблица 52
Размеры,мм
| Конструктивные элементы | s | R±1 | e | |||
| подготовленных кромок свариваемых деталей | сварного шва | Номин. | Пред. откл. | |||
| Т5 | От 30 до 32 | 8 | 14 | ±3 | ||
| Св. 32 до 36 | 15 | |||||
| Св. 36 до 40 | 16 | |||||
| Св. 40 до 44 | 17 | |||||
| Св. 44 до 48 | 18 | |||||
| Св. 48 до 52 | 19 | |||||
| Св. 52 до 56 | 20 | |||||
| Св. 56 до 60 | 21 | |||||
| Св. 60 до 64 | 10 | 22 | ±4 | |||
| Св. 64 до 70 | 23 | |||||
| Св. 70 до 76 | 24 | |||||
| Св. 76 до 82 | 25 | |||||
| Св. 82 до 88 | 26 | |||||
| Св. 88 до 94 | 27 | |||||
| Св. 94 до 100 | 28 | |||||
| Св. 100 до 106 | 30 | |||||
| Св. 106 до 112 | 32 | |||||
| Св. 112 до 118 | 34 | |||||
| Св. 118 до 120 | 36 | |||||
Таблица 53
Размеры,мм
| Конструктивные элементы | s | В | b | |||
| подготовленных кромок свариваемых деталей | сварного шва | Номин. | Пред. откл | |||
| Н1 | От 2 до 5 | 3 - 20 | 0 | +1,0 | ||
| Св. 5 до 10 | 8 - 40 | +1,5 | ||||
| Св. 10 до 29 | 12 - 100 | +2,0 | ||||
| Св. 29 до 60 | 30 - 240 | |||||
Таблица 54
Размеры,мм
| Конструктивные элементы | s | В | b | |||
| подготовленных кромок свариваемых деталей | сварного шва | Номин. | Пред. откл | |||
| Н2 | От 2 до 5 | 3 - 20 | 0 | +1,0 | ||
| Св. 5 до 10 | 8 - 40 | +1,5 | ||||
| Св. 10 до 29 | 12 - 100 | +2,0 | ||||
| Св. 29 до 60 | 30 - 240 | |||||
4.Сварка стыковых соединений деталей неодинаковой толщины при разнице, непревышающей значений, указанных в табл. 55,должна проводиться так же, как деталей одинаковой толщины; конструктивныеэлементы подготовленных кромок и размеры сварного шва следует выбирать побольшей толщине.
Таблица 55
мм
| Разность толщин деталей | |
| От 1 до 4 | 1 |
| Св. 4 до 20 | 2 |
| Св. 20 до 30 | 3 |
| Св. 30 | 4 |
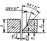
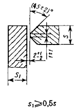
Дляосуществления плавного перехода от одной детали к другой допускается наклонноерасположение поверхности шва (черт. 1).
При разности в толщине свариваемыхдеталей свыше значений, указанных в табл. 55, на детали, имеющей большуютолщину s1, должен быть сделан скос содной или двух сторон до толщины тонкой детали s, как указано на черт. 2, 3 и 4. При этом конструктивные элементы подготовленныхкромок и размеры сварного шва следует выбирать по меньшей толщине.
5. Допускается смещение свариваемых кромок перед сваркой относительнодруг друга, не более:
0,5 мм - для деталей толщиной до 4 мм;
1,0 мм - для деталей толщиной 4 - 10 мм;
0,1s, но не более 3 мм - для деталей толщиной 10 - 100 мм;
0,01s + 2 мм, но не более 4 мм - для деталей толщиной более 100 мм.
6. В стыковых, тавровых и угловых соединениях толщиной более 16 мм,выполняемых в монтажных условиях, допускается увеличение номинального значения b до 4 мм. При этомсоответственно может быть увеличена ширина шва е, е1.
(Измененная редакция, Изм. №1).
7. При сварке в положениях, отличных от нижнего, допускается увеличениеразмера g и g1 не более:
1,0 мм - для деталей толщиной до 60 мм;
2,0 мм - для деталей толщиной свыше 60 мм.
8. При выполнении двустороннего шва с полным проплавлением перед сваркойс обратной стороны корень шва должен быть расчищен до чистого металла.
Для несимметричныхсоединений с двусторонним швом в случае строжки корня первого шва допускаетсяувеличение размеров подварочного шва до размеров первого шва.
9. Размер и предельные отклонения катета углового шва К, К1должны быть установлены при проектировании. При этом размер катета должен бытьне более 3 мм для деталей толщиной до 3 мм включительно и 1,2 толщины болеетонкой детали при сварке деталей толщиной свыше 3 мм. Предельные отклоненияразмера катета угловых швов от номинального значения приведены в приложении 3.
8, 9. (Измененная редакция, Изм. № 1).
10. (Исключен, Изм. № 1).
11.Минимальные значения катетов угловых швов приведены в приложении 1.
12. При применении электродов с более высоким временным сопротивлениемразрыву, чем у основного металла, катет углового шва в расчетном соединенииможет быть уменьшен до значений, приведенных в приложении 2.
13. Допускается выпуклость и вогнутость углового шва до 30 % его катета.При этом вогнутость не должна приводить к уменьшению значения катета Кп (черт. 5), установленного припроектировании.

Примечание. Катетом Кп является катет наибольшегопрямоугольного треугольника, вписанного во внешнюю часть углового шва. Присимметричном шве за катет Кппринимается любой из равных катетов, при несимметричном шве - меньший.
(Измененная редакция, Изм. №1).
14. Допускается применять установленные настоящим стандартом основныетипы сварных соединений, конструктивные элементы и размеры сварных соединенийпри сварке в двуокиси углерода электродной проволокой диаметром 0,8 - 1,4 мм(УП).
15. Допускается в местах перекрытия сварных швов и в местах исправлениядефектов увеличение размеров швов до 30 % номинального значения.
16. При подготовке кромок с применением ручного инструмента предельныеотклонения угла скоса кромок могут быть увеличены до ±5°.
При этом соответственноможет быть изменена ширина шва е, е1.
15, 16. (Введены дополнительно, Изм. № 1).
Рекомендуемое
мм
| Минимальный катет углового шва для толщины более толстого из свариваемых элементов | ||||||||
| От 3 до 4 | Св. 4 до 5 | Св. 5 до 10 | Св. 10 до 16 | Св. 16 до 22 | Св. 22 до 32 | Св. 32 до 40 | Св. 40 до 80 | |
| До 400 | 3 | 4 | 5 | 6 | 7 | 8 | 9 | 10 |
| Св. 400 до 450 | 4 | 5 | 6 | 7 | 8 | 9 | 10 | 12 |
Примечание. Минимальное значение катета не должно превышать 1,2толщины более тонкого элемента.
Рекомендуемое
мм
| 1,0 | 1,1 | 1,2 | 1,3 | 1,4 |
| 4 | 4 | 4 | 3 | 3 |
| 5 | 5 | 4 | 4 | 4 |
| 6 | 6 | 5 | 5 | 4 |
| 7 | 7 | 6 | 6 | 5 |
| 8 | 7 | 7 | 6 | 6 |
| 9 | 8 | 8 | 7 | 7 |
| 10 | 9 | 9 | 8 | 7 |
| 11 | 10 | 9 | 9 | 8 |
| 12 | 11 | 10 | 9 | 9 |
| 13 | 12 | 11 | 10 | 9 |
| 14 | 13 | 12 | 11 | 10 |
| 15 | 14 | 13 | 12 | 11 |
| 16 | 15 | 14 | 13 | 12 |
| 17 | 16 | 14 | 13 | 12 |
| 18 | 17 | 15 | 14 | 13 |
| 19 | 17 | 16 | 15 | 14 |
| 20 | 18 | 17 | 16 | 14 |
Рекомендуемое
мм
| Предельные отклонения размера катета углового шва от номинального значения | |
| От 3 до 5 включ. | +1,0 |
| -0,5 | |
| Св. 5 до 8 включ. | +2,0 |
| -1,0 | |
| Св. 8 до 12 включ. | +2,5 |
| -1,5 | |
| Св. 12 | +3,0 |
| -2,0 |
(Введенодополнительно, Изм. № 1).
1. УТВЕРЖДЕН И ВВЕДЕН В ДЕЙСТВИЕПостановлением Государственного комитета СССР по стандартам от 24.07.80 № 3827
2. Срок проверки 1990 г.
Периодичность проверки 5 лет
3. Взамен ГОСТ 5264-69
4. ССЫЛОЧНЫЕ НОРМАТИВНО-ТЕХНИЧЕСКИЕ ДОКУМЕНТЫ
| Номер пункта | |
| ГОСТ 16037-80 | п. 1 |
5.ПЕРЕИЗДАНИЕ с Изменением № 1, утвержденным в январе 1989 г. (ИУС 4-89)
6. Срок действия продлен до 01.07.96 (Постановлением Госстандарта СССРот 03.05.90 № 1079)
СОДЕРЖАНИЕ