Стандарт распространяется на графитную смазку (смазку УСсА), предназначенную для смазывания грубых тяжелонагруженных механизмов (открытых шестеренчатых передач, резьбовых соединений, ходовых винтов, домкратов, рессор и др.).
| Обозначение: | ГОСТ 3333-80* |
| Название рус.: | Смазка графитная. Технические условия |
| Статус: | действующий (Ограничение срока действия отменено, ИУС 12-94.) |
| Заменяет собой: | ГОСТ 3333-55 |
| Дата актуализации текста: | 01.10.2008 |
| Дата добавления в базу: | 01.02.2009 |
| Дата введения в действие: | 01.01.1981 |
| Разработан: | Министерство нефтеперерабатывающей и нефтехимической промышленности СССР |
| Утвержден: | Госстандарт СССР (14.02.1980) |
| Опубликован: | Издательство стандартов № 1989<br>Издательство стандартов № 1991 |
ГОСУДАРСТВЕННЫЙ СТАНДАРТ СОЮЗА ССР
СМАЗКАГРАФИТНАЯ
ТЕХНИЧЕСКИЕУСЛОВИЯ
ГОСТ3333-80
ГОСУДАРСТВЕННЫЙКОМИТЕТ СССР
ПО УПРАВЛЕНИЮ КАЧЕСТВОМ ПРОДУКЦИИ И СТАНДАРТАМ
Москва
ГОСУДАРСТВЕННЫЙСТАНДАРТ СОЮЗА ССР
| СМАЗКА ГРАФИТНАЯ Технические условия Graphite grease. | ГОСТ |
Срокдействия с 01.01.81
до01.01.96
Настоящийстандарт распространяется на графитную смазку (смазку УСсА), предназначеннуюдля смазывания грубых тяжелонагруженных механизмов (открытых шестеренчатыхпередач, резьбовых соединений, ходовых винтов, домкратов, рессор и др.).
Допускаетсяприменять смазку при температуре ниже минус 20°С в рессорах и аналогичныхустройствах.
Обозначениесмазки по ГОСТ 23258-78 - СКа 2/6-гЗ.
(Измененнаяредакция, Изм. № 3).
1.1. Смазкадолжна изготовляться в соответствии с требованиями настоящего стандарта потехнологии, которая применялась при изготовлении образцов смазки, прошедшихиспытания с положительными результатами и допущенных к применению вустановленном порядке.
1.2.(Исключен., Изм. № 3).
1.3. По физико-химическим показателям смазка должна соответствоватьтребованиям и нормам, указанным в таблице.
| Наименование показателя | Норма | Метод испытания |
| 1. Внешний вид | Однородная мазь от темно-коричневого до черного цвета | По п. 4.2 |
| 2. Температура каплепадения, °С, не ниже | 77 | По ГОСТ 6793-74 |
| 3. Пенетрация при 25°С с перемешиванием (60 двойных тактов), не менее, мм × 10-1 | 250 | По ГОСТ 5346-78 |
| 4. Испытание на коррозию на пластинках из стали марки 40 или 45, или 50 по ГОСТ 1050-88 | Выдерживает | По ГОСТ 9.080-77 |
| 5. Коллоидная стабильность, % выделившегося масла, не более | 5 | По ГОСТ 7142-74 |
| 6. Массовая доля воды, %, не более | 3 | По ГОСТ 2477-65 |
| 7. Предел прочности на сдвиг при 50°С, Па (гс/см2), не менее | 100 (1,0) | По ГОСТ 7143-73 |
| 8. Вязкость при 0°С и среднем градиенте скорости деформации 10 с-1, Па ×с (П), не более | 100 (1000) | По ГОСТ 7163-84 |
Примечание. Показатели попунктам 7 и 8 таблицы определяются изготовителем до введения наполнителя.
(Измененнаяредакция, Изм. № 1, 2, 3).
2.1. Постепени воздействия на организм смазка относится к 4-му классу опасности по ГОСТ 12.1.007-76. Предельнодопустимая концентрация масляного тумана масляной основы смазки в воздухе рабочейзоны производственных помещений не должна превышать 5 мг/м3.
2.2. Приработе со смазкой применяют индивидуальные средства защиты согласно нормам,утвержденным в установленном порядке.
(Измененнаяредакция, Изм. № 3).
2.3. Смазкавзрывобезопасна, температура вспышки выше 210°С.
2.4. Приразливе смазку следует собрать в емкость, место разлива вытереть насуховетошью, которую необходимо убрать в специальный металлический ящик.
2.5.Производственные помещения должны быть оборудованы приточно-вытяжнойвентиляцией.
Оборудованиедолжно быть заземлено от статического электричества.
2.6. Привозникновении пожара применяют основные средства пожаротушения:тонкораспыленную воду, химическую, воздушно-механическую, высокократную пену ипорошковые составы.
3.1. Смазкупринимают партиями. Партией считают любое количество смазки, однородной посвоим показателям качества, оформленное одним документом о качестве.
3.2. Объемвыборок - по ГОСТ 2517-85.
3.3. Приполучении неудовлетворительных результатов испытаний хотя бы по одномупоказателю по нему проводят повторные испытания пробы от той же выборки.Результаты повторных испытаний распространяются на всю партию.
(Измененнаяредакция, Изм. № 2).
3.4.Показатели "Пенетрация" и "Коллоидная стабильность"определяются только при поставке смазки на экспорт.
4.1. Отборпроб - по ГОСТ 2517-85. Масса объединенной пробы - 1 кг смазки.
(Измененнаяредакция, Изм. № 2).
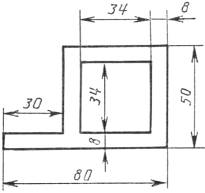
4.2. Дляопределения внешнего вида смазку наносят на пластинку размерами 50´70´2мм из стекла по ГОСТ 111-90 илидругого бесцветного прозрачного стекла с помощью шаблона из металла, неподвергающегося коррозии, толщиной (2±0,1) мм (см. чертеж). Предельныеотклонения размеров шаблона ±1 мм.

Шаблон плотноприкладывают к пластинке, обмазывают с помощью шпателя сначала внутренние краяотверстия шаблона, а затем заполняют все отверстия шаблона слоем смазки вышетолщины шаблона. Смазку уплотняют шпателем, ребром снимают излишки смазки,осторожно снимают с пластинки шаблон и просматривают ее в отраженном светеневооруженным глазом.
(Измененнаяредакция, Изм. № 2).
5.1. Упаковка,маркировка, транспортирование и хранение - по ГОСТ 1510-84.
(Измененнаяредакция, Изм. № 2).
6.1.Изготовитель гарантирует соответствие смазки требованиям настоящего стандартапри соблюдении условий транспортирования и хранения.
6.2.Гарантийный срок хранения смазки - 5 лет со дня изготовления.
(Измененнаяредакция, Изм. № 2).
ИНФОРМАЦИОННЫЕ ДАННЫЕ
1.РАЗРАБОТАН И ВНЕСЕН Министерством нефтеперерабатывающей и нефтехимическойпромышленности СССР
РАЗРАБОТЧИКИ
М.А. Кравцов, Ю.Л. Ищук, д-ртехн. наук; И.В. Лендъел, канд. хим. наук; Ковалев А.А.(руководитель темы), М.Б. Наконечная, канд. хим. наук; П.Е. Недбайлюк,канд. техн. наук; А.Р. Кравченко, канд. техн. наук; Л.Л. Дульнева,канд. хим. наук; А.Ф. Турлюн, Н.А. Харченко
2.УТВЕРЖДЕН И ВВЕДЕН В ДЕЙСТВИЕ Постановлением Государственного комитета СССР постандартам от 14.02.80 г. № 738
3. ВЗАМЕНГОСТ 3333-55
4. ССЫЛОЧНЫЕНОРМАТИВНО-ТЕХНИЧЕСКИЕ ДОКУМЕНТЫ
| Обозначение НТД, на который дана ссылка | Номер пункта |
| ГОСТ 9.080-77 | 1.3 |
| ГОСТ 12.1.007-76 | 2.1 |
| ГОСТ 111-90 | 4.2 |
| ГОСТ 1050-88 | 1.3 |
| ГОСТ 1510-84 | 5.1 |
| ГОСТ 2477-65 | 1.3 |
| ГОСТ 2517-85 | 3.2, 4.1 |
| ГОСТ 5346-78 | 1.3 |
| ГОСТ 6793-74 | 1.3 |
| ГОСТ 7142-74 | 1.3 |
| ГОСТ 7143-73 | 1.3 |
| ГОСТ 7163-84 | 1.3 |
| ГОСТ 23258-78 | Вводная часть |
5. Срокдействия продлен до 01.01.96 Постановлением Госстандарта СССР от 25.12.89 №4101
6.Переиздание (сентябрь 1991 г.) с Изменениями № 1, 2, 3, утвержденными в ноябре1982 г., октябре 1985 г. и декабре 1989 г. (ИУС 2-83, 1-86, 4-90)