Меню
Навигация
Первая линия
Бесплатное обучение по программе А

ГОСТ 2990-78* «Кабели, провода и шнуры. Методы испытания напряжением»

Настоящий стандарт распространяется на кабели, провода и шнуры (далее - кабельные изделия) и устанавливает методы испытания переменным электрическим напряжением номинальной частоты 50 Гц (далее - переменным напряжением), постоянным и импульсным напряжением, а также метод испытания переменным электрическим напряжением частоты 50-106 Гц и импульсным напряжением резиновой или пластмассовой изоляции, оболочки или защитного шланга кабельных изделий на проход (далее - испытание напряжением на проход).
Стандарт не распространяется на эмалированные провода и обмоточные провода с бумажной и волокнистой изоляцией.

Обозначение: ГОСТ 2990-78*
Название рус.: Кабели, провода и шнуры. Методы испытания напряжением
Статус: действующий Переиздание (март 1998 г)
Заменяет собой: ГОСТ 2990-72 ГОСТ 17397-72 «Кабели , провода и шнуры. Метод испытания изоляции жил кабелей, проводов и шнуров на проход напряжением переменного тока»
Дата актуализации текста: 01.10.2008
Дата добавления в базу: 01.02.2009
Дата введения в действие: 01.01.1980
Утвержден: Госстандарт СССР (20.12.1978)
Опубликован: Издательство стандартов № 1978<br>ИПК Издательство стандартов № 1998<br>ИПК Издательство стандартов № 2003

ГОСУДАРСТВЕННЫЙ СТАНДАРТ СОЮЗА ССР

КАБЕЛИ, ПРОВОДА И ШНУРЫ

МЕТОДЫ ИСПЫТАНИЯ НАПРЯЖЕНИЕМ

ГОСТ 2990-78

(СТ СЭВ 2779-80)

ИПК ИЗДАТЕЛЬСТВО СТАНДАРТОВ

Москва

ГОСУДАРСТВЕННЫЙ СТАНДАРТСОЮЗА ССР

КАБЕЛИ, ПРОВОДА И ШНУРЫ

Методы испытания напряжением

Cables, wires and cords.
Methods of voltage test

ГОСТ
2990-78*

(CT СЭВ 2779-80)

Взамен
ГОСТ 2990-72,
ГОСТ 17397-72

Постановлением Государственного комитета СССР по стандартам от 20декабря 1978 г. № 3384 дата введения установлена

01.01.80

в части п. 2.1.7 01.01.81

Ограничение срока действия снято по протоколу № 4-93Межгосударственного комитета по стандартизации, метрологии и сертификации (ИУС4-94)

Настоящий стандартраспространяется на кабели, провода и шнуры (далее - кабельные изделия) иустанавливает методы испытания переменным электрическим напряжением номинальнойчастоты 50 Гц (далее - переменным напряжением), постоянным и импульснымнапряжением, а также метод испытания переменным электрическим напряжениемчастоты 50 - 106 Гц и импульсным напряжением резиновой илипластмассовой изоляции, оболочки или защитного шланга кабельных изделий напроход (далее - испытание напряжением на проход).

Стандарт не распространяетсяна эмалированные провода и обмоточные провода с бумажной и волокнистойизоляцией.

Стандарт полностьюсоответствует CT СЭВ 2779-80 и Публикации МЭК 540, 1982 г.

(Измененная редакция, Изм. № 3).

1.ОБЗОР ОБРАЗЦОВ

1.1. Испытание переменным, постоянным иимпульсным напряжением

1.1.1. Испытанию должны быть подвергнуты кабельные изделия, не имеющиевидимых наружных повреждений и хранившиеся в условиях, указанных внормативно-технической документации на них.

1.1.2. При проведении испытаний на образцах число и длина образцов должнысоответствовать требованиям нормативно-технической документации на кабельные изделия.

1.2. Испытание напряжением на проход

1.2.1. Испытанию напряжением на проход должны быть подвергнуты изолированныежилы и провода в процессе наложения изоляции, скрутки жил, или в процессе ихперемотки, а также оболочки или защитные шланги в процессе их наложения илиперемотки.

2.АППАРАТУРА

2.1. Испытание переменным и постояннымнапряжением

2.1.1. Испытание должно быть проведено на установке, содержащей источникнапряжения, измерительные приборы, отключающие и защитные устройства,приспособления.

2.1.2. Источник напряжения должен обеспечивать получение испытательногонапряжения с плавным регулированием.

2.1.3. Источник переменного напряжения должен обеспечивать на испытуемомкабельном изделии синусоидальную форму кривой напряжения с коэффициентом амплитуды.

2.1.4. Источник постоянного напряжения должен обеспечивать на испытуемомкабельном изделии напряжение, пульсация которого не должна быть более ± 5 %.

2.1.5. Инструментальная погрешность измерения испытательного напряжения недолжна быть более 3 %.

2.1.6. Тип специального электрода и требования к нему должны быть указаны внормативно-технической документации на кабельные изделия.

2.1.7. Установку рекомендуется оснастить автоматическим отключающимустройством, которое в случае перекрытия или пробоя испытуемого кабельногоизделия должно автоматически отключить источник напряжения от перекрытого илипробитого испытуемого кабельного изделия за время не более 0,2 с.

При одновременном испытаниинескольких кабельных изделий рекомендуется подключать их через автоматическиеотключающие устройства, обеспечивающие в случае пробоя отключение отдельныхиспытуемых кабельных изделий, на которых произошел пробой, без отключения всейиспытательной установки.

Между источником высокогонапряжения испытательного трансформатора и испытуемым изделием рекомендуетсявключение резистора, обеспечивающего эффективное гашение собственных колебаний,возникающих в испытательной установке.

(Измененная редакция, Изм. № 2).

2.2. Испытание импульсным напряжением

2.2.1. Испытание должно быть проведено на установке, содержащей источникнапряжения, измерительные приборы, приспособления.

2.2.2. Тип специального электрода и требования к нему должны быть указаны внормативно-технической документации на кабельные изделия.

2.2.3. Источник напряжения должен обеспечивать получение испытательногонапряжения по амплитуде и форме импульса.

В источнике напряженияприменяют одноступенчатые или многоступенчатые генераторы импульсныхнапряжений. Источник для зарядки рабочей емкости генератора должен обладатьдостаточной мощностью и возможностью регулировки, обеспечивающей возможностьзарядки ступеней генератора до номинального напряжения с частотой не менееодного раза в 60 с. Схема зарядки должна обеспечивать равномерную зарядку отдельныхступеней во времени, равном промежуткам между очередными импульсами.

2.2.4. Инструментальная погрешность измерения испытательного напряжения недолжна быть более 3 %.

2.2.5. Испытание следует проводить полным импульсом, если внормативно-технической документации на кабельные изделия не установлены другиетребования.

Полный импульс должен иметьследующие параметры:

длительность фронта                    (1,2 ± 0,36) мкс

длительность спада                       (50 ± 10) мкс

допуск наамплитуду импульса   ± 3 %

обозначениеимпульса                  1,2/50

Амплитуда высокочастотныхколебаний, возникающих во фронтовой части импульса вблизи амплитуды, не должнапревышать 5 % амплитуды импульса.

При испытании большихстроительных длин кабельных изделий допускается длительность фронта до 5 мкс.

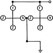
1 - токопроводящая жила или металлический покровкабельного изделия; 2 - изоляция, оболочка или защитный шланг; 3- электрод; 4 - высоковольтный вывод, 5 - установка; 6 -изолятор

Амплитуды отдельныхимпульсов серии не должны отличаться более чем на 3 % от среднего арифметическогозначения амплитуд отдельных импульсов.

2.3. Испытание напряжением на проход

2.3.1. Испытание должно быть проведено при помощи установки и электродасогласно схеме, приведенной на чертеже.

Установка и электрод должнысоответствовать нормативно-технической документации, утвержденной вустановленном порядке.

2.3.2. Электрод должен обеспечивать надежный контакт-касание по всей длинеэлектрода и периметру испытуемой изоляции, оболочки или защитного шланга и недолжен вызывать механических повреждений в виде царапин, задиров испытуемойизоляции, оболочки или защитного шланга.

2.3.3. Установка должна обеспечивать на электроде значение испытательногонапряжения, предусмотренное нормативно-технической документацией на кабельныеизделия.

2.3.4. Установка должна обеспечивать получение испытательного напряжения сплавным или ступенчатым регулированием.

2.3.5. Инструментальная погрешность измерения пикового значенияиспытательного напряжения не должна быть более 5 %.

2.3.6. Установка должна обеспечивать сигнализацию пробоев, имеющихдлительность 5 мс и более, и возможность одновременного отключения механизма,приводящего в движение испытуемую жилу или кабельное изделие, а такжеотключение испытательного напряжения.

3.ПОДГОТОВКА К ИСПЫТАНИЯМ

3.1. Испытание переменным и постояннымнапряжением

3.1.1. Окружающая среда (воздух, вода), значение давления масла или газа(для маслонаполненных или газонаполненных кабелей), циклы нагрева и другиеспециальные требования, предъявляемые к образцу перед испытанием, должны бытьуказаны в нормативно-технической документации на кабельные изделия.

При испытании в воде времявыдержки образца в воде до испытания напряжением должно быть не менее 30 мин,если в нормативно-технической документации на кабельные изделия не установленыдругие требования.

3.1.2. Испытания проводят при температуре окружающей среды от 5 до 35 °С и относительной влажности не более 80 %, если внормативно-технической документации на кабельные изделия не указаны другиеусловия.

Время пребывания испытуемогокабельного изделия в вышеуказанных условиях до начала испытания должно быть неменее 1 ч, если в нормативно-технической документации на кабельные изделия неустановлены другие требования.

3.1.3. Инструментальная погрешность измерения температуры окружающей средыне должна быть более ± 1 °С.

3.1.2, 3.1.3. (Измененная редакция,Изм. № 2).

3.1.4. Испытуемые кабельные изделия должны быть на концах разделаны илиснабжены концевыми муфтами (заделками) для исключения перекрытия по поверхностиконцов в процессе испытания.

3.1.5. Концы испытуемых кабельных изделий, находящиеся при испытании поднапряжением относительно друг друга, должны быть разделены между собойпромежутком, исключающим возможность его пробоя под действием испытательногонапряжения.

При испытании в воде концыиспытуемых кабельных изделий, покрытые изоляцией, должны выступать надповерхностью воды не менее чем на 200 мм, а остальная часть должна бытьполностью погружена в воду.

3.1.6. При испытании на металлическом стержне отрезок испытуемого кабельногоизделия должен быть намотан в один слой плотно прилегающими друг к другу истержню витками с натяжением от 5 до 25 Н на 1 мм2 номинальногосечения жилы так, чтобы отдельные витки взаимно не перекрещивались.

Диаметр стержня и числовитков устанавливают в нормативно-технической документации на отдельные видыкабельных изделий.

В кабельных изделиях сжилами номинальным сечением 50 мм2 и выше допускается уменьшениесилы натяжения до значения, при котором обеспечивается плотная намотка изделияна стержень и при этом не происходит механического повреждения изоляции.

При испытании вметаллической дроби диаметр дроби должен составлять от 1,5 до 3,5 мм.

(Измененная редакция, Изм. № 3).

3.2. Испытание импульсным напряжением

3.2.1. Перед приложением напряжения должна быть произведена градуировкагенератора импульсов. Градуировка производится при напряжении до 60 - 80 % отиспытательного.

3.2.2. При испытании полнымимпульсом при приложении напряжения рекомендуется параллельно испытуемомуобъекту присоединять шаровой разрядник, установленный на 105 % испытательногонапряжения. При испытании на шаровом разряднике не должны возникать искровыеразряды.

(Измененная редакция, Изм. № 2).

3.2.3. Специальные требования, предъявляемые к подготовке образца киспытаниям, должны быть указаны в нормативно-технической документации накабельные изделия.

3.2.4. Испытания проводят при температуре окружающей среды от 5 до 35 °С и относительной влажности воздуха не более 80 %, если внормативно-технической документации на кабельные изделия не указаны другиеусловия.

Время пребывания испытуемогокабельного изделия в вышеуказанных условиях до начала испытания должно быть неменее 1 ч, если в нормативно-технической документации на кабельные изделия неустановлены другие требования.

3.2.5. Инструментальная погрешность измерения температуры окружающей средыне должна быть более ± 1 °С.

3.2.4, 3.2.5. (Измененная редакция,Изм. № 2).

3.3. Испытание напряжением на проход

3.3.1. Установка и электрод должны быть установлены на технологическомоборудовании и подключены в соответствии с нормативно-техническойдокументацией, утвержденной в установленном порядке.

4.ПРОВЕДЕНИЕ ИСПЫТАНИЙ

4.1. Испытание переменным и постояннымнапряжением

4.1.1. Схемы испытания однофазным напряжением кабельных изделий без отдельноэкранированных жил должны соответствовать указанным в табл. 1.

Однофазное испытательноенапряжение следует подключать к испытуемому кабельному изделию согласно схемамтабл. 1,а трехфазное - согласно схемам табл. , если внормативно-технической документации на отдельные виды кабельных изделий неустановлены другие требования.

Допускается проводитьиспытания трехфазной испытательной установкой по схемам, указанным в табл. 1,используя отдельные фазы установки.

4.1.2. При испытании однофазным напряжением изоляции кабельных изделий однажила (одножильных или многожильных кабельных изделий) или группа электрическисоединенных жил (многожильных кабельных изделий) должна быть соединена свыводом высокого напряжения испытательной установки. Другая жила или группажил, а также общая металлическая оболочка, экран, броня или специальный электроддолжны быть соединены электрически между собой и с заземленным выводомустановки.

При наличии в кабеле однойили нескольких специальных заземляющих или нулевых жил последние должны бытьсоединены с заземленным выводом установки, если в нормативно-техническойдокументации на кабельные изделия не указано, что эти жилы должны быть испытанытем же напряжением, что и основные. При наличии такого указания кабельныеизделия должны испытываться как четырехжильные или многожильные кабели посхемам 5 и 6 табл. 1.

4.1.3. Испытание кабельных изделий с общей металлической оболочкой(экраном), броней, специальным электродом или без них, имеющих одну или болееотдельно экранированных жил, должно соответствовать схеме 1 табл. 2.

4.1.4. Испытание симметричных четверок коаксиальных магистральных кабелейдолжно соответствовать схеме 6 табл. 1, а коаксиальных пар - схеме2 табл. 2.

4.1.5. Испытание защитных покровов кабельных изделий должно соответствоватьсхеме 1 табл. 3.

4.1.6. Значение испытательного напряжения, а также продолжительность выдержкикабельного изделия под напряжением должны быть указаны в нормативно-техническойдокументации на кабельные изделия.

4.1.7. Пояснения к схемам испытания электрической изоляции кабельныхизделий, а также пояснения к выбору значения испытательного напряжения даны вприложении.

4.1.8. При испытании первоначально приложенное значение напряжения не должносоставлять более 40 % значения испытательного напряжения. При подъеме от 40 до100 % значения испытательного напряжения скорость подъема не должна быть более1 кВ/с для значений испытательного напряжения до 60 кВ включительно и более 2кВ/с для значений испытательного напряжения свыше 60 кВ.

Допускается для значенийиспытательного напряжения свыше 200 кВ, чтобы первоначально приложенноезначение напряжения не составляло более 75 % значения испытательногонапряжения, а скорость подъема не составляла более 2 % значения испытательногонапряжения в 1 с.

4.1.9. Значение испытательного напряжения следует поддерживать с допустимымотклонением ± 5 % в течение испытания.

4.1.10. При определении кратковременного пробивного напряжения изоляциикабельных изделий напряжение должно плавно повышаться до пробоя за время от 5до 60 с.

4.1.11. Снятие напряжения до 40 % значения испытательного напряжения должнопроизводиться плавно при любой скорости, после чего установка может бытьотключена.

4.1.12. При испытании постоянным напряжением заземляют отрицательный полюсустановки, если в нормативно-технической документации на кабельные изделия нетдругих требований.

4.2. Испытание импульсным напряжением

4.2.1. Испытуемое кабельное изделие (если в нормативно-техническойдокументации на кабельные изделия нет других требований) следует подвергнутьдействию нормальных полных 10 импульсов положительной полярности и 10 импульсовотрицательной полярности, а затем испытанию переменным напряжением. Промежутоквремени между импульсами одинаковой полярности не должен превышать 120 с.

4.2.2. Амплитуду импульса и значение испытательного напряжения, а такжеусловия проведения испытания устанавливают в нормативно-техническойдокументации на кабельные изделия.

4.3. Испытание напряжением на проход

4.3.1. Пиковое значение испытательного напряжения должно соответствоватьустановленному в нормативно-технической документации на кабельные изделия.

4.3.2. Пиковое значение испытательного напряжения следует поддерживать сдопускаемым отклонением ± 5 % в течение всего испытания.


Таблица 1

Схемы испытания однофазным напряжением электрической изоляции кабельныхизделий без экранированных жил

Номер схемы испытания

Число жил кабельного изделия

Конструктивная схема кабельного изделия

Схема приложения испытательного напряжения

Способ подключения кабельного изделия

без общей металлической оболочки, экрана, брони и не снабженного специальным электродом

с общей металлической оболочкой, экраном, броней или снабженного специальным электродом

1

1

-

1 против 0

2

2

1 против 2

а) 1 против 2 + 0

б) 2 против 1 + 0

3

3

а) 1 против 2 + 3

б) 2 против 1 + 3

а) 1 против 2 + 3 + 0

б) 2 против 1 + 3 + 0

в) 3 против 1 + 2 + 0

или

а) 1 + 2 против 3 + 0

б) 1 + 3 против 2 + 0

5

4

а) 1 против 2 + 3 + 4

б) 2 против 1 + 3 + 4

в) 3 против 1 + 2 + 4

или

а) 1 + 2 против 3 + 4

б) 1 + 4 против 2 + 3

или для симметричных кабелей связи:

а) 1 + 3 против 2 + 4

а) 1 против 2 + 3 + 4 + 0

б) 2 против 1 + 3 + 4 + 0

в) 3 против 1+2+4+0

г) 4 против 1 + 2 + 3 + 0

или

а) 1 + 2 против 3 + 4 + 0

б) 1 + 4 против 2 + 3 + 0

в) 1 + 2 + 3 + 4 против 0

или для симметричных кабелей связи:

а) 1 + 3 против 2 + 4 + 0

б) 1 +2 + 3 + 4 против 0

6

5и более

Каждая жила против всех остальных жил, соединенных вместе

или

а) все жилы всех нечетных повивов против всех жил всех четных повивов, при этом внутренняя жила (или жилы) принимается за первый повив;

б) все нечетные жилы всех повивов против всех четных жил всех повивов;

в) в случае нечетного числа жил в повивах дополнительно первая жила против последней в каждом повиве

Каждая жила против всех остальных жил, соединенных вместе с общей металлической оболочкой, экраном, броней или специальным электродом или внешними проводниками

или

а) все жилы всех нечетных повивов против всех жил всех четных повивов, при этом внутренняя жила (или жилы) принимается за первый повив, общая металлическая оболочка, экран, броня или специальный электрод - за последний повив;

б) все нечетные жилы всех повивов против всех четных жил всех повивов, соединенных с общей металлической оболочкой, экраном, броней или специальным электродом;

в) в случае нечетного количества жил в повивах дополнительно первая жила против последней в каждом повиве, соединенной с общей металлической оболочкой, экраном, броней или специальным электродом

7

3 и более (плоский кабель или провод)

 

Все нечетные жилы против всех четных жил

а) все нечетные жилы против всех четных жил, соединенных с общей металлической оболочкой, экраном, броней или специальным электродом;

б) все четные жилы против всех нечетных жил, соединенных с общей металлической оболочкой, экраном, броней или специальным электродом

8

Многожильный парной скрутки

Все жилы 1, соединенные вместе против всех жил 2, соединенных вместе

Все жилы 1, соединенные вместе, против всех жил 2, соединенных вместе и с внешним заземленным электродом

9

Многожильный троечной скрутки

Жилы каждой группы, соединенные вместе, против остальных групп, соединенных вместе. Группу жил составляют все жилы 1, соединенные вместе, все жилы 2, соединенные вместе, и все жилы 3, соединенные вместе

I - схема испытания первой группы жил против второй и третьей групп, соединенных вместе;

II - аналогично, вторая группа жил против первой и третьей;

III - третья группа жил против первой и второй

Жилы каждой группы, соединенные вместе, против жил остальных групп, соединенных вместе и с внешним заземленным электродом

10

Многожильный четверочной скрутки

Все жилы 1 и 2, соединенные вместе, против всех жил 3 и 4, соединенных вместе

Все жилы 1 и 2, соединенные вместе, против всех жил 3 и 4, соединенных вместе, и с внешним заземленным электродом

Таблица 1а

Схемы испытания трехфазным напряжением электрической изоляции кабельныхизделий без экранированных жил

Номер схемы испытания

Число жил кабельного изделия

Конструктивная схема кабельного изделия

Способ приложения испытательного напряжения

Способ подключения кабельного изделия

1

1

Каждая жила присоединена к отдельным фазам испытательной установки, а внешний электрод к нулевому зажиму

2

2

Жилы присоединены к двум фазам испытательной установки, а внешний электрод к нулевому зажиму

3

3

Жилы присоединены к фазам испытательной установки, а внешний электрод к нулевому зажиму

4

4

Произвольная нечетная жила, соединенная поочередно с каждой четной жилой, подсоединена к одной фазе испытательной установки, а остальные жилы, соединенные вместе, подсоединены к другой фазе испытательной установки, а внешний электрод к нулевому зажиму

5

Многожильный (свыше 4 жил) с одинарными жилами

Все жилы, разделенные поочередно на три группы, присоединены к отдельным фазам испытательной установки, а внешний электрод к нулевому зажиму. В случае многоповивных кабельных изделий все, соединенные вместе жилы 1 повива, затем жилы смежных повивов присоединены последовательно к фазам испытательной установки, а внешний электрод к нулевому зажиму.

Если число жил в повиве составляет 3п+1, то последнюю жилу повива присоединяют к фазе, к которой присоединена жила 3п-1

6

Многожильный парной скрутки

Все жилы 1, соединенные вместе, все жилы 2, соединенные вместе присоединены к фазам испытательной установки, а внешний электрод к нулевому зажиму

7

Многожильный троечной скрутки

Все жилы 1, соединенные вместе, все жилы 2, соединенные вместе, и все жилы 3, соединенные вместе, присоединены к фазам испытательной установки, а внешний электрод к нулевому зажиму

8

Многожильный четверочной скрутки

Все соединенные вместе жилы 1 и 2 и все соединенные вместе жилы 3 и 4 присоединены к фазам испытательной установки, а внешний электрод к нулевому зажиму


Таблица 2

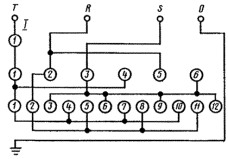
Схема испытания электрической изоляции кабельных изделий с общейметаллической оболочкой, экраном, броней, специальным электродом или без них,имеющих одну или более отдельно экранированных жил

Номер схемы испытания

Число жил кабельного изделия

Конструктивная схема кабельного изделия

Способ подключения кабельного изделия

1

2 и более

Э - экранированная жила;

О - общая металлическая оболочка, экран, броня или специальный электрод, соединенные с заземленным источником напряжения;

НЭ - неэкранированная жила; 1, 2, 3, 4, 5, 6, 7 - жилы кабельного изделия

а) Все экранированные жилы против всех экранов

б) Все неэкранированные жилы всех нечетных повивов против всех неэкранированных жил всех четных повивов, при этом внутренняя жила (или жилы) принимается за первый повив, общая металлическая оболочка, экран, броня или специальный электрод - за последний повив

в) Все неэкранированные жилы против всех экранированных, соединенных со всеми экранами

г) Все неэкранированные нечетные жилы всех повивов против всех неэкранированных четных жил всех повивов, соединенных с общей металлической оболочкой, экраном, броней или специальным электродом, при этом экранированные жилы в нумерации не участвуют и испытанию по данной схеме не подвергаются. Если в повивах одиночные неэкранированные жилы находятся между двумя экранированными жилами, то такие жилы в нумерации не участвуют и испытанию не подвергаются.

д) При нечетном числе нумерованных неэкранированных жил в повиве испытывается дополнительно первая жила против последней в каждом повиве, соединенной с общей металлической оболочкой, экраном, броней или специальным электродом. Это испытание проводится только в случае, если между первой и последней неэкранированными жилами не расположена по крайней мере одна экранированная жила

или

вместо испытания по подпунктам г, д неэкранированные жилы в повивах могут быть испытаны согласно схеме 7 табл. 1 по группам, содержащим более одной жилы и разделенными между собой отдельно экранированными жилами

2

2 проводника

а)

1 против 2

а) Между внутренним и внешним проводниками коаксиальных пар

б) Между экранами коаксиальных пар при наличии изоляции поверх экрана

 

4 и более проводников

б)

2 против 4

 

Примечание. Испытания проводятся по каждому из способов а,б, в, г, д.

4.3.3. Длина электрода l вмиллиметрах должна обеспечивать время приложения напряжения к испытуемойизоляции, оболочке или защитному шлангу не менее 0,06 с; l вычисляют по формуле

l = 60 × n,

где n - максимальная линейная скорость прохождениячерез электрод изолированной жилы, оболочки или защитного шланга, м/с.

Для экструзионных линий слинейной скоростью свыше 10 м/с допускается использовать электрод,обеспечивающий время приложения испытательного напряжения к испытуемой изоляциине менее 0,002 с при использовании установки, обеспечивающей за это время неменее трех периодов испытательного напряжения, а также сигнализацию ирегистрацию пробоев, имеющих длительность 2×10-4 и более.

Таблица 3

Схема испытания защитных покровов кабельных изделий

Номер схемы испытания

Число жил кабельного изделия

Конструктивная схема кабельного изделия

Способ подключения кабельного изделия

 

1 и более

1 - все жилы кабельного изделия; 2 - общая металлическая оболочка (экран); 3 - внутренние защитные покровы; 4 - броня; 5 - наружные защитные покровы

а) При испытании напряжением защитных покровов или их частей, расположенных между металлической оболочкой (экраном) и броней, все жилы кабельного изделия должны быть соединены с оболочкой (экраном) и выводом высокого напряжения испытательной установки, а броня должна быть соединена с заземленным выводом испытательной установки - 1 + 2 против 4 + 0

б) При испытании напряжением защитных покровов или их частей, расположенных поверх металлической оболочки (при отсутствии брони), все жилы кабельного изделия должны быть соединены с обшей металлической оболочкой (экраном) и выводом высокого напряжения испытательной установки, а специальный электрод должен быть соединен с заземленным выводом испытательной установки - 1 + 2 против специального электрода

в) При испытании напряжением защитных покровов или их частей, расположенных поверх брони, все жилы кабельного изделия должны быть соединены с общей металлической оболочкой (экраном), броней и выводом высокого напряжения испытательной установки, а специальный электрод должен быть соединен с заземленным выводом испытательной установки - 1 + 2 + 4 против специального электрода

4.4. Обработка результатов

4.4.1. Кабельные изделия считают выдержавшими испытание по пп. 4.1 и 4.2, если при испытании непроизошло пробоя изоляции, оболочки или защитного шланга. При возникновениипробоя на разделанном конце кабеля или в концевой муфте (заделке) испытуемоекабельное изделие должно быть вновь разделано или снабжено концевой муфтой(заделкой) и испытание должно быть проведено повторно в соответствии стребованиями настоящего стандарта.

4.4.2. Изоляцию, оболочку или защитный шланг считают выдержавшими испытаниепо п. 4.3, если после испытания в изоляции, оболочке или защитном шлангеотсутствуют места пробоев.

5.ТРЕБОВАНИЯ БЕЗОПАСНОСТИ

5.1. Электрические испытания кабельных изделий должны производиться всоответствии с действующими правилами технической эксплуатации электроустановокпотребителей и правилами техники безопасности при эксплуатации электроустановокпотребителей.

5.2. Испытательные установки должны быть выполнены в соответствии с ГОСТ 12.2.003-91 , ГОСТ 12.2.007.0-75 и действующими правилами устройств электроустановок.

(Измененная редакция, Изм. № 2).

5.3. Испытание напряжением на проход

5.3.1. Испытуемая изолированная жила должна быть заправлена в электрод изаземлена на отдающем и приемном устройствах в соответствии с требованияминормативно-технической документации, утвержденной в установленном порядке.

5.3.2. Корпус испытательной установки должен быть заземлен. У отличных отзвукочастотных дверцы высоковольтного блока должны иметь блокировку изапираться.

5.3.3. Испытательные установки должны быть оборудованы звуковой или световойсигнализацией, указывающей на пробой изоляции испытуемого изделия.

5.3.1 - 5.3.3. (Измененная редакция,Изм. № 2).

5.3.4. Ванночки для пайки токопроводящих жил должны быть надежно закреплены,заземлены и оборудованы местной вытяжной вентиляцией.

5.3.5. На рабочих местах у испытательных установок, отличных отзвукочастотных, должны быть уложены диэлектрические коврики; работающие должныбыть обеспечены средствами индивидуальной защиты и специальными изоляционнымикалибрами.

5.3.6. Не допускается появление влаги у испытательной установки надиэлектрическом коврике, а также на испытуемом изделии.

5.3.7. Испытательные установки, отличные от звукочастотных, должны иметьэлектроблокировку, которая отключает высоковольтный трансформатор, еслитокопроводящая жила не заземлена или оборвана.

5.3.8. К работе на испытательных установках, отличных от звукочастотных,допускаются лица, имеющие III квалификационную группу.

5.3.5 - 5.3.8. (Измененная редакция,Изм. № 2).

ПРИЛОЖЕНИЕ

Обязательное

ПОЯСНЕНИЯ К СХЕМАМИСПЫТАНИЯ ЭЛЕКТРИЧЕСКОЙ ИЗОЛЯЦИИ КАБЕЛЬНЫХ ИЗДЕЛИЙ

Схема 6 табл. 1 настоящего стандарта

а, б,в - способы подключения, по которым изоляция жил подвергаетсяиспытаниям.

Черт. 1

1. Конструктивная схема многожильного кабельного изделия, состоящего изнеэкранированных жил, указана на черт. 1.

2. По способу подключения аиспытанию подвергают изоляцию каждой жилы только в направлениях соседних жил вприлегающих друг к другу повивах.

3. По способу подключения биспытанию подвергают изоляцию каждой жилы только в направлениях соседних жил впределах каждого повива.

4. При нечетном числе жил в повивах первая и последняя жилы в каждомповиве получают при нумерации нечетные номера и по способу подключения б оказываются не испытанными поотношению к друг к другу, поэтому требуется дополнительное испытание по способуподключения в.

Схема 1 табл. 2 настоящего стандарта

НЭ - неэкранированнаяжила; Э - отдельно экранированная жила; а, б,в, г - способы подключения, по которымизоляция жил подвергается испытаниям.

Черт. 2

5. Общая конструктивная схема многожильного кабельного изделия,содержащего неэкранированные и отдельно экранированные жилы, указана на черт. 2.

6. По способу подключения аиспытанию подвергают только изоляцию каждой экранированной жилы.

7. По способу подключения биспытанию подвергают изоляцию каждой неэкранированной жилы только внаправлениях соседних неэкранированных жил в прилегающих друг к другу повивах.

8. По способу подключения виспытанию подвергают изоляцию каждой неэкранированной жилы только внаправлениях экранов отдельно экранированных жил и общего экрана.

9. По способу подключения гиспытанию подвергают изоляцию каждой неэкранированной жилы только внаправлениях соседних неэкранированных жил в пределах каждого повива.

Отдельно экранированные жилыпри этом из нумерации исключаются, поскольку их изоляция испытана по способуподключения а.

Одинаковые неэкранированныежилы, находящиеся между двумя отдельно экранированными жилами, из нумерацииисключаются, поскольку их изоляция в соответствующих направлениях испытана поспособу подключения в.

10. При нечетном числе нумерованных неэкранированных жил в повивах перваяи последняя жилы в каждом повиве получают при нумерации нечетные номера и поспособу подключения г могут оказатьсяне испытанными по отношению друг к другу, поэтому может потребоватьсядополнительное испытание с подключением по способу д. Если нумерацию начать с неэкранированной жилы, прилегающей котдельно экранированной жиле, то дополнительное испытание по способуподключения д не требуется, посколькупервая и последняя жилы испытаны в соответствующих направлениях по способуподключения в.

11. Группы неэкранированных жил, расположенные между отдельноэкранированными жилами, подобны плоским кабельным изделиям, поэтому изоляциянеэкранированных жил в направлениях соседних жил в пределах каждого повиваможет быть испытана не по способам подключения г и д, а по схеме 7табл. 1, относящейся к плоским кабельным изделиям.

12. В нормативно технической документации на кабельные изделия значенияиспытательных напряжений должны устанавливаться с учетом того обстоятельства,что при испытаниях по способам подключения аи в воздействию испытательногонапряжения подвергают изоляцию жил одинарной толщины, а по способам подключенияб, г и д- изоляцию жил двойнойтолщины.

13. Если общий экран кабельного изделия наложен непосредственно (без слояпоясной или другой промежуточной изоляции) поверх скрученных жил, то прииспытании и по способу подключения г, а также по схеме 6 табл. 1 (способ подключения б)изоляция жил одинарной толщины внешнего повива может подвергатьсявоздействию испытательного напряжения, рассчитанного на изоляцию двойнойтолщины.

В этом случае испытание поспособу подключения г или по схеме 6(способ подключения б) должно быть проведено раздельно вдва приема:

испытание всех жил внешнегоповива против общего экрана;

испытание всех жил поспособу подключения г или по схеме 6(способ подключения б) с присоединением внешнего повива к общему экрану.

14. При испытаниях по способам подключения б, ги д экраны отдельно экранированныхжил не должны быть соединены с общей металлической оболочкой, экраном, броней илиспециальным электродом, чтобы испытательное напряжение, прикладываемое кдвойной толщине изоляции неэкранированных жил, не оказалось приложеннымодновременно к одинарной толщине изоляции некоторых из этих жил, прилегающих котдельно экранированным жилам.

СОДЕРЖАНИЕ