Настоящий стандарт распространяется на селеновые фотоэлементы, предназначенные для фотометрирования и колориметрирования пламени пиротехнических составов.
Стандарт устанавливает требования к фотоэлементам, применяемым при фотометрировании и колориметрировании светящегося пламени единичных световых вспышек с временем достижения максимума силы света не менее 0,001с и модулированного света с частотой не более 100 Гц; при этом освещенность на фотоэлементе должна быть от 2 до 2000лк.
| Обозначение: | ГОСТ 2388-70* |
| Название рус.: | Фотоэлементы селеновые для фотометрирования и колориметрирования пиротехнических средств. Общие технические требования |
| Статус: | действующий ПЕРЕИЗДАНИЕ (март 1998 г.) с Изменениями № 1, 2, 3, утвержденным» в августе 1980 г., ноябре 1984 г., июне 1991 г. (ИУС 11-80, 2-85, 9-91) |
| Дата актуализации текста: | 01.10.2008 |
| Дата добавления в базу: | 01.02.2009 |
| Дата введения в действие: | 01.01.1971 |
| Утвержден: | Госстандарт СССР (23.07.1970) |
| Опубликован: | ИПК Издательство стандартов № 1998 |

ГОСУДАРСТВЕННЫЙСТАНДАРТ СОЮЗА ССР
ФОТОЭЛЕМЕНТЫ СЕЛЕНОВЫЕ
ДЛЯ ФОТОМЕТРИРОВАНИЯ
И КОЛОРИМЕТРИРОВАНИЯ
ПИРОТЕХНИЧЕСКИХСРЕДСТВ
Общие технические требования
ГОСТ 2388-70
Ипк издательство стандартов
Москва
ГОСУДАРСТВЕННЫЙ СТАНДАРТ СОЮЗА ССР
| ФОТОЭЛЕМЕНТЫ СЕЛЕНОВЫЕ ДЛЯ ФОТОМЕТРИРОВАНИЯ И КОЛОРИМЕТРИРОВАНИЯ ПИРОТЕХНИЧЕСКИХ СРЕДСТВ Общие технические требования Selenium photocells for photometric and colorimetric measurement of pirotechnical agents. General technical requirements | ГОСТ 2388-70 |
Дата введения 01.01.71
Настоящий стандарт распространяется на селеновыефотоэлементы, предназначенные для фотометрирования и колориметрирования пламенипиротехнических составов.
Стандарт устанавливает требования к фотоэлементам,применяемым при фотометрировании и колориметрировании светящегося пламениединичных световых вспышек с временем достижения максимума силы света не менее0,001с и модулированного света с частотой не более100 Гц; при этом освещенность на фотоэлементе должна быть от 2 до 2000лк.
Требования п.п. 1.6,1.7,2.3и приложение настоящего стандарта являются обязательными, другие требованиярекомендуемыми.
(Измененная редакция, Изм. № 3).
Содержание:
1.1. Фотоэлементы должны соответствоватьтребованиям настоящего стандарта и технической документации, утвержденной вустановленном порядке.
1.2. Фотоэлементы должны надежно работать вдиапазоне температур от минус 20 до плюс 40°С и относительной влажности до 80%.
Примечание. Разрешается работать сфотоэлементами при температуре ниже минус 20 и выше плюс 40°С при условии, чтоизмеренная интегральная чувствительность при этих температурах соответствуетзначениям, указанным в п. 1.6а.
1.3. Конструкция фотоэлемента должна обеспечивать:
а) герметичность светочувствительногоэлемента;
б) надежный контакт выводных клемм сэлектродами светочувствительного элемента;
в) возможность закрытиясветочувствительного элемента съемной крышкой в нерабочем состоянии;
г) надежное крепление светофильтра;
д) возможность установки на штатив.
1.4. Все металлические детали фотоэлементадолжны быть защищены антикоррозионными покрытиями, вид которых указывают вчертежах на фотоэлемент.
1.5. Корпус фотоэлемента долженбыть изготовлен из диэлектрика, обеспечивающего сопротивление междутокоснимающими деталями не менее 100МОм.
1.6. Световые и электрические характеристики фотоэлементов,применяемых при фотометрировании и колориметрировании, при сопротивлениинагрузки не более 100 Ом должны удовлетворять следующим требованиям:
а) интегральнаячувствительность при снятом светофильтре не должна быть менее 300мкА/лм приосвещенности 1000лк на поверхности светочувствительного элемента;
б) линейность (отклонение отпрямой пропорциональности между фототоком и освещенностью) в диапазоне освещенностиот 2 до 2000лк не должна превышать ±5%;
в) утомляемость (изменениефототока со временем) при освещенности 2000лк через 10мин после началаосвещения фотоэлемента не должна превышать 2% от величины начального фототока;
г) температурный коэффициентдля интервала температур от минус 20 до плюс 40°С при освещенности 2000лк недолжен превышать 0,2% на 1°С.
1.7. Корригирующий светофильтр,применяемый для фотометрирования, должен приводить относительную спектральнуючувствительность фотоэлемента к относительной световой эффективностимонохроматического излучения по ГОСТ 8.332. Допускаемые отклоненияне должны превышать значений, приведенных в табл. 1.
| Длина волны, НМ | Относительная спектральная чувствительность фотоэлемента | Допускаемое отклонение, % | Длина волны, нм | Относительная спектральная чувствительность фотоэлемента | Допускаемое отклонение, % |
| 440 | 0,023 | +40 | 560 | 0,995 | +1 |
| 460 | 0,060 | ±20 |
|
| 2 |
| 480 | 0,139 | ±15 | 580 | 0,870 | ±2 |
| 500 | 0,323 | ±10 | 600 | 0,631 | ±10 |
| 520 | 0,710 | ±5 | 620 | 0,381 | ±15 |
| 540 | 0,954 | ±2 | 640 | 0,175 | ±20 |
| 555 | 1,000 | - | 660 | 0,061 | ±40 |
Не допускается отклонение положения максимумаспектральной чувствительности фотоэлемента с корригирующим светофильтром от X=555нм более чем на ±5 нм.
Примечания:
1.Использование корригирующихсветофильтров от других фотоэлементов не допускается.
2.Для уменьшения освещенности фотоэлемента допускаетсяприменение нейтральных светофильтров.
(Измененная редакция, Изм. № 2).
1.8. Светофильтры, применяемыедля колориметрирования, должны обеспечивать относительные спектральныечувствительности фотоэлементов, соответствующие удельным координатам цвета
(стандартной системы МОК), приведеннымв табл. 2.
| Длина волны, нм | Удельные координаты цвета | ||
|
|
|
| |
| 380 | 0,0014 | 0,0000 | 0,0065 |
| 400 | 0,0143 | 0,0004 | 0,0679 |
| 420 | 0,1344 | 0,0040 | 0,6456 |
| 440 | 0,3483 | 0,0230 | 1,7471 |
| 460 | 0,2908 | 0,0600 | 1,6692 |
| 480 | 0,0956 | 0,1390 | 0,8130 |
| 500 | 0,0049 | 0,3230 | 0,2720 |
| 520 | 0,0633 | 0,7100 | 0,0782 |
| 540 | 0,2904 | 0,9540 | 0,0203 |
| 560 | 0,5945 | 0,9950 | 0,0039 |
| 580 | 0,9163 | 0,8700 | 0,0017 |
| 600 | 1,0622 | 0,6310 | 0,0008 |
| 620 | 0,8544 | 0,3810 | 0,0002 |
| 640 | 0,4479 | 0,1750 | 0,0000 |
| 660 | 0,1649 | 0,0610 | 0,0000 |
| 680 | 0,0468 | 0,0170 | 0,0000 |
| 700 | 0,0114 | 0,0041 | 0,0000 |
| 720 | 0,0029 | 0,0010 | 0,0000 |
| 740 | 0,0007 | 0,0003 | 0,0000 |
| 760 | 0,0002 | 0,0001 | 0,0000 |
| 780 | 0,0000 | 0,0000 | 0,0000 |
1.9. Готовые фотоэлементы должны быть приняты отделом технического контроляпредприятия-поставщика.
2.1. Испытания на соответствие п.п. 1.3а, б, в;1.4; 1.5 и 1.8 проводят постандартам или технической документации на селеновые фотоэлементы конкретныхтипов, утвержденной в установленном порядке.
2.2. Проверку на соответствие п. 1.3г, д осуществляют визуально.
2.3.Определение световых и электрическиххарактеристик фотоэлементов
2.3.1. Приборы и оборудование
Электроизмерительныйприбор (микроамперметр) с внутренним сопротивлением не более 100 Ом классаточности не ниже 0,5;
фотометрическаяскамья, обеспечивающая перемещение фотоэлемента вдоль ее оптической оси от 0,2до 3,0 м; точность измерения расстояния между нитью накала лампы исветочувствительной поверхностью фотоэлемента ±0,5мм; защита фотоэлемента отпопадания отраженного и постороннего света;
вольтметр иамперметр класса точности не ниже 0,2 по ГОСТ 8711;
монохроматордля видимой области спектра;
регуляторнапряжения для установления и поддержания режима питания светоизмерительнойлампы;
светоизмерительнаялампа по ГОСТ10771,поверенная при цветовой температуре источника А (или 2800°K);
рабочиеизмерительные лампы, поверенные на светоизмерительной лампе, по ГОСТ10771;
источник постоянногоили стабилизированного переменного тока для питания светоизмерительной илирабочей лампы.
Все приборы иоборудование должны соответствовать требованиям действующих стандартов илитехнической документации, утвержденной в установленном порядке. Приборы должныиметь удостоверение о поверке.
2.3.2.Проведение испытаний и обработкарезультатов
2.3.2.1. Всеиспытания фотоэлементов (если это специально не оговорено) проводят притемпературе (20±5)°С.
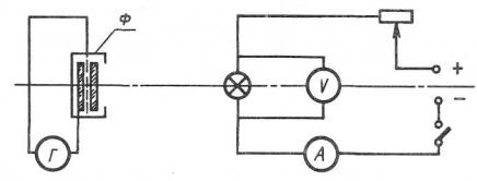
2.3.2.2. Дляизмерения интегральной чувствительности, линейности, утомляемости и определениятемпературного коэффициента собирают схему согласно черт. 1, фотоэлемент исветоизмерительную или рабочую лампу устанавливают так, чтобы плоскость нитинакала лампы и поверхность светочувствительного элемента были расположеныперпендикулярно оптической оси фотометрической установки.

Ф - фотоэлемент;Г - гальванометр
Черт. 1
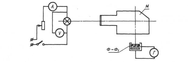
2.3.2.3. Дляопределения кривой спектральной чувствительности собирают схему согласно черт. 2.
2.3.2.4. Напряжениена светоизмерительной или рабочей лампе во время измерений должно бытьпостоянным и соответствовать значению, указанному в свидетельстве на лампу, приэтом отклонение силы тока в лампе от значения в свидетельстве не должнопревышать 0,2 % (с учетом поправки на питание измерительных приборов).
2.3.2.5. Перед началом измеренийсветоизмерительная или рабочая лампа должна быть прогрета в течение 5 мин приее рабочем напряжении.

М - монохроматор, Ф - образцовый фотоэлемент
Черт. 2
2.3.2.6. Интегральнуючувствительность (п. 1.6а) измеряют соснятым светофильтром при освещенности 1000лк на светочувствительном элементе.
Интегральную чувствительностьσи в мкА/лм вычисляют по формуле
![]()
где с - цена деленияэлектроизмерительного прибора в мкА/дел;
i - показаниеэлектроизмерительного прибора в делениях шкалы;
Ф - световой поток влюменах, определяемый по формуле
![]()
где I - сила светалампы в канделах;
S - площадь рабочейчасти светочувствительного элемента в квадратных сантиметрах;
R - расстояние междуплоскостью нити накала лампы и поверхностью светочувствительного элемента вметрах, измеренное с точностью до ±0,5 мм.
2.3.2.7. Линейность(п. 1.6б) определяют при освещенностях нафотоэлементе 50; 100; 200; 500; 1000; 1500; 2000лк и строят график. Отклонениеот прямой, построенной для освещенностей до 1000лк, не должно превышать ±5% поосям координат.
2.3.2.8.Утомляемость Кув %(п.1.6в) вычисляют по формуле
![]()
где i1 -величина фототока по истечении 5-15с с момента освещения фотоэлемента вмикроамперах;
i2 - величинафототока по истечении 10-11мин с момента освещения фотоэлемента в микроамперах.
2.3.2.9.Температурный коэффициент (п. 1.6г) определяют при нагревании (охлаждении) фотоэлемента содновременным измерением фототоков. Перед началом измерений фотоэлементвыдерживают не менее 1ч при температуре 0°С, после чего температуру повышают(понижают) до плюс 40°С (минус 20°С) с интервалами через 10°С, при этом времявыдержки сокращают на 10 мин по сравнению с предыдущим.
Температурныйкоэффициент αt, в град-1, вычисляют по формуле
![]()
где i3 -величина фототока при температуре t1, в микроамперах
i4 -величина фототока при температуре t2 в микроамперах;
Δt - разностьтемператур (tl - t2) в °С.
2.3.2.10.Относительную спектральную чувствительность фотоэлемента (п.1.7) определяют следующим образом. У выходной щелимонохроматора помещают образцовый и испытуемый фотоэлемент поочередно.
Ширина щелеймонохроматора должна быть одинаковой для обоих фотоэлементов.
Для каждогофотоэлемента замеряют величину фототока для соответствующих волн, указанных в табл. 1.
Относительнуюспектральную чувствительность испытуемого фотоэлемента
для соответствующейдлины волны в % вычисляют по формуле

где
- чувствительностьобразцового фотоэлемента для волны X в %;
i5 -величина фототока испытуемого фотоэлемента в микроамперах;
iобр - величина фототока образцовогофотоэлемента в микроамперах. По вычисленным значениям
строят кривую спектральнойчувствительности.
2.3.2.11. Интегральную чувствительность,линейность, утомляемость и относительную спектральную чувствительностьфотоэлемента проверяют не реже одного раза в год и результаты проверкизаписывают в удостоверение на селеновый фотоэлемент.
Форма удостоверения приведена в приложении.
3.1.На корпусе фотоэлемента должны бытьвыгравированы и заполнены краской:
а) товарный знак предприятия-поставщика;
б) номера фотоэлемента и светочувствительногоэлемента;
в) риска, указывающая местоположение поверхностисветочувствительного элемента;
г) знаки полярности («+»; «—») у клемм;
д) дата выпуска фотоэлемента.
3.2.Светофильтр маркируют несмываемой краской номером фотоэлемента.
3.3. Внерабочем состоянии фотоэлемент должен быть закрыт крышкой, причем выводныеконтакты должны быть соединены проводником.
3.4.Фотоэлемент обертывают парафинированной бумагой по ГОСТ 9569,предохраняющей его от сырости, а затем укладывают в футляр.
3.5.Фотоэлементы в упакованном виде допускают транспортирование их любым видомтранспорта при условии защиты от влаги и механических повреждений притемпературе окружающего воздуха от минус 50 до плюс 50ºС.
3.6.Фотоэлементы должны храниться в упакованном виде в сухих складских помещенияхпри температуре от 5 до 40ºС при отсутствии в воздухе паров кислот ищелочей
Обязательное
ФОРМА УДОСТОВЕРЕНИЯ
Удостоверение
на селеновый элемент №....
с корригирующим светофильтром
проверки ______________19 .... г.
насоответствие требованиям ГОСТ .... по световым и спектральным характеристикамлинейности, утомляемости и интегральной чувствительности.
Результаты измерений
1. График линейности фотоэлемента №………….
со светофильтром при Rn = ……...

2. Кривая спектральной чувствительности фотоэлемента №.…. скорригирующим светофильтром

3.Интегральная чувствительность фотоэлемента № ……..сосветофильтром при Rn=………
Е=……….Тц = ……..равна……..
4. Утомляемость фотоэлемента №………..при освещенности Е = …….и Rn=……….Ку=…..
5. Фотоэлемент укомплектован нейтральными фильтрами
τф1=…….
Заключение
Фотоэлемент№……… с корригирующим светофильтром пригоден для фотометрирования осветительных,сигнальных и фотоосветительных изделий при соблюдении следующих условий:
а) освещенность на светофильтре не более 2000лк;
б) сопротивление нагрузки не более 100 Ом;
в) температура окружающего воздуха от минус 20 до плюс 40°С;
г) влажность окружающего воздуха не более 80 %;
д) периодичность поверки фотоэлемента - один раз в год.
Начальник лаборатории_________________________________________________________
Руководитель группы___________________________________________________________
Измерения проводил ___________________________________________________________
«____»____________19____г.
ПРИЛОЖЕНИЕ.(Измененнаяредакция, Изм. № 1, 2).
ИНФОРМАЦИОННЫЕДАННЫЕ
1. РАЗРАБОТЧИКИ
А.И. Власов, А.Н. Столяров, Т.А. Ефименкова
2. УТВЕРЖДЕН ИВВЕДЕН В ДЕЙСТВИЕПостановлением Комитета стандартов, мер и измерительных приборов при Совете Министров СССР от 23.07.70 № 1131
3. Срок проверки - 1996 г.
4. Ссылочные нормативно-технические документы
| Обозначение НТД, на который дана ссылка | Номер пункта |
| ГОСТ 8.332-78 | |
| ГОСТ 8711-93 | |
| ГОСТ 9569-79 | |
| ГОСТ 10771-82 |
5. Ограничение срока действия снятоПостановлением Госстандарта СССР от 20.06.91 № 936
6. ПЕРЕИЗДАНИЕ (март 1998 г.) с Изменениями №1, 2, 3, утвержденным» в августе 1980 г., ноябре 1984 г., июне 1991 г. (ИУС11-80, 2-85, 9-91)