Стандарт распространяется на болты, винты, шпильки и гайки общемашиностроительного применения с резьбой от M1 до М48, а также на шурупы и самонарезающие винты (кроме размеров их резьбы), и устанавливает для них три класса точности - А, В, С и методы контроля размеров и отклонений формы и расположения поверхностей.
| Обозначение: | ГОСТ 1759.1-82* |
| Название рус.: | Болты, винты, шпильки, гайки и шурупы. Допуски. Методы контроля размеров и отклонений формы и расположения поверхностей |
| Статус: | действующий |
| Заменяет собой: | ГОСТ 1759-70 (в части допусков и методов контроля размеров и отклонений формы и расположения поверхностей) |
| Дата актуализации текста: | 01.10.2008 |
| Дата добавления в базу: | 01.02.2009 |
| Дата введения в действие: | 01.01.1983 |
| Разработан: | Министерство черной металлургии СССР |
| Утвержден: | Госстандарт СССР (29.07.1982) |
| Опубликован: | Издательство стандартов № 1982<br>ИПК Издательство стандартов № 2001<br>Стандартинформ № 2006 |
ГОСТ1759.1-82
МЕЖГОСУДАРСТВЕННЫЙ СТАНДАРТ
БОЛТЫ,ВИНТЫ, ШПИЛЬКИ, ГАЙКИ И ШУРУПЫ
ДОПУСКИ
МЕТОДЫКОНТРОЛЯ РАЗМЕРОВ И ОТКЛОНЕНИЙ ФОРМЫ
И РАСПОЛОЖЕНИЯ ПОВЕРХНОСТЕЙ
ИПКИЗДАТЕЛЬСТВО СТАНДАРТОВ
Москва
ИНФОРМАЦИОННЫЕ ДАННЫЕ
1. РАЗРАБОТАН И ВНЕСЕН Министерством черной металлургии СССР
2. УТВЕРЖДЕН И ВВЕДЕН ВДЕЙСТВИЕ Постановлением Государственного комитета СССР по стандартам от29.07.82 № 2954
3. Стандарт полностьюсоответствует СТ СЭВ 2651-80
4. ВЗАМЕН ГОСТ 1759-70 в частидопусков и методов контроля размеров и отклонений формы и расположенияповерхностей
5. ССЫЛОЧНЫЕНОРМАТИВНО-ТЕХНИЧЕСКИЕ ДОКУМЕНТЫ
| Обозначение НТД, на который дана ссылка | Номер пункта |
| ГОСТ 8.010-90 | |
| ГОСТ 10753-86 | |
| ГОСТ 11284-75 | |
| ГОСТ 12414-94 | |
| ГОСТ 19256-73 | |
| ГОСТ 24997-81 | |
| ГОСТ 25069-81 | |
| ГОСТ 25670-83 |
6. ИЗДАНИЕ(май 2001 г.) с Изменением № 1, утвержденным в сентябре 1988 г. (ИУС 12-88)
МЕЖГОСУДАРСТВЕННЫЙ СТАНДАРТ
| Болты, винты, шпильки, гайки и шурупы ДОПУСКИ Методы контроля размеров и отклонений формы и расположения поверхностей Bolts, screws, studs and nuts. Tolerances. Control methods | ГОСТ |
Датавведения 01.01.83
Настоящий стандарт распространяется на болты, винты, шпильки и гайки общемашиностроительногоприменения с резьбой от M1 до М48,а также на шурупы и самонарезающие винты (кроме размеров их резьбы), иустанавливает для них три класса точности - А, В, С и методы контроля размерови отклонений формы и расположения поверхностей.
Стандарт полностью соответствует СТ СЭВ 2651-80.
1.1. Поля допусков наружных и внутренних резьб должны соответствоватьуказанным в табл. 1.
До 1 января 1990 г. для изделий классов точности А и В первой категориикачества допускались поля допусков резьбы, соответствующие классу точности С.
1.2. Под нанесение металлических покрытий повышенной толщиныдопускается применять поля допусков резьб, не приведенные в табл. 1.
Таблица 1
мм
| Поле допуска резьбы для крепежных изделий класса точности | Примечания | ||||
| А | В | С | |||
| Наружная | 6g | 6g | 8g | - | |
| Внутренняя | 6Н | 6Н | 7Н | 1. Для гаек от МЗ высотой m ³ 0,8d допуски внутреннего диаметра должны быть выдержаны на участке т1³ 0,5т 2. Для гаек высотой 0,5d £ m < 0,8d допуски внутреннего диаметра должны быть выдержаны на участке т2 ³ 0,35т 3. У самоконтрящихся гаек внутренний диаметр может превышать допустимые значения на участке т3 £ 0,35т от нагруженного торца |
|
2.1. Допуски размеров, допуски расположения исуммарные допуски формы и расположения поверхностей должны соответствоватьуказанным в табл. 2.
Таблица 2
мм
| Обозначение размера или допуска | Наименование размера или допуска | Обозначение размера, служащего для определения числового значения допуска расположения | Поля допусков и допуски для изделий класса точности | ||||
| А | В | С | |||||
| 1. Шестигранные головки
| s | Размер под ключ | - | h13 при S £ 32 h14 » S > 32 | h14 при S £ 19 h15 » 19 < S £ 60 h16 » S > 60 | ||
| k | Высота головки | - | js14 | js15 | js16 при k < 10 js17 » k ³ 10 | ||
| е | Диаметр описанной окружности | - | е ³ 1,13Smin | ||||
| Ls | Допуск симметричности головки относительно оси стержня в диаметральном выражении | S | 2IT13 | 2IT14 | 2IT15 | ||
| Lp | Допуск параллельности граней относительно оси стержня | k | 0,0175k (соответствует 1°) | 0,0349k (соответствует 2°) | |||
| LR | Допуск перпендикулярности опорной поверхности головки относительно оси стержня | S | Для болтов с d £ М30 | ||||
| 0,0175 ´ 0,85S (соответствует 1°) Для болтов с d > N | 0,0349 ´ 0,8S (соответствует 2°) | ||||||
| Для болтов с d > М30 | |||||||
| 0,0087 ´ 0,8S (соответствует 0°30¢) | 0,0175 ´ 0,8S (соответствует 1°) | ||||||
| 2. Цилиндрические головки
| D | Диаметр головки | - | h12 | h14 | h15 | |
| k | Высота головки | - | h13 при d £ М5 h14 при d > М5 | h14 | h15 | ||
| Lk | Допуск соосности головки относительно оси стержня в диаметральном выражении | D | 2IT13 | 2IT14 | 2IT15 | ||
| LR | Допуск перпендикулярности опорной поверхности головки относительно оси стержня | D | 0,0175 ´ 0,8D (соответствует 1°) | 0,0349 ´ 0,8D (соответствует 2°) | |||
| 3. Квадратные головки
| S | Размер под ключ | - | h13 | h14 | - | |
| k | Высота головки | - | js14 | js15 | - | ||
| e | Диаметр описанной окружности | - | h16 | - | |||
| d1 | Диаметр буртика | - | h15 | - | |||
| k1 | Высота буртика | - | h14 | - | |||
| Ls | Допуск симметричности головки относительно оси стержня в диаметральном выражении | S | 2IT13 | 2IT14 | - | ||
| LR | Допуск перпендикулярности опорной поверхности буртика относительно оси стержня | d1 | 0,0175 ´ 0,8d1 (соответствует 1°) | - | |||
| 4. Потайные головки
| D | Диаметр головки | - | h14 | h15 для головки со шлицем; js16 для головки без шлица | ||
| LB | Допуск биения в заданном направлении | D | 2IT13 | 2IT14 | 2IT15 | ||
| LR | Допуск перпендикулярности торца головки относительно оси стержня | D | 0,0175 ´ 0,8D (соответствует 1°) | 0,0349 ´ 0,8D (соответствует 2°) | |||
| а | Угол потая | - | +2° | +3° | +5° | ||
| 5. Полупотайные головки
| D | Диаметр головки | - | h14 | h15 для головки со шлицем; js16 для головки без шлица | ||
| LB | Допуск биения в заданном направлении | D | 2IT13 | 2IT14 | 2IT15 | ||
| а | Угол потая | - | +2° | +3° | +5° | ||
| 6. Полукруглые головки
| D | Диаметр головки | - | h14 | js15 | js16 | |
| k | Высота головки | - | js14 | ±0,08 при k £ 1; js15 при k > 1 | js16 | ||
| Lk | Допуск соосности головки относительно стержня в диаметральном выражении | D | 2IT13 | 2IT14 | 2IT15 | ||
| LR | Допуск перпендикулярности опорной поверхности головки относительно оси стержня | D | 0,0175 ´ 0,8D (соответствует 1°) | 0,0349 ´ 0,8D (соответствует 2°) | |||
| 7. Накатанные головки
| D | Диаметр головки | - | h15 | - | ||
| d1 | Диаметр подголовка | - | h14 | - | |||
| h | Высота головки с подголовком | - | h15 | - | |||
| k | Высота головки без подголовка | - | h14 | h15 | - | ||
| Lk | Допуск соосности головки относительно стержня в диаметральном выражении | D | 2IT13 | 2IT14 | - | ||
| 8. Специальные элементы головок
| v | Ширина уса | - | - | - | h16 | |
| v | Размер стороны квадратного подголовка | - | - | - | js16 | ||
| 9. Прямой и крестообразный шлицы для всех видов головок и для установочных винтов
| п | Ширина шлица | - | С13 при n £ 1 С14 » n > 1 | |||
| Ls | Допуск симметричности шлица относительно оси стержня в диаметральном выражении | d | 2IT13 | 2IT14 | |||
| 10. Внутренний шестигранник для всех видов головок и для установочных винтов
| S | Размер под ключ внутреннего шестигранника | - | D11 (для установочных винтов) D12 | D12 при S < 12 D13 » S ³ 12 | - | |
| e | Диаметр описанной окружности | - | е ³ 1,14Smin | ||||
| Ls | Допуск симметричности внутреннего шестигранника относительно оси стержня в диаметральном выражении | d | 2IT13 | 2IT14 | - | ||
| 11. Концы установочных винтов
| Lk | Допуск соосности цилиндрической цапфы относительно резьбы в диаметральном выражении | d | 2IT13 | 2IT14 | - | |
| LB | Допуск биения в заданном направлении наружного или внутреннего конуса относительно оси резьбы | d | 2IT13 | 2IT14 | - | ||
| LR | Допуск перпендикулярности торца цилиндрической цапфы относительно оси резьбы | d1 | 0,0175 ´ 0,8d1 (соответствует 1°) | - | |||
| 12. Стержни болтов и винтов
| d1 | Диаметр гладкой части стержня, равный номинальному диаметру резьбы | - | h13 | h14 | h15 | |
| l | Длина стержня | - | js15 | js17 | js17 для l £ 150 2js17 » l > 150 | ||
| b | Длина резьбы | - | плюс 2 шага резьбы (+2Р) | ||||
| L1 | Расстояние от опорной поверхности головки до оси отверстия в стержне | - | + IT14 | ||||
| d3 | Диаметр отверстия в стержне | - | Н14 | ||||
| Ls или LA | Допуск симметричности отверстия в стержне относительно оси резьбы в диаметральном выражении или допуск пересечения осей резьбы и отверстия в стержне в диаметральном выражении | d | 2IT13 | 2IT14 | 2IT15 | ||
| Lk | Допуск соосности резьбы и стержня в диаметральном выражении | d | 2IT13 | 2IT14 | 2IT15 | ||
| LR | Допуск перпендикулярности оси отверстия в стержне относительно оси резьбы | d | 0,025d | 0,05d | |||
| 13. Шпильки
| d1 | Диаметр гладкой части шпильки | - | h13 | h14 | ±IT15 | |
| l | Длина шпильки | - | js15 | js17 | js17 для l £ 150 ±IT17 » l > 150 | ||
| b | Длина гаечного конца | - | плюс 2 шага резьбы (+2Р) | ||||
| b1 | Длина ввинчиваемого резьбового конца | - | js16 | js17 | |||
| Lk | Допуск соосности гаечного и ввинчиваемого концов в диаметральном выражении | - | 2IT13 | 2IT14 | 21T15 | ||
| 14. Шестигранные гайки
| S | Размер под ключ | - | h13 при S £ 32 h14 » S > 32 | h14 при S £ 19 h15 » 19 < S £ 60 h16 » S > 60 | ||
| т | Высота гайки | - | h13 при m < 1 h14 » m ³ 1 | h16 | h17 | ||
| m1 | Расстояние от опорной поверхности до основания коронки | - | h14 | h16 | h17 | ||
| h | Высота корончатой гайки | - | h14 | h16 | h17 | ||
| f | Расстояние от опорной поверхности до основания прорези | - | h14 | h16 | h17 | ||
| п | Ширина прорези | - | Н14 | Н15 | |||
| D2 | Диаметр коронки | - | h14 | h15 | h16 | ||
| e | Диаметр описанной окружности | - | е ³ 1,13Smin | ||||
| LS1 | Допуск симметричности шестигранника (размера под ключ) относительно оси отверстия в диаметральном выражении | S | 2IT14 | 2IT15 | |||
| LS2 | Допуск симметричности прорези относительно оси резьбы в диаметральном выражении | d | 2IT13 | 2IT14 | 2IT15 | ||
| LR1 | Допуск перпендикулярности граней относительно опорной поверхности гайки | т | 0,0175m (соответствует 1°) | 0,0349m (соответствует 2°) | |||
| LR2 | Допуск перпендикулярности опорных поверхностей гайки относительно оси резьбы | S | 0,0175 ´ 0,8S (соответствует 1°) | 0,0262 ´ 0,8S (соответствует 1°30¢) | 0,0349 ´ 0,8S (соответствует 2°) | ||
| 15. Круглые гайки
| т | Высота гайки | - | h14 | h16 | js16 | |
| D | Диаметр гайки | - | h14 | h15 | |||
| LR | Допуск перпендикулярности опорных поверхностей гайки относительно оси резьбы | D | 0,0175 ´ 0,8D (соответствует 1°) | 0,0349 ´ 0,8D (соответствует 2°) | |||
| Lk | Допуск соосности наружного цилиндра относительно отверстия в диаметральном выражении | D | 2IT14 | 2IT15 | |||
| 16. Квадратные гайки
| S | Размер под ключ | - | h13 при S £ 32 h14 » S > 32 | h14 при S £ 19 h15 » 19 < S £ 60 h16 » S > 60 | ||
| т | Высота гайки | - | h14 | h15 при m £ 30 h16 » m > 30 | h14 | ||
| е | Диаметр описанной окружности | - | e ³ 1,3Smin | ||||
| LS | Допуск симметричности квадрата (размера под ключ) относительно оси отверстия в диаметральном выражении | S | 2IT14 | 2IT15 | |||
| LR1 | Допуск перпендикулярности граней относительно опорной поверхности | т | 0,0175m (соответствует 1°) | 0,0349m (соответствует 2°) | |||
| LR2 | Допуск перпендикулярности опорных поверхностей гайки относительно оси резьбы | S | 0,0175 ´ 0,8S (соответствует 1°) | 0,0262 ´ 0,8S (соответствует 1°30¢) | 0,0349 ´ 0,8S (соответствует 2°) | ||
Примечания:
1. База - только гладкая или толькорезьбовая поверхность стержня. Длина базы равна d. Допускается длину базы на гладкой части стержняуменьшать до трех шагов резьбы (3Р), если длина гладкой части меньше d.
2. Для болтов и винтов с фланцами (буртиками), а такжедля изделий, у которых шестигранная головка образуется холодной штамповкой безприменения операции обсечки, диаметр описанной окружности e ³ 1,12Smin.
3. При выполнении резьбы накатываниембез редуцирования предельные отклонения диаметра гладкой части стержня - по ГОСТ19256.
4. Допуски на размеры концовустановочных винтов указаны в ГОСТ 12414.
(Измененная редакция, Изм. № 1).
При определении допусков перпендикулярности и параллельностиповерхностей в формулы табл. 2 подставляют номинальные значения соответствующихразмеров и полученные величины допусков округляют до второго знака послезапятой.
Примечание. Числовые значениядопусков и предельных отклонений, соответствующие обозначениям допусков и полейдопусков в тексте и в табл. 2 стандарта, приведены в справочном приложении.
2.2. Неуказанные предельные отклонения размеров - по ГОСТ 25670: класс точности«средний» - для изделий класса точности А и В; класс точности «очень грубый» -для изделий класса точности С.
(Измененная редакция, Изм. № 1).
2.3. Неуказанные допуски и формы расположенияповерхности - по ГОСТ 25069.
(Введен дополнительно, Изм. № 1).
3.1. Размеры и расположение поверхностей изделийдолжны контролироваться универсальными измерительными инструментами,предельными калибрами, шаблонами, контрольными матрицами и другими средствами,аттестованными совместно с методиками измерения в порядке, установленном ГОСТ8.010*.
_________
* На территории Российской Федерации действует ГОСТР 8.563-96.
При контроле размеров изделий допуски и предельные отклонения, заданныес точностью до 0,001 мм, должны округляться до 0,01 мм.
Размеры, не ограниченные предельными отклонениями, не контролируются.Выполнение их должно гарантироваться технологическим процессом изготовления.
3.2. Размеры резьбы должны проверяться предельнымикалибрами по ГОСТ24997.
Допускается навинчивание (ввинчивание) калибра НЕ до прохождения;
отверстия под шплинт на стержневых изделиях;
концевых витков неполного профиля;
прорезей в прорезных и корончатых гайках.
Допускается навинчивание (ввинчивание) калибра ПР динамометрическимключом с моментом, равным 0,06d в Н×м.
3.3. Размер под ключ и диаметр описанной окружности шестигранника иквадрата, а также диаметра цилиндрической головки винта контролируют в средней(по высоте) части гайки или головки изделия на участке, равном половине ихвысоты.
3.2; 3.3. (Измененная редакция, Изм. № 1).
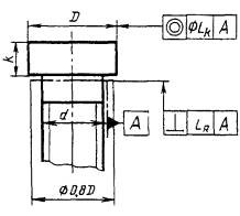
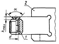
3.4. Высота потайной головки измеряется при помощиприспособления, показанного на черт. 1.
При этом размеры скобы и втулки должны соответствовать крепежномуизделию с номинальным размером d, углом а и максимальным размером k.
Диаметр отверстия контрольной втулки должен приниматься по 2-му ряду ГОСТ11284.
Допускаются другие методы контроля.
(Измененная редакция, Изм. № 1).
3.5. Глубина и ширина прямого шлица в изделиях должны измеряться по осистержня, при этом ширина шлица определяется у его основания.
3.6. Проверка крестообразных шлицев - по ГОСТ 10753 .
3.7. Длина болта, винта, шпильки при косом срезе торца стержня должнапроверяться по длинной стороне стержня.
3.8. Отклонение от симметричности L¢s шестигранных и квадратных головок относительно осистержня, отклонение от соосности L¢k круглых головок относительностержня, отклонение от симметричности L¢s шестигранника и квадрата относительно оси отверстияв гайке и отклонение от соосности L¢k наружного цилиндра относительно отверстия в круглойгайке в соответствии с черт. 2 должны определяться по формуле
L¢s (L¢k) = f1 - f2.
1 - втулка калибра; 2 - скоба калибра или индикатор
Черт. 1
Черт. 2
3.9. Отклонение от перпендикулярности опорной поверхности головки болтаили винта относительно оси стержня проверяют щупом, измеряя просвет между опорнойповерхностью головки и торцовой поверхностью контрольной матрицы. При этомдиаметр отверстия в контрольной матрице должен быть выполнен с полем допуска D11, а высота матрицы должна быть неменее двух диаметров стержня изделия.
Отклонение от перпендикулярности опорных поверхностей гайкиотносительно оси резьбы проверяют щупом, измеряя просвет между каждой опорнойповерхностью гайки и торцом контрольного кольца, навинченных на резьбовуюоправку до соприкосновения между собой. Точность резьбы контрольного кольца иоправки должна соответствовать точности резьбы проверяемого изделия.
Допускается проверка отклонения перпендикулярности опорных поверхностейизделий по величине торцового биения с измерением индикаторными приборами.
(Измененная редакция, Изм. № 1).
3.9а. Отклонение от перпендикулярности граней шестигранника и квадратагайки относительно опорной поверхности проверяют угловым шаблоном.
Допускается проверка перпендикулярности граней контролем индикаторнымиприборами радиального биения.
(Введен дополнительно, Изм. № 1).
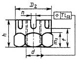
3.10. Отклонение от симметричности L¢s шлица или шестигранного углубления (внутреннегошестигранника) относительно оси стержня в соответствии с черт. 3 должноопределяться по формуле
L¢s =f1 - f2
Черт. 3
3.11. Отклонение симметричности прорезей в корончатых и прорезныхгайках относительно оси резьбы проверяют калибром (черт. 4), резьбакоторого должна быть выполнена по размерам калибра ПР проверяемой гайки, адиаметр штифта равен условному диаметру шплинта.
Черт. 4
Форма основания прорезей не контролируется
Ширина прорези калибра должна быть равна диаметру штифта плюс допусксимметричности прорези гайки относительно оси в диаметральном выражении.
(Измененная редакция, Изм. № 1).
3.12. Отклонение прямолинейности шпилек и стержнейболтов и винтов проверяют косвенно, по свободному вхождению стержня вконтрольную матрицу и повороту в ней изделия вокруг оси на один оборот. Отверстиев матрице должно быть выполнено по первому ряду ГОСТ 11284 дляболтов, винтов и шпилек классов точности А и В и по второму ряду для болтовкласса точности С; глубина (длина) отверстия в матрице должна быть не менеедлины стержня проверяемого изделия.
Допускается проверять отклонение прямолинейности стержня прокаткой егочерез щель, длина которой не менее длины стержня, а ширина (высота) равнадиаметру отверстия в контрольной матрице.
мм
| Интервалы размеров | Допуски | Поля допусков валов | ||||||||
| IT13 | IT14 | IT15 | IT17 | h12 | h13 | h14 | h15 | h16 | h17 | |
| Менее 1 | - | - | - | - | - | 0 -0,14 | - | - | - |
|
| От 1 до 3 | 0,14 | 0,25 | 0,40 | 1,0 | 0 -0,10 | 0 -0,14 | 0 -0,25 | 0 -0,40 | 0 -0,60 | 0 -1,0 |
| Св. 3 » 6 | 0,18 | 0,30 | 0,48 | 1,2 | 0 -0,12 | 0 -0,18 | 0 -0,30 | 0 -0,48 | 0 -0,75 | 0 -1,2 |
| » 6 » 10 | 0,22 | 0,36 | 0,58 | 1,5 | 0 -0,15 | 0 -0,22 | 0 -0,36 | 0 -0,58 | 0 -0,90 | 0 -1,5 |
| » 10 » 18 | 0,27 | 0,43 | 0,70 | 1,8 | 0 -0,18 | 0 -0,27 | 0 -0,43 | 0 -0,70 | 0 -1,10 | 0 -1,8 |
| » 18 » 30 | 0,33 | 0,52 | 0,84 | 2,1 | 0 -0,21 | 0 -0,33 | 0 -0,52 | 0 -0,84
| 0 -1,30 | 0 -2,1 |
| » 30 » 50 | 0,39 | 0,62 | 1,00 | 2,5 | 0 -0,25 | 0 -0,39 | 0 -0,62 | 0 -1,00 | 0 -1,60 | 0 -2,5 |
| » 50 » 80 | 0,46 | 0,74 | 1,20 | 3,0 | 0-0,30 | 0 -0,46 | 0 -0,74 | 0 -1,20 | 0 -1,90 | 0 -3,0
|
| » 80 » 120 | 0,54 | 0,87 | 1,4 | 3,5 | 0 -0,35 | - | - | 0 -1,40 | - | 0 -3,5 |
| » 120 » 180 | 0,63 | 1,00 | 1,6 | 4,0 | - | - | - | - | - | 0 -4,0 |
| » 180 » 250 | 0,72 | 1,15 | 1,85 | 4,6 | - | - | - | - | - | 0 -4,6 |
| »250 » 315 | 0,81 | 1,30 | 2,10 | 5,2 | - | - | - | - | - | 0 -5,2 |
Продолжение
мм
| Интервалы размеров | Поля допусков валов | Поля допусков отверстий | |||||||||
| js14 | js15 | js16 | js17 | Н14 | Н15 | С13 | С14 | D11 | D12 | D13 | |
| Менее 1 | - | - | - | - | - | - | +0,20 +0,06 | - | - | - | - |
| От 1 до 3 | ±0,125 | ±0,200 | ±0,300 | ±0,50 | +0,25 0 | +0,40 0 | +0,20 +0,06 | +0,31 +0,06 | +0,080 +0,020 | +0,120 +0,020 | +0,160 +0,020 |
| Св. 3 » 6 | ±0,150 | ±0,240 | ±0,375 | ±0,60 | +0,30 0 | +0,48 0 | - | +0,37 +0,07 | +0,105 +0,030 | +0,150 +0,030 | +0,210 +0,030 |
| » 6 » 10 | ±0,180 | ±0,290 | ±0,450 | ±0,75 | +0,36 0 | +0,58 0 | - | - | +0,130 +0,040 | +0,190 +0,040 | +0,260 +0,040 |
| » 10 » 18 | ±0,215 | ±0,350 | ±0,550 | ±0,90 | - | +0,70 0 | - | - | +0,160 +0,050 | +0,230 +0,050 | +0,320 +0,050 |
| » 18 » 30 | ±0,260 | ±0,420 | ±0,650 | ±1,05 | - | +0,84 0 | - | - | - | +0,275 +0,065 | +0,395 +0,065 |
| » 30 » 50 | ±0,310 | ±0,500 | ±0,800 | ±1,25 | - | + 1,00 0 | - | - | - | +0,330 +0,080 | +0,470 +0,080 |
| » 50 » 80 | ±0,370 | ±0,600 | ±0,950 | ±1,50 | - | + 1,20 0 | - | - | - | - | +0,560 +0,100 |
| » 80 » 120 | ±0,435 | ±0,700 | ±1,100 | ±1,75 | - | - | - | - | - | - | +0,660 +0,120 |
| » 120 » 180 | ±0,500 | ±0,800 | ±1,250 | ±2,00 | - | - | - | - | - | - | - |
| » 180 » 250 | ±0,575 | ±0,925 | ±1,450 | ±2,30 | - | - | - | - | - | - | - |
| »250 » 315 | ±0,650 | ±1,050 | ±1,600 | ±2,60 | - | - | - | - | - | - | - |
ПРИЛОЖЕНИЕ. (Измененнаяредакция, Изм. № 1).
СОДЕРЖАНИЕ
| 2. Допуски размеров, формы и расположения поверхностей. 2 Приложение Числовые значения допусков и предельных отклонений, соответствующие полям допусков. 11 |