Стандарт распространяется на свинцово-сурьмянистые сплавы, изготовляемые в виде чушек и блоков, предназначенные для производства оболочек кабелей, аккумуляторов и изделий общего назначения, и устанавливает требования к свинцово-сурьмянистым сплавам, изготовляемым для нужд народного хозяйства и экспорта.
| Обозначение: | ГОСТ 1292-81* |
| Название рус.: | Сплавы свинцово-сурьмянистые. Технические условия |
| Статус: | действующий |
| Заменяет собой: | ГОСТ 1292-74 |
| Дата актуализации текста: | 01.10.2008 |
| Дата добавления в базу: | 01.02.2009 |
| Дата введения в действие: | 01.01.1982 |
| Разработан: | Министерство цветной металлургии СССР |
| Утвержден: | Госстандарт СССР (30.06.1981) |
| Опубликован: | ИПК Издательство стандартов № 2000<br>Издательство стандартов № 1981 |
ГОСТ 1292-81
МЕЖГОСУДАРСТВЕННЫЙ СТАНДАРТ
СПЛАВЫСВИНЦОВО-СУРЬМЯНИСТЫЕ
ТЕХНИЧЕСКИЕУСЛОВИЯ
Е
ИПК ИЗДАТЕЛЬСТВОСТАНДАРТОВ
Москва
ИНФОРМАЦИОННЫЕДАННЫЕ
1. РАЗРАБОТАН ИВНЕСЕН Министерством цветной металлургии СССР
РАЗРАБОТЧИКИ
А.Сычев, д-р техн. наук; Л.И. Зеленская,канд. техн. наук; Г.А. Калачева; В.Солдатенко; Л.А. Володина; Е.Ф.Сальникова
2.УТВЕРЖДЕН И ВВЕДЕН В ДЕЙСТВИЕ Постановлением Государственного комитета СССР постандартам от 30.06.81 № 3259
Изменение№ 4 принято Межгосударственным Советом по стандартизации, метрологии исертификации
ЗарегистрированоТехническим секретариатом МГС № 2152
За принятиеизменения проголосовали:
| Наименование государства | Наименование национального органа по стандартизации |
| Азербайджанская Республика | Азгосстандарт |
| Республика Беларусь | Госстандарт Беларуси |
| Республика Казахстан | Госстандарт Республики Казахстан |
| Киргизская Республика | Киргизстандарт |
| Республика Молдова | Молдовастандарт |
| Туркменистан | Главная государственная инспекция Туркменистана |
3. ВЗАМЕН ГОСТ 1292-74
4.ССЫЛОЧНЫЕ НОРМАТИВНО-ТЕХНИЧЕСКИЕ ДОКУМЕНТЫ
| Обозначение НТД, на который дана ссылка | Номер пункта |
| ГОСТ 12.1.005-88 | |
| ГОСТ 12.1.007-76 | |
| ГОСТ 12.1.016-79 | |
| ГОСТ 1293.0-83 - ГОСТ 1293.5-83 | |
| ГОСТ 1293.6-78 | |
| ГОСТ 1293.7-83 | |
| ГОСТ 1293.8-78 | |
| ГОСТ 1293.9-78 | |
| ГОСТ 1293.10-83 - ГОСТ 1293.14-83 | |
| ГОСТ 3282-74 | |
| ГОСТ 3560-73 | |
| ГОСТ 4152-89 | |
| ГОСТ 13348-74 | |
| ГОСТ 14192-96 | |
| ГОСТ 18293-72 | |
| ГОСТ 19433-88 | |
| ГОСТ 21399-75 | |
| ГОСТ 22235-76 | |
| ГОСТ 22477-77 | |
| ГОСТ 24231-80 |
5. Ограничение срокадействия снято по протоколу № 7-95 Межгосударственного Совета постандартизации, метрологии и сертификации (ИУС 11-95)
6. ИЗДАНИЕ (март 2000 г.) с Изменениями№ 1, 2, 3, 4, утвержденными в апреле 1986 г., марте 1989 г., декабре1990 г., январе 1999 г. (ИУС 8-86, 6-89, 4-91, 4-99)
МЕЖГОСУДАРСТВЕННЫЙСТАНДАРТ
| СПЛАВЫ СВИНЦОВО-СУРЬМЯНИСТЫЕ Технические условия Lead-antimony alloys. Specifications | ГОСТ |
Дата введения 01.01.82
Настоящий стандартраспространяется на свинцово-сурьмянистые сплавы, изготовляемые в виде чушек иблоков, предназначенные для производства оболочек кабелей, аккумуляторов иизделий общего назначения, и устанавливает требования к свинцово-сурьмянистымсплавам, изготовляемым для нужд народного хозяйства и экспорта.
(Измененная редакция, Изм. № 2).
| Обозначение марок сплавов | Химический состав, % | |||||||||||
| Массовая доля основных компонентов | Массовая доля примеси, не более | |||||||||||
| Сурьма | Медь | Олово | Мышьяк | Свинец | Медь | Мышьяк | Олово | Висмут | Цинк | Железо | Всего | |
| PbSb0,2 SnCu | От 0,15 до 0,30 | От 0,02 до 0,05 | От 0,35 до 0,5 Те | Те до 0,005 | Остальное | - | 0,002 | - | 0,03 | 0,003 | 0,003 | 0,10 |
| ССуМТ | От 0,3 до 0,45 | От 0,02 до 0,05 | От 0,03 до 0,05 | - | - | 0,005 | 0,005 | 0,05 | 0,005 | 0,005 | 0,10 | |
| ССу | От 0,4 до 0,6 | - | - | - | 0,002 | 0,005 | 0,005 | 0,05 | 0,005 | 0,005 | 0,10 | |
| ССуМ | От 0,4 до 0,6 | От 0,02 до 0,05 | - | - | - | 0,005 | 0,005 | 0,05 | 0,005 | 0,005 | 0,10 | |
| PbSb0,9 | От 0,6 до 1,2 | - | - Se | - | 0,02 | 0,005 | 0,005 | 0,06 | 0,005 | 0,005 | 0,10 | |
| PbSb2,5AsSe | От 2,4 до 2,9 | - | От 0,015 до 0,035 | От 0,06 до 0,13 | 0,02 | - | 0,01 | 0,02 | 0,002 | 0,005 | 0,10 | |
| ССу2 | От 2,5 до 3,5 | - | - | - | 0,1 | 0,03 | 0,2 | 0,05 | 0,002 | 0,01 | 0,30 | |
| УСМ | От 3,0 до 4,0 | - | - | От 0,15 до 0,3 | 0,02 | - | 0,01 | 0,03 | 0,001 | 0,005 | 0,10 | |
| Ссу3 | До 5,0 | - | - | - | 0,2 | 0,03 | Не ограничивается | 0,05 | 0,03 | 0,01 | 0,4 | |
| PbSb4 | От 3,8 до 4,4 | - | - | - | 0,02 | 0,02 | 0,01 | 0,03 | 0,002 | 0,005 | 0,10 | |
| PbSb5 | От 4,5 до 5,5 | - | - | - | 0,02 | 0,01 | 0,01 | 0,04 | 0,002 | 0,005 | 0,08 | |
| PbSb5,5 | От 5,0 до 6,0 | - | - | - | 0,05 | 0,01 | 0,01 | 0,05 | 0,002 | 0,005 | 0,15 | |
| УС | От 5,0 до 6,0 | - | - | От 0,08 до 0,2 | 0,06 | - | 0,01 | 0,03 | 0,001 | 0,005 | 0,15 | |
| PbSb6,5 | От 6,0 до 7,0 | - | - | - | 0,05 | 0,02 | 0,01 | 0,03 | 0,002 | 0,005 | 0,15 | |
| ССуА | От 2,0 до 7,0 | - | - | - | 0,2 | 0,05 | 0,01 | 0,03 | 0,001 | 0,005 | 0,30 | |
| ССу8 | От 7,0 до 8,5 | - | - | - | 0,002 | 0,005 | 0,01 | 0,03 | 0,002 | 0,005 | 0,10 | |
| Ссу10 | От 9,0 до 12,0 | - | - | - | 0,002 | 0,005 | 0,01 | 0,03 | 0,002 | 0,005 | 0,10 | |
Примечания:
1. В сплаве марки УСМ, применяемойдля изготовления дроби, массовая доля основного компонента - мышьяка должнабыть от 0,4 % до 0,7 %.
2. Допускаетсяизготовление сплава марки PbSb 0,9, легированного медью с массовой долей от 0,02 до 0,06%. К обозначению марки такого сплава добавляется обозначение Cu.
(Измененнаяредакция, Изм. № 3).
1.2. Всвинцово-сурьмянистых сплавах, предназначенных для производства оболочеккабелей, массовая доля серебра не должна быть более 0,002 %, суммы кальция,магния и натрия - не более 0,04 %, никеля - не более 0,002 %.
1.3. Всвинцово-сурьмянистых сплавах, предназначенных для производства аккумуляторов, массоваядоля серебра не должна быть более 0,02 %, натрия - не более 0,0013 %, магния -не более 0,002 %, никеля - не более 0,001 %.
1.4. Всвинцово-сурьмянистых сплавах марок УС и ССуА в качестве основного компонентадопускается олово, содержание которого устанавливается по согласованиюизготовителя с потребителем.
1.5.Применяемость свинцово-сурьмянистых сплавов по маркам дана в приложении 1.
Коды ОКПприведены в приложении 2.
(Измененная редакция, Изм. № 1).
2.1.Свинцово-сурьмянистые сплавы изготовляют в соответствии с требованияминастоящего стандарта по технологическому регламенту, утвержденному вустановленном порядке.
Свинцово-сурьмянистыесплавы изготовляют в виде чушек с плоским основанием или в видевзаимозамыкаемой формы массой не более 40 кг и блоков массой 1000 кг ± 10 %.
Масса блоковможет быть изменена по согласованию изготовителя с потребителем.
(Измененнаяредакция, Изм. № 1, 2).
2.2. Поверхностьчушек и блоков не должна иметь порошкообразных окислов, шлаков и другихвключений. На поверхности чушек и блоков допускаются цвета побежалости.
(Измененная редакция, Изм. № 2).
Свинцово-сурьмянистыесплавы пожаро-взрывобезопасны.
При плавке,разливе, отборе и подготовке проб свинцово-сурьмянистых сплавов вредныевещества, содержащиеся в них, могут поступать в организм в виде аэрозолей черезорганы дыхания, желудочно-кишечный тракт, кожу и вызывать поражения нервной,кровеносной и сердечно-сосудистой систем, верхних дыхательных путей,желудочно-кишечного тракта, печени, почек, глаз и кожи, обменные и эндокринныенарушения.
(Измененнаяредакция, Изм. № 1, 2).
3.2. Общие санитарно-гигиенические требования к воздуху рабочейзоны производственных помещений должны соответствовать требованиям ГОСТ 12.1.005 .
Предельнодопустимые концентрации в воздухе рабочей зоны производственных помещенийсвинца - 0,01/0,005 мг/м3; сурьмы - 0,5/0,2 мг/м3;мышьяковистого ангидрида (по мышьяку) - 0,04/0,01 мг/м3 и теллура -0,01 мг/м3 по ГОСТ12.1.005.
Предельнодопустимая концентрация свинца (Рb+2) в питьевойводе -0,1 мг/л, мышьяка (As3+; 5+) = 0,05 мг/л -по НД.
Анализ питьевойводы на содержание свинца (Рb+2) долженпроводиться по ГОСТ18293, мышьяка - по ГОСТ4152.
Концентрациювредных веществ в воздухе рабочей зоны определяют в соответствии с правилами,утвержденными Минздравом СССР и ГОСТ12.1.016.
3.2, 3.2.1.(Измененная редакция, Изм. № 3).
3.3. Утилизация,обезвреживание и уничтожение свинцово-сурьмянистых сплавов производится всоответствии с нормативно-технической документацией, согласованной с Министерствомздравоохранения СССР.
3.4 - 3.11. (Исключены, Изм. № 3).
4.1. Чушки иблоки свинцово-сурьмянистых сплавов принимают партиями. Партия должна состоятьиз чушек или блоков одной марки сплава и оформлена одним документом о качестве.Документ о качестве должен содержать:
- товарный знакили наименование и товарный знак предприятия-изготовителя;
- наименованиепродукта и марку сплава;
- номер партии иномера плавок, входящих в партию;
- массу (нетто)партии;
- результатыхимического анализа каждой плавки;
- датуизготовления (для сплавов, предназначенных на длительное хранение);
- обозначениенастоящего стандарта.
(Измененнаяредакция, Изм. № 1).
4.2. Дляконтроля соответствия качества свинцово-сурьмянистых сплавов требованиямнастоящего стандарта проводят приемо-сдаточные испытания на соответствиетребованиям п.п. 1.1 - 1.4.
4.3. Дляконтроля массы и химического состава отбирают каждую тридцатую чушку, но неменее двух чушек, или один блок из партии массой до 6 т и каждую пятидесятуючушку или один блок из партии массой свыше 6 т.
Напредприятии-изготовителе допускается отбор проб от жидкого металла равномерно вначале, середине и конце разлива плавки.
Содержаниепримеси натрия, кальция, магния, висмута, никеля, железа и мышьяка изготовительопределяет по требованию потребителя.
(Измененнаяредакция, Изм. № 1).
4.4. Контролюкачества поверхности подвергают каждую чушку и блок свинцово-сурьмянистыхсплавов.
4.5. Приполучении неудовлетворительных результатов испытаний по химическому составупроводят повторные испытания на удвоенной выборке, взятой от той же партии.Результаты повторных испытаний распространяются на всю партию.
5.2. Пробу отжидкого металла отливают в виде стержней диаметром 7 - 10 мм и длиной 70 - 100мм. Масса объединенной пробы должна быть не менее 1 кг.
Допускаетсяпробу от жидкого металла отливать в виде диска диаметром 42 - 66 мм и толщиной14 - 16 мм или цилиндра диаметром 38 - 42 мм и толщиной 35 - 40 мм.
(Измененнаяредакция, Изм. № 4).
Допускаетсяприменение других методов определения химического состава, по точности неуступающих указанным в стандарте.
Привозникновении разногласий в определении химического составасвинцово-сурьмянистых сплавов, определение проводят по ГОСТ 1293.0 - ГОСТ1293.14, ГОСТ 13348.
(Измененнаяредакция, Изм. № 3).
5.4. Качествоповерхности чушек и блоков свинцово-сурьмянистых сплавов проверяют внешнимосмотром без применения увеличительных средств.
Чушки и блокисвинцово-сурьмянистых сплавов дополнительно маркируют краской по торцу:
- сплав маркиССу - одной полосой синего цвета;
- сплав маркиССуМ - одной полосой белого цвета;
- сплавы ССуМТ -одной полосой черного цвета.
На каждом пакетедолжно быть указано: число чушек в пакете и манипуляционный знак «Крюками небрать».
По согласованиюизготовителя с потребителем допускается при формировании чушек в пакеты цветнуюмаркировку наносить только на одну чушку верхнего ряда пакета.
Допускаетсянаносить на верхнюю поверхность пакета водостойкую цифровую маркировку от руки.
Транспортнаямаркировка - по ГОСТ 14192.
Транспортнаямаркировка свинцово-сурьмянистых сплавов, предназначенных на экспорт,проводится в соответствии с ГОСТ14192 и требованиями внешнеторговых организаций.
Масса пакета -не более 1500 кг.
Пакеты плоскихчушек и чушек взаимозамыкаемой формы должны быть обвязаны стальной упаковочнойлентой, натянутой и скрепленной в замок зажимными машинками.
Замокрасполагается на верхней стороне пакета. Верхний свободный конец ленты в поясесрезается у замка под прямым углом. Длина нижнего загнутого конца ленты недолжна превышать 70 мм от замка. Толщина ленты 0,9 - 1,00 мм, временноесопротивление разрыву не менее 340 (35) Н/мм2 по ГОСТ 3560.
Допускаетсяприменение стальной проволоки диаметром от 5,00 до 10,00 мм по ГОСТ3282.
Схемыукладывания и скрепления чушек в пакеты приведены в приложении 3.
Размещение икрепление пакетов в транспортных средствах проводится в соответствии справилами перевозок грузов, действующими на транспорте данного вида.
Устройство для крепленияпакетов в крытых вагонах должно соответствовать ГОСТ 22477.
6.3. Транспортирование пакетов - по ГОСТ 21399.
Свинцово-сурьмянистыесплавы в блоках и контейнерах перевозят транспортом всех видов, кромеавиационного, в соответствии с правилами перевозок грузов, действующими натранспорте данного вида.
Железнодорожнымтранспортом пакеты транспортируют в крытых вагонах повагонными отправками;блоки и контейнеры транспортируют открытым подвижным составом в соответствии стребованиями ГОСТ 22235.
Размещение икрепление грузов, перевозимых по железной дороге, должны соответствоватьтехническим условиям погрузки и крепления грузов, утвержденным Министерствомпутей сообщения СССР.
6.1 - 6.3.(Измененная редакция, Изм. № 3).
6.4.Свинцово-сурьмянистые сплавы хранят под навесом или на открытых площадках(бетонированных, с деревянным настилом, на поддонах и т.д.). При хранениикачество свинцово-сурьмянистых сплавов не меняется.
(Измененнаяредакция, Изм. № 2).
Справочное
| Обозначение марки сплава | Область применения |
| PbSb0,2SnCu СсуМТ Ссу СсуМ PbSb0,9 | Для производства кабельной оболочки, облицовки химических сооружений и производства профилей |
| ССу2 | Для производства труб, дроби, типографских и других сплавов и облицовки химических сооружений |
| УСМ | Для облицовки химической аппаратуры, производства дроби и аккумуляторов |
| PbSb2,5AsSe | Для производства аккумуляторов |
| PbSb4 | Для производства аккумуляторов, труб, арматуры, дроби, вентилей и облицовки химических сооружений |
| PbSb5 | Для производства аккумуляторов и противорадиационных кирпичей |
| УС PbSb5,5 PbSb6,5 СсуА Ссу3 ССу8 | Для производства аккумуляторов, коррозионно-стойкой аппаратуры и в химической промышленности |
| CСy10 | Для производства коррозионно-стойкой аппаратуры, фасонного литья и сплавов |
Справочное
| Наименование | Идентификационные признаки | Код ОКП | КЧ | |
| Марка | Масса, кг | |||
| Сплавы свинцово-сурьмянистые | ССуМТ |
| 17 2537 0200 | 04 |
| в чушках | ССуМТ | До 40 | 17 2537 0215 | 08 |
| в блоках | ССуМТ | Не более 1500 | 17 2537 0221 | 10 |
| Сплавы свинцово-сурьмянистые | ССу |
| 17 2537 0300 | 01 |
| в чушках | ССу | До 40 | 17 2537 0315 | 05 |
| в блоках | ССу | Не более 1500 | 17 2537 0321 | 07 |
| Сплавы свинцово-сурьмянистые | ССуМ |
| 17 2537 0400 | 09 |
| в чушках | ССуМ | До 40 | 17 2537 0415 | 02 |
| в блоках | ССуМ | Не более 1500 | 17 2537 0421 | 04 |
| Сплавы свинцово-сурьмянистые | ССу2 |
| 17 2537 0600 | 03 |
| в чушках | ССу2 | До 40 | 17 2537 0615 | 07 |
| в блоках | ССу2 | Не более 1500 | 17 2537 0621 | 09 |
| Сплавы свинцово-сурьмянистые | УСМ |
| 17 2537 0700 | 00 |
| в чушках | УСМ | До 40 | 17 2537 0715 | 04 |
| в блоках | УСМ | Не более 1500 | 17 2537 0721 | 06 |
| Сплавы свинцово-сурьмянистые | УС |
| 17 2537 0800 | 08 |
| в чушках | УС | До 40 | 17 2537 0815 | 01 |
| в блоках | УС | Не более 1500 | 17 2537 0821 | 03 |
| Сплавы свинцово-сурьмянистые | ССуА |
| 17 2537 1000 | 06 |
| в чушках | ССуА | До 40 | 17 2537 1015 | 10 |
| в блоках | ССуА | Не более 1500 | 17 2537 1021 | 01 |
| Сплавы свинцово-сурьмянистые | Ссу3 |
| 17 2537 1200 | 00 |
| в чушках | Ссу3 | До 40 | 17 2537 1215 | 04 |
| в блоках | Ссу3 | Не более 1500 | 17 2537 1221 | 06 |
| Сплавы свинцово-сурьмянистые | ССу8 |
| 17 2537 1300 | 08 |
| в чушках | ССу8 | До 40 | 17 2537 1315 | 01 |
| в блоках | ССу8 | Не более 1500 | 17 2537 1321 | 03 |
| Сплавы свинцово-сурьмянистые | ССу10 |
| 17 2537 1400 | 05 |
| в чушках | ССу10 | До 40 | 17 2537 1415 | 09 |
| в блоках | ССу10 | Не более 1500 | 17 2537 1421 | 00 |
ПРИЛОЖЕНИЯ 1, 2. (Измененная редакция, Изм. № 3).
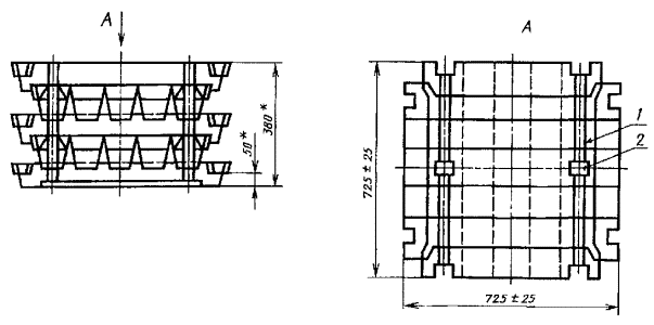
Справочное
Схема укладки и скрепления чушексвинцово-сурьмянистых сплавов взаимозамыкаемой формы в пакеты

____________
* Размеры для справок.
1 -упаковочная лента; 2 - замок для скрепления чушек
Черт. 1

__________
* Размеры для справок.
1 - упаковочная лента; 2 - замокдля скрепления чушек
Черт. 2
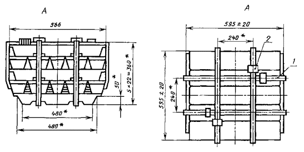
Схема укладки искрепления плоских чушек свинцово-сурьмянистых сплавов в пакеты

__________
* Размеры для справок.
1 - упаковочная лента; 2 - замокдля скрепления чушек
Черт. 3

1 - упаковочная проволока
Черт. 4

__________
* Размеры для справок.
1 - упаковочная лента; 2 - замок для скрепления чушек
Черт. 5

____________
* Размеры для справок.
1 - упаковочная лента; 2 - замок для скрепления чушек
Черт. 6
(Измененнаяредакция, Изм. № 3).
СОДЕРЖАНИЕ