Стандарт распространяется на стальные отливки, изготавливаемые всеми способами литья из нелегированных и легированных конструкционных, легированных со специальными свойствами литейных сплавов.
| Обозначение: | ГОСТ 977-88 |
| Название рус.: | Отливки стальные. Общие технические условия |
| Статус: | действует |
| Заменяет собой: | ГОСТ 2176-77 «Отливки из высоколегированной стали со специальными свойствами. Общие технические условия» ГОСТ 977-75 «Отливки из конструкционной нелегированной и легированной стали. Общие технические условия» |
| Дата актуализации текста: | 05.05.2017 |
| Дата добавления в базу: | 01.09.2013 |
| Дата введения в действие: | 01.01.1990 |
| Утвержден: | 22.12.1988 Госстандарт СССР (USSR Gosstandart 4458) |
| Опубликован: | Издательство стандартов (1989 г. ) ИПК Издательство стандартов (2002 г. ) |
| Ссылки для скачивания: |
ГОСТ 977-88
МЕЖГОСУДАРСТВЕННЫЙ СТАНДАРТ
ОТЛИВКИ СТАЛЬНЫЕ
ОБЩИЕ ТЕХНИЧЕСКИЕ УСЛОВИЯ
ИПК ИЗДАТЕЛЬСТВО СТАНДАРТОВ
Москва
МЕЖГОСУДАРСТВЕННЫЙ СТАНДАРТ
|
Общие технические условия Steel castings. |
ГОСТ |
Дата введения 01.01.90
Настоящий стандарт распространяется на стальные отливки, изготавливаемые всеми способами литья из нелегированных и легированных конструкционных, легированных со специальными свойствами литейных сталей.
1.1. Для изготовления отливок предусмотрены следующие марки стали:
конструкционные нелегированные:
15Л, 20Л, 25Л, 30Л, 35Л, 40Л, 45Л, 50Л;
конструкционные легированные:
20ГЛ, 35ГЛ, 20ГСЛ, 30ГСЛ, 20Г1ФЛ, 20ФЛ, 30ХГСФЛ, 45ФЛ, 32Х06Л, 40ХЛ, 20ХМЛ, 20ХМФЛ, 20ГНМФЛ, 35ХМЛ, 30ХНМЛ, 35ХГСЛ, 35НГМЛ, 20ДХЛ, 08ГДНФЛ, 13ХНДФТЛ, 12ДН2ФЛ, 12ДХН1МФЛ, 23ХГС2МФЛ, 12Х7Г3СЛ, 25Х2ГНМФЛ, 27Х5ГСМЛ, 30Х3С3ГМЛ, 03Н12Х5М3ТЛ, 03Н12Х5М3ТЮЛ;
конструкционные легированные, применяемые в договорно-правовых отношениях между странами - членами СЭВ:
15ГЛ, 30ГЛ, 45ГЛ, 70ГЛ, 55СЛ, 40Г1, 5ФЛ, 15ФЛ, 30ХЛ, 25ХГЛ, 35ХГЛ, 50ХГЛ, 60ХГЛ, 70Х2ГЛ, 35ХГФЛ, 40ХФЛ, 30ХМЛ, 40ХМЛ, 40ХНЛ, 40ХН2Л, 30ХГ1, 5МФРЛ, 75ХНМФЛ, 40ГТЛ, 20ГНМЮЛ;
легированные со специальными свойствами:
а) мартенситного класса
20Х13Л, 08Х14НДЛ, 09Х16Н4БЛ, 09Х17Н3СЛ, 10Х12НДЛ - коррозионно-стойкие; 20Х5МЛ, 20Х8ВЛ, 40Х9С2Л - жаростойкие; 20Х12ВНМФЛ - жаропрочная; 85Х4М5Ф2В6Л (Р6М5Л), 90Х4М4Ф2В6Л (Р6М4Ф2Л) - быстрорежущие;
б) мартенситно-ферритного класса
15Х13Л - коррозионностойкая;
в) ферритного класса
15Х25ТЛ - коррозионностойкая;
г) аустенитно-мартенситного класса
08Х15Н4ДМЛ, 08Х14Н7МЛ, 14Х18Н4Г4Л - коррозионностойкие;
д) аустенитно-ферритного класса
12Х25Н5ТМФЛ, 16Х18Н12С4ТЮЛ, 10Х18Н3Г3Д2Л - коррозионностойкие; 35Х23Н7СЛ, 40Х24Н12СЛ, 20Х20Н14С2Л - жаростойкие;
е) аустенитного класса
10Х18Н9Л, 12Х18Н9ТЛ, 10Х18Н11БЛ, 07Х17Н16ТЛ, 12Х18Н12М3ТЛ - коррозионностойкие; 55Х18Г14С2ТЛ, 15Х23Н18Л, 20Х25Н19С2Л, 18Х25Н19СЛ, 45Х17Г13Н3ЮЛ - жаростойкие; 35Х18Н24С2Л, 31Х19Н9МВБТЛ, 12Х18Н12БЛ, 08Х17Н34В5Т3Ю2РЛ, 15Х18Н22В6М2РЛ, 20Х21Н46В8РЛ - жаропрочные; 110Г13Л, 110Г13Х2БРЛ, 110Г13ФТЛ, 130Г14ХМФАЛ, 120Г10ФЛ - износостойкие;
легированные со специальными свойствами, применяемые в договорно-правовых отношениях между странами - членами СЭВ:
а) мартенситно-ферритного класса
15Х14НЛ, 08Х12Н4ГСМЛ - коррозионностойкие;
б) аустенитно-ферритного класса
12Х21Н5Г2СЛ, 12Х21Н5Г2СТЛ, 12Х21Н5Г2СМ2Л, 12Х19Н7Г2САЛ, 12Х21Н5Г2САЛ, 07Х18Н10Г2С2М2Л, 15Х18Н10Г2С2М2Л, 15Х18Н10Г2С2М2ТЛ - коррозионностойкие.
Область применения конструкционных легированных сталей приведена в приложении 1, легированных со специальными свойствами - в приложении 2.
1.2. Сталь должна выплавляться в печах с основной футеровкой. Допускается выплавка стали в печах с кислой футеровкой при условии выполнения требований настоящего стандарта.
Примечание. Возможность применения конверторной стали должна быть указана в конструкторской документации (КД) и (или) нормативно-технической документации (НТД).
1.3. Химический состав конструкционной нелегированной и легированной стали должен соответствовать указанному в табл. 1, легированной со специальными свойствами - в табл. 2.
|
Массовая доля элемента, % |
|||||||||||||||
|
Код ОКП |
Обозначение по ГОСТ 977 |
Обозначение по СТ СЭВ |
Углерод |
Марганец |
Кремний |
Фосфор |
Сера |
Хром |
Никель |
Молибден |
Ванадий |
Медь |
Титан |
Бор |
Алюминий |
|
не более |
|||||||||||||||
|
Стали конструкционные нелегированные |
|||||||||||||||
|
411200 |
15Л |
52731 51731 |
0,12 - 0,20 |
0,45 - 0,90 |
0,20 - 0,52 |
По табл. 4 |
По табл. 4 |
- |
- |
- |
- |
- |
- |
- |
- |
|
20Л |
- |
0,17 - 0,25 |
0,45 - 0,90 |
0,20 - 0,52 |
То же |
То же |
- |
- |
- |
- |
- |
- |
- |
- |
|
|
25Л |
52821 51821 |
0,22 - 0,30 |
0,45 - 0,90 |
0,20 - 0,52 |
» |
» |
- |
- |
- |
- |
- |
- |
- |
- |
|
|
30Л |
- |
0,27 - 0,35 |
0,45 - 0,90 |
0,20 - 0,52 |
» |
» |
- |
- |
- |
- |
- |
- |
- |
- |
|
|
35Л |
52831 51831 |
0,32 - 0,40 |
0,45 - 0,90 |
0,20 - 0,52 |
» |
» |
- |
- |
- |
- |
- |
- |
- |
- |
|
|
40Л |
52861 51861 |
0,37 - 0,45 |
0,45 - 0,90 |
0,20 - 0,52 |
» |
» |
- |
- |
- |
- |
- |
- |
- |
- |
|
|
45Л |
52862 51862 |
0,42 - 0,50 |
0,45 - 0,90 |
0,20 - 0,52 |
» |
» |
- |
- |
- |
- |
- |
- |
- |
- |
|
|
50Л |
- |
0,47 - 0,55 |
0,45 - 0,90 |
0,20 - 0,52 |
» |
» |
- |
- |
- |
- |
- |
- |
- |
- |
|
|
Стали конструкционные легированные |
|||||||||||||||
|
411220 |
20ГЛ |
52763 |
0,15 - 0,25 |
1,20 - 1,60 |
0,20 - 0,40 |
0,040 |
0,040 |
- |
- |
- |
- |
- |
- |
- |
- |
|
35ГЛ |
52833 |
0,30 - 0,40 |
1,20 - 1,60 |
0,20 - 0,40 |
0,040 |
0,040 |
- |
- |
- |
- |
- |
- |
- |
- |
|
|
20ГСЛ |
- |
0,16 - 0,22 |
1,00 - 1,30 |
0,60 - 0,80 |
0,030 |
0,030 |
- |
- |
- |
- |
- |
- |
- |
- |
|
|
30ГСЛ |
52834 |
0,25 - 0,35 |
1,10 - 1,40 |
0,60 - 0,80 |
0,040 |
0,040 |
- |
- |
- |
- |
- |
- |
- |
- |
|
|
20Г1ФЛ |
55244 |
0,16 - 0,25 |
0,9 - 1,40 |
0,20 - 0,50 |
0,050 |
0,050 |
- |
- |
- |
0,06 - 0,12 |
- |
Не более 0,05 |
- |
- |
|
|
20ФЛ |
55242 |
0,14 - 0,25 |
0,70 - 1,20 |
0,20 - 0,52 |
0,050 |
0,050 |
- |
- |
- |
0,06 - 0,12 |
- |
- |
- |
- |
|
|
30ХГСФЛ |
55142 |
0,25 - 0,35 |
1,00 - 1,50 |
0,40 - 0,60 |
0,050 |
0,050 |
0,30 - 0,50 |
- |
- |
0,06 - 0,12 |
- |
- |
- |
- |
|
|
45ФЛ |
55243 |
0,42 - 0,50 |
0,40 - 0,90 |
0,20 - 0,52 |
По табл. 4 |
По табл. 4 |
- |
- |
- |
0,05 - 0,10 |
- |
Не более 0,03 |
- |
- |
|
|
32Х06Л |
- |
0,25 - 0,35 |
0,40 - 0,90 |
0,20 - 0,40 |
0,050 |
0,050 |
0,50 - 0,80 |
- |
- |
- |
- |
- |
- |
- |
|
|
411220 |
40ХЛ |
55111 |
0,35 - 0,45 |
0,40 - 0,90 |
0,20 - 0,40 |
0,040 |
0,040 |
0,80 - 1,10 |
- |
- |
- |
- |
- |
- |
- |
|
20ХМЛ |
- |
0,15 - 0,25 |
0,40 - 0,90 |
0,20 - 0,42 |
0,040 |
0,040 |
0,40 - 0,70 |
- |
0,40 - 0,60 |
- |
- |
- |
- |
- |
|
|
20ХМФЛ |
- |
0,18 - 0,25 |
0,60 - 0,90 |
0,20 - 0,40 |
0,025 |
0,025 |
0,90 - 1,20 |
- |
0,50 - 0,70 |
0,20 - 0,30 |
- |
- |
- |
- |
|
|
20ГНМФЛ |
- |
0,14 - 0,22 |
0,70 - 1,20 |
0,20 - 0,40 |
0,030 |
0,030 |
Не более 0,30 |
0,70 - 1,00 |
0,15 - 0,25 |
0,06 - 0,12 |
- |
- |
- |
- |
|
|
35ХМЛ |
55432 |
0,30 - 0,40 |
0,40 - 0,90 |
0,20 - 0,40 |
0,040 |
0,040 |
0,80 - 1,10 |
- |
0,20 - 0,30 |
- |
- |
- |
- |
- |
|
|
30ХНМЛ |
55711 |
0,25 - 0,35 |
0,40 - 0,90 |
0,20 - 0,40 |
0,040 |
0,040 |
1,30 - 1,60 |
1,30 - 1,60 |
0,20 - 0,30 |
- |
- |
- |
- |
- |
|
|
35ХГСЛ |
55812 |
0,30 - 0,40 |
1,00 - 1,30 |
0,60 - 080 |
0,040 |
0,040 |
0,60 - 0,90 |
- |
- |
- |
- |
- |
- |
- |
|
|
35НГМЛ |
- |
0,32 - 0,42 |
0,80 - 1,20 |
0,20 - 0,40 |
0,040 |
0,040 |
- |
0,80 - 1,20 |
0,15 - 0,25 |
- |
- |
- |
- |
- |
|
|
20ДХЛ |
- |
0,15 - 0,25 |
0,50 - 0,80 |
0,20 - 0,40 |
0,040 |
0,040 |
0,80 - 1,10 |
- |
- |
- |
1,40 - 1,60 |
- |
- |
- |
|
|
08ГДНФЛ |
55781 |
Не более 0,10 |
0,60 - 1,00 |
0,15 - 0,40 |
0,035 |
0,035 |
- |
1,15 - 1,55 |
- |
По расчету 0,10 |
0,80 - 1,20 |
- |
- |
- |
|
|
13ХНДФТЛ |
55782 |
Не более 0,16 |
0,40 - 0,90 |
0,20 - 0,40 |
0,030 |
0,030 |
0,15 - 0,40 |
1,20 - 1,60 |
- |
0,06 - 0,12 |
0,65 - 0,90 |
0,04 - 0,10 |
- |
- |
|
|
12ДН2ФЛ |
55783 |
0,08 - 0,16 |
0,40 - 0,90 |
0,20 - 0,40 |
0,035 |
0,035 |
- |
1,80 - 2,20 |
- |
0,08 - 0,15 |
1,20 - 1,50 |
- |
- |
- |
|
|
12ДХН1МФЛ |
55761 |
0,10 - 0,18 |
0,30 - 0,55 |
0,20 - 0,40 |
0,030 |
0,030 |
1,20 - 1,70 |
1,40 - 1,80 |
0,20 - 0,30 |
0,08 - 0,15 |
0,40 - 0,65 |
- |
- |
- |
|
|
23ХГС2МФЛ |
55451 |
0,18 - 0,24 |
0,50 - 0,80 |
1,80 - 2,00 |
0,025 |
0,025 |
0,60 - 0,90 |
- |
0,25 - 0,30 |
0,10 - 0,15 |
- |
- |
- |
- |
|
|
12Х7Г3СЛ |
- |
0,10 - 0,15 |
3,00 - 3,50 |
0,80 - 1,20 |
0,020 |
0,020 |
7,00 - 7,50 |
- |
- |
- |
- |
- |
- |
- |
|
|
25Х2ГНМФЛ |
- |
0,22 - 0,30 |
0,70 - 1,10 |
0,30 - 0,70 |
0,025 |
0,025 |
1,40 - 2,00 |
0,30 - 0,90 |
0,20 - 0,50 |
0,04 - 0,21 |
- |
- |
- |
- |
|
|
27Х5ГСМЛ |
- |
0,24 - 0,28 |
0,90 - 1,20 |
0,90 - 1,20 |
0,020 |
0,020 |
5,00 - 5,50 |
- |
0,55 - 0,60 |
- |
- |
- |
- |
- |
|
|
30Х3С3ГМЛ |
- |
0,29 - 0,33 |
0,70 - 1,20 |
2,80 - 3,20 |
0,020 |
0,020 |
2,80 - 3,20 |
- |
0,50 - 0,60 |
- |
- |
- |
- |
- |
|
|
03Н12Х5М3ТЛ |
- |
0,01 - 0,04 |
Не более 0,20 |
Не более 0,20 |
0,015 |
0,015 |
4,50 - 5,00 |
12,00 - 12,50 |
2,50 - 3,00 |
- |
- |
0,70 - 0,90 |
- |
- |
|
|
03Н12Х5М3ТЮЛ |
- |
0,01 - 0,04 |
Не более 0,20 |
Не более 0,20 |
0,015 |
0,015 |
4,50 - 5,00 |
12,00 - 12,50 |
2,50 - 3,00 |
- |
- |
0,70 - 0,90 |
- |
0,25 - 0,45 |
|
|
Стали конструкционные легированные, применяемые в договорно-правовых отношениях между странами - членами СЭВ |
|||||||||||||||
|
411220 |
15ГЛ |
52711 |
0,12 - 0,18 |
0,70 - 1,00 |
0,30 - 0,60 |
0,040 |
0,040 |
- |
- |
- |
- |
- |
- |
- |
- |
|
30ГЛ |
52832 |
0,25 - 0,32 |
1,40 - 1,70 |
0,20 - 0,50 |
0,040 |
0,040 |
- |
- |
- |
- |
- |
- |
- |
- |
|
|
45ГЛ |
52864 |
0,40 - 0,50 |
0,80 - 1,20 |
0,20 - 0,50 |
0,040 |
0,040 |
- |
- |
- |
- |
- |
- |
- |
- |
|
|
70ГЛ |
51931 |
0,65 - 0,80 |
1,10 - 1,60 |
0,20 - 0,50 |
0,045 |
0,045 |
- |
- |
- |
- |
- |
- |
- |
- |
|
|
55СЛ |
51891 |
0,52 - 0,60 |
0,50 - 0,80 |
0,50 - 0,70 |
0,045 |
0,045 |
- |
- |
- |
- |
- |
- |
- |
- |
|
|
40Г1, 5ФЛ |
55241 |
0,35 - 0,45 |
1,60 - 1,90 |
0,20 - 0,50 |
0,040 |
0,040 |
- |
- |
- |
0,10 - 0,20 |
- |
- |
- |
- |
|
|
15ХЛ |
55115 |
0,12 - 0,18 |
0,40 - 0,60 |
0,20 - 0,50 |
0,040 |
0,040 |
0,50 - 0,80 |
- |
- |
- |
- |
- |
- |
- |
|
|
30ХЛ |
55116 |
0,25 - 0,35 |
0,50 - 0,90 |
0,20 - 0,50 |
0,040 |
0,040 |
0,50 - 0,80 |
- |
- |
- |
- |
- |
- |
- |
|
|
25ХГЛ |
55117 |
0,20 - 0,30 |
0,85 - 1,15 |
0,20 - 0,50 |
0,040 |
0,040 |
0,90 - 1,30 |
- |
- |
- |
- |
- |
- |
- |
|
|
35ХГЛ |
55118 |
0,30 - 0,45 |
0,60 - 0,90 |
0,50 - 0,75 |
0,040 |
0,040 |
0,50 - 0,80 |
- |
- |
- |
- |
- |
- |
- |
|
|
50ХГЛ |
55114 |
0,45 - 0,60 |
0,50 - 0,90 |
0,20 - 0,50 |
0,040 |
0,040 |
0,60 - 0,90 |
- |
- |
- |
- |
- |
- |
- |
|
|
60ХГЛ |
55112 |
0,50 - 0,65 |
0,90 - 1,30 |
0,20 - 0,50 |
0,050 |
0,050 |
0,90 - 1,30 |
- |
- |
- |
- |
- |
- |
- |
|
|
70Х2ГЛ |
55113 |
0,60 - 0,75 |
0,80 - 1,20 |
0,20 - 0,50 |
0,050 |
0,050 |
1,80 - 2,20 |
- |
- |
- |
- |
- |
- |
- |
|
|
35ХГФЛ |
55141 |
0,28 - 0,38 |
1,00 - 1,40 |
0,20 - 0,50 |
0,040 |
0,040 |
0,20 - 0,60 |
- |
- |
0,10 - 0,25 |
- |
- |
- |
- |
|
|
40ХФЛ |
55181 |
0,35 - 0,45 |
0,50 - 0,80 |
0,20 - 0,50 |
0,040 |
0,040 |
1,00 - 1,40 |
- |
- |
0,15 - 0,30 |
- |
- |
- |
- |
|
|
30ХМЛ |
55433 |
0,25 - 0,35 |
0,50 - 0,80 |
0,20 - 0,50 |
0,040 |
0,040 |
0,80 - 1,20 |
- |
0,30 - 0,30 |
- |
- |
- |
- |
- |
|
|
40ХМЛ |
55434 |
0,38 - 0,45 |
0,50 - 0,80 |
0,20 - 0,50 |
0,040 |
0,040 |
0,80 - 1,20 |
- |
0,20 - 0,30 |
- |
- |
- |
- |
- |
|
|
40ХНЛ |
55811 |
0,35 - 0,45 |
0,40 - 0,90 |
0,20 - 0,50 |
0,040 |
0,040 |
0,50 - 0,80 |
1,00 - 1,50 |
- |
- |
- |
- |
- |
- |
|
|
40ХН2Л |
55813 |
0,35 - 0,45 |
0,60 - 0,90 |
0,20 - 0,50 |
0,045 |
0,045 |
0,40 - 0,70 |
1,60 - 2,00 |
- |
- |
- |
- |
- |
- |
|
|
30ХГ1, 5МФРЛ |
55471 |
0,25 - 0,32 |
1,40 - 1,80 |
0,40 - 0,60 |
0,030 |
0,025 |
0,50 - 1,00 |
- |
0,40 - 0,60 |
0,20 - 0,40 |
- |
- |
0,006 - 0,010 |
- |
|
|
75ХНМФЛ |
55762 |
0,70 - 0,85 |
0,60 - 0,90 |
0,20 - 0,50 |
0,050 |
0,050 |
1,30 - 1,70 |
0,50 - 0,80 |
0,40 - 0,60 |
0,10 - 0,25 |
- |
- |
- |
- |
|
|
40ГТЛ |
55771 |
0,34 - 0,42 |
1,20 - 1,60 |
0,20 - 0,50 |
0,045 |
0,045 |
- |
- |
- |
- |
- |
0,02 - 0,10 |
- |
- |
|
|
20ГНМЮЛ |
55772 |
0,16 - 0,23 |
1,10 - 1,60 |
0,20 - 0,50 |
0,035 |
0,035 |
- |
0,30 - 0,50 |
0,15 - 0,30 |
- |
- |
- |
- |
Не менее 0,01 |
|
Примечания:
1. Наличие элементов, не являющихся легирующими, их допускаемое содержание и необходимость контроля устанавливается в КД и (или) НТД.
2. По требованию потребителя содержание серы и фосфора в легированных конструкционных сталях может быть установлено не более 0,030 %.
3. При выплавке легированной стали в печах с кислой футеровкой допустимая массовая доля серы и фосфора может быть увеличена на 0,010 % каждого при условии обеспечения остальных требований настоящего стандарта.
4. Для стали марки 40ХНЛ допускается введение титана до 0,15 % с целью повышения ее механических свойств.
5. Для сталей марок 15Л, 25Л, 35Л, 40Л, 45Л дано обозначение по СТ СЭВ 4559-84, для остальных сталей - по СТ СЭВ 4561-84.
|
Код ОКП |
Марка стали |
Массовая доля |
|||||||||||||||||||
|
Обозначение по ГОСТ 977 |
Обозначение по СТ СЭВ 4563-84 |
Углерод |
Кремний |
Марганец |
Хром |
Никель |
Молибден |
Ванадий |
Вольфрам |
Титан |
Ниобий |
Бор |
Азот |
Алюминий |
Медь |
Цезий |
Сера |
Фосфор |
|||
|
не более |
|||||||||||||||||||||
|
Стали легированные |
|||||||||||||||||||||
|
Мартенситный |
411240 |
20Х13Л |
58113 |
0,16 - 0,25 |
0,20 - 0,80 |
0,30 - 0,80 |
12,0 - 14,0 |
- |
- |
- |
- |
- |
- |
- |
- |
- |
- |
- |
0,025 |
0,030 |
|
|
08Х14НДЛ |
- |
Не более 0,08 |
He более 0,40 |
0,50 - 0,80 |
13,0 - 14,5 |
1,20 - 1,60 |
- |
- |
- |
- |
- |
- |
- |
- |
0,80 - 1,20 |
- |
0,025 |
0,025 |
|||
|
09Х16Н4БЛ |
- |
0,05 - 0,13 |
0,20 - 0,60 |
0,30 - 0,60 |
15,0 - 17,0 |
3,50 - 4,50 |
- |
- |
- |
- |
0,05 - 0,20 |
- |
- |
- |
- |
- |
0,025 |
0,030 |
|||
|
09Х17Н3СЛ |
- |
0,05 - 0,12 |
0,80 - 1,50 |
0,30 - 0,80 |
15,0 - 18,0 |
2,80 - 3,80 |
- |
- |
- |
- |
- |
- |
- |
- |
- |
- |
0,030 |
0,035 |
|||
|
20Х5МЛ |
- |
0,15 - 0,25 |
0,35 - 0,70 |
0,40 - 0,60 |
4,0 - 6,5 |
- |
0,40 - 0,65 |
- |
- |
- |
- |
- |
- |
- |
- |
- |
0,040 |
0,040 |
|||
|
20Х8ВЛ |
- |
0,15 - 0,25 |
0,30 - 0,60 |
0,30 - 0,50 |
7,5 - 9,0 |
- |
- |
- |
1,25 - 1,75 |
- |
- |
- |
- |
- |
- |
- |
0,035 |
0,040 |
|||
|
40Х9С2Л |
- |
0,35 - 0,50 |
2,00 - 3,00 |
0,30 - 0,70 |
8,0 - 10,0 |
- |
- |
- |
- |
- |
- |
- |
- |
- |
- |
- |
0,030 |
0,035 |
|||
|
20Х12ВНМФЛ |
- |
0,17 - 0,23 |
0,20 - 0,60 |
0,50 - 0,90 |
10,5 - 12,5 |
0,50 - 0,90 |
0,50 - 0,70 |
0,15 - 0,30 |
0,70 - 1,10 |
- |
- |
- |
- |
- |
- |
- |
0,025 |
0,030 |
|||
|
10Х12НДЛ |
- |
Не более 0,10 |
0,17 - 0,40 |
0,20 - 0,60 |
12,0 - 13,0 |
1,00 - 1,50 |
- |
- |
- |
- |
- |
- |
- |
- |
0,80 - 1,10 |
- |
0,025 |
0,025 |
|||
|
Мартенситно-ферритный |
411240 |
15Х13Л |
58112 |
Не более 0,15 |
0,20 - 0,80 |
0,30 - 0,80 |
12,0 - 14,0 |
- |
- |
- |
- |
- |
- |
- |
- |
- |
- |
- |
0,025 |
0,030 |
|
|
Ферритный |
411240 |
15Х25ТЛ |
- |
0,10 - 0,20 |
0,50 - 1,20 |
0,50 - 1,80 |
23,0 - 27,0 |
- |
- |
- |
- |
- |
- |
- |
- |
- |
- |
- |
0,025 |
0,035 |
|
|
Аустенитно-мартенситный |
411240 |
08Х15Н4ДМЛ |
- |
Не более 0,08 |
Не более 0,40 |
1,00 - 1,50 |
14,0 - 16,0 |
3,50 - 3,90 |
0,30 - 0,45 |
- |
- |
- |
- |
- |
- |
- |
1,00 - 1,40 |
- |
0,025 |
0,025 |
|
|
08Х14Н7МЛ |
- |
Не более 0,08 |
0,20 - 0,75 |
0,30 - 0,90 |
13,0 - 15,0 |
6,00 - 8,50 |
0,50 - 1,00 |
- |
- |
- |
- |
- |
- |
- |
- |
- |
0,030 |
0,030 |
|||
|
14Х18Н4Г4Л |
- |
Не более 0,14 |
0,20 - 1,00 |
4,00 - 5,00 |
16,0 - 20,0 |
4,00 - 5,00 |
- |
- |
- |
- |
- |
- |
- |
- |
- |
- |
0,030 |
0,035 |
|||
|
Аустенитно-ферритный |
411240 |
12Х25Н5ТМФЛ |
- |
Не более 0,12 |
0,20 - 1,00 |
0,30 - 0,80 |
23,5 - 26,0 |
5,00 - 6,50 |
0,06 - 0,12 |
0,07 - 0,15 |
- |
0,08 - 0,20 |
- |
- |
0,08 - 0,20 |
- |
- |
- |
0,030 |
0,030 |
|
|
16Х18Н12С4ТЮЛ |
- |
0,13 - 0,19 |
3,80 - 4,50 |
0,50 - 1,00 |
17,0 - 19,0 |
11,00 - 13,00 |
- |
- |
- |
0,40 - 0,70 |
- |
- |
- |
0,13 - 0,35 |
- |
- |
0,030 |
0,030 |
|||
|
35Х23Н7СЛ |
- |
Не более 0,35 |
0,50 - 1,20 |
0,50 - 0,85 |
21,0 - 25,0 |
6,00 - 8,00 |
- |
- |
- |
- |
- |
- |
- |
- |
- |
- |
0,035 |
0,035 |
|||
|
40Х24Н12СЛ |
- |
Не более 0,40 |
0,50 - 1,50 |
0,30 - 0,80 |
22,0 - 26,0 |
11,00 - 13,00 |
- |
- |
- |
- |
- |
- |
- |
- |
- |
- |
0,030 |
0,035 |
|||
|
20Х20Н14С2Л |
- |
Не более 0,20 |
2,00 - 3,00 |
Не более 1,50 |
19,0 - 22,0 |
12,00 - 15,00 |
- |
- |
- |
- |
- |
- |
- |
- |
- |
- |
0,025 |
0,035 |
|||
|
10Х18Н3Г3Д2Л |
- |
Не более 0,10 |
He более 0,60 |
2,30 - 3,00 |
13,0 - 19,0 |
3,00 - 3,50 |
- |
- |
- |
- |
- |
- |
- |
- |
1,80 - 2,20 |
- |
0,030 |
0,030 |
|||
|
Аустенитный |
411240 |
10Х18Н9Л |
58762 |
Не более 0,14 |
0,20 - 1,00 |
1,00 - 2,00 |
17,0 - 20,0 |
8,00 - 11,00 |
- |
- |
- |
- |
- |
- |
- |
- |
- |
- |
0,030 |
0,035 |
|
|
58511 |
|||||||||||||||||||||
|
12Х18Н9ТЛ |
58561 |
Не более 0,12 |
0,20 - 1,00 |
1,00 - 2,00 |
17,0 - 20,0 |
8,00 - 11,00 |
- |
- |
- |
От (5´С) до 0,70 |
- |
- |
- |
- |
- |
- |
0,030 |
0,035 |
|||
|
10Х18Н11БЛ |
- |
Не более 0,10 |
0,20 - 1,00 |
1,00 - 2,00 |
17,0 - 20,0 |
8,00 - 12,00 |
- |
- |
- |
- |
0,45 - 0,90 |
- |
- |
- |
- |
- |
0,030 |
0,035 |
|||
|
07Х17Н16ТЛ |
- |
0,04 - 0,10 |
0,20 - 0,60 |
1,00 - 2,00 |
16,0 - 18,0 |
15,00 - 17,00 |
- |
- |
- |
0,005 - 0,150 |
- |
- |
- |
- |
- |
- |
0,020 |
0,035 |
|||
|
12Х18Н12М3ТЛ |
- |
Не более 0,12 |
0,20 - 1,00 |
1,00 - 2,00 |
16,0 - 19,0 |
11,00 - 13,00 |
3,00 - 4,00 |
- |
- |
От (5´С) до 0,70 |
- |
- |
- |
- |
- |
- |
0,030 |
0,035 |
|||
|
55Х18Г14С2ТЛ |
- |
0,45 - 0,65 |
1,50 - 2,50 |
12,00 - 16,00 |
16,0 - 19,0 |
- |
- |
- |
- |
0,10 - 0,30 |
- |
- |
- |
- |
- |
- |
0,030 |
0,040 |
|||
|
15Х23Н18Л |
- |
0,10 - 0,20 |
0,20 - 1,00 |
1,00 - 2,00 |
22,0 - 25,0 |
17,00 - 20,00 |
- |
- |
- |
- |
- |
- |
- |
- |
- |
- |
0,030 |
0,030 |
|||
|
20Х25Н19С2Л |
- |
Не более 0,20 |
2,00 - 3,00 |
0,50 - 1,50 |
23,0 - 27,0 |
18,00 - 20,0 |
- |
- |
- |
- |
- |
- |
- |
- |
- |
- |
0,030 |
0,035 |
|||
|
18Х26Н19СЛ |
- |
Не более 0,18 |
0,80 - 2,00 |
0,70 - 1,50 |
22,0 - 26,0 |
17,00 - 21,00 |
- |
- |
- |
- |
- |
- |
- |
- |
- |
- |
0,030 |
0,035 |
|||
|
45Х17Г13Н3ЮЛ |
- |
0,40 - 0,50 |
0,80 - 1,50 |
12,00 - 15,00 |
16,0 - 18,0 |
2,50 - 3,50 |
- |
- |
- |
- |
- |
- |
- |
0,60 - 1,00 |
- |
- |
0,030 |
0,035 |
|||
|
Аустенитный |
411240 |
35Х18Н24С2Л |
- |
0,30 - 0,40 |
2,00 - 3,00 |
He более 1,50 |
17,0 - 20,00 |
23,00 - 25,00 |
- |
- |
- |
- |
- |
- |
- |
- |
- |
- |
0,030 |
0,035 |
|
|
31Х19Н9МВБТЛ |
- |
0,26 - 0,35 |
Не более 0,80 |
0,80 - 1,50 |
18,0 - 20,0 |
8,00 - 10,00 |
1,00 - 1,50 |
- |
1,00 - 1,50 |
0,20 - 0,50 |
0,20 - 0,50 |
- |
- |
- |
- |
- |
0,020 |
0,035 |
|||
|
12Х18Н12БЛ |
- |
He более 0,12 |
Не более 0,55 |
0,50 - 1,00 |
17,0 - 19,0 |
11,0 - 13,00 |
- |
- |
- |
- |
0,70 - 1,10 |
- |
- |
- |
- |
- |
0,025 |
0,020 |
|||
|
08Х17Н34В5Т3Ю2РЛ |
- |
Не более 0,08 |
0,20 - 0,50 |
0,30 - 0,60 |
15,0 - 18,0 |
32,00 - 35,00 |
- |
- |
4,50 - 5,50 |
2,60 - 3,20 |
- |
Не более 0,05 |
- |
1,70 - 2,10 |
- |
Не более 0,01 |
0,010 |
0,010 |
|||
|
15Х18Н22В6М2РЛ |
- |
0,10 - 0,20 |
0,20 - 0,60 |
0,30 - 0,60 |
16,0 - 18,0 |
20,00 - 24,00 |
2,00 - 3,00 |
- |
5,00 - 7,00 |
- |
- |
Не более 0,01 |
- |
- |
- |
- |
0,030 |
0,035 |
|||
|
20Х21Н46В8РЛ |
- |
0,10 - 0,25 |
0,20 - 0,80 |
0,30 - 0,80 |
19,0 - 22,0 |
43,00 - 48,00 |
- |
- |
7,00 - 9,00 |
- |
- |
Не более 0,06 |
- |
- |
- |
- |
0,035 |
0,040 |
|||
|
411250 |
110Г13Л |
- |
0,90 - 1,50 |
0,30 - 1,00 |
11,50 - 15,00 |
Не более 1,0 |
He более 1,00 |
- |
- |
- |
- |
- |
- |
- |
- |
- |
- |
0,050 |
0,120 |
||
|
110Г13Х2БРЛ |
- |
0,90 - 1,50 |
0,30 - 1,00 |
11,50 - 14,50 |
1,0 - 2,0 |
Не более 0,50 |
- |
- |
- |
- |
0,08 - 0,12 |
0,001 - 0,006 |
- |
- |
- |
- |
0,050 |
0,120 |
|||
|
110Г13ФТЛ |
- |
0,90 - 1,30 |
0,40 - 0,90 |
11,50 - 14,50 |
- |
- |
- |
0,10 - 0,30 |
- |
0,01 - 0,05 |
- |
- |
- |
- |
- |
- |
0,050 |
0,120 |
|||
|
130Г14ХМФАЛ |
- |
1,20 - 1,40 |
Не более 0,60 |
12,50 - 15,00 |
1,0 - 1,5 |
Не более 1,00 |
0,20 - 0,30 |
0,08 - 0,12 |
- |
- |
- |
- |
0,025 - 0,050 |
- |
- |
- |
0,050 |
0,070 |
|||
|
120Г10ФЛ |
- |
0,90 - 1,40 |
0,20 - 0,90 |
8,50 - 12,00 |
Не более 1,0 |
Не более 1,00 |
- |
0,03 - 0,12 |
- |
He более 0,15 |
He более 0,01 |
- |
Не более 0,03 |
- |
Не более 0,7 |
- |
0,050 |
0,120 |
|||
|
Мартенситный |
411260 |
85Х4М5Ф2В6Л (Р6М5Л) |
- |
0,82 - 0,90 |
Не более 0,50 |
Не более 0,50 |
3,8 - 4,4 |
Не более 0,40 |
4,80 - 5,30 |
1,70 - 2,10 |
5,50 - 6,50 |
- |
- |
- |
- |
- |
- |
- |
0,025 |
0,030 |
|
|
90Х4М4Ф2В6Л (Р6М4Ф2Л) |
- |
0,85 - 0,95 |
0,20 - 0,40 |
0,40 - 0,70 |
3,0 - 4,0 |
- |
3,00 - 4,00 |
2,00 - 2,60 |
5,00 - 7,00 |
- |
- |
- |
- |
- |
- |
- |
0,040 |
0,040 |
|||
|
Стали легированные со специальными свойствами, применяемые в договорно-правовых отношениях между странами - членами СЭВ |
|||||||||||||||||||||
|
Мартенситно-ферритный |
411240 |
15Х14НЛ |
58411 |
Не более 0,15 |
Не более 0,60 |
0,40 - 0,90 |
12,0 - 15,0 |
0,70 - 1,20 |
- |
- |
- |
- |
- |
- |
- |
- |
- |
- |
0,035 |
0,035 |
|
|
Мартенситно-ферритный |
411240 |
08Х12Н4ГСМЛ |
58711 |
Не более 0,08 |
Не более 1,00 |
He более 1,50 |
11,5 - 13,5 |
3,50 - 5,00 |
Не более 1,00 |
- |
- |
- |
- |
- |
- |
- |
- |
- |
0,035 |
0,035 |
|
|
Аустенитно-ферритный |
411240 |
12Х21Н5Г2СЛ |
58451 |
Не более 0,12 |
Не более 1,50 |
Не более 2,00 |
20,0 - 22,0 |
4,50 - 6,00 |
- |
- |
- |
- |
- |
- |
- |
- |
- |
- |
0,035 |
0,045 |
|
|
12Х21Н5Г2СТЛ |
58461 |
Не более 0,12 |
Не более 1,50 |
Не более 2,00 |
20,0 - 22,0 |
4,50 - 6,00 |
- |
- |
- |
От (4´С) до 0,70 |
- |
- |
- |
- |
- |
- |
0,035 |
0,045 |
|||
|
12Х21Н5Г2СМ2Л |
58761 |
Не более 0,12 |
Не более 1,50 |
Не более 2,00 |
20,0 - 22,0 |
4,50 - 6,00 |
1,80 - 2,20 |
- |
- |
- |
- |
- |
- |
- |
- |
- |
0,035 |
0,045 |
|||
|
12Х19Н7Г2САЛ |
58462 |
Не более 0,12 |
Не более 1,50 |
Не более 2,00 |
18,0 - 20,0 |
6,00 - 8,00 |
- |
- |
- |
- |
- |
- |
0,10 - 0,20 |
- |
- |
- |
0,040 |
0,040 |
|||
|
12Х21Н5Г2САЛ |
58463 |
Не более 0,12 |
Не более 1,50 |
Не более 2,00 |
20,0 - 22,0 |
4,00 - 6,00 |
- |
- |
- |
- |
- |
- |
0,10 - 0,20 |
- |
- |
- |
0,040 |
0,040 |
|||
|
07Х18Н10Г2С2М2Л |
58763 |
Не более 0,07 |
Не более 2,00 |
Не более 2,00 |
17,0 - 19,0 |
9,00 - 12,00 |
2,00 - 2,50 |
- |
- |
- |
- |
- |
- |
- |
- |
- |
0,040 |
0,040 |
|||
|
15Х18Н10Г2С2М2Л |
58764 |
Не более 0,15 |
Не более 2,00 |
Не более 2,00 |
17,0 - 19,0 |
9,00 - 12,00 |
2,00 - 2,50 |
- |
- |
- |
- |
- |
- |
- |
- |
- |
0,040 |
0,040 |
|||
|
15Х18Н10Г2С2М2ТЛ |
58765 |
Не более 0,15 |
Не более 2,00 |
Не более 2,00 |
17,0 - 19,0 |
9,00 - 12,00 |
2,00 - 2,50 |
- |
- |
От 5´(С - 0,03) до 0,80 |
- |
- |
- |
- |
- |
- |
0,040 |
0,040 |
|||
Примечания:
1. Наличие элементов, не являющихся легирующими, их допускаемое содержание и необходимость контроля устанавливают в КД и (или) НТД.
2. В стали марки 20Х5МЛ молибден может быть заменен титаном в количестве не более 0,1 % при условии работы деталей при температуре не более 425 °С.
3. В стали марки 10Х18Н9Л при необходимости обеспечения большей стойкости против межкристаллитной коррозии содержание углерода может быть установлено не более 0,07 %.
4. В стали марки 20Х13Л допускается при выплавке в индукционной печи повышение массовой доли серы до 0,030 %.
5. В стали марки 12Х18Н12БЛ суммарная массовая доля серы и фосфора должна быть не более 0,040 %.
6. В стали марок 12Х21Н5Г2СТЛ и 15Х18Н10Г2С2М2ТЛ допускается для стабилизации вместо титана использовать ниобий с танталом в количестве от (8´С) до 1,20 %.
7. В стали марок 08Х17Н34В5Т3Ю2РЛ, 15Х18Н22В6М2РЛ, 20Х21Н46В8РЛ содержание и необходимость контроля бора и церия устанавливается в КД и НТД.
Примеры условного обозначения сталей:
25Л ГОСТ 977-88
23ХГС2МФЛ ГОСТ 977-88
20Х25Н19С2Л ГОСТ 977-88
Примеры условного обозначения сталей для отливок, предназначенных для изделий, подлежащих приемке представителем заказчика:
25Л К20 ГОСТ 977-88
23ХГС2МФЛ КТ 110 ГОСТ 977-88
В обозначении марок стали первые цифры указывают среднюю или максимальную (при отсутствии нижнего предела) массовую долю углерода в сотых долях процента; буквы за цифрами означают: А - азот, Б - ниобий, В - вольфрам, Г - марганец, Д - медь, М - молибден, Н - никель, Р - бор, С - кремний, Т - титан, Ф - ванадий, Х - хром, Ю - алюминий, Л - литейная. Цифры, стоящие после букв, указывают примерную массовую долю легирующего элемента в процентах.
Индексы «К» и «КТ» являются условными обозначениями категории прочности, следующее за ними число означает значение требуемого предела текучести. Индекс «К» присваивается материалу в отожженном, нормализованном или отпущенном состоянии; индекс «КТ» - после закалки и отпуска.
1.4. Допускаемые отклонения легирующих элементов от норм химического состава, приведенных в табл. 1, не должны превышать значений, указанных в табл. 3.
|
Массовая доля элемента, % |
Допускаемое отклонение, % |
||
|
для нижнего предела содержания |
для верхнего предела содержания |
||
|
Углерод |
До 0,25 |
-0,02 |
+0,01 |
|
Св. 0,25 до 0,50 |
-0,03 |
+0,02 |
|
|
Св. 0,50 |
-0,04 |
+0,03 |
|
|
Кремний |
До 0,50 |
-0,05 |
+0,10 |
|
Св. 0,50 до 0,90 |
-0,08 |
+0,15 |
|
|
Св. 0,90 до 1,30 |
-0,15 |
+0,20 |
|
|
Св. 1,30 |
-0,15 |
+0,25 |
|
|
Марганец |
До 0,50 |
-0,07 |
+0,10 |
|
Св. 0,50 до 0,90 |
-0,10 |
+0,18 |
|
|
Св. 0,90 |
-0,12 |
+0,25 |
|
|
Хром |
До 1,00 |
-0,07 |
+0,10 |
|
Св. 1,00 до 2,00 |
-0,10 |
+0,15 |
|
|
Св. 2,00 |
-0,15 |
+0,20 |
|
|
Никель |
До 1,00 |
-0,10 |
+0,15 |
|
Св. 1,00 до 2,00 |
-0,15 |
+0,20 |
|
|
Св. 2,00 |
-0,20 |
+0,25 |
|
|
Молибден |
До 0,20 |
-0,03 |
+0,03 |
|
Св. 0,20 |
-0,05 |
+0,05 |
|
|
Ванадий |
До 0,20 |
-0,03 |
+0,03 |
|
Св. 0,20 |
-0,05 |
+0,05 |
|
|
Медь |
Для всех содержаний элемента |
-0,10 |
+0,10 |
|
Титан |
Для всех содержаний элемента |
-0,02 |
+0,02 |
|
Алюминий |
Для всех содержаний элемента |
-0,01 |
+0,01 |
Массовая доля серы и фосфора в конструкционных нелегированных сталях до 01.01.92 должна соответствовать требованиям, указанным в табл. 4, с 01.01.92 - указанным в табл. 4а.
|
Массовая доля примесей, %, не более, в стали |
||||||
|
основной |
кислой |
конверторной |
основной |
кислой |
конверторной |
|
|
Сера |
Фосфор |
|||||
|
1 |
0,050 |
0,060 |
0,060 |
0,050 |
0,060 |
0,080 |
|
2 |
0,045 |
0,060 |
0,050 |
0,040 |
0,060 |
0,070 |
|
3 |
0,045 |
0,050 |
- |
0,040 |
0,050 |
- |
Примечание. По требованию потребителя содержание серы в сталях марок 15Л, 25Л, 35Л, 40Л, 45Л и 45ФЛ должно быть не более 0,040 %.
|
Массовая доля примесей, %, не более, в стали |
||||||
|
основной |
кислой |
основной мартеновской |
основной |
кислой |
основной мартеновской |
|
|
Сера |
Фосфор |
|||||
|
1 |
0,040 |
0,060 |
0,050 |
0,040 |
0,060 |
0,050 |
|
2 |
0,035 |
0,060 |
0,045 |
0,035 |
0,060 |
0,040 |
|
3 |
0,030 |
0,050 |
0,045 |
0,030 |
0,050 |
0,040 |
Допускаемые отклонения легирующих элементов от норм химического состава, приведенных в табл. 2, не должны превышать значений, указанных в табл. 5.
|
Массовая доля элемента, % |
Допускаемое отклонение, % |
||
|
для нижнего предела содержания |
для верхнего предела содержания |
||
|
Углерод |
До 0,12 |
- |
+0,01 |
|
Св. 0,12 |
-0,02 |
+0,02 |
|
|
Марганец |
До 0,90 |
-0,10 |
+0,10 |
|
Св. 0,90 до 8,00 |
-0,12 |
+0,20 |
|
|
Св. 8,00 |
-0,50 |
+0,50 |
|
|
Кремний |
До 0,90 |
-0,10 |
+0,10 |
|
Св. 0,90 |
-0,10 |
+0,20 |
|
|
Хром |
До 5,00 |
-0,20 |
+0,20 |
|
Св. 5,00 до 20,00 |
-0,50 |
+0,50 |
|
|
Св. 20,00 |
-1,00 |
+1,00 |
|
|
Никель |
До 1,00 |
-0,10 |
+0,10 |
|
Св. 1,00 до 2,00 |
-0,15 |
+0,10 |
|
|
Св. 2,00 до 3,00 |
-0,20 |
+0,20 |
|
|
Св. 3,00 до 6,00 |
-0,25 |
+0,20 |
|
|
Св. 6,00 |
-0,50 |
+0,50 |
|
|
Молибден |
Для всех содержаний элемента |
-0,02 |
+0,02 |
|
Титан |
До 0,50 |
-0,03 |
+0,03 |
|
Св. 0,50 до 1,0 |
-0,05 |
+0,05 |
|
|
Св. 1,0 |
-0,10 |
+0,10 |
|
|
Ванадий |
Для всех содержаний элемента |
-0,02 |
+0,03 |
|
Вольфрам |
Для всех содержаний элемента |
0,05 |
+0,05 |
|
Ниобий |
Для всех содержаний элемента |
-0,02 |
+0,02 |
|
Медь |
Для всех содержаний элемента |
-0,1 |
+0,1 |
Примечания:
1. Для стали марки 85Х4М5Ф2В6Л (Р6М5Л) допускаются отклонения по массовой доле ванадия ±0,1 %.
2. Для стали марки 90Х4М4Ф2В6Л (Р6М4Ф2Л) допускаются отклонения по массовой доле ванадия - минус 0,2; плюс 0,1 %.
2.1. В зависимости от назначения и требований, предъявляемых к деталям, отливки разделяются на три группы в соответствии с табл. 6.
|
Назначение |
Характеристика отливок |
Перечень контролируемых показателей качества |
|
|
1 |
Отливки общего назначения |
Отливки для деталей, конфигурация и размеры которых определяются только конструктивными и технологическими соображениями |
Внешний вид, размеры, химический состав |
|
2 |
Отливки ответственного назначения |
Отливки для деталей, рассчитываемых на прочность и работающих при статических нагрузках |
Внешний вид, размеры, химический состав, механические свойства; предел текучести или временное сопротивление и относительное удлинение |
|
3 |
Отливки особо ответственного назначения |
Отливки для деталей, рассчитываемых на прочность и работающих при циклических и динамических нагрузках |
Внешний вид, размеры, химический состав, механические свойства: предел текучести или временное сопротивление, относительное удлинение и ударная вязкость |
Примечания:
1. При необходимости введения дополнительных показателей, не предусмотренных табл. 6 для данной группы отливок, их наличие и соответствующие нормы должны быть указаны в КД и (или) НТД.
По требованию потребителя в число дополнительных контролируемых показателей могут быть включены: твердость, излом металла, механические свойства для отливок со стенкой толщиной свыше 100 мм, механические свойства при пониженных и повышенных температурах, герметичность, микроструктура, плотность, коррозионная стойкость, жаростойкость, стойкость против межкристаллитной коррозии и другие.
Для отливок 3-й группы, предназначенных для изделий, подлежащих приемке представителем заказчика, работающих при пониженных температурах и подвергающихся динамическим нагрузкам, при наличии указания в КД и (или) НТД ударная вязкость стали определяется при температуре минус 50 °С. Нормы ударной вязкости при этом указывают в КД и (или) НТД на конкретную продукцию.
2. Возможность установления в качестве нормируемого показателя относительного сужения вместо относительного удлинения указывается в КД и (или) НТД.
3. Возможность увеличения норм прочности при соответствующем снижении норм пластичности и вязкости указывают в КД и (или) НТД.
4. Нормы, возможность снижения уровня механических свойств на образцах, вырезанных из отливок, указывают в КД.
5. Для отливок 2-й и 3-й группы, предназначенных для изделий, подлежащих приемке представителем заказчика, заменять контролируемый показатель «Предел текучести» показателем «Временное сопротивление» допускается только по требованию представителя заказчика.
Обозначение отливки в технических требованиях чертежа:
Для отливок 1-й группы:
Отливки 1-й группы ГОСТ 977-88
Для отливок 2-й группы:
Отливка 2-й группы ГОСТ 977-88
Для отливок 3-й группы:
Отливка 3-й группы ГОСТ 977-88
2.2. Группа отливок, марка стали, дополнительные контролируемые показатели и требования указывают в КД и (или) НТД. При поточно-массовом производстве разделение отливок по группам не производят, перечень контролируемых показателей указывают на чертеже отливки.
3.1. Отливки изготавливают в соответствии с требованиями настоящего стандарта, КД и (или) НТД, утвержденными в установленном порядке.
3.2. Отливки должны подвергаться термической обработке. Рекомендуемые режимы термической обработки конструкционной нелегированной и легированной стали приведены в приложении 3, легированной стали со специальными свойствами - в приложении 4.
По согласованию изготовителя с потребителем допускается не производить термическую обработку отливок 1-й группы из конструкционных нелегированных и легированных сталей и отливок 1 - 3-й групп из легированных сталей со специальными свойствами при обеспечении механических и специальных свойств стали технологией выплавки и формообразования.
Число допустимых полных термических обработок отливок не должно быть более трех, а для отливок из аустенитных и аустенитно-ферритных легированных сталей со специальными свойствами - не более двух.
Примечание. Количество отпусков или стабилизирующих отжигов отливок с пробными брусками одной и той же партии после закалки или нормализации для получения требуемых механических свойств не ограничивается.
3.3. Механические свойства конструкционной нелегированной и легированной стали для отливок со стенкой толщиной до 100 мм при комнатной температуре после окончательной термической обработки должны соответствовать нормам, приведенным в табл. 7, легированной стали со специальными свойствами - в табл. 8.
3.4. Конфигурация и размеры отливок должны соответствовать чертежам, утвержденным в установленном порядке.
Допуски размеров и массы отливок, а также припуски на механическую обработку должны соответствовать требованиям ГОСТ 26645, формовочные уклоны - ГОСТ 3212 или указаны в КД.
3.5. Отливки должны быть очищены от формовочной смеси, окалины и пригара. Прибыли и питатели должны быть удалены.
Места отрезки питателей и прибылей, заливы и просечки должны быть зачищены или обрублены в пределах допусков по чертежу отливки.
Допускается по согласованию изготовителя с потребителем устанавливать в КД и (или) НТД наличие пригара на отливках.
|
Категория прочности |
Предел текучести sТ, МПа |
Временное сопротивление sв, МПа |
Относительное удлинение d, % |
Относительное сужение y, % |
Ударная вязкость KCU, кДж/м2 |
Категория прочности |
Предел текучести sТ, МПа |
Временное сопротивление sв, МПа |
Относительное удлинение δ, % |
Относительное сужение y, % |
Ударная вязкость KCU, кДж/м2 |
|
|
Не менее |
Не менее |
|||||||||||
|
Нормализация или нормализация с отпуском |
Закалка и отпуск |
|||||||||||
|
Стали конструкционные нелегированные |
||||||||||||
|
15Л |
К20 |
196 |
392 |
24 |
35 |
491 |
- |
- |
- |
- |
- |
- |
|
20Л |
К20 |
216 |
412 |
22 |
35 |
491 |
- |
- |
- |
- |
- |
- |
|
25Л |
К20 |
235 |
441 |
19 |
30 |
392 |
КТ30 |
294 |
491 |
22 |
33 |
343 |
|
30Л |
К25 |
255 |
471 |
17 |
30 |
343 |
КТ30 |
294 |
491 |
17 |
30 |
343 |
|
35Л |
К25 |
275 |
491 |
15 |
25 |
343 |
КТ35 |
343 |
540 |
16 |
20 |
294 |
|
40Л |
К30 |
294 |
520 |
14 |
25 |
294 |
КТ35 |
343 |
540 |
14 |
20 |
294 |
|
45Л |
К30 |
314 |
540 |
12 |
20 |
294 |
КТ40 |
392 |
589 |
10 |
20 |
245 |
|
50Л |
К30 |
334 |
569 |
11 |
20 |
245 |
КТ40 |
392 |
736 |
14 |
20 |
294 |
|
Стали конструкционные легированные |
||||||||||||
|
20ГЛ |
К25 |
275 |
540 |
18 |
25 |
491 |
КТ30 |
334 |
530 |
14 |
25 |
383 |
|
35ГЛ |
К30 |
294 |
540 |
12 |
20 |
294 |
КТ35 |
343 |
589 |
14 |
30 |
491 |
|
20ГСЛ |
К30 |
294 |
540 |
18 |
30 |
294 |
- |
- |
- |
- |
- |
- |
|
30ГСЛ |
К35 |
343 |
589 |
14 |
25 |
294 |
КТ40 |
392 |
638 |
14 |
30 |
491 |
|
20Г1ФЛ |
К30 |
314 |
510 |
17 |
25 |
491 |
- |
- |
- |
- |
- |
- |
|
20ФЛ |
К30 |
294 |
491 |
18 |
35 |
491 |
- |
- |
- |
- |
- |
- |
|
30ХГСФЛ |
К40 |
392 |
589 |
15 |
25 |
343 |
КТ60 |
589 |
785 |
14 |
25 |
441 |
|
45ФЛ |
К40 |
392 |
589 |
12 |
20 |
294 |
КТ50 |
491 |
687 |
12 |
20 |
294 |
|
32Х06Л |
- |
- |
- |
- |
- |
- |
КТ45 |
441 |
638 |
10 |
20 |
491 |
|
40ХЛ |
- |
- |
- |
- |
- |
- |
КТ50 |
491 |
638 |
12 |
25 |
392 |
|
20ХМЛ |
К25 |
245 |
441 |
18 |
30 |
294 |
- |
- |
- |
- |
- |
- |
|
20ХМФЛ |
К25 |
275 |
491 |
16 |
35 |
294 |
- |
- |
- |
- |
- |
- |
|
20ГНМФЛ |
К50 |
491 |
589 |
15 |
33 |
491 |
КТ60 |
589 |
687 |
14 |
30 |
589 |
|
35ХМЛ |
К40 |
392 |
589 |
12 |
20 |
294 |
КТ55 |
540 |
687 |
12 |
25 |
392 |
|
30ХНМЛ |
К55 |
540 |
687 |
12 |
20 |
294 |
КТ65 |
638 |
785 |
10 |
20 |
392 |
|
35ХГСЛ |
К35 |
343 |
589 |
14 |
25 |
294 |
KT60 |
589 |
785 |
10 |
20 |
392 |
|
35НГМЛ |
- |
- |
- |
- |
- |
- |
КТ60 |
589 |
736 |
12 |
25 |
392 |
|
20ДХЛ |
К40 |
392 |
491 |
12 |
30 |
294 |
КТ55 |
540 |
638 |
12 |
30 |
392 |
|
08ГДНФЛ |
К35 |
343 |
441 |
18 |
30 |
491 |
- |
- |
- |
- |
- |
- |
|
13ХНДФТЛ |
К40 |
392 |
491 |
18 |
30 |
491 |
- |
- |
- |
- |
- |
- |
|
12ДН2ФЛ |
К55 |
540 |
638 |
12 |
20 |
294 |
КТ65 |
638 |
785 |
12 |
25 |
392 |
|
12ДХН1МФЛ |
К65 |
638 |
785 |
12 |
20 |
294 |
КТ75 |
735 |
981 |
10 |
20 |
294 |
|
23ХГС2МФЛ |
- |
- |
- |
- |
- |
- |
КТ110 |
1079 |
1275 |
6 |
24 |
392 |
|
12Х7Г3СЛ |
- |
- |
- |
- |
- |
- |
КТ110 |
1079 |
1324 |
9 |
40 |
589 |
|
25Х2ГНМФЛ1) |
- |
- |
- |
- |
- |
- |
КТ50 |
491 |
638 |
12 |
30 |
589 |
|
25Х2ГНМФЛ2) |
- |
- |
- |
- |
- |
- |
КТ110 |
1079 |
1275 |
5 |
25 |
392 |
|
27Х5ГСМЛ |
- |
- |
- |
- |
- |
- |
КТ120 |
1177 |
1472 |
5 |
20 |
392 |
|
30Х3С3ГМЛ |
- |
- |
- |
- |
- |
- |
КТ150 |
1472 |
1766 |
4 |
15 |
196 |
|
03Н12Х5М3ТЛ |
- |
- |
- |
- |
- |
- |
КТ130 |
1275 |
1324 |
8 |
45 |
491 |
|
03Н12Х5М3ТЮЛ |
- |
- |
- |
- |
- |
- |
КТ145 |
1422 |
1472 |
8 |
35 |
294 |
|
Стали конструкционные легированные, применяемые в договорно-правовых отношениях между странами - членами СЭВ |
||||||||||||
|
15ГЛ |
К20 |
235 |
413 |
22 |
35 |
373 |
- |
- |
- |
- |
- |
- |
|
30ГЛ |
К30 |
334 |
579 |
20 |
25 |
206 |
КТ45 |
481 |
628 |
16 |
20 |
235 |
|
45ГЛ |
К30 |
334 |
579 |
14 |
25 |
285 |
КТ30 |
334 |
628 |
13 |
20 |
285 |
|
70ГЛ |
- |
- |
785 |
4 |
- |
- |
- |
- |
- |
- |
- |
- |
|
55СЛ |
К30 |
334 |
687 |
10 |
- |
- |
КТ40 |
392 |
736 |
12 |
- |
- |
|
40Г1, 5ФЛ |
- |
- |
- |
- |
- |
- |
КТ50 |
520 |
819 |
8 |
20 |
285 |
|
15ХЛ |
К20 |
196 |
383 |
30 |
30 |
373 |
- |
- |
- |
- |
- |
- |
|
30ХЛ |
К25 |
285 |
530 |
15 |
30 |
265 |
КТ40 |
432 |
677 |
15 |
30 |
402 |
|
25ХГЛ |
- |
- |
- |
- |
- |
- |
КТ30 |
304 |
579 |
12 |
20 |
206 |
|
35ХГЛ |
К30 |
334 |
628 |
14 |
25 |
137 |
КТ35 |
383 |
726 |
10 |
20 |
167 |
|
50ХГЛ |
- |
- |
687 |
5 |
- |
- |
- |
- |
775 |
13 |
- |
- |
|
60ХГЛ |
- |
- |
785 |
4 |
- |
285 |
КТ30 |
338 |
628 |
13 |
20 |
285 |
|
70Х2ГЛ |
- |
- |
785 |
4 |
- |
- |
- |
- |
- |
- |
- |
- |
|
35ХГФЛ |
К40 |
392 |
638 |
13 |
- |
285 |
КТ50 |
491 |
687 |
15 |
- |
383 |
|
40ХФЛ |
К55 |
579 |
770 |
10 |
18 |
245 |
КТ90 |
883 |
1177 |
4 |
8 |
196 |
|
30ХМЛ |
К25 |
285 |
530 |
18 |
25 |
304 |
КТ30 |
334 |
677 |
14 |
25 |
265 |
|
40ХМЛ |
К30 |
334 |
628 |
14 |
25 |
206 |
КТ45 |
481 |
677 |
11 |
20 |
206 |
|
40ХНЛ |
- |
- |
- |
- |
- |
- |
КТ45 |
481 |
672 |
12 |
25 |
383 |
|
40ХН2Л |
К35 |
373 |
638 |
15 |
25 |
285 |
КТ55 |
540 |
785 |
12 |
20 |
334 |
|
30ХГ1, 5МФРЛ |
К65 |
638 |
981 |
4 |
5 |
49 |
КТ95 |
932 |
1275 |
2 |
4 |
147 |
|
75ХНМФЛ |
- |
- |
981 |
3 |
- |
- |
- |
- |
- |
- |
- |
- |
|
40ГТЛ |
К30 |
323 |
608 |
14 |
25 |
285 |
КТ40 |
422 |
726 |
10 |
20 |
334 |
|
20ГНМЮЛ |
К35 |
343 |
500 |
18 |
30 |
491 |
- |
- |
- |
- |
- |
- |
1), 2) Характеристики механических свойств получены при режиме термической обработки, указанном в табл. 11.
3.6. Удаление питателей и прибылей проводится любым способом.
Удаление питателей и прибылей огневой резкой должно проводиться до окончательной термической обработки.
Удаление питателей и прибылей огневой резкой после окончательной термической обработки должно быть указано в КД и НТД.
3.7. На подлежащей механической обработке поверхности отливки не допускаются дефекты поверхности в виде раковин, спаев, утяжин, плен и т.д., превышающие по глубине припуск на механическую обработку.
На обработанных поверхностях отливок допускаются раковины, не влияющие на работоспособность и прочность детали, размеры и расположение которых указаны в КД на отливки.
3.8. На необрабатываемых поверхностях отливок допускаются без исправления раковины и другие дефекты, кроме трещин, вид, размеры, количество и расположение которых указаны в КД.
3.9. Допускается исправлять на отливках дефекты, снижающие прочность и работоспособность отливок, если это оговорено в КД.
3.10. При исправлении дефектов заваркой она должна проводиться до окончательной термической обработки, если нет других указаний в КД и НТД.
Допустимость исправления заваркой дефектов, обнаруженных после окончательной термической или механической обработки, а также необходимость и вид последующей термической обработки отливок указывают в КД и НТД.
|
Марка стали |
Предел текучести sТ, МПа |
Временное сопротивление sв, МПа |
Относительное удлинение d, % |
Относительное сужение y, % |
Ударная вязкость KCU, кДж/м2 |
|
|
Не менее |
||||||
|
Стали легированные со специальными свойствами |
||||||
|
Мартенситный |
20Х5МЛ |
392 |
589 |
16 |
30 |
392 |
|
20Х8ВЛ |
392 |
589 |
16 |
30 |
392 |
|
|
20Х13Л |
441 |
589 |
16 |
40 |
392 |
|
|
08Х14НДЛ |
510 |
648 |
15 |
40 |
590 |
|
|
09Х16Н4БЛ1) |
785 |
932 |
10 |
- |
392 |
|
|
09Х16Н4БЛ2) |
883 |
1128 |
8 |
- |
245 |
|
|
09Х17Н3СЛ1) |
736 |
981 |
8 |
15 |
196 |
|
|
09Х17Н3СЛ2) |
736 |
932 |
8 |
20 |
245 |
|
|
09Х17Н3СЛ3) |
638 |
834 |
6 |
10 |
- |
|
|
40Х9С2Л |
Не нормируются |
|||||
|
10Х12НДЛ |
441 |
638 |
14 |
30 |
294 |
|
|
20Х12ВНМФЛ |
491 |
589 |
15 |
30 |
294 |
|
|
Мартенситно-ферритный |
15Х13Л |
392 |
540 |
16 |
45 |
491 |
|
Ферритный |
15Х25ТЛ |
275 |
441 |
- |
- |
- |
|
Аустенитно-мартенситный |
08Х15Н4ДМЛ |
589 |
736 |
17 |
45 |
981 |
|
08Х14Н7МЛ |
687 |
981 |
10 |
25 |
294 |
|
|
14Х18Н4Г4Л |
245 |
441 |
25 |
35 |
981 |
|
|
Аустенитно-ферритный |
12Х25Н5ТМФЛ |
392 |
540 |
12 |
40 |
294 |
|
35Х23Н7СЛ |
245 |
540 |
12 |
- |
- |
|
|
40Х24Н12СЛ |
245 |
491 |
20 |
28 |
- |
|
|
20Х20Н14С2Л |
245 |
491 |
20 |
25 |
- |
|
|
16Х18Н12С4ТЮЛ |
245 |
491 |
15 |
30 |
275 |
|
|
10Х18Н3Г3Д2Л |
491 |
687 |
12 |
25 |
294 |
|
|
Аустенитный |
10Х18Н9Л |
177 |
441 |
25 |
35 |
981 |
|
12Х18Н9ТЛ |
196 |
441 |
25 |
32 |
590 |
|
|
10Х18Н11БЛ |
196 |
441 |
25 |
35 |
590 |
|
|
07Х17Н16ТЛ |
196 |
441 |
40 |
55 |
392 |
|
|
12Х18Н12М3ТЛ |
216 |
441 |
25 |
30 |
590 |
|
|
55Х18Г14С2ТЛ |
- |
638 |
6 |
- |
147 |
|
|
15Х23Н18Л |
294 |
540 |
25 |
30 |
981 |
|
|
20Х25Н19С2Л |
245 |
491 |
25 |
28 |
- |
|
|
18Х25Н19СЛ |
245 |
491 |
25 |
28 |
- |
|
|
45Х17Г13Н3ЮЛ |
- |
491 |
10 |
18 |
981 |
|
|
15Х18Н22В6М2РЛ |
196 |
491 |
5 |
- |
- |
|
|
08Х17Н34В5Т3Ю2РЛ |
687 |
785 |
3 |
3 |
- |
|
|
20Х21Н46В8РЛ |
- |
441 |
6 |
8 |
294 |
|
|
Аустенитный |
35Х18Н24С2Л |
294 |
549 |
20 |
25 |
- |
|
31Х19Н9МВБТЛ |
294 |
540 |
12 |
- |
294 |
|
|
12Х18Н12БЛ |
196 |
392 |
13 |
18 |
196 |
|
|
110Г13Х2БРЛ |
491 |
- |
22 |
30 |
1962 |
|
|
130Г14ХМФАЛ |
441 |
883 |
50 |
40 |
2453 |
|
|
Мартенситный |
85Х4М5Ф2В6Л (Р6М5Л) |
Не регламентируются |
||||
|
90Х4М4Ф2В6Л (Р6М4Ф2Л) |
Не регламентируются |
|||||
|
Стали легированные со специальными свойствами, применяемые в договорно-правовых отношениях между странами - членами СЭВ |
||||||
|
Мартенситно-ферритный |
15Х14НЛ1) |
289 |
481 |
15 |
50 |
294 |
|
15Х14НЛ2) |
383 |
579 |
15 |
50 |
441 |
|
|
08Х12Н4ГСМЛ |
549 |
736 |
15 |
35 |
540 |
|
|
Аустенитно-ферритный |
12Х21Н5Г2СЛ |
343 |
549 |
22 |
20 |
590 |
|
12Х21Н5Г2СТЛ |
343 |
549 |
12 |
10 |
196 |
|
|
12Х21Н5Г2СМ2Л |
343 |
549 |
22 |
20 |
590 |
|
|
12Х19Н7Г2САЛ |
240 |
481 |
20 |
30 |
590 |
|
|
12Х21Н5Г2САЛ |
334 |
657 |
18 |
20 |
245 |
|
|
07Х18Н10Г2С2М2Л |
177 |
432 |
30 |
35 |
441 |
|
|
15Х18Н10Г2С2М2Л |
216 |
432 |
30 |
35 |
785 |
|
|
15Х18Н10Г2С2М2ТЛ |
196 |
432 |
20 |
- |
- |
|
1), 2), 3) Характеристики механических свойств получены при режиме термической обработки, указанном в табл. 12.
Примечание. Механические свойства стали марок 110Г13Л, 110Г13ФТЛ и 120Г10ФЛ устанавливаются по согласованию изготовителя с потребителем.
3.11. Допустимость несплошностей в виде раковин, пористости и т.д., а также их размеры, количество и расположение указывают в КД и НТД.
3.12. Допускается правка (исправление коробления) отливок в холодном и горячем состоянии. Размеры правки, необходимость отпуска для снятия напряжений после правки устанавливают в КД и НТД.
3.13. Необходимость проверки обезуглероженного слоя металла отливок и его глубину указывают в КД и НТД.
На обрабатываемых трущихся поверхностях отливок и в местах проверки твердости припуск на механическую обработку должен обеспечивать полное удаление обезуглероженного слоя.
3.14. Нормы дополнительных контролируемых показателей устанавливаются в КД и (или) НТД.
3.15. Отливки должны иметь на необрабатываемой поверхности клеймо технического контроля предприятия-изготовителя и маркировку в соответствии с требованиями КД и НТД. Знаки маркировки могут быть литыми, набивными или нанесенными несмываемой краской.
При невозможности маркирования и клеймения из-за конфигурации и размеров партия отливок должна иметь бирку с маркировкой и клеймом технического контроля с указанием количества отливок в партии. При поточно-массовом производстве отливок маркировать и клеймить их необходимо в соответствии с указанием в КД и НТД.
4.1. Отливки принимают партиями. Партию составляют из отливок одной плавки. По согласованию изготовителя с потребителем партию допускается составлять из отливок стали одной марки одной или нескольких плавок сменной выплавки, прошедших термическую обработку в одной или нескольких садках по одинаковому режиму с обязательной регистрацией режима автоматическими приборами.
Партию отливок, термически не обработанных на предприятии-изготовителе, комплектуют из отливок одной плавки.
Для отливок, предназначенных для изделий, подлежащих приемке представителем заказчика, партия комплектуется из отливок, прошедших термическую обработку.
При поточно-массовом производстве по согласованию изготовителя с потребителем допускается составлять партию из отливок стали одной марки нескольких плавок, изготовленных по одному чертежу, выплавленных на одной шихте и прошедших термическую обработку по одному режиму. При этом в документе о качестве вместо номера плавки допускается указывать номер партии.
При мелкосерийном производстве при установившемся технологическом процессе по согласованию изготовителя с потребителем допускается составление партии из отливок стали одной марки нескольких плавок; по согласованию изготовителя с представителем заказчика допускается составлять партию из отливок стали одной марки нескольких плавок сменной выплавки.
Допускается составлять партию из отливок 1-й и 2-й группы близких по конфигурации и размерам, изготовленных по разным чертежам из стали одной плавки, прошедших термическую обработку в одной садке.
4.2. Приемку отставших от партии отливок, а также отливок, исправленных заваркой с последующей термической обработкой, проводят по результатам испытаний основной партии, если режим термической обработки в обоих случаях одинаков и подтверждается записью автоматических приборов или по результатам испытаний образцов других партий той же марки стали, термически обработанных одновременно с отставшими отливками.
4.3. На партию отливок должен составляться документ о качестве, содержащий:
товарный знак предприятия-изготовителя;
номер чертежа или отливки;
условное обозначение отливки;
количество и массу отливок;
номер партии;
номер плавки;
марку стали;
результаты химического анализа;
вид термической обработки;
результаты механических испытаний;
результаты дополнительных испытаний;
обозначение настоящего стандарта.
4.4. Для проверки соответствия химического состава стали отливок требованиям, указанным в табл. 1 и 2, выборку проводят по ГОСТ 7565 (разд. 2).
Допускается проверку соответствия химического состава стали отливок проводить на каждой плавке.
Допускается проверять соответствие химического состава конструкционной нелегированной и легированной стали от одной плавки в смену при установившемся технологическом процессе, постоянной шихте и выплавке стали одной марки в печах вместимостью не более 3 т - для отливок 1-й группы, вместимостью не более 500 кг - для отливок 2-й и 3-й групп.
При поточно-массовом производстве объем контроля химического состава устанавливают по КД и (или) НТД.
4.5. Для контроля соответствия отливок требованиям настоящего стандарта устанавливают приемо-сдаточные, периодические и типовые испытания. Вид и объем испытаний указывают в КД и (или) НТД.
Для проверки соответствия показателей механических свойств стали отливок требованиям настоящего стандарта для каждой партии отливают пробные бруски в количестве, указанном в КД и (или) НТД на отливки.
Допускается по указанию в КД и (или) НТД отливать пробные бруски от одной или нескольких плавок данной смены.
По согласованию изготовителя с потребителем допускается проводить проверку показателей механических свойств стали на отливках, отбираемых от каждой партии в соответствии с КД и (или) НТД.
Проверку соответствия показателей механических свойств стали отливок требуемой в настоящем стандарте категории прочности изготовитель проводит для каждой партии отливок 2-й и 3-й группы.
Допускается проводить оценку показателей механических свойств нелегированных конструкционных сталей методами математической статистики в соответствии с КД и НТД на отливки и по согласованию с представителем заказчика, принимающим продукцию.
При поточно-массовом производстве контроль показателей механических свойств стали проводят периодически по КД и (или) НТД.
4.6. Механические свойства стали отливок проверяют на одном образце при испытании на растяжение и на двух образцах при испытании на ударный изгиб.
4.7. При получении неудовлетворительных результатов испытаний хотя бы по одному из показателей механических свойств по нему проводят повторное испытание на удвоенном количестве образцов, взятых от пробных брусков или отливок той же партии и плавки, или отливки и пробные бруски подвергают повторной термической обработке и проводят испытания всех механических свойств.
4.8. Соответствие внешнего вида отливок чертежу и требованиям пп. 3.5, 3.7 - 3.9 проверяют на каждой отливке партии.
4.9. Размеры отливок, подлежащие контролю, а также вид контроля и объем выборки устанавливают в КД и (или) НТД на отливки.
4.10. Объем, периодичность и методы контроля металла отливок на соответствие требованиям п. 3.11 (магнитная и капиллярная дефектоскопия, просвечивание рентгеновскими или гамма-лучами и др.) устанавливают в КД и НТД.
4.11. Объем и периодичность испытаний дополнительных контролируемых показателей устанавливают в КД и (или) НТД.
5.1. Контроль химического состава проводят по ГОСТ 12344, ГОСТ 12345, ГОСТ 12346, ГОСТ 12347, ГОСТ 12348, ГОСТ 12349, ГОСТ 12350, ГОСТ 12351, ГОСТ 12352, ГОСТ 12354, ГОСТ 12355, ГОСТ 12356, ГОСТ 12357, ГОСТ 12359, ГОСТ 12360, ГОСТ 12361, ГОСТ 28473, ГОСТ 22536.0 - ГОСТ 22536.5, ГОСТ 22536.7 - ГОСТ 22536.12, ГОСТ 22536.14 или другими методами, обеспечивающими точность определения, предусмотренную указанными стандартами.
5.2. Пробы для определения химического состава стали отливок отбирают в соответствии с ГОСТ 7565.
При выплавке стали в печах вместимостью не более 500 кг допускается пробы для определения химического состава отбирать в середине разливки плавки и использовать пробы массой 200 г и более.
При заливке одной отливки отбор проб от плавки проводят после заливки формы.
Для определения химического состава допускается использовать металл, взятый от пробного бруска для механических испытаний или от отливки.
Пробы маркируют номером плавки.
5.3. Определение механических свойств металла отливок проводят на образцах, взятых от пробных брусков, или, при отсутствии пробных брусков, от отливок.
Пробные бруски рекомендуется отливать в середине разливки каждой плавки.
Примечание. По требованию представителя заказчика образцы изготавливают из отливок.
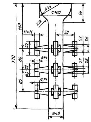
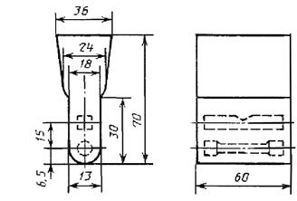
5.4. Рекомендуемые конфигурации, размеры пробных брусков и схема вырезки образцов указаны на черт. 1 - 6.
Для отливок, предназначенных для изделий, подлежащих приемке представителем заказчика, пробные бруски по черт. 2, 4, 5 не изготавливают.
Положение образцов для испытания на растяжение и определение ударной вязкости в пробных брусках не регламентируют и на чертежах оно указано условно.
Тип пробного бруска устанавливается предприятием-изготовителем.
При изготовлении отливок, требующих индивидуального контроля механических свойств, допускается применять приливной пробный брусок, размеры и место расположения которого устанавливают в КД и (или) НТД. Место расположения приливных брусков на отливках, предназначенных для изделий, подлежащих приемке представителем заказчика, устанавливается предприятием-изготовителем. Отделение приливных брусков от отливок может проводиться после окончательной термической обработки.
Условия изготовления пробных брусков и отливок должны быть одинаковыми. Пробные бруски или вырезанные из них заготовки для определения механических свойств должны проходить термическую обработку вместе с отливками данной партии.
Допускается отливать пробные бруски в песчаные формы (сухие или сырые) независимо от способа изготовления отливок.
Для толстостенных отливок допускается вырезать образцы на расстоянии не более 30 мм от внешней поверхности отливки.
5.5. Испытание на растяжение проводят по ГОСТ 1497 на образцах типа I - IV № 4.
Допускается проводить испытание на образцах типа II - IV № 7.
5.6. Определение ударной вязкости проводят по ГОСТ 9454 на образцах типа I.
5.7. Результаты испытаний образцов, имеющих дефекты, связанные с условиями их отливки (раковины, посторонние включения, горячие трещины, пористость и т.д.), условиями механической обработки или условиями испытания, в расчет не принимаются. Дефектные образцы заменяют новыми, взятыми из брусков или отливок.
5.8. Определение твердости по Бринеллю - по ГОСТ 9012, определение твердости по Роквеллу - по ГОСТ 9013.
5.9. Контроль внешнего вида отливок проводят по КД и (или) НТД.
5.10. Определение глубины обезуглероженного слоя - по ГОСТ 1763.
5.11. Испытание на жаростойкость - по ГОСТ 6130.
5.12. Испытание на стойкость против межкристаллитной коррозии - по ГОСТ 6032.
Примечание: Методы испытания сталей, не включенных в ГОСТ 6032, устанавливают в КД и (или) НТД.
5.13. Испытание на растяжение при повышенных температурах проводят по ГОСТ 9651, при пониженных температурах - по ГОСТ 11150.
5.14. Испытание длительной прочности - по ГОСТ 10145.
5.15. Методы испытаний специальных свойств, не оговоренные в настоящем стандарте, должны быть указаны в КД и (или) НТД.
6.1. Правила упаковки, транспортирования и хранения отливок устанавливают в КД и (или) НТД на отливку.
Справочное
|
Область применения |
|
|
20ГЛ |
Диски, звездочки, зубчатые венцы, барабаны и др. детали, к которым предъявляются требования по прочности и вязкости, работающие под действием статических и динамических нагрузок |
|
35ГЛ |
Диски, звездочки, зубчатые венцы, барабаны, шкивы и др. тяжелонагруженные детали экскаваторов, крышки подшипников, цапфы |
|
20ГСЛ |
Корпусные детали гидротурбин, работающие при температуре до 450 °С |
|
30ГСЛ |
Зубчатые колеса, ролики, обоймы, зубчатые венцы, рычаги, фланцы, шкивы, сектора, колонны, ходовые колеса и другие детали |
|
20Г1ФЛ |
Рамы, балки, корпуса и др. детали вагонов |
|
20ФЛ |
Литые детали вагонов, металлургического и горнодобывающего оборудования |
|
30ХГСФЛ |
Литые детали экскаваторов |
|
45ФЛ |
Износостойкие литые детали для тракторов и металлургического оборудования |
|
32Х06Л |
Кронштейны, балансиры, катки, другие ответственные детали со стенкой толщиной до 50 мм и общей массой детали до 80 кг |
|
40ХЛ |
Детали повышенной прочности, а также работающие на износ |
|
20ХМЛ |
Шестерни, крестовины, втулки, зубчатые колеса, цилиндры, обоймы и другие корпусные детали, работающие при температуре до 500 °С |
|
20ХМФЛ |
Детали арматуры, корпусные детали, цилиндры, работающие при температуре до 540 °С |
|
20ГНМФЛ |
Сварные конструкции больших сечений, бандажи цементных печей |
|
35ХМЛ |
Шестерни, крестовины, втулки, зубчатые колеса, печные детали и другие ответственные детали, к которым предъявляются требования высокой прочности и вязкости, работающие под действием статических и динамических нагрузок |
|
30ХНМЛ |
Ответственные нагруженные детали, к которым предъявляются требования высокой прочности и достаточной вязкости, работающие под действием статических и динамических нагрузок при температуре до 400 °С |
|
35ХГСЛ |
Зубчатые колеса, звездочки, оси, валы, муфты и др. ответственные детали, от которых требуется повышенная износостойкость |
|
35НГМЛ |
Ответственные нагруженные детали, к которым предъявляются требования высокой прочности и достаточной вязкости, работающие под действием статических и динамических нагрузок |
|
20ДХЛ |
То же |
|
08ГДНФЛ |
Сварные конструкции, ответственные детали со стенкой толщиной до 700 мм, к которым предъявляются требования высокой вязкости и достаточной прочности, работающие при температурах не более 350 °С |
|
13ХНДФТЛ |
Сварные конструкции, ответственные нагруженные детали, к которым предъявляются требования достаточной прочности и вязкости, работающие под действием статических и динамических нагрузок при температуре до 500 °С |
|
12ДН2ФЛ |
Сварные конструкции, ответственные нагруженные детали, к которым предъявляются требования достаточной прочности и вязкости, работающие под действием статических и динамических нагрузок при температуре до 400 °С |
|
12ДХН1МФЛ |
Сварные конструкции, ответственные нагруженные детали, к которым предъявляется требования высокой прочности и достаточной вязкости, работающие под действием статических и динамических нагрузок |
|
23ХГС2МФЛ |
Детали ответственного назначения со стенкой толщиной до 30 мм, работающие в условиях циклических и ударных нагрузок и в условиях ударно-абразивного износа |
|
12Х7Г3СЛ |
Ответственные высоконагруженные детали со стенкой толщиной до 100 мм, работающие в условиях статических и динамических нагрузок |
|
25Х2ГНМФЛ |
Детали ответственного назначения со стенкой толщиной до 50 мм, работающие в условиях статических и динамических нагрузок |
|
27Х5ГСМЛ |
Высоконагруженные детали ответственного назначения со стенкой толщиной до 50 мм, работающие в условиях ударных нагрузок и ударно-абразивного износа |
|
30Х3С3ГМЛ |
Высоконагруженные детали ответственного назначения со стенкой толщиной до 30 мм, к которым предъявляются требования высокой прочности и достаточной вязкости |
|
03Н12Х5М3ТЛ |
Высоконагруженные детали ответственного назначения со стенкой толщиной до 200 мм |
|
06Н12Х5М3ТЮЛ |
То же |
Справочное
|
Марка стали |
Основное свойство |
Область применения |
|
|
Легированные со специальными свойствами |
|||
|
|
20Х13Л |
Несколько менее коррозионностойкая в атмосферных условиях по сравнению со сталью марки 15Х13Л |
Детали, подвергающиеся ударным нагрузкам (турбинные лопатки, клапаны гидравлических прессов, арматура крекинг-установок, сегменты сопел, формы для стекла, рамы садочных окон, предметы домашнего обихода и др.), а также изделия, подвергающиеся действию относительно слабых агрессивных сред (атмосферные осадки, влажный пар, водные растворы солей органических кислот при комнатной температуре) |
|
|
08Х14НДЛ |
Коррозионностойкая в морской воде и атмосферных условиях. Коррозионная стойкость выше, чем у стали марок 15Х13Л и 20Х13Л |
Детали, работающие в морской воде (гребные винты и другие) |
|
Мартенситный |
09Х16Н4БЛ |
Коррозионностойкая. Высокопрочная при нормальной температуре, устойчива против окисления в атмосферных условиях при температуре до 500 °С |
Детали повышенной прочности для авиационной, химический и других отраслей промышленности |
|
|
09Х17Н3СЛ |
Коррозионностойкая сталь. Высокопрочная при нормальной температуре |
Детали повышенной прочности для авиационной, химической и других отраслей промышленности, работающие в средах средней агрессивности (азотная и слабые органические кислоты, растворы солей органических и неорганических кислот) |
|
20Х5МЛ |
Жаростойкая в горячих нефтяных средах, содержащих сернистые соединения. Жаростойкость до 600 °С |
Детали арматуры нефтеперерабатывающих установок, печные двойники, корпуса насосов, др. детали, работающие в нефтяных средах под давлением при температуре до 550 °С |
|
|
20Х8ВЛ |
Жаростойкая в более агрессивных сернистых средах по сравнению со сталью марки 20Х5МЛ, жаростойкость до 600 °С |
Те же детали, работающие в условиях сильно сернистых нефтяных сред под давлением при температуре до 575 °С |
|
|
40Х9С2Л |
Жаростойкая при температуре до 800 °С, жаропрочная при температуре до 700 °С |
Детали, работающие длительное время под нагрузкой при температуре до 700 °С (клапаны моторов, колосники, крепежные детали) |
|
|
10Х12НДЛ |
Кавитационностойкая. Коррозионностойкая и эрозионностойкая в условиях проточной воды. Сталь не склонна к отпускной хрупкости, не флокеночувствительна |
Элементы сварных конструкций рабочих колес гидротурбин, детали гидротурбин (лопатки, детали проточной части), работающие в условиях кавитационного разрушения |
|
|
20Х12ВНМФЛ |
Коррозионностойкая, жаропрочная до 650 °С |
Литые детали турбин (цилиндры, сопла, диафрагмы и арматура) с рабочей температурой до 600 °С |
|
|
Мартенситно-ферритный |
15Х13Л |
Коррозионностойкая в атмосферных условиях, в речной и водопроводной воде. Наивысшая коррозионная стойкость достигается термической обработкой и полировкой |
Детали с повышенной пластичностью, подвергающиеся ударным нагрузкам (турбинные лопатки, клапаны гидравлических прессов, арматура крекинг-установок и другие), а также изделия, подвергающиеся действию относительно слабых агрессивных сред (атмосферные осадки, влажный пар, водные растворы солей органических кислот при комнатной температуре) |
|
Ферритный |
15Х25ТЛ |
Коррозионностойкая, жаростойкая при температуре до 1100 °С, обладает удовлетворительной сопротивляемостью межкристаллитной коррозии |
Детали, не подвергающиеся действиям постоянных и переменных нагрузок (аппаратура для дымящейся азотной или фосфорной кислот), многие детали химического машиностроения, в том числе работающие в условиях контакта с мочевиной, печная арматура, плиты и другие |
|
Аустенитно-мартенситный |
08Х15Н4ДМЛ |
Коррозионностойкая в морской воде и атмосферных условиях. По сравнению с 08Х14НДЛ менее чувствительна к концентраторам напряжений |
Детали, работающие в морской воде (тяжелонагруженные гребные винты ледоколов и др.) |
|
08Х14Н7МЛ |
Коррозионностойкая |
Детали изделий, работающих при комнатных и низких (до минус 196°С) температурах |
|
|
14Х18Н4Г4Л |
Коррозионностойкая. Обладает большей, чем сталь марки 10Х18Н9Л склонностью к межкристаллитной коррозии |
Арматура для химической промышленности, коллекторы выхлопных систем, детали печной арматуры и др. |
|
|
Аустенитно-ферритный |
12Х25Н5ТМФЛ |
Коррозионностойкая, жаростойкая при температуре до 600 °С |
Арматура химической промышленности, детали авиационной и других отраслей промышленности, а также детали, работающие под высоким давлением до 300 атм (30 МПа) |
|
16Х18Н12С4ТЮЛ |
Коррозионностойкая |
Сварные изделия, работающие в агрессивных средах, в частности для концентрированной азотной кислоты при температуре 105 °С |
|
|
35Х23Н7СЛ |
Коррозионностойкая в сернистых средах, жаростойкая при температуре до 1000 °С |
Детали трубчатых печей нефтезаводов и другие детали, работающие при температуре до 1000 °С. Рекомендуется взамен стали марки 40Х24Н12СЛ |
|
|
40Х24Н12СЛ |
Коррозионностойкая, жаростойкая при температуре до 1000 °С, жаропрочная |
Детали, работающие при высокой температуре и давлении (лопатки компрессоров и сопловых аппаратов, печные конвейеры, шнеки, крепежные детали и другие) |
|
|
20Х20Н14С2Л |
Сталь жаростойкая до 1000 - 1050 °С, устойчива в науглероживающей среде |
Печные конвейеры, шнеки для цементации и другие детали, работающие при высоких температурах в нагруженном состоянии |
|
|
10Х18Н3Г3Д2Л |
Кавитационностойкая, имеет повышенную стойкость от песчаной эрозии по сравнению со сталью марки 10Х12НДЛ |
Литые лопатки и сварные детали рабочей части гидротурбин, работающих при напорах, не превышающих 80 л/ч в сечениях до 300 мм |
|
|
Аустенитный |
10Х18Н19Л |
Коррозионностойкая, жаростойкая до 750 °С. Не стойкая в сернистых средах. При содержании углерода в стали не более 0,07 % стойкая против межкристаллитной коррозии |
Арматура для химической промышленности, коллекторы выхлопных систем, детали печной арматуры, плиты для травильных корзин и другие детали, работающие при температуре до 400 °С |
|
12Х18Н9ТЛ |
Коррозионностойкая, жаростойкая до 750 °С, жаропрочная при температуре до 600 °С. Обладает высокой стойкостью против газовой и межкристаллитной коррозии |
Арматура для химической промышленности, коллекторы выхлопных систем, детали печной арматуры, ящики и крышки для травильных корзин и другие детали |
|
|
10Х18Н11БЛ |
Коррозионностойкая, жаропрочная при температуре до 800 °С. Нечувствительна к межкристаллитной коррозии |
Те же детали, а также детали газовых турбин разного назначения, детали турбокомпрессоров, работающих при малых нагрузках. Детали аппаратов целлюлозной, азотной, пищевой и мыловаренной промышленности |
|
|
07Х17Н16ТЛ |
Коррозионностойкая. Обладает малой магнитной восприимчивостью, высокой стойкостью против газовой и межкристаллитной коррозии, хорошей обрабатываемостью резанием |
Литые фасонные детали ответственного назначения, к которым предъявляются требования по малой магнитной восприимчивости, высокой коррозионной стойкости и хорошей обрабатываемости резанием |
|
|
12Х18Н12М3ТЛ |
Коррозионностойкая, жаропрочная, не подвержена межкристаллитной коррозии при температуре до 800 °С |
Детали, устойчивые при воздействии сернистой кипящей, фосфорной, муравьиной, уксусной и других кислот, а также детали, длительное время работающие под нагрузкой при температуре до 800 °С |
|
|
55ХГ8Г14С2ТЛ |
Коррозионностойкая сталь, жаростойкая до температуры 950 °С. В среде сернистой кислоты нестойкая |
Те же детали, которые изготовляют из стали марки 40Х24Н12СЛ |
|
|
15Х23Н18Л |
Жаропрочная до 900 °С. При температуре 600 - 800 °С склонна к охрупчиванию из-за образования сигма-фазы |
Детали установок для химической, нефтяной и автомобильной промышленности, газопроводы, камеры сгорания сопловых аппаратов. Детали печной арматуры, не требующие высокой механической прочности (может применяться для нагревательных элементов сопротивления) |
|
|
Аустенитный |
20Х25Н19С2Л |
Коррозионностойкая, жаростойкая при температуре до 1100 °С |
Реторты для отжига, части печей и ящики для цементации |
|
18Х25Н19СЛ |
Коррозионностойкая, кислотоупорная, жаростойкая |
Детали паровых и газовых турбин, котельных установок, лопаток и венцов компрессоров и сопловых аппаратов турбин и другие детали, работающие при высоких температурах |
|
|
45Х17Г13Н3ЮЛ |
Коррозионностойкая, стойкая против коррозии в сернистых средах. Жаростойкая при температуре до 900 °С, жаропрочная |
Детали отпускных, закалочных и цементационных печей, подовые плиты, короба, тигли для соляных ванн и другие детали, работающие при высоких температурах. Рекомендуется как заменитель стали марки 40Х24Н12СЛ |
|
|
35Х18Н24С2Л |
Коррозионностойкая, жаростойкая при температуре до 1100 - 1200 °С, жаропрочная |
Детали, работающие при высоких температурах в сильнонагруженном состоянии (печные конвейеры, шнеки, крепежные детали) |
|
|
31Х19Н9МВБТЛ |
Сталь жаропрочная |
Рабочие колеса турбины турбокомпрессоров, турбинные и направляющие аппараты |
|
|
12Х18Н12БЛ |
Коррозионностойкая, жаропрочная до 650 °С |
Литые детали энергоустановок с длительным сроком работы при 600 - 650 °С и ограниченным при 700 °С |
|
|
08Х17Н34В5Т3Ю2РЛ |
Жаростойкая при температуре до 1000 °С |
Сопловые и рабочие лопатки газовых турбин, цельнолитые роторы и другие детали, работающие при температуре до 800 °С |
|
|
15Х18Н22В6М2РЛ |
Жаростойкая при температуре до 1000 °С, жаропрочная при температуре до 800 °С |
Детали двигателей авиационной промышленности (рабочие и сопловые лопатки газовых турбин и другие) |
|
|
20Х21Н46В8РЛ |
Жаростойкая при температуре до 1000 °С, жаропрочная при температуре до 800 °С |
Детали двигателей авиационной промышленности (рабочие и сопловые лопатки газовых турбин и другие) |
|
|
Аустенитный |
110Г13Л |
Высокое сопротивление износу при одновременном воздействии высоких давлений или ударных нагрузок |
Корпуса вихревых и шаровых мельниц, щеки дробилок, трамвайные и железнодорожные стрелки и крестовины, гусеничные траки, звездочки, зубья ковшей экскаваторов и другие детали, работающие на ударный износ |
|
110Г13ФТЛ |
Высокое сопротивление ударно-абразивному изнашиванию, высокая хладостойкость |
Корпуса вихревых и шаровых мельниц, щеки дробилок, трамвайные и железнодорожные стрелки и крестовины, гусеничные траки, звездочки, зубья ковшей экскаваторов и другие детали, работающие на ударный износ; детали металлургического и горнообогатительного оборудования |
|
|
130Г14ХМФАЛ |
Высокое сопротивление износу при одновременном воздействии высоких давлений или ударных нагрузок. Высокая стойкость против абразивного изнашивания, высокая хладостойкость. Сохраняет высокое значение ударной вязкости в упрочненном состоянии (в процессе эксплуатации деталей) |
Корпуса вихревых и шаровых мельниц, щеки дробилок, трамвайные и железнодорожные стрелки и крестовины, гусеничные траки, звездочки, зубья ковшей экскаваторов и другие детали, работающие на ударный износ |
|
|
120Г10ФЛ |
Высокое сопротивление абразивному износу |
Звенья гусениц тракторов и другие детали, работающие в условиях абразивного износа |
|
|
110Г13Х2БРЛ |
Высокое сопротивление износу при одновременном воздействии высоких давлений или ударных нагрузок |
Для спецпродукции |
|
|
Мартенситный |
85Х4М5Ф2В6Л (Р6М5Л) |
Высокая износоустойчивость, теплостойкая |
Литые заготовки для инструмента, получаемого последующим методом горячей пластической деформации (ковка, горячее выдавливание) и для литого металлорежущего инструмента (применяются для отливок 1-ой группы) |
|
90Х4М4Ф2В6Л (Р6М4Ф2Л) |
Высокая износоустойчивость, теплостойкая |
То же |
|
|
Легированные со специальными свойствами, применяемые в договорно-правовых отношениях между странами - членами СЭВ |
|||
|
Мартенситно-ферритный |
15Х14НЛ |
Коррозионностойкая в воде, влажном паре, разбавленной азотной кислоте и слабых органических кислотах. Повышенная стойкость против кавитации |
Применяется в договорно-правовых отношениях |
|
08Х12Н4ГСМЛ |
Коррозионностойкая в воде, влажном паре, разбавленной азотной кислоте и слабых органических кислотах |
То же |
|
|
Аустенитно-ферритный |
12Х21Н5Г2СЛ |
Коррозионностойкая на воздухе, в азотной кислоте, очень разбавленной серной кислоте и слабых или разбавленных органических кислотах |
Применяется в договорно-правовых отношениях |
|
12Х21Н5Г2СТЛ |
Коррозионностойкая на воздухе, в азотной кислоте, очень разбавленной серной кислоте и слабых или разбавленных органических кислотах, более стойкая против межкристаллитной коррозии, чем сталь 10Х18Н9Л |
Применяется в договорно-правовых отношениях |
|
|
Аустенитно-ферритный |
12Х21Н5Г2СМ2Л |
Коррозионностойкая в ряде неорганических и органических кислот |
Применяется в договорно-правовых отношениях |
|
12Х19Н7Г2САЛ |
Коррозионностойкая на воздухе, в азотной кислоте, очень разбавленной серной кислоте и слабых или разбавленных органических кислотах |
То же |
|
|
12Х21Н5Г2САЛ |
Коррозионностойкая на воздухе, в азотной кислоте, очень разбавленной серной кислоте и слабых или разбавленных органических кислотах |
» |
|
|
07Х18Н10Г2С 2М2Л |
Коррозионностойкая в ряде неорганических и органических кислот, более стойкая против межкристаллитной коррозии, чем сталь марки 15Х18Н10Г2С2М2Л |
» |
|
|
15Х18Н10Г2С2М2Л |
Коррозионностойкая в ряде неорганических и органических кислот |
» |
|
|
15Х18Н10Г2С2М2ТЛ |
Коррозионностойкая в ряде неорганических и органических кислот, более стойкая против межкристаллитной коррозии, чем сталь марки 15Х18Н10Г2С2М2Л |
» |
|
Рекомендуемое
|
Режим термической обработки |
|||||
|
Нормализация и отпуск |
Закалка и отпуск |
||||
|
Нормализация |
Отпуск |
Закалка |
Отпуск |
||
|
Температура, °С |
|||||
|
15Л |
910 - 930 или |
- |
- |
- |
|
|
910 - 930 |
670 - 690 |
- |
- |
||
|
20Л |
880 - 900 или |
- |
- |
- |
|
|
880 - 900 |
630 - 650 |
- |
- |
||
|
25Л |
880 - 900 |
610 - 630 |
870 - 890 |
610 - 630 |
|
|
30Л |
880 - 900 |
610 - 630 |
860 - 880 |
610 - 630 |
|
|
35Л |
860 - 880 |
600 - 630 |
860 - 880 |
600 - 630 |
|
|
40Л |
860 - 880 |
600 - 630 |
860 - 880 |
600 - 630 |
|
|
45Л |
860 - 880 |
600 - 630 |
860 - 880 |
600 - 630 |
|
|
50Л |
860 - 880 |
600 - 630 |
860 - 880 |
600 - 630 |
|
|
20ГЛ |
880 - 900 |
600 - 650 |
870 - 890 |
620 - 650 |
|
|
35ГЛ |
880 - 900 |
600 - 650 |
850 - 860 |
600 - 650 |
|
|
20ГСЛ |
870 - 890 |
570 - 600 |
- |
- |
|
|
30ГСЛ |
870 - 890 |
570 - 600 |
920 - 950 |
570 - 650 |
|
|
20Г1ФЛ |
930 - 970 |
600 - 650 |
- |
- |
|
|
20ФЛ |
920 - 960 |
600 - 650 |
- |
- |
|
|
30ХГСФЛ |
900 - 930 |
600 - 650 |
900 - 920 |
630 - 670 |
|
|
45ФЛ |
880 - 920 |
600 - 650 |
880 - 920 |
600 - 650 |
|
|
32Х06Л |
- |
- |
890 - 910 |
620 - 660 |
|
|
40ХЛ |
- |
- |
850 - 870 |
600 - 650 |
|
|
20ХМЛ |
880 - 890 |
600 - 650 |
- |
- |
|
|
20ХМФЛ |
970 - 1000 и 960 - 980 |
710 - 740 |
- |
- |
|
|
20ГНМФЛ |
910 - 930 |
600 - 650 |
910 - 930 |
640 - 660 |
|
|
35ХМЛ |
860 - 880 |
600 - 650 |
860 - 870 |
600 - 650 |
|
|
30ХНМЛ |
860 - 880 |
600 - 650 |
860 - 870 |
600 - 650 |
|
|
35ХГСЛ |
870 - 890 |
570 - 600 |
870 - 880 |
630 - 670 |
|
|
35НГМЛ |
- |
- |
860 - 880 |
600 - 650 |
|
|
20ДХЛ |
880 - 890 |
560 - 600 |
880 - 890 |
560 - 600 |
|
|
08ГДНФЛ |
920 - 950 или |
- |
- |
- |
|
|
920 - 950 |
590 - 650 |
- |
- |
||
|
13ХНДФТЛ |
950 - 970 или |
- |
- |
- |
|
|
900 - 920 |
530 - 560 |
- |
- |
||
|
12ДН2ФЛ |
910 - 930 |
530 - 560 или |
- |
- |
|
|
|
Предварительная обработка |
Окончательная обработка |
|||
|
|
940 - 850 |
- |
890 - 910 |
560 - 600 |
|
|
12ДХН1МФЛ |
940 - 960 или |
- |
- |
- |
|
|
|
890 - 910 |
520 - 630 |
890 - 910 |
520 - 630 |
|
|
23ХГС2МФЛ |
Предварительная обработка |
Окончательная обработка |
|||
|
|
1000 - 1040 |
720 - 740 |
1000 - 1020 |
180 - 220 |
|
|
12Х7Г3СЛ |
Предварительная обработка |
Окончательная обработка |
|||
|
|
940 - 960 |
650 - 720 |
880 - 900 |
200 - 250 |
|
|
25Х2ГНМФЛ1) |
Предварительная обработка |
Окончательная обработка |
|||
|
|
900 - 950 |
650 - 700 |
880 - 920 |
630 - 700 |
|
|
25Х2ГНМФЛ2) |
Предварительная обработка |
Окончательная обработка |
|||
|
|
900 - 950 |
660 - 680 |
900 - 950 |
260 - 300 |
|
|
27Х5ГСМЛ |
Предварительная обработка |
Окончательная обработка |
|||
|
|
970 - 990 |
700 - 720 |
980 - 1000 |
200 - 220 |
|
|
30Х3С3ГМЛ |
Предварительная обработка |
Окончательная обработка |
|||
|
|
970 - 990 |
700 - 720 |
980 - 1000 |
200 - 220 |
|
|
Стали конструкционные легированные, применяемые в договорно-правовых отношениях между странами - членами СЭВ |
|||||
|
15ГЛ |
900 - 920 |
550 - 650 |
- |
- |
|
|
30ГЛ |
860 - 890 |
550 - 650 |
840 - 860 |
570 - 610 |
|
|
45ГЛ |
870 - 890 |
570 - 600 |
840 - 860 |
600 - 650 |
|
|
70ГЛ |
790 - 820 |
580 - 650 |
- |
- |
|
|
55СЛ |
840 - 880 |
650 - 720 |
820 - 850 |
650 - 720 |
|
|
40Г1, 5ФЛ |
- |
- |
860 - 870 |
640 - 660 |
|
|
15ХЛ |
900 - 930 |
550 - 650 |
- |
- |
|
|
30ХЛ |
900 - 920 |
550 - 650 |
890 - 910 |
620 - 660 |
|
|
25ХГЛ |
- |
- |
860 - 890 |
500 - 680 |
|
|
35ХГЛ |
850 - 880 |
550 - 650 |
840 - 860 |
500 - 680 |
|
|
50ХГЛ |
820 - 850 |
620 - 650 |
830 - 850 |
620 - 650 |
|
|
60ХГЛ |
850 - 890 |
630 - 680 |
- |
- |
|
|
70Х2ГЛ |
820 - 860 |
630 - 680 |
- |
- |
|
|
35ХГФЛ |
850 - 890 |
700 - 740 |
840 - 880 |
700 - 740 |
|
|
40ХФЛ |
870 - 890 |
500 - 520 |
870 - 890 |
500 - 520 |
|
|
30ХМЛ |
850 - 890 |
550 - 660 |
840 - 870 |
530 - 670 |
|
|
40ХМЛ |
850 - 880 |
550 - 660 |
830 - 860 |
530 - 670 |
|
|
40ХНЛ |
860 - 900 |
550 - 660 |
830 - 870 |
550 - 650 |
|
|
40ХН2Л |
860 - 900 |
550 - 660 |
830 - 870 |
550 - 650 |
|
|
30ХГ1, 5МФРЛ |
910 - 960 |
- |
870 - 890 |
220 - 280 |
|
|
40ГТЛ |
870 - 920 |
620 - 660 |
680 - 880 |
620 - 660 |
|
|
75ХНМФЛ |
840 - 870 |
630 - 670 |
- |
- |
|
|
20ГНМЮЛ |
880 - 920 |
6010 - 700 |
- |
- |
|
1), 2) Режимы термической обработки, обеспечивающие получение уровня механических свойств, указанного в табл. 7.
Примечания:
1. Для стали марки 40ХФЛ допускается применять отпуск после нормализации.
2. Для стали марки 23ХГС2МФЛ приведенные режимы предварительной термической обработки могут заменяться закалкой с отпуском, отжигом или отпуском.
3. Для стали марок 03Н12Х5М3ТЛ и 03Н12Х5М3ТЮЛ рекомендуется применять термическую обработку по режиму: гомогенизация при температуре 1180 - 1200 °С; закалка с 1000 °С; старение при температуре 500 °С.
Рекомендуемое
|
Марка стали |
Рекомендуемый режим термической обработки |
|
|
Мартенситный |
20Х5МЛ |
Отжиг при 940 - 960 °С, нормализация при 940 - 960 °С, охлаждение на воздухе; отпуск при 680 - 720 °C, охлаждение на воздухе |
|
20Х8ВЛ |
То же |
|
|
20Х13Л |
Отжиг при 940 - 960 °С; закалка с 1040 - 1060 °С, охлаждение в масле или на воздухе; отпуск при 740 - 760 °С, охлаждение на воздухе |
|
|
08Х14НДЛ |
Закалка с 1000 - 1200 °С, охлаждение на воздухе; отпуск при 660 - 700 °С, охлаждение на воздухе |
|
|
09Х16Н4БЛ1) |
Нормализация при 1040 - 1060 °С, охлаждение на воздухе; отпуск при 600 - 620 °С, охлаждение на воздухе; закалка с 950 - 1050 °С, охлаждение в масле или на воздухе; отпуск при 600 - 620 °С, охлаждение на воздухе |
|
|
09Х16Н4БЛ2) |
Нормализация при 1040 - 1060 °С, охлаждение на воздухе; отпуск при 600 - 620 °С, охлаждение на воздухе; закалка с 950 - 1050 °С, охлаждение в масле; отпуск при 290 - 310 °С, охлаждение на воздухе |
|
|
09Х17Н3СЛ1) |
Отжиг при 660 - 670 °С; закалка с 1040 - 1060 °С, охлаждение в масле; отпуск при 300 - 350 °С, охлаждение на воздухе |
|
|
09Х17Н3СЛ2) |
Закалка с 1040 - 1060 °С, охлаждение в масле; отпуск при 540 - 560 °С, охлаждение на воздухе |
|
|
09Х17Н3СЛ3) |
Отпуск при 670 - 690 °С, охлаждение на воздухе |
|
|
40Х9С2Л |
Без термической обработки |
|
|
10Х12НДЛ |
Нормализация при 940 - 960 °С, охлаждение на воздухе или закалка с 950 - 1050 °С, охлаждение со скоростью 30 °С/ч; отпуск при 650 - 680 °С |
|
|
20Х12ВНМФЛ |
Отжиг, отпуск при 710 - 730 °С, 10 - 15 ч, охлаждение с печью до 200 °С; двойная нормализация: 1100 и 1050 °С, охлаждение со скоростью не менее 300 °С/ч, обдувка воздухом; отпуск при 710 - 730 °С, 10 - 15 ч, охлаждение с печью до 200 °С. Мелкие отливки (толщина стенки до 5 мм) могут подвергаться одной нормализации при температуре 1070 - 1090 °С |
|
|
Мартенситно-ферритный |
15Х13Л |
Отжиг при 940 - 960 °С; закалка с 1040 - 1060 °С, охлаждение в воде, масле или на воздухе; отпуск при 740 - 760 °С, охлаждение на воздухе |
|
Ферритный |
15Х25ТЛ |
Без термической обработки |
|
Аустенитно-мартенситный |
08Х15Н4ДМЛ |
Закалка с 1030 - 1050 °С, охлаждение на воздухе. Отпуск при 600 - 620 °С, охлаждение на воздухе |
|
08Х14Н7МЛ |
Закалка с 1090 - 1110 °С, нагрев в защитной среде, охлаждение на воздухе; обработка холодом при минус 50 - 70 °С; отпуск при 250 - 350 °С, охлаждение на воздухе |
|
|
14Х18Н4Г4Л |
Закалка с 1020 - 1070 °С, охлаждение в воде |
|
|
Аустенитно-ферритный |
12Х25Н5ТМФЛ |
Закалка с 1140 - 1160 °С, охлаждение с печью до 970 - 990 °С, далее в масле |
|
35Х23Н7СЛ |
Без термической обработки |
|
|
40Х24Н12СЛ |
Закалка с 1040 - 1060 °С, охлаждение в воде, масле или на воздухе |
|
|
20Х20Н14С2Л |
Нормализация при 1100 - 1150 °С, охлаждение на воздухе |
|
|
16Х18Н12С4ТЮЛ |
Закалка с 1150 - 1200 °С, охлаждение на воздухе |
|
|
10Х18Н3Г3Д2Л |
Нормализация при 1070 - 1100 °С, охлаждение на воздухе. Отпуск первый при 790 - 810 °C, охлаждение до 20 °С. Отпуск второй при 590 - 610 °С |
|
|
Аустенитный |
10Х18Н9Л |
Закалка с 1060 - 1100 °С, охлаждение в воде, масле или на воздухе |
|
07Х17Н16ТЛ |
Закалка с 1050 - 1100 °С, охлаждение в воде |
|
|
12Х18Н9ТЛ |
Закалка с 1050 - 1100 °С, охлаждение в воде, масле или на воздухе |
|
|
10Х18Н11БЛ |
Закалка с 1100 - 1150 °C, охлаждение в воде |
|
|
12Х18Н12М3ТЛ |
Закалка с 1100 - 1150 °C, охлаждение в воде |
|
|
55Х18Г14С2ТЛ |
Без термической обработки |
|
|
15Х23Н18Л |
Закалка с 1060 - 1100 °С, охлаждение в воде |
|
|
20Х25НГ9С2Л |
Закалка с 1090 - 1110 °С, охлаждение в воде, масле или на воздухе |
|
|
18Х25Н19СЛ |
Закалка с 1090 - 1110 °С, охлаждение в воде, масле или на воздухе |
|
|
45Х17Г13Н3ЮЛ |
Без термической обработки |
|
|
15Х18Н22В6М2РЛ |
Старение при 790 - 810 °С, 12 - 16 ч, охлаждение на воздухе |
|
|
08Х17Н34В5Т3Ю2РЛ |
Закалка с 1140 - 1160 °С, охлаждение на воздухе; старение при 740 - 760 °С, 32 ч, охлаждение на воздухе |
|
|
20Х21Н46В8РЛ |
Старение при 890 - 910 °С, 5 ч, охлаждение на воздухе |
|
|
35Х18Н24С2Л |
Закалка с 1140 - 1160 °С, охлаждение в воде |
|
|
31Х19Н9МВБТЛ |
Закалка с 1150 - 1180 °С, охлаждение в воде; старение при 700 - 800 °С |
|
|
12Х18Н12БЛ |
Закалка с 1170 - 1190 °С, охлаждение на воздухе; двойное старение: 790 - 810 °С, 10 ч и 740 - 760 °С, 16 ч |
|
|
110Г13Х2БРЛ |
Закалка с 1050 - 1100 °С, охлаждение в воде |
|
|
110Г13ФТЛ |
Закалка с 1050 - 1100 °C, охлаждение в воде |
|
|
130Г14ХМФАЛ |
Закалка с 1120 - 1150 °С, охлаждение в воде |
|
|
120Г10ФЛ |
Закалка с 1050 - 1100 °С, охлаждение в воде |
|
|
110Г13Л |
Закалка с 1050 - 1100 °С, охлаждение в воде |
|
|
Мартенситный |
85Х4М5Ф2В6Л (Р6М5Л) |
Отжиг при 860 - 880 °С, выдержка, охлаждение с печью до 740 - 760 °С, выдержка, охлаждение с печью до 500 °С, охлаждение на воздухе |
|
90Х4М4Ф2В6Л (Р6М4Ф2Л) |
Отжиг при 860 - 880 °C, выдержка, охлаждение с печью до 740 - 760 °С, выдержка, охлаждение с печью до 500 °С, охлаждение на воздухе |
|
|
Стали легированные со специальными свойствами, применяемые в договорно-правовых отношениях между странами - членами СЭВ |
||
|
Мартенситно-ферритный |
15Х14НЛ1) |
Нормализация при 930 - 950 °С, охлаждение на воздухе; отпуск при 680 - 740 °С, охлаждение с печью или на воздухе |
|
15Х14НЛ2) |
Гомогенизация при 1020 - 1100 °С, охлаждение на воздухе; нормализация при 930 - 950 °С, охлаждение на воздухе; отпуск при 680 - 740 °С, охлаждение с печью или на воздухе |
|
|
08ХГ2Н4ГСМЛ |
Нормализация при 950 - 1060 °С, охлаждение на воздухе или ускоренное охлаждение на воздухе; отпуск при 570 - 620 °С, охлаждение с печью или на воздухе |
|
|
Аустенитно-ферритный |
12Х21Н5Г2СЛ |
Закалка с 1060 - 1100 °С, охлаждение в воде или на воздухе |
|
12Х21Н5Г2СТЛ |
Закалка с 1050 - 1100 °С, охлаждение в воде или на воздухе |
|
|
12X21H5Г2CM2Л |
Закалка с 1050 - 1100 °С, охлаждение в воде или на воздухе |
|
|
12Х19Н7Г2САЛ |
Закалка с 1050 - 1100 °С, охлаждение в воде или на воздухе |
|
|
12Х21Н5Г2САЛ |
Закалка с 1060 - 1100 °С, охлаждение в воде или на воздухе |
|
|
07Х18Н10Г2С2М2Л |
Закалка с 1050 - 1100 °С, охлаждение в воде или на воздухе |
|
|
15Х18Н10Г2С2М2Л |
Закалка с 1060 - 1100 °С, охлаждение в воде или на воздухе |
|
|
15Х18Н10Г2С2М2ТЛ |
Закалка с 1050 - 1100°С, охлаждение в воде или на воздухе |
|
1), 2), 3) режимы термической обработки, обеспечивающие получение уровня механических свойств, указанного в табл. 8.
1. УТВЕРЖДЕН И ВВЕДЕН В ДЕЙСТВИЕ Постановлением Государственного комитета СССР по стандартам от 22.12.88 № 4458
2. Стандарт полностью соответствует СТ СЭВ 4559-84, СТ СЭВ 4561-84 и СТ СЭВ 4563-84 в части марок
3. Взамен ГОСТ 977-75, ГОСТ 2176-77
4. ССЫЛОЧНЫЕ НОРМАТИВНО-ТЕХНИЧЕСКИЕ ДОКУМЕНТЫ
|
Номер пункта |
Обозначение НТД, на |
Номер пункта |
|
|
ГОСТ 1497-84 |
ГОСТ 12355-78 |
||
|
ГОСТ 1763-68 |
ГОСТ 12356-81 |
||
|
ГОСТ 3212-92 |
ГОСТ 12357-84 |
||
|
ГОСТ 6032-89 |
ГОСТ 12359-99 |
||
|
ГОСТ 6130-71 |
ГОСТ 12360-82 |
||
|
ГОСТ 7565-81 |
ГОСТ 12361-82 |
||
|
ГОСТ 9012-59 |
ГОСТ 22536.0-87 |
||
|
ГОСТ 9013-59 |
ГОСТ 22536.1-88 |
||
|
ГОСТ 9454-78 |
ГОСТ 22536.2-87 |
||
|
ГОСТ 9651-84 |
ГОСТ 22536.3-88 |
||
|
ГОСТ 10145-81 |
ГОСТ 22536.4-88 |
||
|
ГОСТ 11150-84 |
ГОСТ 22536.5-87 |
||
|
ГОСТ 12344-2003 |
ГОСТ 22536.7-88 |
||
|
ГОСТ 12345-2001 |
ГОСТ 22536.8-87 |
||
|
ГОСТ 12346-78 |
ГОСТ 22536.9-88 |
||
|
ГОСТ 12347-77 |
ГОСТ 22536.10-88 |
||
|
ГОСТ 12348-78 |
ГОСТ 22536.11-87 |
||
|
ГОСТ 12349-83 |
ГОСТ 22536.12-88 |
||
|
ГОСТ 12350-78 |
ГОСТ 22536.14-88 |
||
|
ГОСТ 12351-2003 |
ГОСТ 26645-85 ГОСТ 28473-90 |
||
|
ГОСТ 12352-81 |
|||
|
ГОСТ 12354-81 |
|
|
5. Ограничение срока действия снято по протоколу № 7-95 Межгосударственного совета по стандартизации, метрологии и сертификации (ИУС 11-95)
6. ПЕРЕИЗДАНИЕ. Август 2004 г.