Стандарт распространяется на кирпич и камень керамические, применяемые для кладки и облицовки несущих и самонесущих стен и других элементов зданий и сооружений, и устанавливает технические требования, правила приемки, методы испытаний изделий. Полнотелый кирпич применяют также для кладки фундаментов, наружной части дымовых труб, промышленных и бытовых печей. Изделия могут применяться в других строительных конструкциях с учетом технических характеристик, установленных в стандарте.
| Обозначение: | ГОСТ 530-2007 |
| Название рус.: | Кирпич и камень керамические. Общие технические условия |
| Статус: | заменен |
| Заменяет собой: | ГОСТ 530-95 «Кирпич и камни керамические. Технические условия» ГОСТ 7484-78 «Кирпич и камни керамические лицевые. Технические условия» |
| Заменен: | ГОСТ 530-2012 «Кирпич и камень керамические. Общие технические условия» |
| Дата актуализации текста: | 05.05.2017 |
| Дата добавления в базу: | 01.09.2013 |
| Дата введения в действие: | 01.07.2013 |
| Утвержден: | 24.09.2007 Федеральное агентство по техническому регулированию и метрологии (248-ст)24.05.2007 Межгосударственная научно-техническая комиссия по стандартизации, техническому нормированию и сертификации в строительстве (31) |
| Опубликован: | Стандартинформ (2007 г. ) Стандартинформ (2008 г. ) |
| Ссылки для скачивания: |
МЕЖГОСУДАРСТВЕННЫЙ СОВЕТ ПО СТАНДАРТИЗАЦИИ, МЕТРОЛОГИИ И
СЕРТИФИКАЦИИ
(МГС)
INTERSTATE COUNCIL FOR STANDARDIZATION,
METROLOGY AND CERTIFICATION
(ISC)
|
МЕЖГОСУДАРСТВЕННЫЙ |
ГОСТ |
КИРПИЧ И КАМЕНЬ КЕРАМИЧЕСКИЕ
Общие технические условия
|
|
Москва Стандартинформ 2007 |
Цели, основные принципы и основной порядок работ по межгосударственной стандартизации установлены ГОСТ 1.0-92 «Межгосударственная система стандартизации. Основные положения» и МСН 1.01-01-96 «Система межгосударственных нормативных документов в строительстве. Основные положения»
Сведения о стандарте
1 РАЗРАБОТАН Открытым акционерным обществом ВНИИСТРОМ им. П.П. Будникова, Российским обществом инженеров строительства (РОИС)
2 ВНЕСЕН Техническим комитетом по стандартизации ТК 465 «Строительство»
3 ПРИНЯТ Межгосударственной научно-технической комиссией по стандартизации, техническому нормированию и сертификации в строительстве (протокол № 31 от 24 мая 2007 г.)
За принятие проголосовали:
|
Краткое
наименование страны |
Код страны |
Сокращенное
наименование органа |
|
Армения |
AM |
Министерство градостроительства |
|
Казахстан |
KZ |
Казстройкомитет |
|
Киргизия |
KG |
Государственное Агентство по архитектуре и строительству при Правительстве |
|
Молдова |
MD |
Агентство строительства и развития территорий |
|
Россия |
RU |
Росстрой |
|
Таджикистан |
TJ |
Агентство по строительству и архитектуре при Правительстве Республики Таджикистан |
|
Украина |
UA |
Министерство строительства, архитектуры и жилищно-коммунального хозяйства |
4 Настоящий стандарт соответствует европейскому стандарту ЕН 771-1:2003 «Определения, касающиеся стеновых камней - Часть 1: Кирпич» (EN 771-1:2003 «Definitions concerning wall stones - Part 1: Brick» в части требований к средней плотности и теплотехническим свойствам
5 Приказом Федерального агентства по техническому регулированию и метрологии от 24 сентября 2007 г. № 248-ст межгосударственный стандарт ГОСТ 530-2007 введен в действие в качестве национального стандарта Российской Федерации с 1 марта 2008 г.
6 ВЗАМЕН ГОСТ 530-95, ГОСТ 7484-78
Информация о введении в действие (прекращении действия) настоящего стандарта публикуется в указателе «Национальные стандарты».
Информация об изменениях к настоящему стандарту публикуется в указателе (каталоге) «Национальные стандарты», а текст изменений - в информационных указателях «Национальные стандарты». В случае пересмотра или отмены настоящего стандарта соответствующая информация будет опубликована в информационном указателе «Национальные стандарты»
Содержание
МЕЖГОСУДАРСТВЕННЫЙ СТАНДАРТ
|
КИРПИЧ И КАМЕНЬ КЕРАМИЧЕСКИЕ Общие технические условия Ceramic bricks and stones. General specifications |
Дата введения - 2008-03-01
Настоящий стандарт распространяется на кирпич и камень керамические (далее - изделия), применяемые для кладки и облицовки несущих и самонесущих стен и других элементов зданий и сооружений, и устанавливает технические требования, правила приемки, методы испытаний изделий. Полнотелый кирпич применяют также для кладки фундаментов, наружной части дымовых труб, промышленных и бытовых печей. Изделия могут применяться в других строительных конструкциях с учетом технических характеристик, установленных в настоящем стандарте.
В настоящем стандарте использованы нормативные ссылки на следующие межгосударственные стандарты:
ГОСТ 162-90 Штангенглубиномеры. Технические условия
ГОСТ 427-75 Линейки измерительные металлические. Технические условия
ГОСТ 3749-77 Угольники поверочные 90°. Технические условия
ГОСТ 7025-91 Кирпич и камни керамические и силикатные. Методы определения водопоглощения, плотности и контроля морозостойкости
ГОСТ 8462-85 Материалы стеновые. Методы определения пределов прочности при сжатии и изгибе
ГОСТ 14192-96 Маркировка грузов
ГОСТ 18343-80 Поддоны для кирпича и керамических камней. Технические условия
ГОСТ 25706-83 Лупы. Типы, основные параметры. Общие технические требования
ГОСТ 26254-84 Здания и сооружения. Методы определения сопротивления теплопередаче ограждающих конструкций
ГОСТ 30108-94 Материалы и изделия строительные. Определение удельной эффективной активности естественных радионуклидов
ГОСТ 30244-94 Материалы строительные. Методы испытания на горючесть
Примечание - При пользовании настоящим стандартом целесообразно проверить действие ссылочных стандартов и классификаторов на территории государства по соответствующему указателю стандартов и классификаторов, составленному по состоянию на 1 января текущего года, и по соответствующим информационным указателям, опубликованным в текущем году. Если ссылочный стандарт заменен (изменен), то при пользовании настоящим стандартом следует руководствоваться заменяющим (измененным) стандартом. Если ссылочный стандарт отменен без замены, то положение, в котором дана ссылка на него, применяется в части, не затрагивающей эту ссылку.
В настоящем стандарте применены следующие термины с соответствующими определениями:
3.1 кирпич: Керамическое штучное изделие, предназначенное для устройства кладок.
3.2 кирпич нормального формата (одинарный): Изделие номинальными размерами 250×120×65 мм.
3.3 камень: Крупноразмерное пустотелое керамическое изделие, предназначенное для устройства кладок.
3.4 кирпич полнотелый: Кирпич, в котором отсутствуют пустоты.
3.5 кирпич пустотелый: Кирпич, имеющий сквозные пустоты различной формы и размеров.
3.6 кирпич лицевой: Изделие, обеспечивающее эксплуатационные характеристики кладки и выполняющее функции декоративного материала.
3.7 кирпич рядовой: Изделие, обеспечивающее эксплуатационные характеристики кладки.
3.8 постель: Рабочая грань изделия, расположенная параллельно основанию кладки (см. рисунок 1).
3.9 ложок: Наибольшая грань изделия, расположенная перпендикулярно к постели (см. рисунок 1).
3.10 тычок: Наименьшая грань изделия, расположенная перпендикулярно к постели (см. рисунок 1).
1 - ширина; 2 - длина; 3 - толщина; 4 - ложок; 5 - постель; 6 - тычок
Рисунок 1 - Фрагмент кладки
3.11 трещина: Разрыв изделия без разрушения его на части.
3.12 сквозная трещина: Трещина, проходящая через всю толщину изделия и протяженностью до половины и более ширины изделия.
3.13 посечка: Трещина шириной раскрытия не более 0,5 мм (см. приложение Б).
3.14 отбитость: Механическое повреждение грани, ребра, угла изделия.
3.15 откол: Дефект изделия, вызванный наличием карбонатных или других включений (см. приложение Б).
3.16 шелушение: Разрушение изделия в виде отслоения от его поверхности тонких пластинок (см. приложение Б).
3.17 выкрашивание: Осыпание фрагментов поверхности изделия (см. приложение Б).
3.18 растрескивание: Появление или увеличение размера трещины после воздействия знакопеременных температур (см. приложение Б).
3.19 половняк: Две части изделия, образовавшиеся при его раскалывании. Изделия, имеющие сквозные трещины, относят к половняку.
3.20 контактное пятно: Участок поверхности изделия, отличный по цвету, возникающий в процессе сушки или обжига и не влияющий на характеристики изделия.
3.21 высолы: Водорастворимые соли, выходящие на поверхности обожженного изделия при контакте с влагой.
3.22 черная сердцевина: Участок внутри изделия, обусловленный образованием в процессе обжига изделия закиси железа.
4.1 Классификация
4.1.1 Изделия подразделяют на рядовые и лицевые.
Лицевые кирпич и камень по виду лицевой поверхности изготавливают:
- с гладкой и рельефной поверхностью;
- с поверхностью, офактуренной торкретированием, ангобированием, глазурованием, двухслойным формованием, нанесением полимерного покрытия или иным способом.
Лицевые изделия могут быть естественного цвета или объемно окрашенными.
4.1.2 Кирпич изготавливают полнотелым и пустотелым, камень - только пустотелым. Кирпич с несквозными пустотами относят к полнотелому.
Пустоты в изделиях могут располагаться перпендикулярно (вертикальные) или параллельно постели (горизонтальные).
(Поправка).
4.1.3 По прочности изделия (кроме крупноформатного камня и кирпича и камня с горизонтальными пустотами) подразделяют на марки М100, М125, М150, М175, М200, М250, М300; крупноформатные камни - М35, М50, М75, М100, М125, М150, М175, М200, М250, М300; кирпич и камень с горизонтальными пустотами - М25, М35, М50, М75, М100.
4.1.4 По морозостойкости изделия подразделяют на марки F25, F35, F50, F75, F100.
4.1.5 По показателю средней плотности изделия подразделяют на классы: 0,8; 1,0; 1,2; 1,4; 2,0.
4.1.6 По теплотехническим характеристикам изделия в зависимости от класса средней плотности подразделяют на группы в соответствии таблицей 1.
Таблица 1 - Группы изделий по теплотехническим характеристикам
|
Группы изделий по теплотехническим характеристикам |
|
|
0,8 |
Высокой эффективности |
|
1,0 |
Повышенной эффективности |
|
1,2 |
Эффективные |
|
1,4 |
Условно-эффективные |
|
2,0 |
Малоэффективные (обыкновенные) |
4.2 Основные размеры
4.2.1 Изделия изготавливают номинальными размерами, приведенными в таблице 2.
Допускается изготавливать изделия с закругленными вертикальными смежными гранями и фаской на ребрах.
Рекомендуемые формы и размеры изделий, а также расположение пустот в изделиях приведены в приложении А.
4.2.2 Толщина наружных стенок пустотелого кирпича и камня должна быть не менее 12 мм, крупноформатного камня - не менее 10 мм.
Радиус закругления угла вертикальных смежных граней должен быть не более 15 мм, глубина фаски на ребрах - не более 3 мм
4.2.1, 4.2.2 (Поправка).
4.2.3 Диаметр вертикальных цилиндрических пустот и размер стороны квадратных пустот должен быть не более 20 мм, а ширина щелевидных пустот - не более 16 мм.
Размеры горизонтальных пустот не регламентируют.
Для камня допускаются пустоты (для захвата при кладке) площадью сечения, не превышающей 13 % площади постели камня.
Таблица 2 - Номинальные размеры изделий
В миллиметрах
|
Обозначение вида |
Номинальные размеры |
Обозначение размера |
|||
|
Длина |
Ширина |
Толщина |
|||
|
Кирпич нормального формата (одинарный) |
КО |
250 |
120 |
65 |
1 НФ |
|
Кирпич «Евро» |
КЕ |
250 |
85 |
65 |
0,7 НФ |
|
Кирпич утолщенный |
КУ |
250 |
120 |
88 |
1,4 НФ |
|
Кирпич модульный одинарный |
КМ |
288 |
138 |
65 |
1,3 НФ |
|
Кирпич утолщенный с горизонтальными пустотами |
КУГ |
250 |
120 |
88 |
1,4 НФ |
|
Камень |
К |
250 |
120 |
140 |
2,1 НФ |
|
288 |
288 |
88 |
3,7 НФ |
||
|
288 |
138 |
140 |
2,9 НФ |
||
|
288 |
138 |
88 |
1,8 НФ |
||
|
250 |
250 |
140 |
4,5 НФ |
||
|
250 |
180 |
140 |
3,2 НФ |
||
|
Камень крупноформатный |
КК |
510 |
250 |
219 |
14,3 НФ |
|
398 |
250 |
219 |
11,2 НФ |
||
|
380 |
250 |
219 |
10,7 НФ |
||
|
380 |
255 |
188 |
9,3 НФ |
||
|
380 |
250 |
140 |
6,8 НФ |
||
|
380 |
180 |
140 |
4,9 НФ |
||
|
250 |
250 |
188 |
6,0 НФ |
||
|
Камень с горизонтальными пустотами |
КГ |
250 |
200 |
70 |
1,8 НФ |
|
Примечание - Допускается по согласованию изготовителя с потребителем изготовление изделий других номинальных размеров, при этом предельные отклонения размеров не должны превышать значений, приведенных в 4.2.4. |
|||||
4.2.4 Предельные отклонения номинальных размеров не должны превышать на одном изделии, мм:
- по длине:
кирпича и камня (кроме крупноформатного камня) ±4,
камня крупноформатного ±10;
- по ширине:
кирпича и камня (кроме крупноформатного камня) ±3,
камня крупноформатного ±5;
- по толщине:
кирпича лицевого ±2,
кирпича рядового ±3,
камня, в т.ч. крупноформатного ±4.
4.2.5 Отклонение от перпендикулярности смежных граней не допускается более:
3 мм - для кирпича и камня;
1,4 % длины любой грани - для крупноформатного камня.
4.2.6 Отклонение от плоскостности граней изделий более 3 мм не допускается.
4.2.7 Условное обозначение керамических изделий должно состоять из: названия вида изделия, обозначения вида изделия в соответствии с таблицей 2; букв Р - для рядовых, Л - для лицевых; обозначения размера в соответствии с таблицей 2; обозначений: По - для полнотелого кирпича, Пу - для пустотелого кирпича; марок по прочности и морозостойкости; класса средней плотности и обозначения настоящего стандарта.
Примеры условных обозначений
Кирпича рядового (лицевого), полнотелого, одинарного, размера 1НФ, марки по прочности М100, класса средней плотности 2,0, марки по морозостойкости F50:
Кирпич КОРПо (КОЛПо) 1НФ/100/2,0/50/ГОСТ 530-2007
Кирпича рядового (лицевого), пустотелого, одинарного, размера 1НФ, марки по прочности М100, класса средней плотности 1,4, марки по морозостойкости F50:
Кирпич КОРПу (КОЛПу) 1НФ/100/1,4/50/ГОСТ 530-2007
Кирпича рядового (лицевого), пустотелого, утолщенного, размера 1,4НФ, марки по прочности М150, класса средней плотности 1,4, марки по морозостойкости F50:
Кирпич КУРПу (КУЛПу) 1,4НФ/150/1,4/50/ГОСТ 530-2007
Кирпича модульных размеров 1,3НФ, марки по прочности М150, класса средней плотности 1,2, марки по морозостойкости F50:
Кирпич КМ 1,3НФ/150/1,2/50/ГОСТ 530-2007
Камня рядового (лицевого), размера 2,1 НФ, марки по прочности М150, класса средней плотности 1,2, марки по морозостойкости F50:
Камень КР(КЛ) 2,1НФ/150/1,2/50/ГОСТ 530-2007
Камня крупноформатного рядового (лицевого), размера 9,3НФ, марки по прочности М150, класса средней плотности 1,0, марки по морозостойкости F50:
Камень ККР (ККЛ) 9,3НФ/150/1,0/50/ГОСТ 530-2007
Кирпича рядового (лицевого), утолщенного с горизонтальным расположением пустот, размера 1,4НФ, марки по прочности М100, класса средней плотности 1,4, марки по морозостойкости F50:
Кирпич КГУР (КГУЛ) 1,4НФ/100/1,4/50/ГОСТ 530-2007
Камня рядового (лицевого) с горизонтальным расположением пустот, размера 1,8НФ, марки по прочности М100, класса средней плотности 1,2, марки по морозостойкости F50:
Камень КГР (КГЛ) 1,8НФ/100/1,2/50/ГОСТ 530-2007
4.2.8 Допускается для полной идентификации изделий вводить в условное обозначение дополнительную информацию.
При проведении экспортно-импортных операций условное обозначение изделия допускается уточнять в договоре на поставку продукции (в том числе вводить дополнительную буквенно-цифровую или другую информацию).
5.1 Изделия должны изготавливаться в соответствии с требованиями настоящего стандарта по технологическому регламенту, утвержденному предприятием-изготовителем.
5.2 Внешний вид
5.2.1 Лицевые изделия должны иметь не менее двух лицевых граней - ложковую и тычковую. Цвет и вид лицевой грани устанавливают по согласованию между изготовителем и потребителем и оговаривают в договоре на поставку.
5.2.3 На лицевых изделиях не допускаются высолы.
5.2.4 Дефекты внешнего вида изделий, размеры и число которых превышают значения, указанные в таблице 3, не допускаются.
Таблица 3 - Дефекты внешнего вида изделий
|
Значение |
||
|
Лицевые изделия |
Рядовые изделия |
|
|
Отбитости углов глубиной более 15 мм, шт. |
Не допускаются |
2 |
|
Отбитости углов глубиной от 3 до 15 мм, шт. |
1 |
4 |
|
Отбитости ребер глубиной более 3 мм и длиной более 15 мм, шт. |
Не допускаются |
2 |
|
Отбитости ребер глубиной не более 3 мм и длиной от 3 до 15 мм, шт. |
1 |
4 |
|
Отдельные посечки суммарной длиной, мм: |
||
|
- для кирпича |
40 |
Не регламентируются |
|
- для камня |
80 |
|
|
Трещины, шт. |
Не допускаются |
2 |
|
Примечания 1 Трещины в межпустотных перегородках не являются дефектом. 2 Отбитости углов глубиной менее 3 мм и отбитости ребер длиной и глубиной менее 3 мм не являются браковочными признаками. 3 Для лицевых изделий указаны дефекты лицевых граней. |
||
5.2.5 У рядовых и лицевых изделий допускаются черная сердцевина и контактные пятна на поверхности.
5.2.6 В партии не допускается половняк более 5 % объема партии.
5.3 Характеристики
5.3.1 Средняя плотность кирпича и камня в зависимости от класса средней плотности должны соответствовать значениям, приведенным в таблице 4.
Таблица 4 - Классы средней плотности изделий
|
Средняя плотность, кг/м3 |
|
|
0,8 |
До 800 |
|
1,0 |
801 - 1000 |
|
1,2 |
1001 - 1200 |
|
1,4 |
1201 - 1400 |
|
2,0 |
Св. 1400 |
5.3.2 Теплотехнические характеристики изделий оценивают по коэффициенту теплопроводности кладки в сухом состоянии. Коэффициент теплопроводности кладки в сухом состоянии в зависимости от группы изделий по теплотехническим характеристикам приведен в таблице 5.
Таблица 5 - Группы изделий по теплотехническим характеристикам
|
Коэффициент теплопроводности кладки в сухом состоянии λ, Вт/(м · °С) |
|
|
Высокой эффективности |
До 0,20 |
|
Повышенной эффективности |
Св. 0,20 до 0,24 |
|
Эффективные |
Св. 0,24 до 0,36 |
|
Условно-эффективные |
Св. 0,36 до 0,46 |
|
Малоэффективные (обыкновенные) |
Св. 0,46 |
|
Примечания 1 Значения коэффициента теплопроводности приведены для кладок с минимально достаточным количеством кладочного раствора. Значение коэффициента теплопроводности с учетом фактического расхода раствора устанавливают в проектной или ведомственной технической документации (строительные нормы и правила, территориальные строительные нормы и др.) на основании испытаний или расчетов. 2 Теплотехнические характеристики условных сплошных кладок приведены в приложении Г. |
|
5.3.3 Пределы прочности изделий при сжатии и изгибе должны быть не менее значений, указанных в таблице 6. Марку кирпича по прочности устанавливают по значениям пределов прочности при сжатии и изгибе, камня - по значению предела прочности при сжатии.
Таблица 6 - Пределы прочности изделий при сжатии и изгибе
Марка по прочности изделий должна быть не ниже: пустотелого кирпича и камня (кроме крупноформатного камня) - М100, крупноформатного камня - М35, полнотелого кирпича для несущих стен - М125, для самонесущих стен - М100.
Марка по прочности кирпича, предназначенного для возведения дымовых труб, должна быть не ниже М200.
5.3.4 Водопоглощение рядовых изделий должно быть не менее 6,0 %, лицевых изделий - не менее 6,0 % и не более 14,0 %.
Для изделий, изготовленных из трепелов и диатомитов, допускается водопоглощение не более 28 %.
5.3.5 Кирпич и камень должны быть морозостойкими и в зависимости от марки по морозостойкости в насыщенном водой состоянии должны выдерживать без каких-либо видимых признаков повреждений или разрушений (растрескивание, шелушение, выкрашивание, отколы) не менее 25; 35; 50; 75 и 100 циклов переменного замораживания и оттаивания.
Виды повреждений изделий после испытания на морозостойкость приведены в приложении Б.
Марка по морозостойкости лицевых изделий должна быть не ниже F50. Допускается по согласованию с потребителем поставлять лицевые изделия марки по морозостойкости F35.
Марка по морозостойкости изделий, используемых для возведения дымовых труб, цоколей и стен подвалов, должна быть не ниже F50.
5.3.6 Керамические кирпич и камень относятся к негорючим строительным материалам в соответствии с ГОСТ 30244.
5.3.7 Удельная эффективная активность естественных радионуклидов Аэфф в изделиях должна быть не более 370 Бк/кг.
5.4 Требования к сырью и материалам
5.4.1 Глинистое сырье, кремнеземистые породы (трепел, диатомит), лессы, промышленные отходы (углеотходы, золы и др.), минеральные и органические добавки, а также упаковочные материалы и средства транспортирования изделий (поддоны) должны соответствовать требованиям действующих нормативных и технических документов на них.
5.5 Маркировка
5.5.2 Маркировку наносят на каждую упаковочную единицу. В одной упаковочной единице должно быть не менее 5 % изделий, маркированных по 5.5.1. Маркировка может быть нанесена непосредственно на упаковку или на этикетку, которую наклеивают на упаковку, или на ярлык, прикрепляемый к упаковке способом, обеспечивающим его сохранность при транспортировании.
Маркировка должна содержать:
- наименование предприятия-изготовителя (и/или его товарный знак) и адрес;
- условное обозначение изделия;
- номер партии и дату изготовления;
- число (массу) изделий в упаковочной единице, шт. (кг);
- группу по теплотехнической эффективности;
- знак соответствия при поставке сертифицированной продукции (если предусмотрено системой сертификации).
В маркировку может быть включена информация о способе изготовления изделий.
5.5.3 Предприятие-изготовитель имеет право наносить на упаковку дополнительную информацию, не противоречащую требованиям настоящего стандарта и позволяющую идентифицировать продукцию и ее изготовителя.
5.5.4 Каждое грузовое место (транспортный пакет) должно иметь транспортную маркировку в соответствии с ГОСТ 14192.
5.6 Упаковка
5.6.1 Кирпич или камень должны быть уложены на поддон в «елочку» или на постель, или на ложок с перекрестной перевязкой. Допускается укладка изделий без перевязки при условии их автоматического упаковывания, обеспечивающего сохранность упаковочной единицы при хранении и транспортировании.
5.6.2 Уложенные с перекрестной перевязкой изделия должны быть упакованы в термоусадочную или растягивающуюся пленку или другие материалы, обеспечивающие сохранность продукции.
5.6.3 В одной упаковочной единице должны быть изделия одного условного обозначения.
5.6.4 По согласованию с потребителем допускаются другие виды упаковки, обеспечивающие сохранность изделий при транспортировании.
6.1 Изделия должны быть приняты техническим контролем предприятия-изготовителя.
6.2 Изделия принимают партиями. Объем партии устанавливают в количестве не более суточной выработки одной печи.
При приемке изделий потребителем партией считают изделия, отгружаемые по конкретному договору (заказу) или изделия в объеме одного транспортного средства, оформленном одним документом о качестве.
6.3 Партия должна состоять из изделий одного условного обозначения.
6.4 Качество изделий обеспечивают:
- входным контролем сырья и материалов;
- операционным производственным (технологическим) контролем.
Качество изделий подтверждают приемочным контролем готовых изделий. Приемочный контроль включает в себя приемосдаточные и периодические испытания.
6.5 Для проведения испытаний методом случайного отбора из разных мест партии отбирают число изделий (образцов) в соответствии с таблицей 7.
Таблица 7 - Число отбираемых изделий (образцов) для проведения испытаний
|
Число отбираемых изделий (образцов), шт. |
Вид испытаний |
Периодичность контроля |
Метод испытания |
||
|
Приемосдаточные |
Периодические |
||||
|
Внешний вид, размеры |
Камень - 25, кирпич - 35 |
+ |
- |
Каждая партия |
По 7.3 |
|
Отклонения от номинальных размеров и формы |
+ |
- |
Каждая партия |
||
|
Наличие известковых включений |
5 |
- |
+ |
Один раз в две недели |
По 7.6 |
|
Наличие высолов |
5 |
- |
+ |
Один раз в месяц |
По 7.7 |
|
Средняя плотность |
5 |
+ |
- |
Каждая партия |
По ГОСТ 7025 |
|
Водопоглощение |
- |
+ |
Один раз в месяц |
По ГОСТ 7025 |
|
|
Предел прочности при сжатии кирпича |
10 (или 10 парных половинок) |
+ |
- |
Каждая партия |
По ГОСТ 8462 |
|
Предел прочности при сжатии камня |
5 |
+ |
- |
Каждая партия |
По ГОСТ 8462 |
|
Предел прочности при сжатии крупноформатного камня |
5 |
+ |
- |
Каждая партия |
По 7.8 |
|
Предел прочности при изгибе кирпича |
5 |
+ |
- |
Каждая партия |
По ГОСТ 8462 |
|
Морозостойкость |
5 |
- |
+ |
Один раз в квартал |
По ГОСТ 7025 |
Отобранные изделия проверяют на соответствие требованиям настоящего стандарта по размерам, внешнему виду и правильности формы, а затем испытывают.
Периодические испытания по показателям водопоглощения, наличию высолов и морозостойкости изделий проводят также при изменении сырья и технологии; по наличию известковых включений - при изменении содержания включений в глинистом сырье. Результаты периодических испытаний распространяют на все поставляемые партии изделий до проведения следующих периодических испытаний.
6.6 Удельную эффективную активность естественных радионуклидов Аэфф контролируют при входном контроле по данным документов о качестве предприятия - поставщика сырьевых материалов. В случае отсутствия данных предприятия-поставщика об удельной эффективной активности естественных радионуклидов испытания изделий по этому показателю следует проводить не реже одного раза в год в аккредитованных испытательных лабораториях, а также при смене поставщика сырьевых материалов.
6.7 Теплотехнические характеристики сплошной кладки определяют при постановке продукции на производство, при изменении технологии, сырья, материалов и предоставляют по требованию потребителя.
6.8 Партию принимают, если при проверке размеров и правильности формы отобранных от партии изделий только одно изделие не соответствует требованиям настоящего стандарта. Партия приемке не подлежит, если два из отобранных от партии изделий не соответствуют требованиям настоящего стандарта.
6.9 Если при испытаниях изделий по показателям, приведенным в таблице 7 (кроме показателей внешнего вида, размеров, правильности формы и морозостойкости), получены неудовлетворительные результаты, проводят повторные испытания изделий по этому показателю на удвоенном числе образцов, отобранных от этой партии.
Партию принимают, если результаты повторных испытаний соответствуют всем требованиям настоящего стандарта; если не соответствуют - партию не принимают.
6.10 При проведении испытаний изделий потребителем, инспекционном контроле и сертификационных испытаниях отбор выборки и оценку результатов контроля проводят в соответствии с требованиями настоящего раздела, применяя методы контроля в соответствии с разделом 7.
В спорных случаях контрольную проверку проводят в присутствии представителя предприятия-изготовителя. Перечень контролируемых параметров устанавливают по согласованию между участниками проверки.
6.11 Каждая партия поставляемых изделий должна сопровождаться документом о качестве, в котором указывают:
- наименование предприятия-изготовителя и (или) его товарный знак;
- наименование и условное обозначение изделия;
- номер и дату выдачи документа;
- номер партии;
- число (массу) изделий в партии, шт. (кг);
- марку по прочности, класс средней плотности, марку по морозостойкости;
- водопоглощение;
- группу по теплотехнической эффективности;
- удельную эффективную активность естественных радионуклидов Аэфф;
- способ изготовления изделий.
При экспортно-импортных операциях содержание сопроводительного документа о качестве уточняется в конкретном договоре на поставку изделий.
7.1 Методы испытаний при входном контроле качества сырья и материалов указывают в технологической документации на изготовление изделий с учетом требований нормативных документов на это сырье и материалы.
7.2 Методы испытаний при проведении производственного операционного контроля устанавливают в технологической документации на изготовление изделий.
7.3 Размеры изделий, толщину наружных стенок, диаметр цилиндрических пустот, размеры квадратных и ширину щелевидных пустот, длину посечек, площадь отколов и длину отбитостей ребер, радиус закругления смежных граней и глубину фаски на ребрах измеряют металлической линейкой по ГОСТ 427 или штангенглубиномером по ГОСТ 162. Погрешность измерения - ±1 мм.
(Поправка).
7.3.1 Длину и ширину каждого изделия измеряют в трех местах изделия: на двух ребрах и середине постели, толщину - на двух ребрах и середине тычка.
За результат измерений принимают среднеарифметическое значение результатов единичных измерений.
7.3.2 Ширину раскрытия трещин измеряют при помощи измерительной лупы по ГОСТ 25706, после чего изделие проверяют на соответствие требованиям 5.2.4. Погрешность измерения - ±0,1 мм.
7.3.3 Глубину отбитости углов и ребер измеряют при помощи штангенглубиномера по ГОСТ 162 или угольника по ГОСТ 3749 и линейки по ГОСТ 427 по перпендикуляру от вершины угла или ребра, образованного угольником, до поврежденной поверхности. Погрешность измерения - ±1 мм.
7.4 Отклонение от перпендикулярности граней определяют, прикладывая угольник к смежным граням изделия и измеряя металлической линейкой наибольший зазор между угольником и гранью. Погрешность измерения - ±1 мм.
За результат измерений принимают наибольший из всех полученных результатов.
7.5 Отклонение от плоскостности изделия определяют, прикладывая одну сторону металлического угольника к ребру изделия, а другую - вдоль каждой диагонали грани и измеряя щупом по действующему нормативному документу или линейкой по ГОСТ 427 наибольший зазор между поверхностью и ребром угольника. Погрешность измерения - ±1 мм.
За результат измерения принимают наибольший из всех полученных результатов.
7.6 Наличие известковых включений определяют после пропаривания изделий в сосуде.
Образцы, не подвергавшиеся ранее воздействию влаги, укладывают на решетку, помещенную в сосуд с крышкой. Налитую под решетку воду нагревают до кипения. Кипячение продолжают в течение 1 ч. Затем образцы охлаждают в закрытом сосуде в течение 4 ч, после чего их проверяют на соответствие требованиям 5.2.2.
7.7 Для определения наличия высолов половинку изделия погружают отбитым торцом в сосуд, заполненный дистиллированной водой, на глубину 1 - 2 см и выдерживают в течение 7 сут (уровень воды в сосуде должен оставаться постоянным). По истечении 7 сут образцы высушивают в сушильном шкафу при температуре 100 °С до постоянной массы, а затем сравнивают со второй половинкой образца, не подвергавшейся испытанию, проверяя на соответствие 5.2.3.
7.8 Предел прочности при сжатии кирпича и камня и кирпича при изгибе определяют в соответствии с ГОСТ 8462.
Предел прочности при сжатии крупноформатного камня определяют на целом изделии. Выравнивание опорных поверхностей камня производят шлифованием и применением пластины из технического войлока или из конвейерных резинотканевых лент.
Образец крупноформатного камня устанавливает в центре испытательной машины и прижимают верхней плитой машины. При испытаниях нагрузка на образец должна возрастать непрерывно и равномерно со скоростью 5 - 10 кН/с. Предел прочности при сжатии Rсж, МПа (кгс/см2), вычисляют по формуле
Rсж = P/F, (1)
где P - максимальная нагрузка, при которой разрушается образец, МН (кгс);
F - среднеарифметическое значение площадей верхней и нижней граней образца, м2 (см2).
Предел прочности при сжатии образцов вычисляют с точностью до 0,1 МПа (1 кгс/см2) результатов испытания всех образцов.
7.9 Среднюю плотность, водопоглощение и морозостойкость (метод объемного замораживания) изделий определяют в соответствии с ГОСТ 7025.
Отклонение каждого значения средней плотности допускается не более:
- для классов 0,8 и 1,0 - + 50 кг/м3;
- для остальных классов - +100 кг/м3.
Водопоглощение определяют при насыщении образцов водой температурой (20 ± 5) °С при атмосферном давлении.
Морозостойкость определяют методом объемного замораживания.
7.10 Удельную эффективную активность естественных радионуклидов Аэфф определяют по ГОСТ 30108.
7.11 Коэффициент теплопроводности кладок определяют по ГОСТ 26254 со следующими дополнениями.
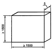
Коэффициент теплопроводности определяют экспериментально на фрагменте кладки, которую с учетом растворных швов выполняют толщиной из одного тычкового и одного ложкового рядов кирпичей или камней. Кладку из укрупненных камней выполняют в один камень. Длина и высота кладки должны быть не менее 1,5 м (см. рисунок 1). Кладку выполняют на сложном растворе марки 50, средней плотностью 1800 кг/м3, состава 1,0:0,9:8,0 (цемент : известь : песок) по объему, на портландцементе марки 400, с осадкой конуса для полнотелых изделий 12 - 13 см, для пустотелых - 9 см. Допускается выполнение фрагмента кладки, отличной от указанной выше, с применением других растворов, состав которых указывают в протоколе испытаний.

а) Общий вид кладки

б) Примеры кладок в поперечном сечении:
1 - кладка из одинарного кирпича;
2 - кладка из утолщенного кирпича;
3 - кладка из камня;
δ - толщина кладки
Рисунок 2 - Фрагмент кладки для определения теплопроводности
Фрагмент кладки из изделий со сквозными пустотами следует выполнять по технологии, исключающей заполнение пустот кладочным раствором или с заполнением пустот раствором, о чем делается запись в протоколе испытаний. Кладку выполняют в проеме климатической камеры с устройством по контуру теплоизоляции из плитного утеплителя; термическое сопротивление теплоизоляции должно быть не менее 1,0 м2 · °С/Вт. После изготовления фрагмента кладки его наружную и внутреннюю поверхности затирают штукатурным раствором толщиной не более 5 мм и плотностью, соответствующей плотности испытуемых изделий, но не более 1400 и не менее 800 кг/м3.
Фрагмент кладки испытывают в два этапа:
- этап 1 - кладку выдерживают и подсушивают в течение не менее двух недель до влажности не более 6 %;
- этап 2 - проводят дополнительную сушку кладки до влажности 1 % - 3 %.
Влажность изделий в кладке определяют приборами неразрушающего контроля. Испытания в камере проводят при перепаде температур между внутренней и наружной поверхностями кладки Δt = (tв - tн) ≥ 40 °С, температуре в теплой зоне камеры tв = 18 °С - 20 °С, относительной влажности воздуха (40 ± 5) %. Допускается сокращение времени выдержки кладки при условии обдува наружной поверхности и обогрева внутренней поверхности фрагмента трубчатыми электронагревателями (ТЭНами), софитами и др. до температуры 35 °С - 40 °С.
Перед испытанием на наружной и внутренней поверхностях кладки в центральной зоне устанавливают не менее пяти термопар по действующему нормативному документу. Дополнительно на внутренней поверхности кладки устанавливают тепломеры по действующему нормативному документу. Термопары и тепломеры устанавливают так, чтобы они охватывали зоны поверхности ложкового и тычкового рядов кладки, а также горизонтального и вертикального растворных швов. Теплотехнические параметры фиксируют после наступления стационарного теплового состояния кладки не ранее чем через 72 ч после включения климатической камеры. Измерение параметров проводят не менее трех раз с интервалом в 2 - 3 ч.
Для каждого тепломера и термопары определяют среднеарифметическое значение показаний за период наблюдений qi и ti. По результатам испытаний вычисляют средневзвешенные значения температуры наружной и внутренней поверхностей кладки tнср, tвср с учетом площади ложкового и тычкового измеряемых участков, а также вертикального и горизонтального участков растворных швов по формуле
(1)
где ti - температура поверхности в точке i, °С;
Fi - площадь i-го участка, м2.
По результатам испытаний определяют термическое сопротивление
кладки , м2 · °С/Вт, с учетом фактической влажности во время испытаний по
формуле
(2)
где
,
°С;
qср - среднее значение плотности теплового потока через испытываемый фрагмент кладки, Вт/м2.
По
значению вычисляют эквивалентный коэффициент теплопроводности
кладки λэкв(ω), Вт/(м · °С), по формуле
(3)
где δ - толщина кладки, м.
Строят график зависимости эквивалентного коэффициента теплопроводности от влажности кладки (см. рисунок 3) и определяют изменение значения λэкв на один процент влажности Δλэкв, Вт/(м · °С), по формуле
Δλэкв = (λэкв1 - λэкв2)/(ω1 - ω2). (4)
Коэффициент теплопроводности кладки в сухом состоянии λ0, ВТ/(м · °С), вычисляют по формуле
или (5)
Рисунок 3 - График зависимости эквивалентного коэффициента
теплопроводности от влажности кладки
За результат испытания принимают среднеарифметическое значение коэффициента теплопроводности кладки в сухом состоянии λ0, Вт/(м × °С), вычисленное по формуле
(7)
8.1 Изделия перевозят всеми видами транспорта в соответствии с правилами перевозки грузов, действующими на транспорте конкретного вида.
8.2 Транспортирование кирпича и камня осуществляют в пакетированном виде.
Транспортные пакеты формируют на складской площадке или непосредственно на технологической линии на поддонах по ГОСТ 18343 или поддонах размером 1×1 м (980×980 мм) или других размеров по технической документации.
8.3 Масса одного пакета не должна превышать номинальную грузоподъемность поддона.
8.4 В технологической документации на изготовление изделий приводят схему крепления изделий в транспортном пакете в зависимости от дальности перевозки и вида транспортного средства.
8.7 Хранение изделий у потребителя должно осуществляться в соответствии с требованиями 8.5 и 8.6 и правилами техники безопасности.
8.8 Погрузка и выгрузка пакетов изделий должна производиться механизированным способом при помощи специальных грузозахватных устройств.
Погрузка изделий навалом (набрасыванием) и выгрузка их сбрасыванием не допускаются.
9.1 Кирпич и камень применяют в соответствии с рекомендациями действующих строительных норм и правил, сводов правил, территориальных строительных норм с учетом требований, изложенных в проектной документации на возведение зданий и сооружений.
9.2 В фундаментах и цоколе стен зданий, дымовых трубах, вентиляционных каналах следует применять только полнотелый кирпич.
Не допускается применять пустотелые изделия, а также кирпич полусухого прессования для наружных стен помещений с влажным режимом без нанесения на внутренние поверхности пароизоляционного покрытия.
Не допускается применять пустотелые изделия и кирпич полусухого прессования для кладки стен помещений с мокрым режимом, наружных стен подвалов, цоколей и фундаментов.
9.3 Вид изделий (кирпича, камня) для кладки несущих, самонесущих и ненесущих конструкций, в т.ч. для облицовки фасадов зданий, плотность, марку по прочности и морозостойкость указывают в рабочих чертежах.
9.4 Справочные значения сопротивления сжатию кладки, выполненной из кирпича и камня, изготавливаемых в соответствии с требованиями настоящего стандарта, приведены в приложении В, таблицы В.1, В.2.
9.5 Изготовитель по просьбе потребителя должен предоставить данные о теплотехнических и прочностных характеристиках изделий в кладке.
(рекомендуемое)
А.1 Экструзионные изделия

Рисунок А.1.1 - Кирпич формата 1(1,4) НФ с 19 цилиндрическими пустотами

Рисунок А.1.2 - Кирпич формата 1(1,4) НФ с 32 цилиндрическими пустотами

Рисунок А.1.3 - Кирпич формата 1(1,4) НФ с восемью щелевидными пустотами

Рисунок А.1.4 - Кирпич формата 1(1,4) НФ с 18 щелевидными пустотами

Рисунок А.1.5 - Кирпич формата 1(1,4) НФ с 16 квадратными пустотами

Рисунок А.1.6 - Кирпич формата 1(1,4) НФ с 36 квадратными пустотами

Рисунок А.1.7 - Кирпич формата 1(1,4) НФ с 55 квадратными пустотами

Рисунок А.1.8 - Кирпич формата 1(1,4) НФ с 28 щелевидными пустотами

Рисунок А.1.9 - Кирпич формата 1 НФ с 35 пустотами

Рисунок А.1.10 - Кирпич формата 1 НФ с 33 пустотами

Рисунок А.1.11 - Камень формата 2,1 НФ с 30 квадратными пустотами и отверстием для захвата

Рисунок А.1.12 - Камень формата 2,1 НФ с 30 пустотами и отверстием для захвата

Рисунок А.1.13 - Камень формата 2,1 НФ с 18 квадратными пустотами и отверстием для захвата

Рисунок А.1.14 - Камень формата 2,1 НФ с семью щелевидными пустотами

Рисунок А.1.15 - Камень формата 2,1 НФ с 18 щелевидными пустотами

Рисунок А.16 - Камень формата 2,1 НФ с 21 щелевидной пустотой

Рисунок А.1.17 - Кирпич формата 1,4 НФ с шестью пустотами

Рисунок А.1.18 Кирпич формата 1,4 НФ с шестью пустотами

Рисунок А.1.19 - Камень формата 1,8 НФ стремя пустотами

Рисунок А.1.20 - Камень крупноформатный 4,5 НФ

Рисунок А.1.21 - Камень крупноформатный 10,7 НФ

Рисунок А.1.22 - Камень крупноформатный 10,7 НФ

Рисунок А.1.23 - Камень крупноформатный 14,3 НФ
А.2 Кирпич прессованный с вертикальным расположением пустот

Рисунок А.2.1 - Кирпич формата 1 НФ с тремя цилиндрическими отверстиями

Рисунок А.2.3 - Кирпич формата 1 НФ с восемью цилиндрическими отверстиями

Рисунок А.2.4 - Кирпич формата 1 НФ с 11 цилиндрическими отверстиями

Рисунок А.2.5 - Кирпич формата 1 НФ с 17 цилиндрическими отверстиями
(обязательное)
Виды повреждений изделий при испытании на морозостойкость

1 Отколы

2 Выкрашивание

3 Растрескивание
4 Шелушение
5 Посечки
Рисунок Б.1 - Виды повреждений изделий при испытании на морозостойкость
(справочное)
Сопротивление сжатию кладки из кирпича и камня на тяжелых растворах
Таблица В.1
|
Марка кирпича или камня |
Сопротивление сжатию кладки на тяжелых растворах из кирпича всех видов и камней R, МПа |
|||||||||
|
при марке раствора |
при прочности раствора |
|||||||||
|
200 |
150 |
100 |
75 |
50 |
25 |
10 |
4 |
0,2 |
нулевой |
|
|
Кладка из кирпича всех видов и камня |
||||||||||
|
М300 |
3,9 |
3,6 |
3,3 |
3,0 |
2,8 |
2,5 |
2,2 |
1,8 |
1,7 |
1,5 |
|
М250 |
3,6 |
3,3 |
3,0 |
2,8 |
2,5 |
2,2 |
1,9 |
1,6 |
1,5 |
1,3 |
|
М200 |
3,2 |
3,0 |
2,7 |
2,5 |
2,2 |
1,8 |
1,6 |
1,4 |
1,3 |
1,0 |
|
М150 |
2,6 |
2,4 |
2,2 |
2,0 |
1,8 |
1,5 |
1,3 |
1,2 |
1,0 |
0,8 |
|
М125 |
- |
2,2 |
2,0 |
1,9 |
1,7 |
1,4 |
1,2 |
1,1 |
0,9 |
0,7 |
|
М100 |
- |
2,0 |
1,8 |
1,7 |
1,5 |
1,3 |
1,0 |
0,9 |
0,8 |
0,6 |
|
М75 |
- |
- |
1,5 |
1,4 |
1,3 |
1,1 |
0,9 |
0,7 |
0,6 |
0,5 |
|
М50 |
- |
- |
- |
1,1 |
1,0 |
0,9 |
0,7 |
0,6 |
0,5 |
0,35 |
|
М35 |
- |
- |
- |
0,9 |
0,8 |
0,7 |
0,6 |
0,45 |
0,4 |
0,25 |
|
Кладка из крупноформатного камня классов средней плотности 0,8 и 1,0 |
||||||||||
|
М125 |
2,5 |
2,4 |
2,3 |
2,2 |
2,1 |
1,9 |
1,6 |
1,4 |
1,3 |
1,0 |
|
М100 |
2,2 |
2,1 |
2,0 |
1,9 |
1,8 |
1,6 |
1,4 |
1,2 |
1,1 |
0,9 |
|
М75 |
- |
- |
1,6 |
1,5 |
1,4 |
1,3 |
1,1 |
1,0 |
0,9 |
0,7 |
|
Примечание - Сопротивление сжатию кладки на растворах марок от 4 до 50 следует уменьшать, применяя понижающие коэффициенты: 0,85 - для кладки на жестких цементных растворах (без добавок извести или глины), легких и известковых растворах в возрасте до 3 мес; 0,9 - для кладки на цементных растворах (без извести или глины) с органическими пластификаторами. Понижающие коэффициенты не применяют для кладки повышенного качества. Растворный шов кладки повышенного качества выполняют под рамку с выравниванием и уплотнением раствора рейкой. Марку раствора для обычной кладки и для кладки повышенного качества указывают в проекте. |
||||||||||
Таблица В.2
|
Класс средней плотности |
Понижающие коэффициенты для сопротивления сжатию кладки из пустотелого керамического кирпича и камня |
|||||||||
|
при марке раствора |
при прочности раствора |
|||||||||
|
200 |
150 |
100 |
75 |
50 |
25 |
10 |
4 |
0,2 |
нулевой |
|
|
2,0 |
0,9 |
0,9 |
0,9 |
0,8 |
0,8 |
0,75 |
0,75 |
0,65 |
0,65 |
0,65 |
|
1,4 |
0,9 |
0,9 |
0,9 |
0,8 |
0,8 |
0,75 |
0,75 |
0,65 |
0,65 |
0,65 |
|
1,2 |
0,9 |
0,9 |
0,9 |
0,8 |
0,8 |
0,7 |
0,6 |
0,6 |
0,6 |
0,6 |
|
1,0 |
0,85 |
0,85 |
0,85 |
0,75 |
0,75 |
0,65 |
0,55 |
0,55 |
0,55 |
0,55 |
|
0,8 |
- |
- |
- |
- |
- |
- |
- |
- |
- |
- |
(справочное)
Теплотехнические характеристики сплошных (условных) кладок
Г.1 Приведенное сопротивление теплопередаче кладок определяют
на основе расчета по температурным полям для каждого конкретного проекта здания
с учетом требований действующих строительных норм и правил.
Г.2 Расчет приведенного сопротивления теплопередаче наружных стен
из керамических изделий осуществляют, исходя из условия обеспечения
теплотехнических и санитарно-гигиенических характеристик в соответствии с
действующими строительными нормами и правилами. Примеры приведенного
сопротивления теплопередаче кладок из керамических изделий ,
принимаемых по санитарно-гигиеническим условиям в зданиях с расчетной
температурой внутреннего воздуха, равной 20 °С, приведены
в таблице Г.1.
Таблица Г.1
|
-10 |
-15 |
-20 |
-25 |
-30 |
-35 |
-40 |
-45 |
-50 |
|
|
|
0,89 |
1,04 |
1,19 |
1,34 |
1,49 |
1,64 |
1,78 |
1,93 |
2,08 |
Г.3 Теплотехнические характеристики сплошных (условных) кладок, выполненных из керамических изделий в лабораторных условиях, приведены в таблице Г.2.
Теплотехнические характеристики кладки с применением пустотелых изделий приведены для кладки, выполненной без заполнения пустот раствором.
Г.4 Примеры сплошных (условных) кладок, выполненных из керамических изделий, приведены на рисунках Г.1 - Г3.
1 - сухая штукатурка из гипсовых обшивочных листов: δ = 12 мм, γ = 800 кг/м3, λ = 0,21 Вт/(м × °С);
2 - воздушная прослойка: δ = 10 мм, R = 0,13 м2× °С/Вт;
3 - кладка из камня;
4 - лицевой кирпич
Приведенное сопротивление теплопередаче кладки наружной стены (, м2× °С/Вт):
а) из пустотелого камня (γ =
1400 кг/м3, γкл = 1460 кг/м3,
λкл = 0,54 Вт/(м × °С)) и лицевого кирпича (γ = 1400 кг/м3, γкл = 1480 кг/м3, λкл =
0,55 Вт/(м × °С)) = 1,37 м2× °С/Вт;
б) из пустотелого камня (γ =
1200 кг/м3, γкл =
1300 кг/м3, λкл = 0,48 Вт/(м ×
°С)) и лицевого кирпича (γ =
1200 кг/м3, γкл =
1330 кг/м3, λкл =
0,50 Вт/(м × °С)) =
1,50 м2× °С/Вт;
в) из пустотелого камня (γ =
1000
кг/м3, γкл =
1130
кг/м3, λкл =
0,41 Вт/(м
× °С))
и лицевого кирпича (γ = 1000 кг/м3,
γкл =
1170 кг/м3, λкл =
0,44 Вт/(м × °С)) = 1,70
м2× °С/Вт;
г) из пустотелого камня (γ =
800 кг/м3, γкл =
960 кг/м3, λкл =
0,35 Вт/(м × °С)) и
лицевого кирпича (γ = 1000 кг/м3, γкл = 1170 кг/м3, λкл =
0,44 Вт/(м × °С)) = 1,92 м2× °С/Вт
Рисунок
Г.1
- Пример сплошной
кладки наружной стены из камня размерами
250×120×138 мм с наружным слоем из лицевого одинарного кирпича

1 - штукатурка внутренняя: δ = 15 мм, γ = 1600 кг/м3, λ = 0,7 Вт/(м × °С);
2 - крупноформатный камень: δ = 380 мм, γ = 600 кг/м3, λкл = 0,16 Вт/(м × °С);
3 - лицевой кирпич: δ = 120 мм, γ = 1000 кг/м3, λкл = 0,44 Вт/(м · °С)
Приведенное сопротивление теплопередаче кладки ![]()
Рисунок
Г.2 - Пример сплошной кладки наружной стены из крупноформатного камня
размерами 380×250×219 мм с наружным лицевым кирпичным и внутренним
штукатурным слоями
1 - крупноформатный камень;
2 - штукатурка внутренняя: δ = 15 мм, γ = 1800 кг/м3, λ = 0,87 Вт/(м × °С);
3 - лицевой кирпич;
4 - цементно-песчаный раствор;
5 - гибкие связи
Приведенное сопротивление теплопередаче кладки наружной стены (, м2×
°С/Вт):
а) из крупноформатного камня (γ =
800 кг/м3, γкл =
890 кг/м3, λкл = 0,23
Вт/(м ×
°С)) и лицевого кирпича (γ = 1400 кг/м3, γкл = 1480 кг/м3, λкл =
0,55 Вт/(м × °С)) =
2,37 м2× °С/Вт;
б) из крупноформатного камня (γ =
800 кг/м3, γкл =
890 кг/м3, λкл =
0,23 Вт/(м ×
°С)) и лицевого кирпича (γ = 1200 кг/м3, γкл = 1330 кг/м3, λкл = 0,50
Вт/(м ×
°С)) =
2,69 м2× °С/Вт;
в) из крупноформатного камня (γ
= 800 кг/м3, γкл =
890 кг/м3, λкл =
0,23 Вт/(м × °С)) и лицевого кирпича (γ = 1000 кг/м3, γкл =
1000 кг/м3, λкл = 0,44 Вт/(м × °С)) =
2,73 м2× °С/Вт;
г) из крупноформатного камня (γ =
700 кг/м3, γкл =
780 кг/м3, λкл = 0,195
Вт/(м × °С))
и лицевого кирпича (γ = 1000 кг/м3, γкл = 1000 кг/м3, λкл =
0,44 Вт/(м ×
°С)) =
3,22 м2× °С/Вт;
Рисунок
Г.3 - Пример сплошной кладки наружной стены из крупноформатного камня
размерами 510×250×219 мм с наружным слоем из лицевого одинарного кирпича
Таблица Г.2 - Теплотехнические характеристики сплошных кладок
|
Плотность кирпича, камня γ0, кг/м3 |
Характеристика кладки в сухом состоянии |
Массовое отношение влаги в кладке (при условиях эксплуатации А, Б) ώ, % |
Коэффициенты (при условиях эксплуатации А, Б) |
|||||
|
Плотность γ0, кг/м3 |
Теплопроводность λ0, Вт/(м × °С) |
теплопроводности λ, Вт/(м × °С) |
паропроницаемости μ, мг/(м × ч × Па) |
|||||
|
А |
Б |
А |
Б |
|||||
|
Кладка из камня и кирпича на цементно-песчаном растворе плотностью γ0 = 1800 кг/м3 |
||||||||
|
Камень крупноформатный пустотелый из пористой керамики |
600 |
670 |
0,13 |
1,0 |
1,5 |
0,15 |
0,16 |
0,12 |
|
800 |
890 |
0,18 |
1,0 |
1,5 |
0,21 |
0,23 |
0,12 |
|
|
Камень пустотелый |
800 |
960 |
0,20 |
1,0 |
1,5 |
0,27 |
0,35 |
0,14 |
|
1000 |
1130 |
0,24 |
1,0 |
2,0 |
0,32 |
0,41 |
0,14 |
|
|
1100 |
1215 |
0,28 |
1,0 |
2,0 |
0,36 |
0,45 |
0,14 |
|
|
1200 |
1300 |
0,33 |
1,0 |
2,0 |
0,40 |
0,48 |
0,14 |
|
|
1300 |
1460 |
0,38 |
1,0 |
2,0 |
0,44 |
0,51 |
0,14 |
|
|
1400 |
1300 |
0,42 |
1,0 |
2,0 |
0,47 |
0,54 |
0,13 |
|
|
Кирпич трепельный полнотелый одинарный и утолщенный |
900 |
1090 |
0,30 |
2,0 |
4,0 |
0,40 |
0,47 |
0,23 |
|
1000 |
1170 |
0,34 |
2,0 |
4,0 |
0,45 |
0,50 |
0,19 |
|
|
Кирпич пустотелый одинарный и утолщенный |
1000 |
1170 |
0,26 |
1,0 |
2,0 |
0,35 |
0,44 |
0,14 |
|
1100 |
1250 |
0,28 |
1,0 |
2,0 |
0,39 |
0,47 |
0,14 |
|
|
1200 |
1330 |
0,30 |
1,0 |
2,0 |
0,42 |
0,50 |
0,14 |
|
|
1300 |
1405 |
0,39 |
1,0 |
2,0 |
0,46 |
0,53 |
0,13 |
|
|
1400 |
1480 |
0,41 |
1,0 |
2,0 |
0,49 |
0,55 |
0,13 |
|
|
Кирпич полнотелый одинарный и утолщенный |
1600 |
1640 |
0,45 |
1,0 |
2,0 |
0,61 |
0,70 |
0,11 |
|
1800 |
1800 |
0,56 |
1,0 |
2,0 |
0,70 |
0,81 |
0,10 |
|
|
2000 |
1960 |
0,66 |
1,0 |
2,0 |
0,80 |
0,90 |
0,09 |
|
|
Кладка на теплоизоляционном цементном растворе с пористыми наполнителями плотностью γ0 = 1200 кг/м3 |
||||||||
|
Камень крупноформатный пустотелый из пористой керамики |
600 |
640 |
0,13 |
1,0 |
1,5 |
0,15 |
0,16 |
0,13 |
|
800 |
870 |
0,18 |
1 |
1,5 |
0,21 |
0,23 |
0,13 |
|
|
Камень пустотелый |
800 |
890 |
0,20 |
1,5 |
3,0 |
0,26 |
0,32 |
0,15 |
|
1000 |
1030 |
0,24 |
1,5 |
3,0 |
0,31 |
0,37 |
0,15 |
|
|
1100 |
1115 |
0,26 |
1,5 |
3,0 |
0,32 |
0,39 |
0,16 |
|
|
1200 |
1200 |
0,27 |
1,5 |
3,0 |
0,32 |
0,41 |
0,15 |
|
|
1300 |
1285 |
0,30 |
1,5 |
3,0 |
0,37 |
0,47 |
0,14 |
|
|
1400 |
1370 |
0,32 |
1,5 |
3,0 |
0,42 |
0,52 |
0,14 |
|
|
Кирпич трепельный полнотелый одинарный и утолщенный |
900 |
960 |
0,26 |
2,0 |
4,0 |
0,31 |
0,37 |
0,24 |
|
1000 |
1040 |
0,31 |
2,0 |
4,0 |
0,39 |
0,45 |
0,20 |
|
|
Кирпич пустотелый одинарный и утолщенный |
1000 |
1040 |
0,24 |
1,5 |
3,0 |
0,29 |
0,36 |
0,15 |
|
1100 |
1120 |
0,27 |
1,5 |
3,0 |
0,31 |
0,39 |
0,15 |
|
|
1200 |
1200 |
0,29 |
1,5 |
3,0 |
0,33 |
0,42 |
0,15 |
|
|
1300 |
1280 |
0,31 |
1,5 |
3,0 |
0,36 |
0,45 |
0,14 |
|
|
1400 |
1360 |
0,33 |
1,5 |
3,0 |
0,37 |
0,46 |
0,14 |
|
|
Кирпич полнотелый одинарный и утолщенный |
1600 |
1510 |
0,42 |
1,5 |
3,0 |
0,56 |
0,66 |
0,12 |
|
1800 |
1670 |
0,50 |
1,5 |
3,0 |
0,70 |
0,82 |
0,11 |
|
|
2000 |
1830 |
0,60 |
1,5 |
3,0 |
0,74 |
0,86 |
0,10 |
|
|
Кладка на теплоизоляционном цементно-перлитовом растворе плотностью γ0 = 800 кг/м3 |
||||||||
|
Камень крупноформатный пустотелый из пористой керамики |
600 |
630 |
0,12 |
1,0 |
1,5 |
0,14 |
0,15 |
0,14 |
|
800 |
800 |
0,17 |
1,0 |
1,5 |
0,20 |
0,22 |
0,14 |
|
|
Камень пустотелый |
800 |
800 |
0,19 |
2,0 |
3,0 |
0,24 |
0,30 |
0,16 |
|
1000 |
970 |
0,23 |
2,0 |
3,0 |
0,30 |
0,36 |
0,16 |
|
|
1100 |
1055 |
0,24 |
2,0 |
3,0 |
0,33 |
0,39 |
0,16 |
|
|
1200 |
1140 |
0,25 |
2,0 |
3,0 |
0,35 |
0,42 |
0,16 |
|
|
1300 |
1220 |
0,27 |
2,0 |
3,0 |
0,38 |
0,45 |
0,15 |
|
|
1400 |
1300 |
0,28 |
2,0 |
3,0 |
0,40 |
0,47 |
0,15 |
|
|
Кирпич пустотелый одинарный и утолщенный |
1000 |
960 |
0,23 |
2,0 |
4,0 |
0,31 |
0,37 |
0,16 |
|
1100 |
1035 |
0,25 |
2,0 |
4,0 |
0,34 |
0,40 |
0,16 |
|
|
1200 |
1110 |
0,27 |
2,0 |
4,0 |
0,36 |
0,43 |
0,16 |
|
|
1300 |
1190 |
0,29 |
2,0 |
4,0 |
0,39 |
0,46 |
0,15 |
|
|
1400 |
1270 |
0,30 |
2,0 |
4,0 |
0,41 |
0,49 |
0,15 |
|
|
Кирпич полнотелый одинарный и утолщенный |
1600 |
1430 |
0,39 |
2,0 |
4,0 |
0,50 |
0,60 |
0,13 |
|
1800 |
1590 |
0,45 |
2,0 |
4,0 |
0,58 |
0,70 |
0,12 |
|
|
2000 |
1750 |
0,53 |
2,0 |
4,0 |
0,65 |
0,77 |
0,12 |
|
|
Примечания 1 Промежуточные значения теплотехнических показателей кирпичных кладок определяют интерполяцией. 2 Значения коэффициентов кладок из пустотелых изделий приведены для кладок, выполненных по технологии, исключающей заполнение пустот раствором. В связи с этим значения коэффициентов имеют отличия от значений, приведенных в [1], таблица Д.1, учитывающих заполнение пустот раствором на строительной площадке. 3 Коэффициенты теплопроводности кладок из пустотелых изделий плотностью до 1200 кг/м3 на цементно-песчаном растворе плотностью 1800 кг/м3, выполненных без мероприятий, исключающих заполнение пустот раствором, следует принимать соответствующими плотности кладки, увеличенной на 100 кг/м3. 4 Значение коэффициента теплопроводности кладки при фактическом заполнении пустот раствором определяют по плотности изготовленного и высушенного до воздушно-сухого состояния фрагмента кладки размером 1,0×1,0×0,38 м с использованием данных настоящего приложения. 5 Условия эксплуатации А и Б принимают в соответствии с действующими строительными нормами и правилами. 6 Удельная теплоемкость кладки в сухом состоянии С0 = 0,88 кДж/(кг × °С). |
||||||||
[1] СП 23-101-2004 Проектирование тепловой защиты зданий
|
Ключевые слова: кирпич и камень керамические, кладка, облицовка, наружные и внутренние стены, технические требования, правила приемки, методы контроля |