Стандарт устанавливает состав и правила оформления архитектурно-строительных рабочих чертежей зданий и сооружений различного назначения.
| Обозначение: | ГОСТ 21.501-93 |
| Название рус.: | Система проектной документации для строительства. Правила выполнения архитектурно-строительных рабочих чертежей |
| Статус: | заменен |
| Заменяет собой: | ГОСТ 21.503-80 «Система проектной документации для строительства. Конструкции бетонные и железобетонные. Рабочие чертежи» ГОСТ 21.107-78 «Система проектной документации для строительства. Условные изображения элементов зданий, сооружений и конструкций» ГОСТ 21.501-80 «Система проектной документации для строительства. Архитектурные решения. Рабочие чертежи» ГОСТ 21.502-78 «Система проектной документации для строительства. Схемы расположения элементов сборных конструкций» |
| Заменен: | ГОСТ 21.201-2011 «Система проектной документации для строительства. Условные графические изображения элементов зданий, сооружений и конструкций» ГОСТ 21.501-2011 «Система проектной документации для строительства. Правила выполнения рабочей документации архитектурных и конструктивных решений» |
| Дата актуализации текста: | 05.05.2017 |
| Дата добавления в базу: | 01.09.2013 |
| Дата введения в действие: | 01.05.2013 |
| Утвержден: | 12.08.1994 Минстрой России (Russian Federation Minstroy 18-10)10.11.1993 Межгосударственная научно-техническая комиссия по стандартизации и техническому нормированию в стоительстве (Inter-Governmental Technical Research Commission for Standardization and Regulation in Construction ) |
| Опубликован: | ИПК Издательство стандартов (1996 г. ) ИПК Издательство стандартов (1993 г. ) ИПК Издательство стандартов (2003 г. ) Стандартинформ (2008 г. ) |
| Ссылки для скачивания: |
ГОСТ 21.501-93
МЕЖГОСУДАРСТВЕННЫЙ СТАНДАРТ
СИСТЕМА ПРОЕКТНОЙ ДОКУМЕНТАЦИИ ДЛЯ СТРОИТЕЛЬСТВА
ПРАВИЛА
ВЫПОЛНЕНИЯ
АРХИТЕКТУРНО-СТРОИТЕЛЬНЫХ
РАБОЧИХ ЧЕРТЕЖЕЙ
ИПК ИЗДАТЕЛЬСТВО СТАНДАРТОВ
Москва
Предисловие
1 РАЗРАБОТАН Центральным научно-исследовательским и проектно-экспериментальным институтом по методология организации, экономике и автоматизации проектирования (ЦНИИпроект), проектным институтом (Промстройпроект), Проектным институтом № 2 (ПИ-2), Центральным научно-исследовательским и проектным институтом индивидуального экспериментального проектирования жилища ЦНИИЭПжилища)
ВНЕСЕН Минстроем России
2 ПРИНЯТ Межгосударственной научно-технической комиссией по стандартизации и техническому нормированию в строительстве 10 ноября 1993 г.
За принятие стандарта проголосовали:
|
Наименование государства |
Наименование органа государственного управления строительством |
|
Азербайджанская Республика |
Госстрой Азербайджанской Республики |
|
Республика Армения |
Госупрархитектуры Республики Армения |
|
Республика Беларусь |
Госстрой Республики Беларусь |
|
Республика Казахстан |
Минстрой Республики Казахстан |
|
Кыргызская Республика |
Госстрой Кыргызской Республики |
|
Российская Федерация |
Госстрой России |
|
Республика Таджикистан |
Госстрой Республики Таджикистан |
|
Украина |
Минстройархитектуры Украины |
3 ВВЕДЕН В ДЕЙСТВИЕ с 1 сентября 1994 г. в качестве государственного стандарта Российской Федерации Постановлением Минстроя России от 12 августа 1994 г. № 18-10
4 ВЗАМЕН ГОСТ 21.107-78, ГОСТ 21.501-80, ГОСТ 21.502-78 и ГОСТ 21.503-80
5 ПЕРЕИЗДАНИЕ. Октябрь 2003 г.
МЕЖГОСУДАРСТВЕННЫЙ СТАНДАРТ
|
Система проектной документации для строительства ПРАВИЛА ВЫПОЛНЕНИЯ АРХИТЕКТУРНО-СТРОИТЕЛЬНЫХ System of design documents for construction. |
ГОСТ |
Дата введения 1994-09-01
Настоящий стандарт устанавливает состав и правила оформления архитектурно-строительных рабочих чертежей (архитектурных решений и строительных конструкций*, включая рабочую документацию на строительные изделия**), зданий и сооружений различного назначения.
________
* Под строительной конструкцией понимают часть здания, сооружения определенного функционального назначения (каркас здания, покрытие, перекрытие и др.), состоящую из элементов, взаимно связанных в процессе выполнения строительных работ.
** Под строительным изделием понимают элемент строительной: конструкции (колонна, ферма, ригель, плита перекрытия, панель стены, арматурный каркас и др.), изготовляемый вне места его установки.
1.1. Архитектурно-строительные рабочие чертежи выполняют в соответствии с требованиями ГОСТ 21.101, а также настоящего стандарта.
При выполнении рабочих чертежей металлических конструкций следует руководствоваться соответствующими стандартами Системы проектной документации для строительства (СПДС).
1.2. Рабочие чертежи архитектурных решений и строительных конструкций, предназначенные для производства строительных и монтажных работ, выполняют в составе основных комплектов, которым присваивают марки в соответствии с ГОСТ 21.101.
По рабочим чертежам марки АР, при необходимости, составляют спецификацию оборудования по ГОСТ 21.110.
1.3. Условные графические изображения строительных конструкций и их элементов приведены в приложении 1.
1.4. На архитектурно-строительных чертежах указывают характеристики точности геометрических параметров зданий, сооружений, конструкций и их элементов по ГОСТ 21.113.
Требования к точности функциональных геометрических параметров зданий, сооружений и конструкций должны быть увязаны с требованиями к точности изготовления изделий (элементов конструкций), разбивки осей и установки элементов конструкций путем расчета точности по ГОСТ 21780.
1.5. На архитектурно-строительных, рабочих чертежах (на изображениях фундаментов, стен, перегородок, перекрытий) указывают проемы, борозды, ниши, гнезда и отверстия с необходимыми размерами и привязками.
2.1. В состав основного комплекта рабочих чертежей архитектурных решений включают:
1) общие данные по рабочим чертежам;
2) планы этажей, в т. ч. подвала, технического подполья, технического этажа и чердака;
3) разрезы;
4) фасады;
5) планы полов (при необходимости);
6) план кровли (крыши);
7) схемы расположения элементов сборных перегородок*;
8) схемы расположения элементов заполнения оконных и других проемов*;
9) выносные элементы (узлы, фрагменты);
10) спецификации к схемам расположения в соответствии с ГОСТ 21.101.
________
* Схемы расположения металлических элементов сборных, перегородок и заполнения оконных проемов выполняют в составе рабочих чертежей металлических конструкций. Схемы расположения элементов сборных железобетонных перегородок выполняют, как правило, в составе основного комплекта рабочих чертежей железобетонных конструкций.
2.2.1. В состав общих данных по рабочим чертежам, кроме сведений предусмотренных ГОСТ 21.101, включают ведомость отделки помещений по форме 1 (при отсутствии основного комплекта рабочих чертежей интерьеров).
Форма 1
Ведомость отделки помещений

Примечания:
1 Количество граф определяется наличием элементов интерьера, подлежащих отделке.
2 Площади отделки помещений рассчитывают по соответствующим нормативным документам.
2.2.2. В общих указаниях в дополнение к сведениям, предусмотренным ГОСТ 21.101, указывают:
1) класс ответственности здания (сооружения);
2) категорию здания (сооружения) по взрывопожарной и пожарной опасности;
3) степень огнестойкости здания (сооружения);
4) характеристику стеновых и изоляционных материалов**;
5) указания по устройству гидроизоляции и отмостки**;
6) указания по наружной отделке здания (сооружения)**;
_________
** Приводят, если нет соответствующих указаний на чертежах.
7) указания о мероприятиях при производстве работ в зимнее время.
2.3.1. При выполнении плана этажа положение мнимой горизонтальной секущей плоскости разреза принимают на уровне оконных проемов или на 1/3 высоты изображаемого этажа.
В случаях, когда оконные проемы расположены выше секущей плоскости, по периметру плана располагают сечения соответствующих стен на уровне оконных проемов.
2.3.2. На планы этажей наносят:
1) координационные оси здания (сооружения);
2) размеры, определяющие расстояния между координационными осями и проемами, толщину стен и перегородок, другие необходимые размеры, отметки участков, расположенных на разных уровнях;
3) линии разрезов. Линии разрезов проводят, как правило, с таким расчетом, чтобы в разрез попадали проемы окон, наружных ворот и дверей;
4) позиции (марки) элементов здания (сооружения), заполнения проемов ворот и дверей (кроме входящих в состав щитовых перегородок), перемычек, лестниц и др.
Допускается позиционное обозначение проемов ворот и дверей указывать в кружках диаметром 5 мм;
5) обозначения узлов и фрагментов планов;
6) наименования помещений (технологических участков), их площади, категории по взрывопожарной и пожарной опасности (кроме жилых зданий).
Площади проставляют в нижнем правом углу помещения (технологического участка) и подчеркивают. Категории помещений (технологических участков) проставляют под их наименованием в прямоугольнике размером 5´8 (h) мм.
Для жилых зданий, при необходимости, на планах указывают тип и площадь квартир. При этом площадь проставляют в виде дроби, в числителе которой указывают жилую площадь, в знаменателе - полезную.
Допускается наименования помещений (технологических участков), их площади и категории приводить в экспликации по форме 2. В этом случае на планах вместо наименований помещений (технологических участков) проставляют их номера.
Для жилых зданий экспликацию помещений, как правило, не выполняют;
7) границы зон передвижения технологических кранов (при необходимости).
Форма 2
Экспликация помещений

________
* Категория по взрывопожарной и пожарной безопасности.
2.3.3. Встроенные помещения и другие участки здания (сооружения), на которые выполняют отдельные чертежи, изображают схематично сплошной тонкой линией с показом несущих конструкций.
2.3.4. Площадки, антресоли и другие конструкции, расположенные выше секущей плоскости, изображают схематично штрихпунктирной тонкой линией с двумя точками.
2.3.5. Примеры выполнения планов этажей здания приведены в приложении 2.
2.3.6. К планам этажей выполняют:
1) ведомость перемычек по форме 3.
Примеры заполнения ведомости и спецификации элементов перемычек приведены в приложении 3;
2) спецификации заполнения элементов оконных, дверных и др. проемов, щитовых перегородок, перемычек, замаркированных на планах, разрезах и фасадах - по форме 7 или 8 приложения 7 ГОСТ 21.101.
Пример выполнения спецификации элементов заполнения проемов приведен в приложении 3.
Форма 3
Ведомость перемычек

2.4.1. Линии контуров элементов конструкций в разрезе изображают сплошной толстой основной линией, видимые линии контуров, не попадающие в плоскость сечения, - сплошной тонкой линией.
2.4.2. На разрезы и фасады наносят:
1) координационные оси здания (сооружения), проходящие в характерных местах разреза и фасада (крайние, у деформационных швов, несущих конструкций, в местах перепада высот и т. п.), с размерами, определяющими расстояния между ними (только на разрезах) и общее расстояние между крайними осями;
2) отметки, характеризующие расположение элементов несущих и ограждающих конструкций по высоте,
3) размеры и привязки по высоте проемов, отверстий, ниш и гнезд в стенах и перегородках, изображенных в разрезах;
4) позиции (марки) элементов здания (сооружения), не указанные на планах.
На фасадах указывают также типы заполнения оконных проемов, материал отдельных участков стен, отличающихся от основных материалов.
Допускается типы оконных проемов указывать на планах этажей;
5) обозначения узлов и фрагментов разрезов и фасадов.
Примеры выполнения разрезов приведены в приложении 4, фасадов и их фрагментов - в приложении 5.
2.5.1 На планы полов наносят:
1) координационные оси: крайние, у деформационных швов, по краям участков с различными конструктивными и другими особенностями и с размерными привязками таких участков;
2) обозначения уклонов полов;
3) тип полов. Обозначения типов полов проставляют в кружке диаметром 7 мм;
4) отметки в местах перепадов полов.
Стены здания (сооружения) и перегородки на планах полов изображают одной сплошной толстой основной линией.
На планах полов указывают элементы здания (сооружения) и устройства, влияющие на конструкцию пола (проемы ворот и дверей, деформационные швы, каналы, трапы и др.), границы участков с различной конструкцией пола.
Деформационные швы изображают двумя тонкими сплошными линиями, границы участков пола - пунктирными линиями.
2.5.2. Планы полов допускается совмещать с планами этажей.
2.5.3. К планам полов составляют экспликацию полов по форме 4.
Пример выполнения плана полов приведен в приложении 6.
Форма 4
Экспликация полов

________
* Тип пола по рабочим чертежам.
** При применении типовой конструкции пола приводят только дополнительные данные.
2.5.4. На план кровли (крыши) наносят:
1) координационные оси: крайние, у деформационных швов, по краям участков кровли (крыши) с различными конструктивными и другими особенностями с размерными привязками таких участков;
2) обозначения уклонов кровли;
3) отметки или схематический поперечный профиль кровли;
4) позиции (марки) элементов и устройств кровли (крыши).
На плане кровли (крыши) указывают деформационные швы двумя тонкими линиями, парапетные плиты и другие элементы ограждения кровли (крыши), воронки, дефлекторы, вентшахты, пожарные лестницы, прочие элементы и устройства, которые указывать и маркировать на других чертежах нецелесообразно.
Пример выполнения плана кровли приведен в приложении 7.
2.6.1. Схемы расположения элементов сборных перегородок (кроме панельных железобетонных), заполнения оконных и других проемов выполняют с учетом требований п. 3.3.
2.6.2. Допускается схему расположения элементов сборных перегородок совмещать с планами этажей.
Пример выполнения схемы расположения элементов сборных перегородок приведен в приложении 8.
2.6.3. Схему расположения элементов заполнения оконных проемов составляют на заполнение каждого типа. Сплошное заполнение между двумя смежными координационными осями учитывают как заполнение одного типа.
При комплектной поставке панелей с заполненными проемами схему расположения элементов заполнения не выполняют.
Пример выполнения схемы расположения элементов заполнения оконных проемов приведен в приложении 9.
3.1. В состав основного комплекта рабочих чертежей строительных конструкций (далее - конструкций) включают:
1) общие данные по рабочим чертежам;
2) схемы расположения элементов конструкций;
3) спецификации к схемам расположения элементов конструкций.
В состав рабочих чертежей монолитных железобетонных конструкций дополнительно включают:
1) схемы армирования монолитных железобетонных конструкций;
2) ведомость расхода стали на монолитные конструкции по форме 5.
В ведомость не включают стандартные изделия - дюбели, болты, шайбы и т. п.
Форма 5
Ведомость расхода стали, кг

3.2. В состав общих данных по рабочим чертежам кроме сведений, предусмотренных ГОСТ 21.101, включают:
1) сведения о нагрузках и воздействиях, принятых для расчета конструкций здания или сооружения;
2) сведения о грунтах (основаниях), уровне и характере грунтовых вод, глубине промерзания*;
3) указания о мероприятиях по устройству подготовки под фундаменты и об особых условиях производства работ*;
________
* Приводят при отсутствии их в технических требованиях к схемам расположения элементов фундаментов.
4) сведения о мероприятиях по антикоррозионной защите конструкций (при отсутствии основного комплекта рабочих чертежей марки А3);
5) указания о мероприятиях при производстве работ в зимнее время.
3.3. Схемы расположения элементов конструкций
3.3.1. На схеме расположения элементов конструкций (далее - схеме расположения) указывают в виде уловных или упрощенных графических изображений элементы конструкций и связи между ними.
3.3.2. Схему расположения выполняют для каждой группы элементов конструкций, связанных условиями и последовательностью производства строительных работ.
Примеры:
1. Схема расположения элементов фундаментов и фундаментных балок.
2. Схема расположения блоков стен подвала (развертка блочных стен подвала).
3. Схема расположения колонн, связей по колоннам, подкрановых балок.
4. Схема расположения ферм (балок).
5. Схема расположения панелей стен и перегородок.
3.3.3. Схему расположения выполняют в виде планов, фасадов или разрезов соответствующих конструкций, с упрощенным изображением элементов.
3.3.4. На схему расположения наносят:
1) координационные оси здания (сооружения), размеры, определяющие расстояния между ними и между крайними осями, размерную привязку осей или поверхностей элементов конструкций к координационным осям здания (сооружения) или, в необходимых случаях, к другим элементам конструкций, другие необходимые размеры;
2) отметки наиболее характерных уровней элементов конструкций;
3) позиции (марки) элементов конструкций;
4) обозначения узлов и фрагментов;
5) данные о допустимых монтажных нагрузках.
3.3.5. Одинаковые позиции (марки) последовательно расположенных элементов конструкций на схеме расположения, допускается наносить только по концам ряда с указанием количества позиций.
3.3.6. Схему расположения панелей стен при многоярусном расположении панелей в пределах этажа выполняют в плоскости стен на виде, при однородном расположении - в плане.
3.3.7 В наименовании схем расположения, при необходимости, приводят сведения, определяющие положение конструкции в здании (сооружении). Допускается схемам расположения присваивать порядковые номера.
Пример: Схема расположения элементов перекрытия на отм. 7,200 между осями 1 - 15, В - Г (схема 1).
3.3.8. На схеме расположения наносят метки для установки в проектное положение элементов конструкций, имеющих несимметричное расположение закладных изделий и другие отличительные признаки.
Примеры выполнения схем расположения элементов сборных конструкций приведены в приложении 10.
3.3.9 Если монолитная железобетонная конструкция состоит из нескольких элементов (балок, плит и др.), на каждый из которых выполняют отдельные схемы армирования, то этим элементам присваивают позиционные обозначения или марки в соответствии с рисунком 1.
Рисунок 1
3.3.10. В технических требованиях к схеме расположения, при необходимости, приводят указания о порядке монтажа, замоноличивания швов, требования к монтажным соединениям.
3.3.11. Рабочие чертежи арматурных и закладных изделий, разработанные для монолитных железобетонных конструкций в качестве самостоятельных документов, в состав основного комплекта рабочих чертежей не включают, а записывают в ведомость ссылочных и прилагаемых документов в раздел «Прилагаемые документы».
3.3.12. На схему армирования монолитной железобетонной конструкции наносят:
1) координационные оси здания (сооружения);
2) контуры конструкций - сплошной толстой основной линией;
3) размеры, определяющие положение арматурных и закладных изделий и толщину защитного слоя бетона.
Арматурные и закладные изделия на схеме изображают очень толстой сплошной линией.
При необходимости на схеме указывают фиксаторы для обеспечения проектного положения арматуры.
3.3.13. На схеме армирования применяют следующие упрощения:
1) каркасы и сетки изображают контуром в соответствии с рисунком 2;
2) для обеспечения правильной установки в проектное положение несимметричных каркасов и сеток указывают только их характерные особенности, (диаметр отличающихся по диаметрам стержней и др.) в соответствии с рисунком 3;
3) если железобетонная конструкция имеет несколько участков с равномерно расположенными одинаковыми каркасами или сетками, то их контуры наносят на одном из участков, указывая номера позиций и в скобках - число изделий этой позиции. На остальных участках проставляют только позиции и в скобках - число изделий этой позиции в соответствии с рисунком 4;
Рисунок 4
4) на участках с отдельными стержнями, расположенными на равных расстояниях, изображают один стержень с указанием на полке-линии выноски его позиции, а под полкой линии-выноски - шаг стержней в соответствии с рисунком 5.
Если шаг стержней не нормируется, то рядом с обозначением стержней указывают в скобках число стержней в соответствии с рисунком 6;
5) арматуру элементов, пересекающих изображаемый элемент, как правило, не указывают (рисунок 8);
6) при изображении каркаса или сетки одинаковые стержни, расположенные на равных расстояниях, наносят только по концам каркаса или сетки, а также в местах изменения шага стержней. При этом под полкой линии-выноски с обозначением позиции стержня указывают их шаг в соответствии с рисунком 7;
7) в сложной схеме армирования допускается позиции указывать у обоих концов одного и того же арматурного изделия или отдельного стержня в соответствии с рисунком 8;
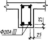
8) размеры гнутых стержней указывают по наружным, а хомутов - по внутренним граням в соответствии с рисунком 9;
Распределительную арматуру (поз. 6)
укладывать
в пределах поз. 1 и 2 понизу, в пределах поз. 3 - 5 - поверху
Рисунок 5
Рисунок 6
Рисунок 7
Рисунок 8
Рисунок 9
3.3.14. Допускается чертежи на простые детали, непосредственно входящие в состав монолитной железобетонной конструкция, не выполнять, а все необходимые данные для их изготовления приводить в спецификации и, при необходимости, помещать изображения этих деталей на чертеже монолитной конструкции. При большом количестве деталей данные, необходимые для их изготовления, приводят в ведомости по форме 6.
Пример заполнения ведомости приведен в приложении 11.
Форма 6
Ведомость деталей
3.4. Спецификации к схемам расположения элементов конструкций
3.4.1. Спецификацию к схеме расположения элементов конструкций составляют по форме 7 или 8 приложения 7 ГОСТ 21.101.
3.4.2. Спецификацию к схеме расположения сборных конструкций заполняют по разделам:
1) элементы сборных конструкций;
2) монолитные участки;
3) стальные и другие изделия.
3.4.3. Спецификацию монолитной конструкции, состоящей из нескольких элементов, на каждый из которых выполняют отдельную схему армирования, составляют по разделам на каждый элемент.
3.4.4. Наименование каждого раздела спецификации монолитной конструкции указывают в виде заголовка в графе «Наименование» и подчеркивают. В наименования разделов включают марку элемента и через тире - количество элементов на монолитную конструкцию.
Примеры: 1. Балки Бм1 - шт. 2.
2. Плита Пм1 - шт. 1.
Каждый раздел спецификации монолитной конструкции состоит из подразделов, которые располагают в следующей последовательности:
1. Сборочные единицы.
2. Детали.
3. Стандартные изделия.
4. Материалы.
В раздел «Сборочные единицы» записывают элементы, непосредственно входящие в специфицируемую монолитную конструкцию, в следующей последовательности:
1. Каркасы пространственные.
2. Каркасы плоские.
3. Сетки.
4. Изделия закладные.
В подраздел «Материалы» записывают материалы, непосредственно входящие в специфицируемую конструкцию (например, бетон).
4.1. В состав рабочей документации на строительное изделие в общем случае включают спецификацию, сборочный чертеж, чертежи деталей и, при необходимости, технические условия.
Рабочие чертежи строительных изделий (далее - изделий) выполняют в соответствии с требованиями ГОСТ 2.109, ГОСТ 2.113 и с учетом дополнительных требований настоящего стандарта.
4.2. При выполнении группового рабочего документа на изделия в одну группу объединяют изделия одного наименования, единой конфигурации и имеющие общие конструктивные признаки.
4.3. Переменные размеры, неодинаковые для всех исполнений, охваченные одним изображением, наносят буквенными обозначениями, число которых должно быть, как правило, не более трех.
4.4. При необходимости к чертежам изделий приводят схему испытания, расчетную схему или указывают их несущую способность.
4.5. На сборочном чертеже изделия или на его схематичном изображении указывают места присоединения подъемных или поддерживающих приспособлений в соответствии с рисунком 10.
Рисунок 10
4.6. На сборочном чертеже изделия приводят следующие технические требования:
1) требования к отделке поверхности изделия. Изображение поверхности, требующей специальной обработки, обозначают в соответствии с рисунком 11;
Рисунок 11
2) другие требования к качеству изделия;
3) ссылки на документы, содержащие технические требования, распространяющиеся на данное изделие, но не приведенные на чертеже.
4.7. Если требуется указание по ориентации изделия в конструкции, то на чертеже изделия наносят метку в соответствии с рисунком 12.
Рисунок 12
4.8. В сборочные чертежи железобетонных изделий, кроме видов, разрезов и сечений, включают схемы армирования.
Схему армирования железобетонных изделий выполняют применительно к п.п. 3.3.2 и 3.3.3.
4.9. По чертежам железобетонных изделий составляют ведомость расхода стали (см. форму 5).
Пример заполнения ведомости расхода стали приведен в приложении 12.
4.10. Спецификации на изделия выполняют по ГОСТ 2.106 и ГОСТ 2.113 с учетом следующих дополнительных требований:
1) графы «Формат» и «Зона» исключают. Размер графы «Поз.» принимают равной 10 мм, графы «Наименование» - 73 мм;
2) групповые спецификации на изделие выполняют предпочтительно по вариантам А и Б ГОСТ 2.113.
При выполнении спецификации по варианту Б количество граф исполнений не ограничивают;
3) допускается спецификации совмещать со сборочным чертежом независимо от формата листа;
4) запись сборочных единиц и материалов в соответствующих подразделах спецификации на изделие производят в соответствии с п. 3.4.4.
4.11. На изделия (арматурные, закладные, соединительные и т. п.), состоящие только из деталей, составляют спецификацию по форме 7, при групповом способе выполнения чертежей таких изделий - по форме 8.
Пример выполнения группового рабочего документа на сетки приведен в приложении 13.
Форма 7
Спецификация
Форма 8
Групповая спецификация
* Допускается указывать наименование изделия
4.12. В составе рабочих чертежей железобетонных конструкций допускается выполнять рабочие чертежи металлических изделий в соответствия с приложением 14.
4.13. Обозначение изделий и их спецификаций
4.13.1. Обозначение изделия одновременно является обозначением его спецификации.
4.13.2. В обозначение изделия и его спецификации включают обозначение соответствующего основного комплекта рабочих чертежей с добавлением к его марке через точку индекса «И» и через тире марки изделия или его порядкового (позиционного) номера.
Примеры: 845-5-КЖ.И-Б1
845-5-АР.И2
4.133. Изделия многократного применения допускается обозначать без привязки к объекту строительства и марке основного комплекта рабочих чертежей. В этом случае обозначение изделия назначает проектная организация.
4.13.4. В обозначение сборочного чертежа изделия включают обозначение изделия и код документа.
Примеры: 845-5-КЖ.И-Б1СБ
845-5-АР.И2СБ
4.13.5. В обозначение технических условий на всю группу изделий включают обозначение соответствующего основного комплекта рабочих чертежей с добавлением через точку индекса «И» и через тире кода документа.
Пример: 845-5-КЖ.И-ТУ
Если технические условия разрабатывают на одноименную группу изделий, то перед кодом документа дополнительно указывают (через точку) марку изделий данной группы.
Пример: 845-5-КЖ.И-Б.ТУ
4.13.6. При выполнении группового рабочего документа на изделия каждому исполнению присваивают самостоятельное обозначение.
В обозначение исполнения включают общее обозначение изделий, оформленных одним групповым рабочим документом, и номер исполнения.
4.13.7. Порядковый номер исполнения устанавливают в пределах общего обозначения, начиная с 01, и отделяют от общего обозначения через тире.
Примеры: 845-5-КЖ.И-Б2-01
845-5-КЖ.И2-01
Исполнению, принятому условно за основное, присваивают только общее обозначение без порядкового номера исполнения в соответствии с п. 4.13.2.
4.13.8. Деталям, на которые не выполняют отдельные чертежи, обозначения не присваивают.
4.13.9 Пример выполнения чертежа индивидуального изделия приведен в приложении 15.
4.14. Применение рабочих чертежей типовых изделий
4.14.1. Если по условиям применения рабочих чертежей типового изделия в них необходимо внести изменения (например, предусмотреть установку дополнительных закладных изделий, устройство отверстий), то в составе рабочей документации здания (сооружения) на это изделие должна быть выполнена дополнительная рабочая документация с учетом следующих требований:
1) типовое изделие изображают упрощенно;
2) на изображении типового изделия указывают только те элементы и размеры, которые относятся к изменениям. При необходимости, наносят другие размеры (например, общую длину и ширину изделия), приведенные в рабочих чертежах типового изделия, которые отмечают знаком «*», а в технических требованиях на чертеже указывают: «* Размеры для справок»;
3) в спецификацию измененного изделия записывают типовое изделие как сборочную единицу и другие изделия, устанавливаемые при изменении;
4) графы «Поз.» и «Кол.» для типового изделия не заполняют, в графе «Обозначение» указывают обозначение спецификации на типовое изделие, в графе «Наименование» - его наименование и марку.
4.14.2. Измененному изделию присваивают самостоятельную марку, включающую марку типового изделия и дополнительный индекс.
Пример: 1К84-1а,
где «1К84-1» - марка типового изделия, «а» - индекс, присвоенный измененному изделию.
4.14.3. Пример выполнения чертежа типового изделия с дополнительными закладными изделиями приведен в приложении 16.
|
Наименование |
Изображение |
|
|
В плане |
В разрезе |
|
|
1. Перегородка из стеклоблоков Примечание На чертежах в масштабе 1:200 и мельче допускается обозначение всех видов перегородок одной сплошной толстой основной линией |
|
|
|
2. Проемы |
|
|
|
2.1. Проем (проектируемый без заполнения) |
|
|
|
2.2. Проем, подлежащий пробивке в существующей стене, перегородке, покрытии, перекрытии |
|
|
|
2.3. Проем в существующей стене, перегородке, покрытии, перекрытии, подлежащий заделке Примечание В поясняющей надписи вместо многоточия указывают материал закладки |
|
|
|
2.4. Проемы: |
|
|
|
а) без четверти |
|
|
|
б) с четвертью |
|
|
|
в) в масштабе 1:200 и мельче, а также для чертежей элементов конструкции заводского изготовления |
|
|
|
3. Пандус Примечание Уклон пандуса указывают в плане в процентах (например 10,5 %) или в виде отношения высоты и длины (например 1:7). Стрелкой на плане указано направление спуска. |
|
|
|
4. Лестницы |
|
|
|
4.1. Лестница металлическая: |
|
|
|
а) вертикальная |
|
|
|
б) наклонная |
|
|
|
4.2. Лестница: |
|
В масштабе 1:50 и крупнее |
|
а) нижний марш |
|
|
|
б) промежуточные марши |
|
В масштабе 1:100 и мельче,
|
|
в) верхний марш Примечание Стрелкой указано направление подъема марша |
|
|
|
5. Элемент существующий, подлежащий разборке |
|
|
|
6. Отмостка |
|
|
|
7. Колонна: |
|
|
|
а) железобетонная: |
|
|
|
сплошного сечения двухветвевая |
|
|
|
б) металлическая: |
|
|
|
сплошностенчатая |
|
|
|
двухветвевая Примечание Изображение А - для колонн без консоли, Б и В - для колонн с консолью |
||
|
8. Ферма |
|
|
|
Примечание Изображение А - для фермы железобетонной, Б - для фермы металлической |
||
|
9. Плита, панель |
|
|
|
10. Связь металлическая: |
|
|
|
а) одноплоскостная: |
|
|
|
вертикальная |
|
|
|
горизонтальная |
|
|
|
б) двухплоскостная |
|
|
|
в) тяжи |
|
|
|
Наименование |
Изображение |
||
|
11. Двери, ворота |
|
||
|
11.1. Дверь однопольная |
|
||
|
11.2. Дверь двупольная |
|
||
|
11.3. Дверь, двойная однопольная |
|
||
|
11.4. То же, двупольная |
|
||
|
11.5. Дверь однопольная с качающимся полотном (правая или левая) |
|
||
|
11.6. Дверь двупольная с качающимися полотнами |
|
||
|
11.7. Дверь (ворота) откатная однопольная |
|
||
|
11.8. Дверь (ворота) раздвижная двупольная |
|
||
|
11.9. Дверь (ворота) подъемная |
|
||
|
11.10. Дверь складчатая |
|
||
|
11.11. Дверь вращающаяся |
|
||
|
11.12. Ворота подъемно-поворотные |
|
||
|
12. Переплеты оконные |
|
||
|
12.1. Переплет с боковым подвесом, открывающийся внутрь |
|
||
|
12.2. То же, открывающийся наружу |
|
||
|
12.3. Переплет с нижним подвесом, открывающийся внутрь |
|
||
|
12.4. То же, открывающийся наружу |
|
||
|
12.5. Переплет с верхний подвесом, открывающийся внутрь |
|
||
|
12.6. То же, открывающийся наружу |
|
||
|
12.7. Переплет со средним подвесом горизонтальным |
|
||
|
12.8. То же, вертикальным |
|
||
|
12.9. Переплет раздвижной |
|
||
|
12.10. Переплет с подъемом |
|
||
|
12.11. Переплет глухой |
|
||
|
12.12. Переплет с боковым подвесом или с нижним подвесом, открывающийся внутрь Примечание - Вершину знака (изображенного штрихами) направлять к обвязке, на которую не навешивают переплет |
|
||
|
13. Арматурные изделия |
|
||
|
13.1. Обычная арматура |
|
||
|
13.1.1. Арматурный стержень: |
|
||
|
а) вид сбоку |
|
||
|
б) сечение |
|
||
|
13.1.2. Арматурный стержень с анкеровкой: |
|
||
|
а) с крюками |
|
||
|
б) с отгибами под прямым углом |
|
||
|
13.1.3. Анкерные кольцо или пластина |
|
||
|
Вид с торца |
|
||
|
13.1.4. Арматурный стержень с отгибом под прямым углом, идущим в направлении от читателя |
|
||
|
То же, в документации, предназначенной для микрофильмирования, и там, где стержни расположены друг к другу очень близко |
|
||
|
13.1.5. Арматурный стержень с отгибом под прямым углом, идущим в направлении к читателю |
|
||
|
13.2. Предварительно напряженная арматура |
|
||
|
13.2.1. Предварительно напряженные арматурный стержень или трос: |
|
||
|
а) вид сбоку |
|
||
|
б) сечение |
|
||
|
13.2.2. Поперечное сечение арматуры с последующим натяжением, расположенной в трубе или канале |
|
||
|
13.2.3. Анкеровка у напрягаемых концов |
|
||
|
13.2.4. Заделанная анкеровка |
|
||
|
Вид с торца |
|
||
|
13.2.5. Съемное соединение |
|
||
|
13.2.6. Фиксированное соединение Примечание - Допускается предварительно напряженную арматуру показывать сплошной очень толстой линией |
|
||
|
13.3. Арматурные соединения |
|
||
|
13.3.1. Один плоский каркас или сетка: |
|
||
|
а) условно |
|
||
|
б) упрощенно (поперечные стержни наносят по концам каркаса или в местах изменения шага стержней) |
|
||
|
13.3.2. Несколько одинаковых плоских каркасов или сеток Примечание - Арматурные и закладные изделия изображают очень толстой сплошной линией |
|
||
|
14. Соединения и крепежные детали элементов деревянных конструкций |
|
||
|
14.1. На шпонках |
|
||
|
14.2. На скобах |
|
||
|
14.3. На коннекторах |
|
||
|
14.4. Соединение на нагелях: |
|
||
|
а) пластинчатых |
|
||
|
б) круглых |
|
||
|
14.5. Соединения на шайбах |
|
||
|
Примечания: 1. Изображения крепежных деталей выполняют в соответствии с ГОСТ 2.315. 2. Условные изображения и обозначения швов сварных соединений выполняют по ГОСТ 2.312 |
|
||
|
|
|||
|
Наименование |
Изображение в масштабах |
||
|
1:50 и 1:100 |
1:200 |
||
|
15. Каналы дымовые и вентиляционные |
|
|
|
|
15.1. Вентиляционные шахты и каналы |
|
|
|
|
15.2. Дымовые трубы (твердое топливо) |
|
|
|
|
|
|
|
|
|
15.3. Дымовые трубы (жидкое топливо) |
|
|
|
|
15.4. Газоотводные трубы |
|
|
|

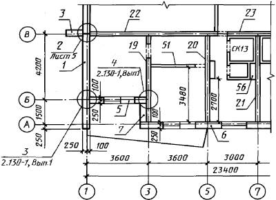
Пример выполнения плана этажа жилого дома


|
Примечание
- Схема
сечения может |
Пример заполнения спецификации элементов перемычек
|
Поз. |
Обозначение |
Наименование |
Кол. на этаж |
Масса ед., кг |
Примеч. |
|||
|
1 |
2 |
3 |
Всего |
|||||
|
1 |
ГОСТ 948-84 |
2ПБ19-3 |
16 |
8 |
4 |
28 |
81 |
|
|
2 |
5ПБ18-27 |
5 |
2 |
1 |
8 |
250 |
|
|
|
3 |
3ПБ18-8 |
3 |
2 |
1 |
6 |
119 |
|
|
Пример выполнения спецификации элементов заполнения проемов
|
Поз. |
Обозначение |
Наименование |
Кол. по фасадам |
Масса ед., кг |
Примеч.* |
||||
|
1 - 10 |
10 - 1 |
Л - А |
А - Л |
Всего |
|||||
|
|
1.436.3-16 |
Окна |
|
|
|
|
|
|
|
|
1 |
ОГД 18.12-2 |
10 |
|
9 |
|
19 |
|
1200 |
|
|
2 |
ОТД 18.18-2 |
10 |
|
|
|
10 |
|
1800 |
|
|
3 |
ОГД 18.18-2 |
10 |
13 |
9 |
13 |
45 |
|
||
|
4 |
ОГД 24.18-2 |
|
15 |
9 |
14 |
38 |
|
2400 |
|
|
5 |
ОГД 24.12-2 |
3 |
|
|
|
3 |
|
||
|
|
|
Жалюзийные решетки |
|
|
|
|
|
|
|
|
6 |
3453-1-КЖ.И5 |
РШ1 |
|
|
|
1 |
1 |
|
2400 |
|
7 |
РШ2 |
|
1 |
|
|
1 |
|
5000 |
|
|
|
|
Дверные блоки |
|
|
|
|
|
|
|
|
8 |
ГОСТ 14624-84 |
ДВГ21-15 |
4 |
2 |
|
|
6 |
|
2070 |
|
9 |
ДВГ24-15 |
1 |
|
|
|
1 |
|
2370 |
|
|
10 |
ГОСТ 6629-88 |
ДУ24-10 |
2 |
1 |
|
|
3 |
|
|
|
11 |
ГОСТ 24584-81** |
ДАО24-10ВЛ |
8 |
|
|
|
8 |
|
|
|
12 |
ТУ 36-1965-16 |
Ворота 3,6´3,6 |
2 |
|
|
|
2 |
|
3600 |
|
* В графе приведена высота проема. |
|||||||||
_________
** На территории Российской Федерации отменен

Пример выполнения разреза многоэтажного
производственного здания

Пример выполнения разреза жилого дома



Пример выполнения фасада жилого дома




Схема расположения элементов фундаментов
и фундаментных балок

Схема расположения колонн и подкрановых балок

Схема расположения плит покрытия

Схема расположения панелей стен

Схема расположения панелей стен, перегородок и других
элементов жилого дома

Схема расположения колонн, ригелей и балок
перекрытия на отм...



|
Марка элемента |
Напрягаемая арматура класса |
Изделия арматурные |
Изделия закладные |
|||||||||||||||||
|
Арматура класса |
Всего |
Арматура класса |
Прокат марки |
Всего |
||||||||||||||||
|
А-IV |
Итого |
А-III |
Bр-I |
А-III |
ВСт3кп2 |
|||||||||||||||
|
ГОСТ 5781-82 |
ГОСТ 5781-82 |
ГОСТ 6727-80 |
ГОСТ 5781-82 |
ГОСТ 103-76 |
ГОСТ 8510-86 |
|||||||||||||||
|
Æ14 |
Æ16 |
Æ20 |
Æ6 |
Æ8 |
Æ10 |
Итого |
Æ5 |
Итого |
Æ16 |
Æ20 |
Итого |
-5´14 |
-5´16 |
Итого |
L75´50´5 |
Итого |
||||
|
2БФ6-2АIAа |
- |
- |
30,4 |
30,4 |
4,7 |
- |
9,3 |
14,0 |
4,0 |
4,0 |
18,0 |
25,1 |
- |
25,1 |
5,5 |
13,8 |
19,3 |
40,3 |
40,3 |
84,7 |
|
2БФ6-5АIVа |
14,8 |
- |
- |
14,8 |
- |
4,7 |
2,0 |
6,7 |
7,1 |
7,1 |
13,8 |
30,6 |
15,3 |
45,9 |
2,8 |
- |
2,8 |
45,3 |
45,3 |
94,0 |
|
2БФ6-9АIVа |
- |
18,0 |
- |
18,0 |
4,7 |
- |
8,7 |
13,4 |
4,0 |
4,0 |
17,4 |
41,2 |
15,8 |
57,0 |
3,2 |
- |
3,2 |
38,1 |
38,1 |
98,3 |

|
Марка изделия |
Поз. дет. |
Наименование |
Кол. |
Масса 1 дет., кг |
Масса изделия, кг |
|
С1 |
1 |
Æ 16А-III l = 3050 |
7 |
4,8 |
36,9 |
|
2 |
Æ 8А-I l = 650 |
11 |
0,3 |
||
|
С2 |
1 |
Æ 12А-III l = 2150 |
6 |
1,9 |
12,2 |
|
2 |
Æ 6А-I l =550 |
8 |
0,1 |
||
|
С3 |
1 |
Æ 10А-III l = 1550 |
6 |
1,0 |
5,5 |
|
2 |
Æ 6А-I l = 550 |
6 |
0,1 |
||
|
С4 |
3 |
Æ 16А-III l = 3500 |
1 |
5,5 |
20,6 |
|
4 |
Æ 16А-III l = 3400 |
1 |
5,4 |
||
|
5 |
Æ 16А-III l = 3050 |
1 |
4,8 |
||
|
6 |
Æ 8А-I l = 350 |
1 |
0,1 |
||
|
7 |
Æ 8А-I l = 65О |
16 |
0,3 |
||
|
С5 |
3 |
Æ 12А-III l = 2500 |
1 |
2,2 |
7,3 |
|
4 |
Æ 12А-III l = 2400 |
1 |
2,1 |
||
|
5 |
Æ 12А-III l = 2050 |
1 |
1,8 |
||
|
6 |
Æ 6А-I l = 350 |
1 |
0,1 |
||
|
7 |
Æ 6А-I l = 650 |
11 |
0,1 |
1. Арматура - по ГОСТ 5781-82.
2. Предельные отклонения от размеров стержней и выпусков - 2 мм.
1. Наружные металлические лестницы шириной не более 1,0 м.
2. Косоуры лестниц с железобетонными ступенями и площадками.
3. Ограждение: на кровле, площадок, проемов, приямков, лестниц (железобетонных, металлических).
4. Щиты над каналами шириной до 1,0 м с нагрузкой не более 20 кПа (3000 кгс/м2).
5. Щиты над проемами, (например, монолитными) площадью до 2 м2 с нагрузкой не более 20 кПа (2000 кгс/м2).
6. Конструкции козырьков выносом не более 1,5 м.
7. Металлические элементы железобетонных конструкций (например, отдельные металлические балки, соединительные изделия, анкеры, выпуски, между железобетонными плитами, металлическая гидроизоляция стен, профилированный настил, используемый в качестве опалубки).
8. Другие металлические изделия, конструкции, параметры которых аналогичны перечисленным в п.п. 1 - 7.


ССЫЛОЧНЫЕ НОРМАТИВНО-ТЕХНИЧЕСКИЕ ДОКУМЕНТЫ
|
Обозначение НТД, на который дана ссылка |
Номер пункта, приложения |
|
ГОСТ 2.106-96 |
4.10 |
|
ГОСТ 2.109-73 |
4.1 |
|
ГОСТ 2.113-75 |
4.1, 4.10 |
|
ГОСТ 2.312-72 |
Приложение 1 |
|
ГОСТ 2.315-68 |
» |
|
ГОСТ 21.101-97 |
1.1, 1.2, 2.1, 2.2.1, 2.2.2, 2.3.6, 3.2, 3.4.1 |
|
ГОСТ 21.110-95 |
1.2 |
|
ГОСТ 21.113-88 |
1.4 |
|
ГОСТ 82-70 |
Приложения 15, 16 |
|
ГОСТ 103-76 |
Приложения 12, 16 |
|
ГОСТ 948-84 |
Приложение 3 |
|
ГОСТ 5781-82 |
Приложения 12, 13, 15, 16 |
|
ГОСТ 6629-88 |
Приложение 3 |
|
ГОСТ 6727-80 |
Приложение 12 |
|
ГОСТ 8510-86 |
» |
|
ГОСТ 14098-91 |
3.3.13, приложение 13 |
|
ГОСТ 14624-84 |
Приложение 3 |
|
ГОСТ 21780-83* |
1.4 |
|
ГОСТ 24584-81* |
Приложение 3 |
СОДЕРЖАНИЕ