Стандарт устанавливает состав и правила оформления рабочих чертежей технологии производства всех отраслей промышленности и народного хозяйства.
| Обозначение: | ГОСТ 21.401-88 |
| Название рус.: | Система проектной документации для строительства. Технология производства. Основные требования к рабочим чертежам |
| Статус: | действует |
| Дата актуализации текста: | 05.05.2017 |
| Дата добавления в базу: | 01.09.2013 |
| Дата введения в действие: | 01.07.1988 |
| Утвержден: | 28.12.1987 Госстрой СССР (Государственный комитет Совета Министров СССР по делам строительства) (USSR Gosstroy 308) |
| Опубликован: | Издательство стандартов (1988 г. ) ИПК Издательство стандартов (2001 г. ) |
| Ссылки для скачивания: |
ГОСТ 21.401-88
МЕЖГОСУДАРСТВЕННЫЙ СТАНДАРТ
СИСТЕМА ПРОЕКТНОЙ ДОКУМЕНТАЦИИ
ДЛЯ СТРОИТЕЛЬСТВА
ТЕХНОЛОГИЯ ПРОИЗВОДСТВА
ОСНОВНЫЕ ТРЕБОВАНИЯ К РАБОЧИМ ЧЕРТЕЖАМ
ИПК ИЗДАТЕЛЬСТВО СТАНДАРТОВ
Москва
МЕЖГОСУДАРСТВЕННЫЙ СТАНДАРТ
|
Система проектной документации для строительства ТЕХНОЛОГИЯ ПРОИЗВОДСТВА Основные требования к рабочим чертежам System of design documents
for construction. Production technology. |
ГОСТ
|
Дата введения 01.07.88
Настоящий стандарт устанавливает состав и правила оформления рабочих чертежей технологии производства всех отраслей промышленности и народного хозяйства.
1.1. Рабочие чертежи технологии производства выполняют в соответствии с требованиями настоящего стандарта и стандартов системы проектной документации для строительства (СПДС).
1.2. В состав рабочих чертежей технологии производства включают:
- рабочие чертежи, предназначенные для монтажа оборудования и технологических трубопроводов (основной комплект рабочих чертежей марки ТХ);
- задание на разработку деталировочных чертежей технологических блоков, собираемых организациями, осуществляющими монтаж (далее - задание на разработку технологических блоков);
- чертежи специальных технологических трубопроводов;
- исходные требования к разработке конструкторской документации по оборудованию индивидуального изготовления, составляемые в соответствии с ГОСТ 15.001*, если эти требования не разработаны в рабочем проекте (далее - проекте).
______________
* В Российской Федерации действует ГОСТ Р 15.201-2000.
1.3. В состав основного комплекта рабочих чертежей марки ТХ включают:
- общие данные по рабочим чертежам;
- схему соединений (монтажную);
- чертежи расположения оборудования и трубопроводов;
- ведомость трубопроводов.
К основному комплекту рабочих чертежей марки ТХ составляют спецификацию оборудования, изделий и материалов по ГОСТ 21.110.
1.4. Основные комплекты рабочих чертежей выполняют на каждый технологический узел в соответствии с проектом организации строительства с присвоением им обозначений, включающих марку чертежа ТХ и порядковый номер, например ТХ1, ТХ2 и т.д.
1.5. На схемах и чертежах изображают:
- оборудование, трубопроводы и их элементы - в виде упрощенных контурных очертаний в масштабе чертежа или условными графическими изображениями сплошной толстой основной линией. Допускается трубопроводы, диаметр которых в масштабе чертежа превышает 3 мм, изображать двумя линиями;
- блоки на планах в виде прямоугольника, на разрезах - по наружному контуру сплошной основной линией;
- трассы специальных трубопроводов - сплошной толстой основной линией;
- строительные конструкции в виде упрощенных контурных очертаний - сплошной тонкой линией.
Обозначения должны быть одинаковыми во всех текстовых и графических документах основного комплекта.
1.6. Термины, используемые в стандарте, и их пояснения приведены в приложении 1.
2.1. В состав общих данных по рабочим чертежам марки ТХ в дополнение к данным, предусмотренным ГОСТ 21.101, включают схему расположения технологических узлов.
При наличии ТХ1, ТХ2 и т.д. схему размещают на листах общих данных марки ТХ1.
На схеме указывают:
- границы и номера каждого технологического узла;
- вводы и выводы основных трубопроводов с обозначением трубопроводов и с привязкой их к координационным осям зданий (сооружений). Допускается для групповых вводов и выводов привязку выполнять только к осям крайних трубопроводов или осям подводящих эстакад.
К схеме приводят ведомость технологических узлов по форме 1, графы которой заполняют в соответствии с их наименованием.
Ведомость технологических узлов
Форма 1

Пример оформления схемы и ведомости приведен в приложении 2.
2.2. В общих указаниях в дополнение к сведениям, предусмотренным ГОСТ 21.101 , приводят:
- характеристику трубопроводов (форма 2);
- указания о хранении оборудования и элементов специальных технологических трубопроводов, требующих укрытия;
- технические указания, соблюдение которых обязательно при монтаже оборудования.
Характеристика трубопроводов
Форма 2

2.2.1. В форме 2 указывают:
- в графе «Обозначение» - обозначение трубопровода по схеме соединений (монтажной), выполняемой в соответствии с разд. 3;
- в графе «Наименование транспортируемого продукта» - наименование или номер транспортируемого продукта;
- в графе «Категория трубопровода» - категорию и группу трубопровода в соответствии с действующими нормативными документами;
- в графе «Испытание» - вид (прочность, герметичность) и способ (гидравлический, пневматический) испытания;
- в графе «Дополнительные указания» - дополнительные указания по испытанию (при испытании на герметичность - время испытания и величину падения давления), требования к внутренней поверхности трубопровода после испытания (продувка, очистка и дополнительная обработка).
Остальные графы заполняют в соответствии с их наименованием.
2.3. В ведомость ссылочных и прилагаемых документов (в раздел «Прилагаемые документы») в дополнение к данным, предусмотренным ГОСТ 21.101, записывают задания на разработку технологических блоков, чертежи специальных технологических трубопроводов, исходные требования к разработке конструкторской документации по оборудованию индивидуального изготовления, составляемые в соответствии с ГОСТ 15.001*.
______________
* В Российской Федерации действует ГОСТ Р 15.201-2000.
3.1. Схему соединений (монтажную) выполняют в соответствии с требованиями настоящего стандарта, а также ГОСТ 2.701.
- оборудование. При трех или более одинаковых машинах или аппаратах с аналогичной обвязкой трубопроводами на схеме указывают только одну машину или аппарат с линиями и обозначением их количества и последовательности соединения;
- блоки без указания составных частей и связей между ними;
- трубопроводы и их элементы;
- позиционное или буквенно-цифровое обозначение оборудования и трубопроводов в соответствии со спецификой к чертежам расположения оборудования и трубопроводов;
- величину условного прохода (Dy) и материал труб (кроме углеродистых сталей);
- направление потока продукта;
- наименование транспортируемого продукта и его параметры на вводах и выводах трубопроводов;
- величину давления, на которую должны быть отрегулированы предохранительные клапаны.
Все буквенно-цифровые обозначения оборудования, трубопроводов и их элементов наносят на полках линии-выноски. Допускается:
- обозначения оборудования наносить в контуре упрощенного графического изображения;
- обозначения трубопроводов наносить над линиями либо в разрывах линий трубопроводов.
Пример оформления схемы приведен в приложении 3.
3.3 Схемы допускается выполнять:
- на листах чертежа расположения оборудования и трубопроводов;
- совмещенными со схемами автоматизации технологических процессов производства;
- при сложных трубопроводных системах - раздельно для групп трубопроводов по их назначению; без перечня элементов к схеме.
4.1. Чертежи расположения оборудования и трубопроводов (далее - чертежи расположения) выполняют в соответствии со схемой соединения.
4.2. В состав чертежей расположения включают планы, разрезы, сечения, фрагменты планов и разрезов, узлы, достаточные для подготовки и производства монтажных работ.
4.3. Планы и разрезы чертежей расположения выполняют в масштабе 1:50, 1:100 или 1:200, фрагменты планов и разрезов - в масштабе 1:50, узлы - в масштабе 1:10, 1:25.
4.4. На чертежах расположения указывают и обозначают:
- оборудование;
- блоки;
- трубопроводы и их элементы, опоры трубопроводов и опорные конструкции под них;
- трассы специальных технологических трубопроводов;
- каналы и лотки для прокладки трубопроводов;
- места обслуживания оборудования, при необходимости;
- координационные оси здания (сооружения) и расстояние между ними;
- отметки чистых полов этажей и основных площадок;
- позиционное или буквенно-цифровое обозначение оборудования, участков трубопроводов;
- места подключения трубопроводов к блокам, машинам и аппаратам, соединения трубопроводов между собой, величину и направление уклонов трубопроводов;
- величину предварительного растяжения (сжатия) компенсаторов;
- привязку оборудования, трубопроводов и их элементов к координационным осям или к элементам конструкций зданий (сооружений). Допускается взаимная привязка оборудования и трубопроводов;
- величину условного прохода (Dy) и материал труб (кроме углеродистых сталей);
- направление потока продукта на вводах, выводах и разветвлениях;
- допустимые монтажные нагрузки на крановые пути и монорельсы, а также на перекрытия и строительные конструкции, которые могут быть использованы для монтажа оборудования.
4.5. К чертежам расположения выполняют спецификации по форме 1 ГОСТ 21.101. В спецификацию включают оборудование и участки трубопроводов. Состав участков трубопроводов указывают в ведомости трубопроводов.
Графу «Масса ед., кг» не заполняют.
Пример оформления чертежа расположения и спецификации к нему приведен в приложении 4.
5.1. Ведомость трубопроводов выполняют по форме 3.
На каждый участок трубопровода, обозначенный на чертеже расположения номером позиции, в ведомость записывают все элементы трубопроводов, находящиеся в границе участка.
Ведомость трубопроводов
Форма 3

5.2. В ведомости указывают:
- в графе «Наименование» - наименование элементов трубопроводов и их обозначение в соответствии с нормативно-технической документацией или указанием номера чертежа элемента трубопровода;
- в графе «Всего» - общее количество элементов трубопроводов по всем позициям, указанным в ведомости трубопроводов.
Остальные графы заполняют в соответствии с их наименованием.
Пример оформления ведомости трубопроводов приведен в приложении 5.
- ведомость трубопроводов, составленную на ЭВМ, выполнять по форме машинно-ориентированных документов;
- совмещать ведомость трубопроводов и характеристики трубопроводов;
- при большом количестве трубопроводов на проектируемом объекте выполнять ведомость трубопроводов в составе рабочей документации в виде отдельного документа (по форме 3 или форме машинно-ориентированного документа) с присвоением ему самостоятельного обозначения, состоящего из обозначения основного комплекта и (через точку) шифра ВТ.
В этом случае ведомость трубопроводов записывают в раздел «Прилагаемые документы» ведомости ссылочных и прилагаемых документов общих данных соответствующего основного комплекта рабочих чертежей.
6.1. Задание на разработку технологического блока должно содержать чертеж блока и ведомость трубопроводов (разд. 5) в составе блока.
6.2. На чертеже блока приводят и указывают:
- схему соединения (монтажную) блока, выполненную в соответствии с требованиями, приведенными в п. 3.2. Наименование транспортируемого продукта и его параметры на вводах и выводах в блок указывают в характеристике трубопроводов. Схему располагают на первом листе чертежа блока;
- машины, аппараты, трубопроводы и их элементы, опорные конструкции;
- составные части блоков, объединенные в поставочные и монтажные узлы на опорных конструкциях;
- планы, разрезы, сечения, необходимые для разработки деталировочных чертежей трубопроводов и опорных конструкций, а также сборки блока;
- характеристику трубопроводов по форме 2;
- позиционное обозначение составных частей блока;
- решения по креплению блока к несущим строительным конструкциям;
- размеры, определяющие положение составных частей блока;
- особые требования, не приведенные в общих данных основного комплекта рабочих чертежей, в части транспортирования и хранения, изготовления, испытания и монтажа блока, другие необходимые требования;
- буквенные обозначения входа и выхода трубопроводов.
Пример оформления чертежа блока приведен в приложении 6.
6.3. На каждый блок составляют спецификацию по форме 1 ГОСТ 21.101 с учетом следующих дополнительных требований:
Графу «Масса ед., кг» заполняют для оборудования.
Составные части блока записывают в спецификации в следующем порядке.
1) Документация. В графе «Наименование» указывают наименование документа, а в графе «Обозначение» - его номер.
2) Оборудование. В графе «Наименование» указывают наименование машин или аппарата, а в графе «Обозначение» - нормативно-технический документ или номер чертежа.
3) Опорные конструкции блока. В графе «Наименование» указывают наименование конструкции, а в графе «Обозначение» - номер чертежа или типового проекта.
4) Заимствованные (ранее разработанные) узлы, входящие в состав блока. В графе «Наименование» указывают наименование узла, а в графе «Обозначение» - номер чертежа или типового проекта.
5) Трубопроводы. В графе «Наименование» указывают трубопровод с указанием начальной и конечной точки в границах блока.
Пример оформления спецификации блока приведен в приложении 7.
Пример оформления ведомости трубопроводов на блок приведен в приложении 8.
Специальный технологический трубопровод изображают во фронтальной диметрической проекции по ГОСТ 2.317.
- позиции элементов трубопроводов;
- размеры, необходимые для сборки трубопровода.
Спецификацию к чертежу специального технологического трубопровода выполняют по форме 1 ГОСТ 21.101.
Графу «Масса ед., кг» не заполняют.
Пример оформления чертежа специального технологического трубопровода приведен в приложении 9.
Справочное
ТЕРМИНЫ, ИСПОЛЬЗУЕМЫЕ В СТАНДАРТЕ, И ИХ ПОЯСНЕНИЯ
|
Термин |
Пояснение |
|
1. Технологический узел |
Конструктивно и технологически обособленная часть объекта строительства, техническая готовность которой позволяет автономно, независимо от готовности объекта в целом, производить пуско-наладочные работы, индивидуальные испытания и комплексное опробование этой части объекта. Технологические узлы, как правило, выделяют стадии технологического процесса объекта - подготовку сырья, этапы его переработки, выделения конечного продукта, хранение и т.д. |
|
2. Оборудование |
Технологические блоки, машины, аппараты, грузоподъемные средства |
|
3. Технологический блок |
Комплекс или сборочная единица* технологического оборудования заданного уровня заводской готовности и производственной технологичности, предназначенные для осуществления основных или вспомогательных технологических процессов. В состав блока включают машины, аппараты, первичные средства контроля и управления, трубопроводы, опорные и обслуживающие конструкции, тепловую изоляцию и химическую защиту. Блоки, как правило, формируют для осуществления теплообменных, массообменных, гидродинамических, химических и биологических процессов. Номенклатура блоков устанавливается ведомственными нормативными документами, согласованными с министерствами, осуществляющими монтажные работы |
|
4. Технологические трубопроводы |
Трубопроводы, предназначенные для транспортирования различных веществ, необходимых для ведения технологического процесса или эксплуатации оборудования |
|
5. Специальные трубопроводы |
Технологические трубопроводы стальные с внутренними покрытиями, стальные, работающие под давлением 10 МПа более, трубопроводы из неметаллических материалов |
|
6. Участок трубопровода |
Часть технологического трубопровода из одного материала, по которому транспортируют вещество с одним давлением и одной температурой. При определении участка трубопровода в его границах для одного условного прохода должна быть обеспечена идентичность марок арматуры, фланцев, отводов, тройников и переходов |
|
7. Элементы трубопровода |
Патрубки (трубы), отводы, переходы, тройники, фланцы, компенсаторы, отключающая, регулирующая, предохранительная арматура, опоры, прокладки и крепежные изделия, устройства, устанавливаемые на трубопроводах для контроля и управления, конденсационные и другие детали и устройства |
______________
* Определение комплекса и сборочной единицы - по ГОСТ 2.101.
Справочное
Схема расположения технологических узлов

Черт. 1
Ведомость технологических узлов
|
Номер узла по схеме |
Наименование технологического узла |
Категория производства по взрывной, взрывопожарной и пожарной опасности |
Степень огнестойкости здания |
Класс помещения и наружных установок по ПУЭ |
Группа процессов по санитарной характеристике |
|
101 |
Насосная |
В |
II |
II-II |
IIIб |
|
в т.ч. помещение смазки |
А |
III |
- |
II |
Справочное

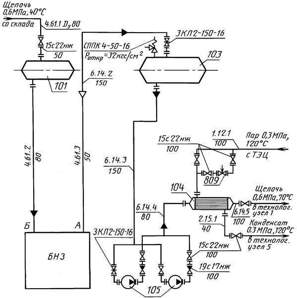
Черт. 2
Справочное

Черт. 3
|
Поз. |
Обозначение |
Наименование |
Кол. |
Масса ед., кг |
Примеч. |
|
101 |
ОСТ 26-02-1496-76 |
Емкость 1-4,0-1200-1,0-1-2-1-0 |
1 |
||
|
БН3 |
ХХХ-ХХ ТХ.И-БН-3. ВО |
Блок нагнетания |
1 |
||
|
103 |
ОСТ 26-02-1496-76 |
Емкость 1-6,3-1600-1,0-1-2-1-0 |
1 |
||
|
104 |
НИ 780 |
Теплообменник |
|||
|
1200 ИТ-2-16 МЛ25 Г4 |
1 |
||||
|
105 |
ХХХ-ХХ |
Насос НК 65/35-70 с электродвигателем |
2 |
||
|
ВАО-81-8, N = 40 кВт, |
|||||
|
п = 2950 |
|||||
|
4.61.1 |
Участок трубопровода |
1 |
|||
|
от границы установки до поз. 101 |
|||||
|
4.61.3 |
Участок трубопровода |
1 |
|||
|
от поз. БН3 до участка |
|||||
|
трубопровода 5.18.2 |
|||||
|
7.10.1 |
Участок трубопровода |
1 |
|||
|
от поз. 103 до границы установки |
|||||
|
6.14.2 |
Участок трубопровода |
1 |
|||
|
от участка трубопровода |
|||||
|
5.18.2 до поз. 103 |
Справочное
|
Наименование |
Единица изм. |
Всего |
Кол. на участок трубопровода |
|||||||
|
4.61.1 |
4.61.3 |
6.14.2 |
7.10.1 |
|||||||
|
|
||||||||||
|
159×4,5 |
м |
3,0 |
3,0 |
|||||||
|
89×3,5 |
м |
2,0 |
2,0 |
|||||||
|
57×3,5 |
м |
6,75 |
4,25 |
2,5 |
||||||
|
Отвод 90° ГОСТ 17375-83: |
||||||||||
|
159×4,5 |
шт. |
2 |
2 |
|||||||
|
89×3,5 |
шт. |
2 |
2 |
|||||||
|
57×3,5 |
шт. |
5 |
2 |
3 |
||||||
|
Переход ГОСТ 17378-83 |
шт. |
|||||||||
|
159×4,5 – 57×3,0 |
1 |
1 |
||||||||
|
Задвижка ЗКЛ2-150-16 |
шт. |
1 |
1 |
|||||||
|
Вентиль 15с22нж: |
шт. |
|||||||||
|
Dy80, Ру40 |
1 |
1 |
||||||||
|
Dy50, Ру40 |
1 |
|||||||||
|
Опора: |
шт. |
|||||||||
|
ОПП2-100.159 |
1 |
1 |
||||||||
|
ОПП2-100.57 |
2 |
1 |
1 |
|||||||
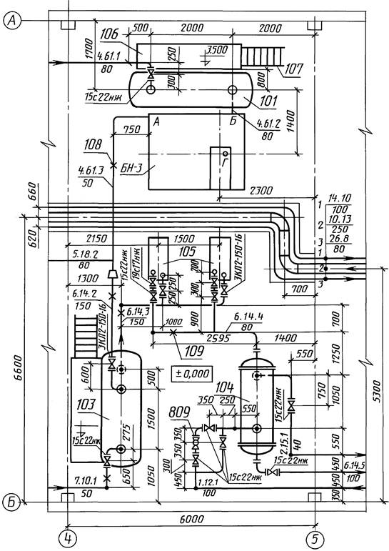
Справочное

Черт. 4
Характеристика трубопроводов
|
Обозначение |
Наименование транспортируемого продукта |
Категория трубопровода |
Рабочие условия трубопровода |
Испытание |
Дополнительные указания |
||
|
Температура, °С |
Давление, МПа (кгс/см2) |
Вид |
Давление, МПа (кгс/см2) |
||||
|
3 |
Кислота |
III |
43 |
1,0 (10) |
Прочность |
1,3 (13) |
|
|
2 |
Кислота |
III |
43 |
1,4 (14) |
Прочность |
1,7 (17) |
|
|
17 |
Охлаждающая жидкость |
V |
20 |
0,3 (3) |
Прочность |
0,5 (5) |
|
|
13 |
Охлаждающая жидкость |
V |
20 |
0,3 (3) |
Прочность |
0,5 (5) |
|
|
14 |
Уплотняющая жидкость |
V |
40 |
0,6 (6) |
Прочность |
0,9 (9) |
|
|
15 |
Уплотняющая жидкость |
V |
40 |
0,6 (6) |
Прочность |
0,9 (9) |
|
|
16 |
Утечки |
V |
20 |
0,1 (1) |
Прочность |
0,2 (2) |
|
|
11 |
Дренаж кислоты |
III |
43 |
1,0 (10) |
Прочность |
||
План на отм. 0.000

Черт. 5

Черт. 6
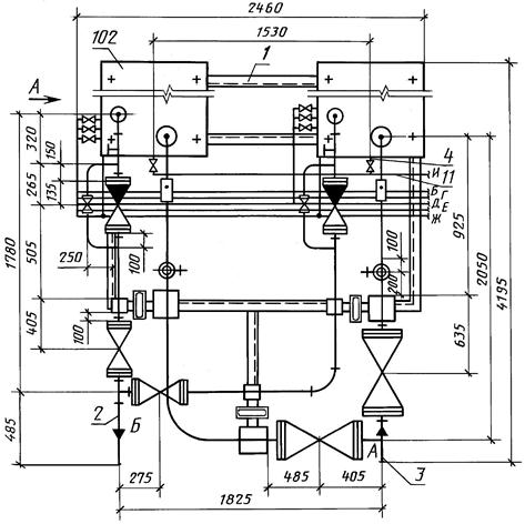
Справочное
|
Поз. |
Обозначение |
Наименование |
Кол. |
Масса ед., кг |
Примеч. |
|
ХХХ-ХХ-ТХ1.И-БН.ВО |
Блок нагнетания |
||||
|
ХХХ-ХХ-ТХ1.И-БН.ВТ |
Ведомость трубопроводов |
||||
|
102 |
ХХХ-ХХ |
Насос НК 65/35-70 |
2 |
500 |
|
|
с электродвигателем |
|||||
|
ВАО-81-2, N = 40 кВт |
|||||
|
1 |
ХХХ-ХХ-БН 00.001 |
Конструкция опорная |
1 |
||
|
2 |
Трубопровод от штуцера Б до |
1 |
|||
|
границы блока |
|||||
|
3 |
Трубопровод от штуцера А до |
1 |
|||
|
границы блока |
|||||
|
4 |
Трубопровод от насоса до |
2 |
|||
|
коллектора И |
|||||
|
5 |
Трубопровод от насоса до |
2 |
|||
|
коллектора В |
|||||
|
6 |
Трубопровод от насоса до |
2 |
|||
|
коллектора Г |
|||||
|
7 |
Трубопровод от насоса до |
2 |
|||
|
коллектора Д |
|||||
|
8 |
Трубопровод от насоса до |
2 |
|||
|
коллектора Е |
|||||
|
9 |
Трубопровод от насоса до |
2 |
|||
|
коллектора Ж |
|||||
|
10 |
Трубопровод от трубопровода поз. 2 до коллектора И |
2 |
Справочное
|
Наименование |
Единица изм. |
Всего |
Кол. на участок трубопровода |
|||||||
|
Поз. 2 |
Поз. 3 |
Поз. 4 |
Поз. 10 |
|||||||
|
|
||||||||||
|
159×4,5 |
м |
1,9 |
1,9 |
|||||||
|
89×3,5 |
м |
3,5 |
3,5 |
|||||||
|
|
||||||||||
|
25×1,6 |
м |
5,4 |
0,9 |
4,5 |
||||||
|
38×2 |
||||||||||
|
Отвод 90° ГОСТ 17375-83: |
||||||||||
|
159×4,5 |
шт. |
3 |
3 |
|||||||
|
89×3,6 |
шт. |
3 |
3 |
|||||||
|
Переход ГОСТ 17378-83: |
||||||||||
|
159×4,5 - 108×4 |
шт. |
1 |
1 |
|||||||
|
89×3,5 - 76×3,5 |
шт. |
2 |
2 |
|||||||
|
Опора: |
||||||||||
|
ОПП 2-150.159 |
шт. |
3 |
3 |
|||||||
|
ОПП 2-80-89 |
шт. |
3 |
3 |
|||||||
|
Вентиль 15с27нж1 Dy 25, Py 16 |
шт. |
6 |
2 |
2 |
2 |
|||||
Справочное

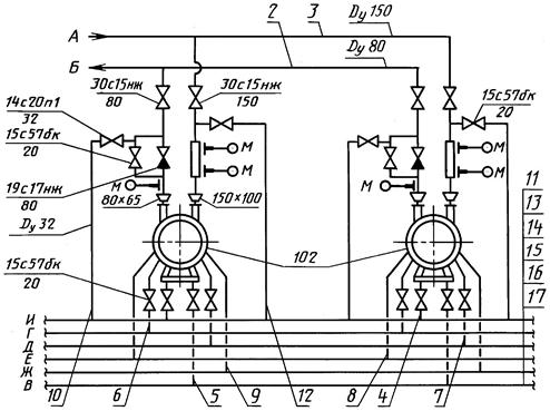
Черт. 7
Спецификация трубопровода
|
Поз. |
Обозначение |
Наименование |
Кол. |
Примеч. |
|
1 |
ТУ 14-3-425-76 |
Переход ПВП 80×50 |
1 |
|
|
2 |
ТУ 14-3-523-76 |
Труба 6-50 ПВП×1000 |
2 |
|
|
3 |
ТУ 26-07-123-74 |
Вентиль диафрагмовый футерованный фланцевый |
1 |
|
|
Каталог ЦКБА, ч. 1, 1981 г. |
15ч76п1, Dy 50, Ру 0,6(6) |
|||
|
4 |
ТУ 14-3-424-75 |
Отвод 6 ПВП 50×90° |
2 |
|
|
5 |
ТУ 14-3-523-76 |
Труба 6-50 ПВП×4000 |
3 |
|
|
6 |
ТУ 14-3-523-76 |
Труба 6-50 ПВП×2000 |
1 |
|
|
7 |
ТУ 14-3-424-75 |
Отвод 6 ПВП 50×45° |
2 |
1. РАЗРАБОТАН
Всесоюзным научно-исследовательским институтом по монтажным и специальным строительным работам («ВНИИМмонтажспецстрой»)
Государственным институтом по проектированию технологии монтажа предприятий нефтеперерабатывающей и нефтехимической промышленности («Гипронефтеспецмонтаж») Министерства монтажных и специальных строительных работ СССР
Государственным научно-исследовательским и проектным институтом хлорной промышленности («Госниихлорпроект») Министерства химической промышленности СССР
Государственным ордена Трудового Красного Знамени проектным и научно-исследовательским институтом промышленности синтетического каучука («Гипрокаучук») Министерства нефтеперерабатывающей и нефтехимической промышленности СССР
Проектным институтом № 2
Центральным научно-исследовательским и проектно-экспериментальным институтом по методологии, организации, экономике и автоматизации проектирования и инженерных изысканий («ЦНИИпроект») Государственного строительного комитета СССР
ВНЕСЕН Министерством монтажных и специальных строительных работ СССР
2. УТВЕРЖДЕН И ВВЕДЕН В ДЕЙСТВИЕ Постановлением Государственного строительного комитета СССР от 28.12.87 № 308
3. ВВЕДЕН ВПЕРВЫЕ
4. ССЫЛОЧНЫЕ НОРМАТИВНО-ТЕХНИЧЕСКИЕ ДОКУМЕНТЫ
|
Обозначение НТД, на который дана ссылка |
Номер раздела, пункта, приложения |
|
ГОСТ 2.101-68 |
Приложение 1 |
|
ГОСТ 2.317-69 |
|
|
ГОСТ 2.701-84 |
|
|
ГОСТ 15.001-88 |
|
|
ГОСТ 21.101-97 |
|
|
ГОСТ 21.110-95 |
5. ПЕРЕИЗДАНИЕ. Октябрь 2001 г.
СОДЕРЖАНИЕ