Стандарт устанавливает требования к геометрическим характеристикам и условиям применения диафрагм, устанавливаемых в трубопроводах круглого сечения для определения расхода и количества жидкостей и газов. Стандарт распространяется на диафрагмы с угловым, фланцевым и трехрадусным способами отбора давления. Стандарт не распространяется на диафрагмы, установленные в трубопроводах внутренним диаметром менее 0,05 м или более 1 м, при значениях числа Рейнольдса менее 5000.
| Обозначение: | ГОСТ 8.586.2-2005 |
| Название рус.: | Государственная система обеспечения единства измерений. Измерение расхода и количества жидкостей и газов с помощью стандартных сужающих устройств. Часть 2. Диафрагмы. Технические требования |
| Статус: | действует |
| Дата актуализации текста: | 05.05.2017 |
| Дата добавления в базу: | 01.09.2013 |
| Дата введения в действие: | 01.01.2007 |
| Утвержден: | 09.12.2005 Межгосударственный Совет по стандартизации, метрологии и сертификации (Inter-Governmental Council on Standardization, Metrology, and Certification 28)31.10.2006 Федеральное агентство по техническому регулированию и метрологии (237-ст) |
| Опубликован: | Стандартинформ (2007 г. ) |
| Ссылки для скачивания: |
МЕЖГОСУДАРСТВЕННЫЙ СОВЕТ ПО
СТАНДАРТИЗАЦИИ, МЕТРОЛОГИИ И СЕРТИФИКАЦИИ
(МГС)
INTERSTATE
COUNCIL FOR STANDARDIZATION, METROLOGY AND CERTIFICATION
(ISC)
|
ГОСТ (ИСО 5167-2:2003) |
Государственная система обеспечения
единства измерений
ИЗМЕРЕНИЕ РАСХОДА И
КОЛИЧЕСТВА
ЖИДКОСТЕЙ И ГАЗОВ С ПОМОЩЬЮ
СТАНДАРТНЫХ СУЖАЮЩИХ УСТРОЙСТВ
Часть 2
Диафрагмы
Технические требования
ISO 5167-2:2003
Measurement of fluid flow by means of pressure
differential devices inserted in
circular cross-section conduits running full -
Part 2: Orifice plates
(MOD)
Москва
Стандартинформ
2007
Предисловие
Цели, основные принципы и основной порядок проведения работ по межгосударственной стандартизации установлены ГОСТ 1.0-92 «Межгосударственная система стандартизации. Основные положения» и ГОСТ 1.2-97 «Межгосударственная система стандартизации. Стандарты межгосударственные, правила и рекомендации по межгосударственной стандартизации. Порядок разработки, принятия, применения, обновления и отмены»
Сведения о стандарте
1. ПОДГОТОВЛЕН Обществом с ограниченной ответственностью «Отраслевой метрологический центр Газметрология» (ООО «ОМЦ Газметрология»), Федеральным государственным унитарным предприятием «Всероссийский научно-исследовательский институт расходометрии» (ФГУП «ВНИИР»), государственным предприятием «Всеукраинский государственный научно-производственный центр стандартизации, метрологии, сертификации и защиты прав потребителей» Госпотребстандарта Украины (Укрметртестстандарт), Национальным университетом «Львовская политехника»
2. ВНЕСЕН Федеральным агентством по техническому регулированию и метрологии Российской Федерации
3. ПРИНЯТ Межгосударственным советом по стандартизации, метрологии и сертификации (протокол № 28 от 9 декабря 2005 г.)
За принятие проголосовали:
|
Код страны по МК (ИСО 3166) 004-97 |
Сокращенное наименование национального органа по стандартизации |
|
|
Армения |
AM |
Министерство торговли и экономического развития Республики Армения |
|
Беларусь |
BY |
Госстандарт Республики Беларусь |
|
Казахстан |
KZ |
Госстандарт Республики Казахстан |
|
Кыргызстан |
KG |
Национальный институт стандартов и метрологии Кыргызской Республики |
|
Молдова |
MD |
Молдова-Стандарт |
|
Российская Федерация |
RU |
Федеральное агентство по техническому регулированию и метрологии |
|
Таджикистан |
TJ |
Таджикстандарт |
|
Туркменистан |
TM |
Главгосслужба «Туркменстандартлары» |
|
Узбекистан |
UZ |
Агентство «Узстандарт» |
|
Украина |
UA |
Госпотребстандарт Украины |
|
Азербайджан |
AZ |
Азстандарт |
4. Настоящий стандарт является модифицированным по отношению к международному стандарту ИСО 5167-2:2003 «Измерение расхода среды с помощью устройств переменного перепада давления, помещенных в заполненные трубопроводы круглого сечения. Часть 2. Диафрагмы» (ISO 5167-2:2003 «Measurement of fluid flow by means of pressure differential devices inserted in circular cross-section conduits running full - Part 2: Orifice plates») путем внесения технических отклонений, объяснение которых приведено во введении к настоящему стандарту.
Наименование настоящего стандарта изменено относительно наименования указанного международного стандарта для приведения в соответствие с ГОСТ 1.5-2001 (подраздел 3.6)
5. Приказом Федерального агентства по техническому регулированию и метрологии от 31 октября 2006 г. № 237-ст межгосударственный стандарт ГОСТ 8.586.2-2005 (ИСО 5167-2:2003) «Государственная система обеспечения единства измерений. Измерение расхода и количества жидкостей и газов с помощью стандартных сужающих устройств. Часть 2. Диафрагмы. Технические требования» введен в действие в качестве национального стандарта Российской Федерации с 1 января 2007 г.
6. ВВЕДЕН ВПЕРВЫЕ
Информация о введении в действие (прекращении действия) настоящего стандарта публикуется в указателе «Национальные стандарты».
Информация об изменениях к настоящему стандарту публикуется в указателе «Национальные стандарты», а текст изменений - в информационных указателях «Национальные стандарты». В случае пересмотра или отмены настоящего стандарта соответствующая информация будет опубликована в информационном указателе «Национальные стандарты»
Введение
Комплекс межгосударственных стандартов ГОСТ 8.586.1-2005 - ГОСТ 8.586.5-2005 под общим наименованием «Государственная система обеспечения единства измерений. Измерение расхода и количества жидкостей и газов с помощью стандартных сужающих устройств» (далее - комплекс стандартов) состоит из следующих частей:
- Часть 1. Принцип метода измерений и общие требования;
- Часть 2. Диафрагмы. Технические требования;
- Часть 3. Сопла и сопла Вентури. Технические требования;
- Часть 4. Трубы Вентури. Технические требования;
- Часть 5. Методика выполнения измерений.
Комплекс стандартов распространяют на измерение расхода и количества жидкостей и газов методом переменного перепада давления при применении следующих типов сужающих устройств: диафрагмы, сопла ИСА 1932, эллипсного сопла1), сопла Вентури и трубы Вентури.
1) В международном стандарте [3] эллипсные сопла названы соплами большого радиуса.
Комплекс стандартов устанавливает требования к геометрическим размерам и условиям применения сужающих устройств, используемых в трубопроводах круглого сечения, полностью заполненных однофазной (жидкой или газообразной) средой, скорость течения которой меньше скорости звука в этой среде.
Части 1 - 4 являются модифицированными по отношению к международным стандартам [1] - [4].
В первой части представлены термины и определения, условные обозначения, принцип метода измерений, установлены общие требования к условиям измерений при применении всех типов сужающих устройств.
Вторая, третья и четвертая части устанавливают технические требования к конкретным типам сужающих устройств: вторая часть - к диафрагмам, третья - к соплам ИСА 1932, эллипсным соплам и соплам Вентури, четвертая - к трубам Вентури.
В пятой части представлена методика выполнения измерений с помощью указанных выше типов сужающих устройств.
В отличие от международного стандарта [2] в настоящий стандарт введены:
- поправочные коэффициенты, учитывающие шероховатость внутренней поверхности измерительного трубопровода и притупление входной кромки диафрагмы;
- дополнительные требования к определению необходимой длины прямолинейных участков измерительных трубопроводов для широкого ряда местных сопротивлений;
- дополнительное приложение А «Классификация видов местных сопротивлений».
Использование в настоящем стандарте поправочных коэффициентов, учитывающих шероховатость внутренней поверхности измерительного трубопровода и притупление входной кромки диафрагмы, позволяет, в отличие от международного стандарта, существенно расширить область применения диафрагм.
Расширение списка видов местных сопротивлений и включение в настоящий стандарт приложения А позволяет расширить возможности монтажа диафрагм и исключить ошибки при определении необходимой длины прямолинейных участков измерительных трубопроводов.
Введенные дополнительные требования выделены в настоящем стандарте путем заключения в рамки из тонких линий.
Наименования видов местных сопротивлений, дополнительно включенных в настоящий стандарт, выделены курсивом.
(ИСО 5167-2:2003)
МЕЖГОСУДАРСТВЕННЫЙ СТАНДАРТ
|
Государственная система обеспечения единства измерений ИЗМЕРЕНИЕ
РАСХОДА И КОЛИЧЕСТВА ЖИДКОСТЕЙ И ГАЗОВ Часть 2 Диафрагмы. Технические требования State system
for ensuring the iniformity of measurements. Measurement of liquids and gases
flow rate and quantity by |
Дата введения - 2007-01-01
Настоящий стандарт устанавливает требования к геометрическим характеристикам и условиям применения диафрагм, устанавливаемых в трубопроводах круглого сечения для определения расхода и количества жидкостей и газов.
Стандарт распространяется на диафрагмы с угловым, фланцевым и трехрадиусным способами отбора давления. Требования настоящего стандарта применяют совместно с требованиями ГОСТ 8.586.1.
Стандарт не распространяется на диафрагмы, установленные в трубопроводах внутренним диаметром менее 0,05 м или более 1 м, и при значениях числа Рейнольдса менее 5000.
В настоящем стандарте использованы ссылки на следующие межгосударственные стандарты:
ГОСТ 8.586.1-2005 (ИСО 5167-1:2003) Государственная система обеспечения единства измерений. Измерение расхода и количества жидкостей и газов с помощью стандартных сужающих устройств. Часть 1. Принцип метода измерений и общие требования (ИСО 5167-1:2003 «Измерение расхода среды с помощью устройств переменного перепада давления, помещенных в заполненные трубопроводы круглого сечения. Часть 1. Общие принципы и требования», MOD)
ГОСТ 8.586.5-2005 Государственная система обеспечения единства измерений. Измерение расхода и количества жидкостей и газов с помощью стандартных сужающих устройств. Часть 5. Методика выполнения измерений
ГОСТ 17378-2001 (ИСО 3419:1981) Детали трубопроводов бесшовные приварные из углеродистой и низколегированной стали. Переходы. Конструкция (ИСО 3419:1981 «Фитинги из легированной и нелегированной стали, привариваемые встык», MOD)
ГОСТ 24856-81 (ИСО 6552:1980) Арматура трубопроводная промышленная. Термины и определения (ИСО 6552:1980 «Конденсатоотводчики автоматические. Определение технических терминов», MOD)
Примечание - При пользовании настоящим стандартом целесообразно проверить действие ссылочных стандартов и классификаторов в информационной системе общего пользования - на официальном сайте Федерального агентства по техническому регулированию и метрологии в сети Интернет или по ежегодно издаваемому информационному указателю «Национальные стандарты», который опубликован по состоянию на 1 января текущего года, и по соответствующим ежемесячно издаваемым информационным указателям, опубликованным в текущем году. Если ссылочный стандарт заменен (изменен), то при пользовании настоящим стандартом следует руководствоваться замененным (измененным) стандартом. Если ссылочный стандарт отменен без замены, то положение, в котором дана ссылка на него, применяется в части, не затрагивающей эту ссылку.
В настоящем стандарте применены термины, определения, обозначения и сокращения в соответствии с ГОСТ 8.586.1.
4.1.1. Метод измерения расхода среды, протекающей в ИТ, основан на создании с помощью диафрагмы местного сужения потока, часть потенциальной энергии которого переходит в кинетическую энергию. Средняя скорость потока в месте его сужения повышается, а статическое давление становится менее статического давления до диафрагмы. Разность давления (перепад давления) тем больше, чем больше расход среды, и, следовательно, она может служить мерой расхода.
|
4.1.2. Массовый расход в общем случае рассчитывают по формуле qm = (p · d2 / 4) · Kш · Kп · Е · С · e · (2 · ρ · Dp)0,5. (4.1) Вывод формулы (4.1) приведен в ГОСТ 8.586.1 (приложение А). Примечание - В международном стандарте [2] поправочные коэффициенты Kш и Kп не используются, т.к. этим стандартом не допускается превышение установленных им норм на предельные значения шероховатости внутренней стенки трубопровода и притупления входной кромки диафрагмы. 4.1.3. Связь массового расхода, объемного расхода при рабочих условиях и объемного расхода, приведенного к стандартным условиям, устанавливает формула
|
Массовый расход рассчитывают по формуле (4.1) после определения параметров, которые либо измеряют непосредственно, либо вычисляют по результатам измерений других параметров.
Коэффициент истечения диафрагм и поправочный коэффициент, учитывающий шероховатость внутренней поверхности измерительного трубопровода, зависят от числа Re, которое само зависит от значения расхода, поэтому уравнение для расчета расхода является неявным. В этом случае значение расхода может быть получено методом итераций. Порядок проведения итераций приведен в ГОСТ 8.586.1 (приложение В) и ГОСТ 8.586.5 (раздел 8).
|
Формулы для определения объемного расхода среды при рабочих условиях измерений и объемного расхода, приведенного к стандартным условиям, приведены в ГОСТ 8.586.5 (раздел 5). |
5.1.1. Общие положения
Поперечное сечение в осевой плоскости стандартной диафрагмы приведено на рисунке 1. Обозначения элементов и геометрических параметров диафрагмы, приведенные на рисунке 1, применяют в настоящем разделе.
1 - входной торец диафрагмы; 2 - выходной торец диафрагмы
Рисунок 1 - Стандартная диафрагма
5.1.2. Общие требования
5.1.2.1. Требования применяют только к части диафрагмы, находящейся внутри трубопровода.
5.1.2.2. Отверстие диафрагмы должно быть соосно с ИТ. Торцевые стороны диафрагмы должны быть плоскими и параллельными друг другу.
5.1.2.3. Конструкция диафрагмы и узла ее крепления должна гарантировать, что под действием перепада давления на ней или других напряжений уклон диафрагмы (см. 5.1.3.1) не будет превышать в рабочих условиях ± 1 %.
|
Допускается считать требование к отсутствию деформации диафрагмы под действием перепада давления выполненным, если толщина диафрагмы удовлетворяет следующим условиям [5]:
где
a = b · (13,5 - 15,5 · b); b = 117 - 106 · b1,3, Eд - толщина диафрагмы, м; Eу - модуль упругости материала диафрагмы, Па; sт - предел текучести материала диафрагмы при рабочей температуре, Па; D - внутренний диаметр опоры выходного торца диафрагмы в узле ее крепления, м. Для определения sт и Eу используют справочные данные или информацию, предоставляемую производителем материала. При выборе толщины диафрагмы следует провести расчеты по формулам (5.1) и (5.2) и выбрать наибольшее значение Eд. Если при расчетах значение Eд превышает 0,05D (см. 5.1.5.3), то необходимо уменьшить перепад давления или выбрать другой материал для изготовления диафрагмы. |
5.1.3. Входной торец диафрагмы
5.1.3.1. Поверхность входного торца диафрагмы (см. рисунок 1) должна быть плоской. Неплоскостность поверхности входного торца диафрагмы определяют перед ее установкой. Диафрагму считают плоской, если максимальный зазор между ней и поверочной линейкой длиной l, наложенной вдоль любого диаметра диафрагмы, как приведено на рисунке 2, менее 0,005 · (l - d) / 2, т.е. уклон - менее 0,5 %.
Dн - наружный диаметр диска диафрагмы;Hд - отклонение поверхности входного торца от плоскостности (измеренное на краю отверстия), м; l - длина линейки; lд - длина проекции на горизонтальную плоскость линии, соединяющей точку касания линейки поверхности диафрагмы и край отверстия диафрагмы
Рисунок 2 - Схема измерения неплоскостности диафрагмы
|
Таким образом, уклон, характеризуемый отношением Hд / lД, должен удовлетворять условию: если l = D, то 2 · Hд / (D - d) < 0,005. (5.4) В таблице 1 приведены наибольшие допускаемые значения Hд в зависимости от D и b при l = D. Таблица 1 - Максимально допускаемые значения Hд
|
|||||||||||||||||||||||||||||||||||||||||||||||||||||||||||||||||||||||||||||||||||||||||||||||||||||||||||||||||||||||||||||||||||||||||||||||||||||||||||||||||||||||||||||||||||||||||||||||
5.1.3.2. Поверхность входного торца диафрагмы должна иметь значение Ra не более 10-4 в пределах круга диаметром не менее D, концентричного с отверстием.
5.1.3.3. Для обеспечения удобства проверки правильности установки диафрагмы по отношению к направлению потока предусматривают маркировочный знак плюс (+) на входном торце и минус (-) на выходном торце диафрагмы. Нанесение маркировочного знака на входном торце диафрагмы в пределах круга диаметром D не допускается.
5.1.4. Выходной торец диафрагмы
5.1.4.1. Поверхность выходного торца диафрагмы (см. рисунок 1) должна быть плоской и параллельной поверхности входного торца диафрагмы.
5.1.4.2. Качество обработки поверхности выходного торца диафрагмы допускается ниже установленного для входного торца (см. [6]; 5.1.9). Рекомендуется, чтобы значение Ra выходного торца не превышало 0,1 мм.
5.1.4.3. Неплоскостность и состояние поверхности выходного торца диафрагмы допускается оценивать визуально.
5.1.4.4. Поверхность выходного торца диафрагмы считают параллельной поверхности входного торца, если выполняются требования 5.1.5.4.
5.1.5. Толщина диафрагмы и длина цилиндрической части ее отверстия
5.1.5.1. Длина e (см. рисунок 1) цилиндрической части отверстия диафрагмы должна находиться в пределах от 0,005D до 0,02D.
5.1.5.2. Разность между значениями e при ее измерении в любой точке контура отверстия не должна превышать 0,001D.
5.1.5.3. Толщина Eд диафрагмы должна быть в пределах от e до 0,05D.
Если 50 мм £ D £ 64 мм, то толщина Eд может достигать 3,2 мм. В этом случае не рекомендуется применение диафрагм с b > 0,36.
Необходимую наименьшую толщину диафрагмы определяют в соответствии с требованиями, изложенными в 5.1.2.3.
5.1.5.4. Если D ³ 200 мм, то разность между значениями Eд, измеренными в любой точке диска диафрагмы, не должна превышать 0,001D. Если D < 200 мм, разность между значениями Eд, измеренными в любой точке диска диафрагмы, не должна быть более 0,2 мм.
5.1.6. Угол наклона a образующей конуса
5.1.6.1. Если толщина Eд превышает длину e, то отверстие диафрагмы должно иметь скос со стороны выходного торца (см. рисунок 1). Поверхность скоса должна быть чистой.
5.1.6.2. Угол a наклона образующей конуса к оси отверстия диафрагмы должен быть в пределах 45° ± 15°.
5.1.7. Кромки G, Н и I
5.1.7.1. На кромке G (см. рисунок 1) не допускается наличие каких-либо дефектов - вмятин, рисок, заусенцев и т.п.
|
5.1.7.2. Если в процессе эксплуатации диафрагмы радиус кромки G не более 0,0004d, то кромку считают острой и значение поправочного коэффициента Kп принимают равным единице. В ином случае значение поправочного коэффициента Kп вычисляют в соответствии с требованиями 5.3.2.4. Значение начального радиуса rн входной кромки диафрагмы определяют в начале межконтрольного интервала визуально или путем измерений. При визуальном определении значения rн исходят из того, что отсутствие отражения света от входной кромки диафрагмы, рассматриваемой невооруженным глазом под углом 45° к плоскости диафрагмы, свидетельствует о том, что значение rн не превышает 0,04 · 10-3 м. Это значение rн принимают за результат визуального определения. При измерении радиуса rн за результат принимают среднеарифметическое значение результатов измерений в восьми точках, равномерно размещенных по окружности. |
5.1.7.3. Кромки H и I (см. рисунок 1) должны быть без заусенцев, фасок или закругления. Допускаются небольшие дефекты (например, одиночная царапина).
5.1.8. Диаметр отверстия диафрагмы
5.1.8.1. Диаметр d (см. рисунок 1) должен быть не менее 12,5 мм. Относительный диаметр b должен находиться в пределах от 0,10 до 0,75.
5.1.8.2. Значение диаметра d рассчитывают по ГОСТ 8.586.1 [формула (5.4)]. За значение диаметра отверстия диафрагмы d20 принимают среднее значение результатов измерений диаметра не менее чем в четырех направлениях, расположенных под приблизительно равными (визуально контролируемыми) углами друг к другу.
5.1.8.3. Отверстие должно быть цилиндрическим. Требование считается выполненным, если результат измерений диаметра в любом из направлений (см. 5.1.8.2) не отличается от среднего значения диаметра более чем на 0,05 %.
5.1.9. Диафрагмы для инверсивных потоков
5.1.9.1. Диафрагмы, предназначенные для измерения инверсивных потоков, должны соответствовать следующим требованиям:
- отверстие диафрагмы не должно иметь конической части;
- оба торца диафрагмы должны соответствовать требованиям 5.1.3;
- толщина Eд диафрагмы должна быть равна длине e, указанной в 5.1.5; в связи с этим может оказаться необходимым ограничение перепада давления для предотвращения деформации диафрагмы (см. 5.1.2.3);
- обе кромки диафрагмы должны соответствовать требованиям 5.1.7.
5.1.9.2. Если применяют трехрадиусный способ отбора давления (см. 5.2), то должны быть предусмотрены две группы отверстий до и после диафрагмы, которые используют в зависимости от направления потока.
5.1.10. Материал и изготовление
Диафрагма может быть изготовлена из любого материала [см. ГОСТ 8.586.1 (пункт 6.1.2 и приложение Г)] и любым способом, если она соответствует установленным техническим требованиям.
5.2.1. Общие положения
5.2.1.1. Для каждой диафрагмы должны быть выполнены не менее одного отверстия для отбора давления (далее - отверстие) до диафрагмы и одно после нее, расположенные в том или другом стандартном положении в зависимости от способа отбора давления (угловой, трехрадиусный и фланцевый).
5.2.1.2. Одна диафрагма может быть использована для нескольких способов отбора давления. При этом для исключения взаимного влияния отборов давления угол между осями нескольких отверстий с одной стороны диафрагмы должен быть не менее 30°.
5.2.1.3. Отдельные отверстия до и после диафрагмы должны иметь одинаковый диаметр с допускаемым отклонением не более 0,1 мм.
5.2.1.4. Отдельные отверстия должны быть круглыми и цилиндрическими на глубине не менее 2,5 внутренних диаметров данного отверстия. Соответствие отверстий данным требованиям допускается оценивать визуально.
5.2.2. Диафрагмы с трехрадиусным или фланцевым способами отбора давления
5.2.2.1. Ось отверстия должна быть расположена на определенном расстоянии от соответствующего торца диафрагмы в зависимости от способа отбора давления. При размещении отверстий необходимо учитывать толщину прокладок и (или) уплотнительного материала, применяемых при монтаже диафрагмы.
5.2.2.2. Для диафрагм с трехрадиусным способом отбора давления расположение отверстий приведено на рисунке 3 а. Расстояния l1 и l2 измеряют от входного торца диафрагмы.
а - трехрадиусный отбор; б - фланцевый отбор
Рисунок 3 - Расположение отверстий для трехрадиусного и фланцевого способов отбора давления
Значение l1 должно быть равным (1 ± 0,1)D, а l2 должно находиться в следующих пределах:
(0,5 ± 0,02)D при b £ 0,6;
(0,5 ± 0,01)D при b > 0,6.
5.2.2.3. Для диафрагм с фланцевым способом отбора давления расположение отверстий приведено на рисунке 3 б. Расстояние l1 измеряют от входного торца диафрагмы, а расстояние l2 - от выходного торца диафрагмы.
Значения l1 и l2 могут находиться в следующих пределах:
(25,4 ± 0,5) мм при b > 0,6 и D < 0,15 м;
(25,4 ± 1) мм в остальных случаях.
5.2.2.4. Осевая линия отверстия должна пересекаться с осевой линией ИТ под углом 90° ± 3°.
5.2.2.5. Кромки отверстия в месте выхода в ИТ должны быть заподлицо с внутренней поверхностью ИТ и насколько возможно острыми. Для ликвидации заусенцев на внутренней кромке отверстия допускается ее притупление радиусом не более одной десятой диаметра отверстия. Не допускаются какие-либо неровности на внутренней поверхности отверстия и на самом ИТ вблизи от отверстия.
5.2.2.6. Соответствие отверстий требованиям 5.2.2.4 и 5.2.2.5 допускается оценивать визуально.
5.2.2.7. Диаметр отверстий должен быть не более 0,13D и не более 13 мм.
При выборе диаметра отверстия необходимо исключить возможность его засорения.
5.2.2.8. Оси отверстий до и после диафрагмы рекомендуется располагать в одной осевой плоскости.
5.2.3. Диафрагмы с угловым способом отбора давления
5.2.3.1. В месте выхода во внутреннюю полость ИТ отверстие должно касаться торца диафрагмы (см. 5.2.3.5).
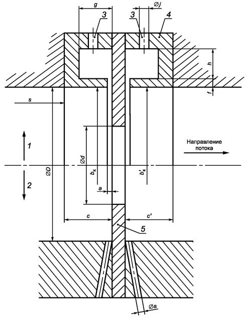
5.2.3.2. Отверстия могут представлять собой либо отдельные отверстия, либо кольцевые щели. Отдельные отверстия для отбора давления могут быть выполнены как в трубопроводе, так и в его фланцах. Кольцевые щели выполняют в корпусе камеры усреднения или во фланцах трубопровода, как приведено на рисунке 4.
1 - камеры усреднения; 2 - отдельные отверстия; 3 - отверстия; 4 - корпус камеры усреднения; 5 - диафрагма; f - глубина щели; bк, b'к - внутренний диаметр корпуса камеры усреднения; c, c' - длина корпуса камеры усреднения; а - ширина кольцевой щели или диаметр отдельного отверстия; s - расстояние от уступа до камеры усреднения; g, h - размеры корпуса камеры усреднения; j - диаметр отверстия в камере для передачи давления на СИ
Рисунок 4 - Схема расположения угловых отверстий для отбора давления
5.2.3.3. Диаметр a отдельных отверстий или ширины кольцевых щелей должен удовлетворять следующим условиям:
0,005D £ a £ 0,03D при b £ 0,65;
0,01D £a £ 0,02D при b > 0,65.
Если D < 0,1 м, то при любом значении b диаметр a допускается увеличивать до 2 мм.
Независимо от значения b диаметр a должен удовлетворять дополнительным условиям:
- 1 мм £ a £ 10 мм - для чистых сред;
- 1 мм £ a £ 10 мм - для паров, в случае применения кольцевых щелей;
- 4 мм £ a £ 10 мм - для паров и сжиженных газов, в случае отдельных отверстий для отбора давления.
При выборе значения диаметра a отдельных отверстий или ширины кольцевых щелей из указанных диапазонов учитывают необходимость исключения их засорения.
5.2.3.4. Кольцевые щели выполняют прерывистыми или сплошными по всему периметру корпуса камеры усреднения. Если отборы выполнены в виде прерывистой щели, то каждую камеру усреднения соединяют с внутренней полостью трубопровода не менее чем четырьмя отверстиями, оси которых находятся под равными углами друг к другу, а площадь каждого отверстия должна быть не менее 12 мм2.
5.2.3.5. Если используются отдельные отверстия, как приведено на рисунке 4, то осевые линии отверстий должны пересекаться с осью трубопровода под углом 90° с допускаемым отклонением не более 3°.
Если используются несколько отдельных отверстий в каждой из двух групп отверстий (до и после диафрагмы), то их оси должны образовывать между собой равные углы.
5.2.3.6. Внутренний диаметр корпуса камеры усреднения bк и ее длина c до СУ (см. рисунок 4) должны удовлетворять условию:
(5.5)
При этом внутренний диаметр корпуса камеры усреднения bк должен находиться в пределах от значения D до 1,04D, а длина корпуса камеры усреднения до диафрагмы c не должна превышать 0,65D.
Данные требования распространяются и на внутренний диаметр корпуса камеры усреднения bк и ее длину c после СУ.
Глубина f щели должна быть больше или равна удвоенной ширине кольцевой щели a. Площадь внутренней полости камеры усреднения в осевом сечении g · h должна быть больше или равна половине общей площади щели, соединяющей эту камеру с внутренней полостью ИТ.
5.2.3.7. Все поверхности корпуса камер усреднения, находящиеся в контакте со средой, должны быть чистыми.
5.2.3.8. Отверстие, предназначенное для передачи давления на соответствующие СИ, выполненное в стенке корпуса каждой из камер, должно иметь круглое сечение диаметром; (см. рисунок 4) в пределах от 4 до 10 мм.
На внутренней поверхности отверстия и его кромках не должно быть неровностей (вмятин, заусенцев и отложений).
5.2.3.9. Камеры усреднения до и после диафрагмы могут быть взаимно несимметричными, но должны соответствовать установленным требованиям.
5.3.1. Границы применения
Диафрагмы с угловым или трехрадиусным способом отбора давления применяют при следующих условиях:
d ³ 0,0125 м;
0,050 m £ D < 1 м;
0,1 £ b £ 0,75;
Re ³ 5000 при b £ 0,56;
Re ³ 16000b2 при b > 0,56.
Диафрагмы с фланцевым способом отбора давления применяют при следующих условиях:
d ³ 0,0125 м;
0,050 м £ D £ 1 м;
0,1 £ b £ 0,75.
Значение числа Re должно быть более 5000 и 1,7 · 105b2 · D.
5.3.2. Коэффициенты
5.3.2.1. Коэффициент истечения
Коэффициент истечения определяют по уравнению [7]:
(5.6)

![]()

Значения L1 и L'2 принимают равными:
- L1 = L'2 = 0 - для углового способа отбора давлений;
- L1 = 1; L'2 = 0,47 - для трехрадиусного способа отбора давления;
-
для
фланцевого способа отбора давления.
5.3.2.2. Коэффициент расширения
При использовании любого из трех способов отбора давления коэффициент расширения рассчитывают по формуле [8]
(5.7)
Формула (5.7) применима только для значений p, D и Re, указанных в 5.3.1, при условии:
Dр / р £ 0,25.
|
5.3.2.3. Поправочный коэффициент, учитывающий шероховатость внутренней поверхности измерительного трубопровода Если значение среднеарифметического отклонения профиля шероховатости Ra не более Ramax и не менее значения Ramin, то поправочный коэффициент Kш принимают равным единице. Значение Ramax рассчитывают по формуле
где А0, А1А2 - коэффициенты, зависящие от числа Re, рассчитывают по формуле
где Вk - постоянные коэффициенты, значения которых приведены в таблице 2. Таблица 2 - Значения коэффициентов Вk
Если
в результате расчета, выполненного по формуле (5.8), полученное
значение Значение Значение Ramin рассчитывают по формуле
Если в
результате расчета, выполненного по формуле (5.10), получено
значение Значения |
|||||||||||||||||||||||||||||||||||||||||||||||||||||||||||||||||||
Требования к шероховатости внутренней поверхности ИТ предъявляют к участку ИТ до диафрагмы на длине не менее 10D.
|
Примечание - Если длина прямого участка ИТ, расположенного между диафрагмой и МС, менее 10D, то требование к шероховатости внутренней поверхности ИТ предъявляют только к этому участку. |
Информация о шероховатости труб приведена в ГОСТ 8.586.1 (пункт 7.1.5). Данные, на базе которых получены формулы (5.8) - (5.10), приведены в [9], [10], [11].
|
Если значение среднеарифметического отклонения профиля шероховатости Ra превышает значение Ramax, определенное по формуле (5.8), или менее значения Ramin, определенного по формуле (5.10), то поправочный коэффициент Kш рассчитывают по формуле Kш = 1 + 5,22b3,5(λ - λ*), (5.11) где λ и λ* - коэффициенты трения, рассчитанные при действительном числе Re и значениях эквивалентной шероховатости ИТ, равных ее действительному значению Rш [см. ГОСТ 8.586.1 (пункт 7.1.5)] и условному - R*ш соответственно. Значения λ и λ* рассчитывают по формуле
где Аш, kD, kR - величины, значения которых рассчитывают в соответствии с таблицей 3. |
Таблица 3 - Значения величин Аш, kD, kR
|
Значение величины для расчета |
||
|
λ |
λ* |
|
|
Aш |
Rш или p · Ra |
p · Ramax при Ra > Ramax; |
|
p · Ramin при Ra < Ramin |
||
|
kD |
0,26954 · Rш / D |
0,26954 · p · Ra max / D при Ra > Ramax; |
|
0,26954 · p · Ra min / D при Ra < Ramin |
||
|
kR |
5,035 / Re |
|
|
5.3.2.4. Поправочный коэффициент, учитывающий притупление входной кромки диафрагмы. Если радиус входной кромки диафрагмы rк не превышает 0,0004d, то поправочный коэффициент Kп принимают равным единице. Если значение rк превышает 0,0004d, то поправочный коэффициент Kп рассчитывают по формуле
где
а - параметр, учитывающий тип измеряемой среды, который принимают равным 0,19 · 10-3 для жидкости 0,195 · 10-3 для газа и 0,2 · 10-3 для пара; rн - начальный радиус входной кромки диафрагмы; tт - текущее время эксплуатации диафрагмы с момента определения значения начального радиуса входной кромки диафрагмы rн, год. Допускается значение Kп определять по значению среднего радиуса входной кромки диафрагмы `rк за межконтрольный интервал СУ tу. В этом случае возникает дополнительная составляющая неопределенности значения Kп (см. 5.3.3.4). Значение `rк рассчитывают по формуле
где tу - межконтрольный интервал радиуса входной кромки диафрагмы, год. Если средний радиус входной кромки за интервал tу не превышает 0,0004d, то значение Kп принимают равным единице. Если средний радиус входной кромки за интервал tу превышает 0,0004d, то значение Kп рассчитывают по формуле
Примечание - Измерение rн в отличие от его визуального определения позволяет получить меньшую неопределенность Kп. |
5.3.3. Неопределенности коэффициентов
5.3.3.1. Неопределенность коэффициента истечения
Неопределенность коэффициента истечения диафрагм для всех трех способов отборов давления при условии, что неопределенности b, D и Re равны нулю, рассчитывают по формулам:
при
0,1 £ b < 0,2;
при
0,2 £ b < 0,6;
при 0,6
< b £ 0,75.
Если D < 0,07112 м, то к данным значениям должна быть добавлена арифметически следующая неопределенность:
![]()
Если b > 0,5 и Re < 10000, то к данным значениям добавляют арифметически неопределенность 0,5 %.
5.3.3.2. Неопределенность коэффициента расширения
Неопределенность коэффициента расширения при условии, что неопределенности b, Dp / p и к равны нулю, рассчитывают по формуле
![]()
|
5.3.3.3. Неопределенность поправочного коэффициента, учитывающего шероховатость внутренней поверхности измерительного трубопровода Неопределенность поправочного коэффициента Kш рассчитывают по формуле
где При
определении Rш по ГОСТ 8.586.1 (таблица Д.1) в зависимости от материала и состояния
поверхности ИТ неопределенность При
определении Rш по уравнению Коулбрука - Уайта
[см. ГОСТ 8.586.1 формула (7.1)] неопределенность 5.3.3.4. Неопределенность поправочного коэффициента, учитывающего притупление входной кромки диафрагмы. Неопределенность поправочного коэффициента Kп рассчитывают по формуле
где Kп - поправочный коэффициент, рассчитанный по формуле (5.13);
Значение
где K*п - поправочный коэффициент, рассчитанный по формуле (5.16). При визуальном
определении rн неопределенность При
непосредственном измерении rн
неопределенность |
5.4.1. Потери давления на диафрагме рассчитывают по формуле
(5.17)
Потеря давления соответствует разности значений статического давления, измеренного на расстоянии приблизительно 1D до диафрагмы и 6D после нее.
5.4.2. Допускают расчет потери давления по упрощенной формуле
5.4.3. Коэффициент гидравлического сопротивления для диафрагмы рассчитывают по формуле [12]
(5.19)
Общие требования к установке СУ, приведенные в ГОСТ 8.586.1 (раздел 7), применяют совместно с дополнительными специальными требованиями настоящего стандарта к диафрагмам.
Необходимую минимальную длину прямолинейных участков ИТ определяют в зависимости от вида МС, их размещения на ИТ и относительного диаметра отверстия диафрагмы. Классификация видов МС приведена в приложении А.
Примечание - Установка термометра в соответствии с требованиями ГОСТ 8.586.5 (подраздел 6.3) не изменяет необходимых прямолинейных участков ИТ для других МС, т.е. первичный преобразователь температуры, термометр или их гильзу (при ее наличии) не рассматривают как МС.
Если струевыпрямитель или УПП не применяют, то минимальную длину прямолинейных участков ИТ определяют на основе требований, приведенных в 6.2.
При применении струевыпрямителя или УПП минимальную длину прямолинейных участков ИТ определяют на основе требований, изложенных в 6.3 и приложении Б.
Применять струевыпрямитель или УПП не рекомендуется, если необходимая длина прямолинейных участков ИТ может быть обеспечена без их установки.
Требования 6.2 к длине прямолинейных участков ИТ установлены на основе [13], [14], [15] и [16].
Все значения длины прямолинейных участков ИТ, указанные в 6.3.2, основаны на данных [13].
6.2.1. Необходимая минимальная длина прямолинейных участков ИТ до и после диафрагмы в зависимости от значения относительного диаметра отверстия диафрагмы и вида МС приведена в таблице 4.
Таблица 4 - Необходимая минимальная относительная длина прямолинейных участков ИТ между диафрагмой и МС без применения струевыпрямителя или УПП
|
Вид МС |
Относительная длина прямолинейного участка ИТ L при b |
||||||||||||
|
£ 0,2 |
0,4 |
0,5 |
0,6 |
0,67 |
0,75 |
||||||||
|
А1) |
Б2) |
А1) |
Б2) |
А1) |
Б2) |
А1) |
Б2) |
А1) |
Б2) |
А1) |
Б2) |
||
|
После диафрагмы |
Любое МС (кроме симметричного резкого сужения) |
4 |
2 |
6 |
3 |
6 |
3 |
7 |
3,5 |
7 |
3,5 |
8 |
4 |
|
До диафрагмы |
90° колено |
6 |
3 |
16 |
3 |
22 |
9 |
42 |
13 |
44 |
20 |
44 |
20 |
|
Два 90° колена в одной плоскости U-конфигурация (l £ 10D)3) |
14 |
7 |
17 |
9 |
20 |
10 |
26 |
13 |
32 |
16 |
42 |
21 |
|
|
Два 90° колена в одной плоскости S или U-конфигурация (30D ³ l > 10D)3) |
10 |
4) |
10 |
4) |
18 |
10 |
30 |
18 |
44 |
18 |
44 |
18 |
|
|
Два 90° колена в одной плоскости S-конфигурация (l £ 10D)3) |
10 |
4) |
10 |
4) |
22 |
10 |
42 |
18 |
44 |
20 |
44 |
22 |
|
|
Два колена в разных плоскостях (30D ³ l ³ 5D)3) |
19 |
18 |
44 |
18 |
44 |
18 |
44 |
18 |
44 |
20 |
44 |
20 |
|
|
Два колена в разных плоскостях (l < 5D)3> |
34 |
17 |
50 |
25 |
75 |
34 |
655) |
256) |
60 |
18 |
75 |
18 |
|
|
Заглушенный тройник, изменяющий направление потока или коническое 90° колено |
3 |
4) |
9 |
3 |
19 |
9 |
29 |
18 |
36 |
18 |
44 |
18 |
|
|
Заглушенный тройник, не изменяющий направление потока |
10 |
5 |
11 |
6 |
14 |
6 |
18 |
9 |
24 |
12 |
36 |
18 |
|
|
45° колено или два 45° колена в одной плоскости S-конфигурация (30D ³ l > 2D)3) |
7 |
4) |
30 |
9 |
30 |
18 |
30 |
18 |
44 |
18 |
44 |
18 |
|
|
Конфузор |
5 |
4) |
5 |
4) |
8 |
5 |
9 |
5 |
12 |
6 |
13 |
8 |
|
|
Диффузор |
6 |
4) |
12 |
8 |
20 |
9 |
26 |
11 |
28 |
14 |
36 |
18 |
|
|
Смешивающий потоки тройник |
34 |
17 |
37 |
19 |
41 |
21 |
49 |
25 |
57 |
30 |
70 |
35 |
|
|
Разветвляющий поток тройник |
14 |
7 |
17 |
9 |
20 |
10 |
26 |
13 |
32 |
16 |
42 |
21 |
|
|
Шаровой кран или задвижка |
12 |
6 |
12 |
6 |
12 |
6 |
14 |
7 |
18 |
9 |
24 |
12 |
|
|
Затвор (заслонка) |
25 |
13 |
32 |
16 |
36 |
18 |
40 |
20 |
43 |
22 |
47 |
24 |
|
|
Конусный кран |
16 |
8 |
20 |
10 |
23 |
12 |
26 |
13 |
28 |
14 |
32 |
16 |
|
|
Запорный клапан или вентиль |
18 |
9 |
19 |
10 |
22 |
11 |
26 |
13 |
30 |
15 |
38 |
19 |
|
|
Симметричное резкое расширение |
51 |
26 |
58 |
29 |
64 |
32 |
70 |
35 |
74 |
37 |
80 |
40 |
|
|
Симметричное резкое сужение или большая емкость |
30 |
15 |
30 |
15 |
30 |
15 |
30 |
15 |
30 |
15 |
30 |
15 |
|
|
МС неопределенного вида7) |
60 |
30 |
70 |
35 |
76 |
38 |
845) |
47 |
89 |
45 |
96 |
48 |
|
|
1) В колонке А приведены длины, для которых неопределенность коэффициента истечения соответствует указанной в 5.3.3.1. 2) В колонке Б приведены длины, для которых неопределенность коэффициента истечения имеет дополнительную неопределенность 0,5 %. 3) l - расстояние между двумя коленами. Расстояние является кратным диаметру участка ИТ между этими коленами. 4) Данные о возможности сокращения прямолинейного участка ИТ для данного р и МС отсутствуют. 5) При Re > 2 · 106 и l < 2D L = 95. 6) При Re > 2 · 106 и l < 2D L = 47. 7) Любой другой вид МС, не указанный в вышеприведенном перечне видов МС. Приведенная длина прямолинейных участков ИТ для МС неопределенного вида является максимальной длиной из допускаемых минимальных длин прямолинейных участков ИТ перед диафрагмой, поэтому для ряда МС, не включенных в таблицу, указанная длина установлена с запасом. |
|||||||||||||
|
Для промежуточных значений b, не указанных в таблице 4, минимальную длину прямолинейных участков ИТ с применением линейной интерполяции данных таблицы рассчитывают по формуле
где b1, L1 - ближайшее меньшее к величине b значение относительного диаметра диафрагмы и соответствующее ему значение относительной длины прямолинейного участка ИТ, указанные в таблице 4; b2, L2 - ближайшее большее к величине b значение относительного диаметра диафрагмы и соответствующее ему значение относительной длины прямолинейного участка ИТ, указанные в таблице 4. Результат расчета по формуле (6.1) округляют до целого числа. Примечание - Если расчет необходимой минимальной длины прямолинейных участков ИТ выполняют по данным, приведенным в колонках Б, то при отсутствии данных для b2 допускается значение L2 принимать равным значению, приведенному в колонке А. |
6.2.2. Если диафрагму используют для выполнения исследовательских работ или в качестве эталонного СИ при калибровочных или поверочных работах, то рекомендуется увеличить не менее чем в 2 раза длину прямолинейных участков ИТ до диафрагмы, указанную в колонках А таблицы 4.
6.2.3. Если длина прямолинейного участка ИТ до и после диафрагмы не менее значений, указанных в колонке А таблицы 4, то неопределенность коэффициента истечения соответствует указанной в 5.3.3.1.
6.2.4. Если длина прямолинейного участка ИТ до или после диафрагмы меньше значений, указанных в колонке А таблицы 4, но равна или больше значений, приведенных в колонке Б данной таблицы, то следует к неопределенности коэффициента истечения арифметически добавить дополнительную составляющую неопределенности 0,5 %.
6.2.5. Не допускается:
- устанавливать прямолинейные участки ИТ, длины которых менее указанных в колонке Б таблицы 4;
- одновременно устанавливать до и после диафрагмы прямолинейные участки ИТ, длины которых менее указанных в колонке А таблицы 4.
6.2.6. Рекомендуется регулировать расход потока арматурой, расположенной на расстоянии более 8D после диафрагмы. Запорная арматура, находящаяся на ИТ до диафрагмы, должна быть полностью открыта.
6.2.7. Если конструкция проточной части запорной арматуры и ее сопряжение с ИТ соответствует требованиям 6.4.3, то такая запорная арматура может рассматриваться как часть прямолинейного участка ИТ.
Запорная арматура, приведенная в таблице 4, имеет такой же номинальный внутренний диаметр, как и ИТ, а диаметр ее проходного отверстия отличается от диаметра ИТ на значение, которое превышает допускаемое для уступов (см. 6.4.3).
6.2.8. Длина прямолинейных участков ИТ, указанная в таблице 4, определена экспериментально в условиях стабилизированного потока непосредственно перед исследуемым МС. На практике данные условия обеспечивают выполнением требований:
а) если до диафрагмы установлено последовательно несколько МС, то должно применяться следующее:
1) длину прямолинейного участка ИТ между диафрагмой и ближайшим к ней МС определяют по 6.2.1 - 6.2.7;
2) прямолинейный участок ИТ между двумя ближайшими к диафрагме МС должен иметь длину, равную половине или более половины значения, определяемого по данным таблицы 4 для b, равного 0,67 (независимо от фактического значения b), и вида второго МС, наиболее удаленного от диафрагмы). При этом расстояние между МС является кратным внутреннему диаметру участка ИТ между этими МС. Если значение минимальной длины прямолинейного участка ИТ выбрано из колонки А таблицы 4, то неопределенность коэффициента истечения соответствует указанной в 5.3.3.1. Если значение минимальной длины прямолинейного участка ИТ выбрано из колонки Б таблицы 4, то к неопределенности коэффициента истечения следует арифметически добавить дополнительную составляющую неопределенности 0,5 %.
|
Если расстояние между вторым и третьим МС менее 5D и третье МС требует больший прямолинейный участок, чем второе МС, то прямолинейный участок ИТ между двумя ближайшими к диафрагме МС определяют как половину или более половины значения, определяемого по данным таблицы 4, для b, равного 0,67 (независимо от фактического значения b), и вида третьего МС; |
3) допускается частичное или полное сокращение расстояния между двумя МС, ближайшими к СУ, за счет соответствующего увеличения длины ИТ между СУ и ближайшим перед ним МС (см. рисунок 5). При этом должно выполняться условие перечисления б);
1 - диффузор; 2 - шаровой кран или задвижка; 3 - диафрагма
Рисунок 5 - Схема расположения шарового крана или задвижки при b = 0,6
б) любое МС, состоящее из комбинации колен (см. таблицу 4), должно быть помещено от диафрагмы на расстоянии, не менее указанного в таблице 4, независимо от числа МС, находящихся между этим МС и диафрагмой. При этом расстояние является кратным внутреннему диаметру участка ИТ, расположенного непосредственно перед диафрагмой, и измеряется от диафрагмы до границы группы колен (включая длины МС, находящихся между ними). Если расстояние определено по значениям, приведенным в колонке Б, тогда к неопределенности коэффициента истечения должна быть арифметически добавлена дополнительная составляющая неопределенности 0,5 %. При этом не допускается сокращать длину других прямолинейных участков ИТ, т.е. дополнительная составляющая неопределенности не должна добавляться более одного раза, исходя из требований, указанных в перечислениях а) и б);
в) рекомендуется применение струевыпрямителя или УПП при использовании коллекторных систем [см. Б.5 (приложение Б)].
|
1) если оси входного (распределительного) коллектора и ИТ расположены в одной плоскости, как приведено в примере а) рисунка 6, то выход из коллектора для крайнего ИТ классифицируют как МС вида «Заглушенный тройник, изменяющий направление потока», для остальных ИТ как МС вида «Разветвляющий поток тройник»; 2) если оси входного (распределительного) коллектора и ИТ расположены в разных плоскостях, как приведено на рисунке 6 б, то выход из коллектора и колено объединяют в одно МС, которое классифицируют как: - «Два колена в разных плоскостях, l < 5D», при длине прямолинейного участка ИТ между коленом и коллектором менее 5D; - «Два колена в разных плоскостях, 30D ³ l ³ 5D», при длине прямолинейного участка ИТ между коленом и коллектором от 18D до 5D для крайнего (перед заглушкой) выхода из коллектора и при длине от 16D до 5D для остальных выходов из коллектора. Примечание - Если расстояние между коллектором и коленом более 18D для крайнего (перед заглушкой) выходом из коллектора, для остальных - более 16D, то выход из коллектора и колено не объединяют в одно МС. г) конфигурацию ИТ перед «МС неопределенного вида» не регламентируют. |
|
Рисунок 6 - Схема коллектора |
6.2.9. МС, расположенные перед СУ на расстоянии, превышающем указанное в таблице 4, для «МС неопределенного вида» не учитывают.
6.2.10. На рисунке 7 приведены три примера применения требований перечислений а) и б) 6.2.8.
В каждом примере второе МС относительно диафрагмы (см. рисунок 7) представляет собой МС вида «Два колена в разных плоскостях (30D ³ l ³ 5D)», а b равно 0,4.
6.2.10.1. Если первое МС - полностью открытый шаровой кран, как приведено на рисунке 7 а, длина которого 1D, то:
- длина прямолинейного участка ИТ между краном и диафрагмой должна быть не менее 12D (см. таблицу 4);
- длина прямолинейного участка ИТ между МС вида «Два колена в разных плоскостях (30D ³ l ³ 5D)» и краном должна быть не менее 22D согласно перечислению а) 6.2.8;
- расстояние между МС вида «Два колена в разных плоскостях (30D ³ l ³ 5D)» и диафрагмой должно быть не менее 44D согласно перечислению б) 6.2.8.
Таким образом, требуется дополнительная общая длина 9D = 44D - 22D - 12D - 1D, которая может находиться либо до или после крана, либо частично до и после крана.
В соответствии с требованиями в перечислении б) 6.2.8 дополнительная длина 9D может не вводиться при условии, что к неопределенности коэффициента истечения будет арифметически добавлена дополнительная составляющая неопределенности 0,5 %.
Могут также быть применены условия перечисления а) 6.2.8 для расположения крана вплотную к двум коленам в разных плоскостях, при условии, что имеется расстояние не менее 44D от двух колен в разных плоскостях до диафрагмы, как приведено на рисунке 7 б.
6.2.10.2. Если первое МС является переходником (конфузором) от диаметра 2D к диаметру D на длине 2D, как приведено на рисунке 7 в, то:
- длина прямолинейного участка ИТ между конфузором и диафрагмой должна быть не менее 5D (см. таблицу 4);
- длина прямолинейного участка ИТ между МС вида «Два колена в разных плоскостях (30D ³ l ³ 5D)» и конфузором должна быть не менее 22 · 2D согласно перечислению а) 6.2.8;
- расстояние между МС вида «Два колена в разных плоскостях (30D ³ l ³ 5D)» должно быть не менее 44D согласно перечислению б) 6.2.8.
Так как фактическое расстояние равно 51D = 44D + 2D + 5D, с учетом требования перечисления б) 6.2.8 дополнительной длины не требуется.
6.2.10.3. Если первое МС - расширитель (диффузор) от 0,5D до D на длине 2D, как приведено на рисунке 7 г, то:
- длина прямолинейного участка ИТ между диффузором и диафрагмой должна быть не менее 12D (см. таблицу 4);
- длина прямолинейного участка ИТ между двумя коленами в разных плоскостях и диффузором должна быть не менее 22 · 0,5D согласно перечислению а) 6.2.8;
- расстояние между МС вида «Два колена в разных плоскостях (30D ³ l ³ 5D)» и диафрагмой должно быть не менее 44D согласно перечислению б) 6.2.8.
Таким образом, требуется дополнительный прямолинейный участок ИТ 19D = 44D - 12D - 2D - 22 · 0,5D, который может быть либо до или после диффузора, либо частично до и после него.
Рисунок 7 - Примеры определения необходимых длин прямолинейных участков ИТ (см. 6.2.10)
6.3.1. Общие положения
Для уменьшения длины прямолинейных участков ИТ до диафрагмы могут быть применены струевыпрямители или УПП.
Допускается использовать только те виды струевыпрямителей или УПП, которые прошли испытания на соответствие требованиям, указанным в ГОСТ 8.586.1 (приложение Ж). В любом случае испытания следует проводить с применением диафрагм.
Незапатентованные струевыпрямители и УПП, которые прошли испытания на соответствие требованиям, указанным в ГОСТ 8.586.1 (приложение Ж), - это трубчатый струевыпрямитель в виде связки из 19 трубок (1998) и дисковое УПП «Zanker». В приложении Б приведены некоторые патентованные УПП, прошедшие испытания.
В 6.3.2 и 6.3.3 приведено описание конструкций и способы установки на ИТ трубчатого струевыпрямителя в виде связки 19 трубок (1998) и дискового УПП «Zanker».
В 6.3.2.2 и 6.3.3.2 описаны ситуации, в которых данные устройства могут быть использованы после любых типов МС и произвольно выбранными расстояниями между ними; в 6.3.2.3 рассмотрены некоторые дополнительные варианты, в которых трубчатый струевыпрямитель в виде связки из 19 трубок (1998) может быть применен для уменьшения требуемой длины ИТ после конкретных типов МС.
Допускается применение других конструкций струевыпрямителей и УПП, если они прошли испытания [см. ГОСТ 8.586.1 (приложение Ж)].
6.3.2. Трубчатый струевыпрямитель в виде связки из 19 трубок (1998)
6.3.2.1. Описание
6.3.2.1.1. Конструкция
Струевыпрямитель включает 19 трубок, соединенных в цилиндрическую структуру, как приведено на рисунке 8.
Для уменьшения завихрений, которые могут возникнуть между внешними трубками струевыпрямителя и стенкой трубопровода, максимальный наружный диаметр струевыпрямителя Df, должен удовлетворять условию:
0,95D £ Df £ D.
Длина трубок должна быть в пределах от 2D до 3D, предпочтительно как можно ближе к 2D.
6.3.2.1.2. Требования к трубкам струевыпрямителя
Все трубки в связке должны иметь одинаковую шероховатость, наружный диаметр и толщину стенок. Толщина стенок отдельных трубок струевыпрямителя должна быть менее 0,025D. Все трубки должны иметь внутреннюю фаску на обоих торцах.
6.3.2.1.3. Изготовление струевыпрямителя
Струевыпрямитель должен иметь прочную конструкцию. Отдельные трубки следует приварить друг к другу в точках контакта, по крайней мере, на обоих торцах связки. Важно обеспечить параллельность трубок друг другу и оси трубопровода, поскольку при невыполнении данного требования струевыпрямитель сам может создавать в потоке завихрения. Для центрирования всей сборки трубок в трубопроводе следует использовать прокладки, которые могут иметь форму небольших выступов или стержней, параллельных оси трубопровода. После помещения в трубопровод связка трубок должна быть надежно закреплена на месте. Прочное крепление не должно вносить деформацию в конструкцию связки трубок и нарушать ее симметричное расположение в трубопроводе.
1 - минимизированный зазор; 2 - стенка ИТ; 3 - толщина стенки трубки; 4 - варианты центрирующих прокладок (обычно в четырёх местах); Df - наружный диаметр струевыпрямителя потока; L - длина трубок
Рисунок 8 - Трубчатый струевыпрямитель в виде связки из 19 трубок (1998)
6.3.2.1.4. Потери давления
Коэффициент гидравлического сопротивления ξ, струевыпрямителя в виде связки из 19 трубок (1998) может быть принят равным 0,75.
6.3.2.2. Установка струевыпрямителя
6.3.2.2.1. Трубчатый струевыпрямитель в виде связки из 19 трубок (1998), приведенный на рисунке 8, применяют с диафрагмой, имеющей относительный диаметр не более 0,67.
6.3.2.2.2. Струевыпрямитель должен быть установлен так, чтобы расстояние между диафрагмой и МС было не менее 30D, а расстояние между выходным торцом струевыпрямителя и диафрагмой было равно (13 ± 0,25)D.
6.3.2.3. Дополнительные возможности
6.3.2.3.1. Трубчатый струевыпрямитель в виде связки из 19 трубок (1998) может быть использован для уменьшения требуемого прямолинейного участка ИТ при применении вариантов установки, отличных от приведенного в 6.3.2.2.
Допускаемые варианты установки струевыпрямителя зависят от расстояния Lfот диафрагмы до ближайшего МС. В таблице 5 приведены допускаемые диапазоны длины прямолинейных участков ИТ между диафрагмой и струевыпрямителем в виде связки из 19 трубок (1998) для двух диапазонов Lf:
- 30D > Lf³ 18D;
- Lf³ 30D.
В таблице 5 приведена длина прямолинейных участков ИТ между выходным торцом струевыпрямителя и диафрагмой.
Для значений относительных диаметров диафрагмы, не указанных в таблице 5, положение струевыпрямителя определяют по данным для ближайшего большего указанного значения b.
Длину прямолинейного участка ИТ после диафрагмы определяют в соответствии с таблицей 4.
Пример использования значений, указанных в таблице 5, приведен в 6.3.2.4.
6.3.2.3.2. Если длина прямолинейного участка ИТ между диафрагмой и струевыпрямителем соответствует значениям, указанным в колонке А таблицы 5, а длина прямолинейного участка ИТ после диафрагмы соответствует значениям в колонке А таблицы 4, то неопределенность коэффициента истечения соответствует указанной в 5.3.3.1.
6.3.2.3.3. Составляющую неопределенности 0,5 % добавляют арифметически к неопределенности коэффициента истечения в одном из следующих случаев:
- длина прямолинейного участка ИТ между диафрагмой и струевыпрямителем соответствует значению, указанному в колонке Б таблицы 5;
- длина прямолинейного участка ИТ после диафрагмы меньше значения, указанного в колонке А таблицы 4, но либо равна, либо более значения, указанного в колонке Б таблицы 4.
6.3.2.3.4. Настоящий стандарт не может быть использован в следующих случаях:
- длина прямолинейного участка ИТ между диафрагмой и струевыпрямителем находится вне пределов допускаемых значений, указанных в колонке Б таблицы 5;
- длина прямолинейного участка после диафрагмы менее значения, указанного в колонке Б таблицы 4;
- одновременно длина прямолинейного участка между диафрагмой и струевыпрямителем находится вне пределов значений, указанных в колонке А таблицы 5, и длина прямолинейного участка ИТ после диафрагмы менее значения, приведенного в колонке А таблицы 4.
6.3.2.3.5. Между МС, указанным в таблице 5, кроме вида «любое МС», и ближайшим МС, расположенным до него, должен быть прямолинейный участок ИТ длиной не менее 15D.
6.3.2.4. Пример
Если до диафрагмы с относительным диаметром отверстия 0,6 необходимо установить МС вида «90° колено», то возможны два варианта установки струевыпрямителя:
- в соответствии с 6.3.2.2.2 (см. рисунок 9 а), преимуществом которого является возможность размещения любого МС на любом расстоянии до одиночного колена;
- в соответствии с таблицей 5 (см. рисунок 9 б), позволяющий использовать более короткий требуемый прямолинейный участок ИТ после колена, но требующий прямолинейного участка ИТ до колена длиной не менее 15D.
Таблица 5 - Диапазон допускаемой длины прямолинейных участков ИТ между диафрагмой и струевыпрямителем со связкой из 19 трубок (1998) в зависимости от b и расстояния Lfмежду диафрагмой и МС
Длина выражена значениями, кратными внутреннему диаметру, D
|
Расстояние между СУ и МС |
Диапазон допускаемой длины прямолинейных участков ИТ между СУ и струевыпрямителем для b |
||||||||||||
|
£ 0,2 |
0,4 |
0,5 |
0,6 |
0,67 |
0,75 |
||||||||
|
А3) |
Б4) |
А3) |
Б4) |
А3) |
Б4) |
А3) |
Б4) |
А3) |
Б4) |
А3) |
Б4) |
||
|
90° колено1) |
30 > Lf ³ 18 |
От 5 до 14,5 включ. |
От 2 до 5; св. 14,5 до n5) включ. |
От 5 до 14,5 включ. |
От 2 до 5; св. 14,5 до n5) включ. |
От 11,5 до 14,5 включ. |
От 3 до 11,5; св. 14,5 до n5) включ. |
От 12 до 13 включ. |
От 5 до 12; св. 13 до n5) включ. |
13 ± 0,25 |
От 7 до 12,75; св. 13,25 до n5) включ. |
14 ± 0,25 |
От 8 до 13,75; св. 14,25 до n5) включ. |
|
Lf ³ 30 |
От 5 до 25 включ. |
От 2 до 5; св. 25 до n5) включ. |
От 5 до 25 включ. |
От 2 до 5; св. 25 до n5) включ. |
От 11,5 до 25 включ. |
От 3 до 11,5; св. 25 до n5) включ. |
От 12 до 25 включ. |
От 5 до 12; св. 25 до n5) включ. |
От 12,75 до 16,5 включ. |
От 7 до 12,75; св. 16,5 до n5) включ. |
От 14 до 16,5 включ. |
От 8 до 14; св. 16,5 до n5) включ. |
|
|
Два 90° колена1) в разных плоскостях (l £ 2D)2) |
30 > Lf ³ 18 |
От 5 до 14,5 включ. |
От 2 до 5; св. 14,5 до n5) включ. |
От 5 до 14,5 включ. |
От 2 до 5; св. 14,5 до n5) включ. |
От 9,5 до 14,5 включ. |
От 2 до 9,5; св. 14,5 до n5) включ. |
От 13,5 до 14,5 включ. |
От 6 до 13,5; св. 14,5 до n5) включ. |
От 13 до 14,5 включ. |
От 7 до 13; св. 14,5 до n5) включ. |
6) |
От 9,5 до n5) включ. |
|
Lf ³ 30 |
От 5 до 25 включ. |
От 2 до 5; св. 25 до n5) включ. |
От 5 до 25 включ. |
От 2 до 5; св. 25 до n5) включ. |
От 9 до 25 включ. |
От 2 до 9; св. 25 до n5) включ. |
От 9 до 25 включ. |
От 2 до 9; св. 25 до n5) включ. |
От 10 до 16 включ. |
От 5 до 10; св. 16 до n5) включ. |
От 12 до 12,5 включ. |
От 8 до 12; св. 12,5 до n5) включ. |
|
|
Заглушённый тройник, изменяющий направление потока |
30 > Lf ³ 18 |
От 5 до 14,5 включ. |
От 2 до 5; св. 14,5 до n5) включ. |
От 5 до 14,5 включ. |
От 2 до 5; св. 14,5 до n5) включ. |
От 11 до 13 включ. |
От 2 до 11; св. 13 до n5) включ. |
6) 8) |
От 7 до n5) включ. |
6) |
От 8 до n5) включ. |
6) |
От 9 до n5) включ. |
|
Lf ³ 30 |
От 2 до 25 включ. |
Св. 25 до n5) включ. |
От 2 до 25 включ. |
Св. 25 до n5) включ. |
От 9 до 23 включ. |
От 2 до 9; св. 23 до n5) включ. |
От 11 до 16 включ. |
От 2 до 11; св. 16 до n5) включ. |
От 11 до 13,25 включ. |
От 6 до 11; св. 13,25 до n5) включ. |
От 12 до 14 включ. |
От 7 до 12; св. 14 до n5) включ. |
|
|
Любое МС |
30 > Lf ³ 18 |
От 5 до 11 включ. |
От 2 до 5; св. 11 до n5) включ. |
От 5 до 11 включ. |
От 2 до 5; св. 11 до n5) включ. |
6) 7) |
6) |
От 7 до n5) включ. |
6) |
От 8 до 10 включ. |
6) |
9,5 ± 0,25 |
|
|
Lf ³ 30 |
От 5 до 13,25 включ. |
От 2 до 5; св. 13,25 до n5) включ. |
От 5 до 13,25 включ. |
От 2 до 5; св. 13,25 до n5) включ. |
От 11,5 до 14,5 включ. |
От 3 до 11,5; св. 14,5 до n5) включ. |
От 12 до 16 включ. |
От 6 до 12; св. 16 до n5) включ. |
13 ± 0,25 |
От 7 до 12,75; св. 12,75 до (n - 1,5)5)включ. |
6) |
От 8 до 22 включ. |
|
|
1) Колена должны иметь радиус кривизны, равный 1,5D. 2) l - расстояние между двумя коленами. 3) Колонка А дает значения длины, соответствующие «нулевой дополнительной неопределенности коэффициента истечения» (см. 6.3.2.3.2). 4) Колонка Б дает значения длины, соответствующие «дополнительной неопределенности 0,5 %» (см. 6.3.2.3.2). 5) п - число диаметров, определяемое по формуле п = Lf - Lст - 1, где Lст - длина струевыпрямителя. Рекомендуется рассчитывать п по формуле n = Lf - Lст - 2,5. 6) Данные отсутствуют, требуется проведение испытаний. 7) Если b = 0,46, то допускается значение 9,5. 8) Если b = 0,54, то допускается значение 13. Примечание - Значения длины прямолинейных участков ИТ, указанные в таблице, представляют собой допускаемые значения длины ИТ между выходным торцом струевыпрямителя (см. 6.3.2.1) и диафрагмой для заданного МС, установленного до струевыпрямителя на расстоянии Lfот диафрагмы. Расстояние Lfот диафрагмы измеряют до обращенного вниз по течению торца искривленной части ближайшего (или единственного) колена или тройника, или до обращенного вниз по течению торца искривленной или конической части переходника с уменьшением диаметра или расширителя. Рекомендуемые значения соответствуют положениям струевыпрямителя, применимым в установленном диапазоне значений b. |
|||||||||||||
Если расстояние от диафрагмы до колена не менее 30D, то для обеспечения более широкого диапазона размещения струевыпрямителя могут быть также использованы значения, указанные в таблице 5 для Lf³ 30. Но поскольку такое размещение струевыпрямителя требуется редко при проектировании установок, то эта возможность не приведена на рисунке 9.
Установка в соответствии с таблицей 5
б
1 - положение любого МС, помещенного на любом расстоянии от одиночного колена; 2 - положение любого МС, помещенного до одиночного колена на расстоянии не менее 15D
Рисунок 9 - Примеры установок струевыпрямителя в виде связки из 19 трубок (1998)
6.3.3. Дисковое устройство подготовки потока «Zanker»
6.3.3.1. Описание
Конструкция дискового УПП «Zanker» [17] приведена в ГОСТ 8.586.1 (приложение Е). Дисковое УПП «Zanker», прошедшее испытания на соответствие требованиям ГОСТ 8.586.1 (приложение Ж), может быть установлено после любых видов МС при b £ 0,67.
6.3.3.2. Установка
Расстояние между диафрагмой и ближайшим МС Lfдолжно быть не менее 17D. Дисковое УПП «Zanker» должно быть установлено таким образом, чтобы Ls(расстояние между выходным торцом диска УПП и диафрагмой) удовлетворяло условию:
7,5D £ Ls £ Lf - 8,5D.
6.4.1. На участке ИТ длиной 2D, расположенном непосредственно перед диафрагмой (или корпусом камеры усреднения, если она имеется), ни одно значение диаметра в любом поперечном сечении на этом отрезке не должно отличаться более чем на 0,3 % значения D, определенного в соответствии с 6.4.2.
Если на данном участке имеется сварной шов, то внутренний валик шва должен быть путем его механической обработки сточен до состояния, при котором внутренний диаметр ИТ, измеренный в плоскости сварного шва, будет соответствовать данному требованию.
6.4.2. Диаметр D определяют как среднеарифметическое значение результатов измерений не менее чем в трех поперечных сечениях трубопровода, равномерно распределенных на отрезке 0,5D, из которых два сечения соответствуют расстояниям 0D и 0,5D от места отверстий для отбора давления, расположенных до диафрагмы. Если конструкция участка сварная, то третье сечение должно быть в плоскости сварного шва.
В каждом из сечений проводят измерения не менее чем в четырех диаметральных направлениях, расположенных приблизительно под одинаковым углом друг к другу. Если используется камера усреднения (см. рисунок 4), то измерение величины D выполняют на отрезке ИТ длиной 0,5D до входного торца корпуса камеры усреднения. При этом относительная неопределенность результата измерения, обусловленная измерительным инструментом, не должна превышать 0,1 %.
6.4.3. За пределами участка ИТ длиной 2D, расположенного непосредственно перед диафрагмой (или корпусом камеры усреднения, если она имеется), ИТ между диафрагмой и первым МС может быть изготовлен из одной или нескольких секций труб.
В пределах участка ИТ, расположенного между сечениями ИТ на расстоянии от диафрагмы 2D и 10D, разность значений диаметра смежных секций ИТ и высота уступа не должны превышать 0,003D.
Если диаметр секции ИТ, расположенной выше по потоку, больше диаметра секции ИТ, расположенной ниже по потоку, то за пределами участка ИТ длиной 10D [18] разность значений диаметра смежных секций ИТ и высота уступа не должны превышать 0,06D.
Если диаметр секции ИТ, расположенной выше по потоку, не более диаметра секции ИТ, расположенной ниже по потоку, то составная конструкция ИТ не приводит к дополнительной составляющей неопределенности коэффициента истечения при одном из следующих условий:
- за пределами участка ИТ длиной 10D при b £ 0,3215 разность значений диаметра смежных секций ИТ и высота уступа не превышают 0,06D;
- в пределах участка ИТ от 10D до l = (2,39 + 54,8 · b1,74) · D при b > 0,3215 разность значений диаметра смежных секций ИТ и высота уступа не превышают 0,02D;
- за пределами участка ИТ длиной l = (2,39 + 54,8 · b1,74) · D при b > 0,3215 разность значений диаметра смежных секций ИТ и высота уступа не превышают 0,06D.
За пределами участка ИТ длиной 10D, расположенного непосредственно перед диафрагмой (или корпусом камеры усреднения, если она имеется), применение прокладок между секциями допускается при условии, что их толщина - не более 3,2 мм, и они не выступают во внутреннюю полость ИТ.
6.4.4. Неопределенность 0,2 % должна быть добавлена арифметически к значению неопределенности коэффициента истечения, если разность значений диаметра DD между смежными секциями ИТ превышает значения, указанные в 6.4.3, но удовлетворяет двум условиям:
(6.2)
(6.3)
где s - расстояние от отверстий для отбора давлений или от переднего торца корпуса камеры усреднения (при ее наличии) до уступа.
6.4.5. Если DD / D не удовлетворяет требованиям 6.4.4 или имеется более одного уступа (см. 6.4.3), то установку не считают соответствующей требованиям настоящего стандарта.
6.4.6. Диаметр прямолинейного участка ИТ после диафрагмы, полученный в результате однократного измерения в любом поперечном сечении ИТ на расстоянии не более 2D от входного торца диафрагмы, не должен отличаться от D более чем на 3 %.
6.5.1. Диафрагма должна быть расположена в ИТ таким образом, чтобы было обеспечено течение среды от входного торца диафрагмы к выходному.
6.5.2. Диафрагма должна быть расположена перпендикулярно к оси ИТ в пределах ± 1°.
6.5.3. Диафрагма должна быть центрирована в трубопроводе.
При применении камер усреднения или нескольких взаимно соединенных отверстий [см. ГОСТ 8.586.1 (рисунок 1)], допускаемое значение эксцентриситета (смещение оси отверстия диафрагмы относительно оси ИТ) рассчитывают по формуле
(6.4)
При применении отдельных отверстий для отбора давления должны быть определены расстояния между осями отверстия диафрагмы и ИТ в параллельном и перпендикулярном направлениях к оси отверстия для отбора давления, как приведено на рисунке 10.
Рисунок 10 - Параметры эксцентриситета установки диафрагмы
Расстояние между осью отверстия диафрагмы и ИТ в параллельном направлении к оси отверстия для отбора давления есl должно удовлетворять условию:
(6.5)
Расстояние между осями отверстия диафрагмы и ИТ в перпендикулярном направлении к оси отверстия для отбора давления еcn должно удовлетворять условию:
(6.6)
Если значение есl не удовлетворяет условию (6.5), но находится в пределах
(6.7)
то к неопределенности коэффициента истечения C должна быть добавлена арифметически неопределенность 0,3 %.
6.5.4. Корпус камер усреднения устанавливают соосно ИТ таким образом, чтобы ни один элемент камер не выступал во внутреннюю полость ИТ.
6.6.1. Способ крепления диафрагмы должен обеспечивать сохранение ее правильного положения после фиксации в узле крепления.
Способ крепления во избежание деформации диафрагмы должен предусматривать возможность ее свободного теплового расширения.
6.6.2. Уплотнительные прокладки и (или) уплотнительные кольца не должны выступать во внутреннюю полость ИТ и не перегораживать отверстия для отбора давления. Они должны быть как можно тоньше с учетом необходимости соблюдения требований, приведенных в 5.2.
6.6.3. Уплотнительные прокладки между диафрагмой и корпусом камеры усреднения не должны выступать во внутреннюю полость камеры.
А.1. Одиночное колено и группа колен
А.1.1. «Колено» - изгиб трубопровода равного сечения в одной плоскости под углом ψ от 5° до 95° (см. рисунок А.1 а).
«90° колено» - изгиб трубопровода равного сечения в одной плоскости под углом ψ, равным 90° ± 5° (см. рисунок А.1 а).
«45° колено» - изгиб трубопровода равного сечения в одной плоскости под углом ψ, равным 45° ± 5° (см. рисунок А.1 б).
«Коническое 90° колено» - отвод, образованный двумя перпендикулярно расположенными друг к другу отрезками труб, сваренных по коническим поверхностям (см. рисунок А.1 в).
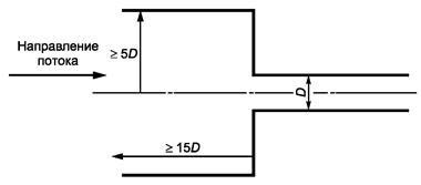
А.1.2. «Два 90° колена в одной плоскости S-конфигурация (10D < l £ 30D)» - два 90° колена, оси которых лежат в одной плоскости (см. рисунок А.1 е), расположенных один за другим на расстоянии 10D < l £ 30D.
«Два 90° колена в одной плоскости U-конфигурация (10D < l £ 30D)» - два 90° колена, оси которых лежат в одной плоскости (см. рисунок А.1 г), расположенных один за другим на расстоянии 10D < l £ 30D.
«Два 90° колена в одной плоскости U-конфигурация (l £ 10D)» - два 90° колена, оси которых лежат в одной плоскости (см. рисунок А.1 д), расположенных один за другим на расстоянии, не превышающем 10D.
«Два 90° колена в одной плоскости S-конфигурация (l £ 10D)» - два 90° колена, оси которых лежат в одной плоскости (см. рисунок А.1 ж), расположенных один за другим на расстоянии l £ 10D.
«Два колена в разных плоскостях (5D < l £ 30D)» - два колена, оси которых лежат в разных плоскостях (см. рисунок А.1 и), расположенных один за другим на расстоянии (5D < l £ 30D).
«Два колена в разных плоскостях (l < 5D)» - два колена, оси которых лежат в разных плоскостях (см. рисунок А.1 к), расположенных один за другим на расстоянии l < 5D.
«Два 45° колена в одной плоскости S-конфигурация (30D ³ l > 2D)» - два 45° колена, оси которых лежат в одной плоскости, расположенных один за другим на расстоянии 2D < l £ 30D).
А.1.3. Границей между коленом (группой колен) и прямолинейным участком ИТ считают сечение, в котором изгиб трубопровода переходит в прямолинейный участок.
А.1.4. При наличии одного или нескольких колен перед или после МС, указанных в А.1.2, на расстоянии менее 30D, все колена объединяют в одно МС и его классифицируют как «МС неопределенного типа» (например, см. рисунок А.1 л).
Примечание - Внутренний радиус изгиба колен должен быть не менее радиуса трубопровода.
А.2. Тройники
А.2.1. Тройник - фитинг, состоящий из трех соединенных звеньев трубопровода, оси которых лежат в одной плоскости (см. рисунок А.2).
«Заглушенный тройник, изменяющий направление потока» - тройник, состоящий из одного заглушенного звена и двух открытых несоосных звеньев (см. рисунок А.2 а).
«Заглушенный тройник, не изменяющий направление потока» - тройник, состоящий из одного заглушенного звена и двух открытых соосных звеньев (см. рисунок А.2 б).
Примечание - Если диаметр заглушенного звена тройника (см. рисунок А.2 б) менее 0,13D, то данный тройник не является местным сопротивлением.
«Разветвляющий поток тройник» - тройник, поток в котором входит в одно звено (см. рисунки А.2 в, г), а выходит из двух звеньев.
«Смешивающий потоки тройник» - тройник, поток из которого выходит из одного звена (см. рисунки А.2 д, е), а входит в два звена.
Примечание - При определении длины прямолинейного участка перед тройником или за ним расстояние замеряют от точки пересечения осей звеньев.
Если расстояние между тройниками, которые разветвляют поток, не превышает 5D, то все тройники объединяют в одно местное сопротивление - «Разветвляющий поток тройник».
Если расстояние между тройниками, которые смешивают потоки, не превышает 5D, то все тройники объединяют в одно местное сопротивление - «Смешивающий потоки тройник».
Рисунок А.1 - Колено и группы колен
Рисунок А.2 - Тройники
А.3. Переходные участки труб
А.3.1. Диффузор - конусное расширение трубопровода с прямолинейной или криволинейной образующей (см. рисунок А.3 а).
Диффузор характеризуют конусностью Kr, которую рассчитывают как отношение разности диаметров двух прямолинейных участков трубопроводов, соединенных конусом, к длине l этого конуса по формуле
Kr = D1 · (D2 / D1 - 1) / l, (A.1)
где D1 и D2 - диаметры двух прямолинейных участков трубопровода, причем D2 > D1.
Геометрические характеристики диффузора должны удовлетворять условиям:
1,1 < D2 / D1£ 2. (А.3)
Диффузор считают прямолинейным участком при выполнении условий:
При этом длину прямолинейного участка ИТ рассчитывают без учета диффузора как МС.
А.3.2. Симметричное резкое расширение (см. рисунок А.3 б) - конусное расширение трубопровода или уступ, удовлетворяющие условиям:
А.3.3. Конфузор - конусное сужение трубопровода с прямолинейной или криволинейной образующей (см. рисунок А.2 в).
Конфузор характеризуют конусностью Kr, которую рассчитывают по формуле (А.1).
Геометрические характеристики конфузора должны удовлетворять условиям:
1,1 < D2 / D1£ 2. (А.9)
Конфузор считают прямолинейным участком при выполнении условий:
А.3.4. Симметричное резкое сужение - конусное сужение трубопровода или уступ (см. рисунок А.3 г), если они соответствуют условиям:
А.3.5. Границей между диффузором или конфузором и прямолинейным участком ИТ считают сечение, в котором конус переходит в прямой круглый цилиндр.
А.3.6. Переходные участки ИТ рекомендуется изготовлять с криволинейной образующей в соответствии с ГОСТ 17378 с учетом требований настоящего приложения.
А.4. Запорная арматура
А.4.1. Запорную арматуру классифицируют в соответствии с ГОСТ 24856.
На рисунке А.3 приведены схемы запорной арматуры: задвижки (см. рисунок А.3 д); шарового крана (см. рисунок А.3 е); конусного крана (см. рисунок А.3 и), затвора (см. рисунки А.3 ж, к); клапана (рисунок А.3 л).
Примечание - В технической литературе часто вместо термина «клапан» используют термин «вентиль», вместо «затвор» - «заслонка».
А.4.2. Границей между запорной арматурой любого типа и ИТ считают место их соединения.
Рисунок А.3 - Переходные участки и запорная арматура
А.5. Коллектор
А.5.1. Коллектор - устройство для распределения потока по нескольким направлениям или сбора потоков по нескольким направлениям в общий поток.
В большинстве случаев распределяющие и собирающие коллекторы работают совместно, образуя коллекторную систему.
Коллекторную систему применяют для обеспечения необходимой пропускной способности измерительного пункта и уменьшения неопределенности измерений расхода и количества среды. При этом распределение потока по нескольким направлениям осуществляют по ИТ, расположенным между коллекторами одинаковой конструкции.
А.5.2. Коллекторные схемы подразделяют на П- и Z-образные. В П-образной системе (см. рисунки А.4 а, в) потоки в коллекторах имеют противоположные направления, а в Z-образной системе (см. рисунки А.4 б, г) - одинаковые направления.
При одинаковой конструкции обоих коллекторов и значении коэффициента гидравлического сопротивления входного коллектора менее единицы П-образная система обеспечивает более равномерное распределение потока, чем Z-образная система. При значении коэффициента гидравлического сопротивления входного коллектора более единицы получают противоположный результат.
Рисунок А.4 - Схемы коллекторных систем
А.5.3. Увеличение площади сечения коллектора по сравнению с суммарной площадью сечений ИТ приводит к сужению потока на входе ИТ и, следовательно, к наименьшим искажениям профиля скоростей и более равномерному распределению потока по ИТ.
Диаметры коллекторов рекомендуется определять из условия:
D · [0,5 · (n + 1)]0,5 < Dk, (A.14)
где n - число ИТ одинаковой конструкции;
Dk - диаметр коллектора.
Рекомендуется соблюдение дополнительного условия:
А.5.4. Продольные оси входного (распределительного) коллектора и ИТ могут быть расположены в одной плоскости (см. рисунки А.4 а, б) или в разных плоскостях (см. рисунки А.4 в, г). Рекомендуется применение коллектора, расположенного в одной плоскости с ИТ.
А.6. Большая емкость
Большая емкость - емкость, перед выходным отверстием которой на длине не менее 15D по направлению к его оси и на длине не менее 5D в направлении, перпендикулярном к этой оси, нет препятствий, нарушающих движение потока (см. рисунок А.5).
Рисунок А.5 - Схема большой емкости
МС, расположенные перед большой емкостью, не учитывают при определении необходимых длин прямолинейных участков ИТ.
А.7. Совмещенные местные сопротивления
В одно МС следует объединять тройник с коленом в случаях, указанных на рисунке А.6.
Рисунок А.6 - Местные сопротивления, которые следует объединять в одно МС
МС, приведенные на схеме а рисунка А.6, классифицируют как:
- «Два колена в разных плоскостях, l < 5D» при длине прямолинейного участка ИТ между коленом и тройником менее 5D;
- «Два колена в разных плоскостях, 30D ³ l ³ 5D» при длине прямолинейного участка ИТ между коленом и тройником от 16D до 5D;
МС, приведенные на схеме б рисунка А.6, классифицируют как:
- «Два колена в разных плоскостях, l < 5D» при длине прямолинейного участка ИТ между коленом и тройником менее 5D;
- «Два колена в разных плоскостях, 30D ³ l ³ 5D» при длине прямолинейного участка ИТ между коленом и тройником от 18D до 5D.
Группы колен (см. А.1.2) с тройником в одно МС не объединяют.
МС, приведенное на схеме в рисунка А.6, классифицируют как:
- «Два 90° колена в одной плоскости U-конфигурация (l £ 10D)», если расстояние между коленом и тройником не более 10D,
- «Два 90° колена в одной плоскости U-конфигурация (30D ³ l ³ 10D)», если расстояние между коленом и тройником не более 30D и более 10D.
МС, приведенное на схеме г рисунка А.6, классифицируют как:
- «Два 90° колена в одной плоскости S-конфигурация (l £ 10D)», если расстояние между коленом и тройником не более 10D,
- «Два 90° колена в одной плоскости S-конфигурация (30D ³ l ³ 10D)», если расстояние между коленом и тройником менее 22D и более 10D.
А.8. Особенности определения длин для смешивающего потоки тройника
Если перед СУ установлено МС вида «Смешивающий потоки тройник», то соответствие требованиям к длинам прямолинейных участков ИТ необходимо проверять по всем звеньям труб, образующим данное МС, например, по схеме, представленной на рисунке А.7.
В соответствии с таблицей 4 и требованиями 6.2.8, после вентиля необходим участок длиной 15D, а после конфузора - 6D. Если длины прямолинейных участков перед тройником сокращены в обоих направлениях или только в одном направлении, к неопределенности коэффициента истечения арифметически добавляют дополнительную неопределенность, равную 0,5 %.
Рисунок А.7 - Возможная схема установки местного сопротивления вида «Смешивающий потоки тройник» перед сужающим устройством
Б.1. Общие положения
В приложении приведены требования к монтажу патентованных УПП «Gallagher» и УПП конструкции NOVA типа перфорированного диска K-Lab, известной как УПП «K-Lab NOVA».
Эти УПП приведены в качестве примеров устройств, прошедших испытания на соответствие требованиям ГОСТ 8.586.1 (приложение Ж) и [19], [20], [21].
Б.2. Устройство подготовки потока «Gallagher»
Б.2.1. УПП «Gallagher», конструкция которого приведена в ГОСТ 8.586.1 (приложение Е), может быть установлено после любого вида МС в соответствии с Б.2.2.
Б.2.2. Расстояние между диафрагмой и ближайшим МС Lf должно быть не менее 17D.
УПП устанавливают таким образом, чтобы расстояние между выходным торцом УПП и диафрагмой Lsудовлетворяло условиям:
5D £ Ls £ Lf - 8D при b £ 0,67;
6D £ Ls £ 8D при 0,67 < b £ 0,75.
Б.3. Устройство подготовки потока «K-Lab NOVA»
Б.3.1. Конструкция УПП «K-Lab NOVA» приведена в ГОСТ 8.586.1 (приложение Е). УПП может быть установлено после любого вида МС при b £ 0,67 в соответствии с требованиями 3.2.
Б.3.2. Расстояние между диафрагмой и ближайшим МС Lf должно быть не менее 17D.
УПП устанавливают таким образом, чтобы расстояние между выходным торцом УПП и диафрагмой Lsудовлетворяло условию:
8,5D £ Ls < Lf - 7,5D.
|
[1] Международный стандарт ИСО 5167-1:2003 |
Измерение расхода среды с помощью устройств переменного перепада давления, помещенных в заполненные трубопроводы круглого сечения. Часть 1. Общие принципы и требования |
|
(Measurement of fluid flow by means of pressure differential devices inserted in circular cross-section conduits running full - Part 1: General principles and requirements) |
|
|
[2] Международный стандарт ИСО 5167-2:2003 |
Измерение расхода среды с помощью устройств переменного перепада давления, помещенных в заполненные трубопроводы круглого сечения. Часть 2. Диафрагмы |
|
(Measurement of fluid flow by means of pressure differential devices inserted in circular cross-section conduits running full - Part 2: Orifice plates) |
|
|
[3] Международный стандарт ИСО 5167-3:2003 |
Измерение расхода среды с помощью устройств переменного перепада давления, помещенных в заполненные трубопроводы круглого сечения. Часть 3. Сопла и сопла Вентури |
|
(Measurement of fluid flow by means of pressure differential devices inserted in circular cross-section conduits running full - Part 3: Nozzles and Venturi nozzles) |
|
|
[4] Международный стандарт ИСО 5167-4:2003 |
Измерение расхода среды с помощью устройств переменного перепада давления, помещенных в заполненные трубопроводы круглого сечения. Часть 4. Трубы Вентури |
|
(Measurement of fluid flow by means of pressure differential devices inserted in circular cross-section conduits running full - Part 4: Venturi tubes) |
|
|
[5] Отчет ИСО 9464:1998 |
Руководство по применению ИСО 5167-1:1991 |
|
(Guidelines for the use of ISO 5167-1:1991) |
|
|
[6] Hobbs, J.M and Humphreys, J.S. The effect of orifice plate geometry upon discharge coefficient. Flow Measurement and Instrumentation, 1, April 1990, pp. 133 - 140 |
|
|
[7] Reader-Harris, M.J. and Sattary, J.A. The orifice plate discharge coefficient equation - the equation for ISO 5167-1. In Proc. Of 14th North Sea Flow Measurement Workshop, Peebles, Scotland, East Kilbride, Glasgow, National Engineering Laboratory, October 1996, p. 24 |
|
|
[8] Reader-Harris, M.J. The equation for the expansibility factor for orifice plates. In Proc. Of FLOMEKO 98, Lund, Sweden, June 1998, pp. 209 - 214 |
|
|
[9] Reader-Harris, M.J. Pipe roughness and Reynolds number limits for the orifice plate discharge coefficient equation. In Proc. of 2nd Int. Symp. on Fluid Flow Measurement, Calgary, Canada, Arlington, Virginia: American Gas Association, June 1990, pp. 29 - 43 |
|
|
[10] Reader-Harris, M.J., Sattary, J.A. and Spearman, E.P. The orifice plate discharge coefficient equation. Progress Report No PR14: EUEC/17 (EEC005). East Kilbride, Glasgow: National Engineering Laboratory Executive Agency, May 1992 |
|
|
[11] Morrow, T.B. and Morrison, G.L. Effect of meter tube roughness on orifice Cd. In Proc. of 4th Int. Symp. on Fluid Flow Measurement, Denver, Colorado, June 1999 |
|
|
[12] Urner, G. Pressure loss of orifice plates according to ISO 5167. Flow Measurement and Instrumentation, 8, March 1997, pp. 39 - 41 |
|
|
[13] Studzinski, W., Karnik, U., Lanasa, P., Morrow, Т., Goodson, D., Husain, Z. and Gallagher, J. White paper on Orifice Meter Installation Configurations with and without Flow Conditiners, Washington D.C., American Petroleum Institute, 1997 |
|
|
[14] Studzinski, W., Weiss, M., Attia, J. And Geerligs, J. Effects of reducers, expanders, a gate valve, and two elbows in perpendicular planes on orifice meter performance, In Proc. of Flow Measurement 2001 International Conference, Peebles, Scotland, May 2001, ppr 3.1, East Kilbride, Glasgow, National Engineering Laboratory |
|
|
[15] Weiss, M., Studzinski, W. and Attia, J. Performance evaluation of orifice meter standards for selected T-junction and elbow installations. In Proc. 5th Int. Symp. on Fluid Flow Measurement, Washington, D.C., April 2002 |
|
|
[16] ГОСТ 8.563.1-97 |
Государственная система обеспечения единства измерений. Измерение расхода и количества жидкостей и газов методом переменного перепада давления. Диафрагмы, сопла ИСА 1932 и трубы Вентури, установленные в заполненных трубопроводах круглого сечения. Технические условия |
|
[17] Zanker, K.J. and Goodson, D. Qualification of a flow conditioning device according to the new API 14.3 procedure. Flow Measurement and Instrumentation, 11, June 2000, pp. 79 – 87 |
|
|
[18] Reader-Harris, M.J. and Brunton, W.C. The effect of diameter steps in upstream pipework on orifice plate discharge coefficients. In Proc. 5th Int. Symp. on Fluid Flow Measurement, Washington, D.C., April 2002 |
|
|
[19] Morrow, T.B. Metering Research Facility Program Orifice Meter Installation Effects: Ten-inch sliding flow conditioner tests. Technical Memorandum GRI Report No. GRI-96/0391. San Antonio, Texas: Southwest Research Institute, November 1996 |
|
|
[20] Karnik, U. A compact orifice meter/flow conditioner package. In Proc. of 3rd Int. Symp. on Fluid Flow Measurement, San Antonio, Texas, March 1995 |
|
|
[21] Karnik, U., Studzinski, W., Geerligs, J and Kowch, R. Scale up tests on the NOVA Flow Conditioner for orifice meter applications. In Proc. of 4th Int. Symp. on Fluid Flow Measurement, Denver, Colorado, June 1999 |
|
|
Ключевые слова: расход, количество, среда, измерение, метод, общие требования, установка, диафрагмы |