Меню
Навигация
Novatika
Первая линия

Единая система конструкторской документации. Обозначения условные графические в схемах. Элементы вакуумных систем

Стандарт устанавливает условные графические обозначения элементов вакуумных систем всех отраслей промышленности.

Обозначение: ГОСТ 2.796-95
Название рус.: Единая система конструкторской документации. Обозначения условные графические в схемах. Элементы вакуумных систем
Статус: действует
Заменяет собой: ГОСТ 2.796-81 «Единая система конструкторской документации. Обозначения условные графические в схемах. Элементы вакуумных систем»
Дата актуализации текста: 05.05.2017
Дата добавления в базу: 01.09.2013
Дата введения в действие: 01.01.1997
Утвержден: 26.06.1996 Госстандарт России (Russian Federation Gosstandart 424)12.10.1995 Межгосударственный Совет по стандартизации, метрологии и сертификации (Inter-Governmental Council on Standardization, Metrology, and Certification 8)
Опубликован: Издательство стандартов (1995 г. ) ИПК Издательство стандартов (1998 г. ) Стандартинформ (2012 г. )
Ссылки для скачивания:

ГОСТ 2.796-95

МЕЖГОСУДАРСТВЕННЫЙ СТАНДАРТ

Единая система конструкторской документации

ОБОЗНАЧЕНИЯ УСЛОВНЫЕ
ГРАФИЧЕСКИЕ В СХЕМАХ.

Элементы вакуумных систем

Москва
Стандартинформ
2012

Предисловие

1. РАЗРАБОТАН Всероссийским научно-исследовательским институтом стандартизации и сертификации в машиностроении (ВНИИНМАШ) Госстандарта России

ВНЕСЕН Госстандартом России

2. ПРИНЯТ Межгосударственным Советом по стандартизации, метрологии и сертификации (протокол № 8 от 12 октября 1995 г.)

За принятие проголосовали:

Наименование государства

Наименование национального органа по стандартизации

Азербайджанская Республика

Азгосстандарт

Республика Белоруссия

Белстандарт

Грузия

Грузстандарт

Республика Казахстан

Госстандарт Республики Казахстан

Киргизская Республика

Киргизстандарт

Республика Молдова

Молдовастандарт

Российская Федерация

Госстандарт России

Республика Таджикистан

Таджикский государственный центр по стандартизации, метрологии и сертификации

Туркменистан

Главная государственная инспекция Туркменистана

Украина

Госстандарт Украины

3. Постановлением Государственного комитета Российской Федерации по стандартизации, метрологии и сертификации от 26 июня 1996 г. № 424 межгосударственный стандарт ГОСТ 2.796-95 введен в действие непосредственно в качестве государственного стандарта Российской Федерации с 1 января 1997 г.

4. ВЗАМЕН ГОСТ 2.796-81.

5. ПЕРЕИЗДАНИЕ. Декабрь 2011 г.

ГОСТ 2.796-95

МЕЖГОСУДАРСТВЕННЫЙ СТАНДАРТ

Единая система конструкторской документации

ОБОЗНАЧЕНИЯ УСЛОВНЫЕ ГРАФИЧЕСКИЕ В СХЕМАХ

Элементы вакуумных систем

Unified system for design documentation. Graphic designations in schemes.
Element of vacuum systems.

Дата введения 1997-01-01

1. ОБЛАСТЬ ПРИМЕНЕНИЯ

Настоящий стандарт устанавливает условные графические обозначения элементов вакуумных систем всех отраслей промышленности.

2. НОРМАТИВНЫЕ ССЫЛКИ

В настоящем стандарте использованы ссылки на следующие стандарты:

ГОСТ 2.721-74 Единая система конструкторской документации. Обозначения условные графические в схемах. Обозначения общего применения.

ГОСТ 2.784-96 Единая система конструкторской документации. Обозначения условные графические. Элементы трубопроводов.

ГОСТ 2.785-70 Единая система конструкторской документации. Обозначения условные графические. Арматура трубопроводная.

ГОСТ 2.788-74 Единая система конструкторской документации. Обозначения условные графические. Аппараты выпарные.

3. ОБОЗНАЧЕНИЯ УСЛОВНЫЕ ГРАФИЧЕСКИЕ

3.1 Условные графические обозначения элементов вакуумных систем приведены в таблице 1.

3.2 Размеры основных условных графических обозначений приведены в таблице А.1 приложения А.

3.3 Условные графические обозначения элементов вакуумного трубопровода, арматуры и камер приведены в таблице Б.1 приложения Б.

Таблица 1

Наименование элементов вакуумных систем

Обозначение элементов вакуумных систем

1. ОБОЗНАЧЕНИЯ ВАКУУМНЫХ НАСОСОВ

1.1. Насос вакуумный. Общее обозначение

Описание: 1

1.2. Насос вакуумный механический. Общее обозначение

Описание: 2

1.2.1. Вращательный объемный (пластинчато-роторный, пластинчато-статорный, плунжерный):

а) одноступенчатый

Описание: 3

б) двухступенчатый

Описание: 4

в) газобалластный

Описание: 5

1.2.2. Турбомолекулярный

Описание: 6

1.2.3. Двухроторный (насос Рутса)

Описание: 7

1.2.4. Водокольцевой

Описание: 8

1.3. Насосы вакуумные струйные. Общее обозначение

Описание: 9

1.3.1. Эжекторный.

Примечание - Вместо знака «Х» указывают химическую формулу рабочей жидкости (вода, масло, ртуть)

Описание: 10

1.3.2. Диффузионный.

Примечание - Вместо знака «Х» указывают химическую формулу рабочей жидкости (масло, ртуть)

Описание: 11

1.4. Насосы вакуумные сорбционные. Общее обозначение

1.4.1. Адсорбционные

1.4.2. Сублимационный (испарительно-геттерный)

Описание: 14

1.4.3. Криосорбционный.

Примечание 1.4.1 - 1.4.3 - Вместо знака «Х» указывают химическую формулу сорбента

Описание: 15

1.4.4. Криогенный

Описание: 16

1.4.5. Испарительно-ионный

Описание: 17

1.4.6. Магнитный элекгроразрядный

1.4.7. Комбинированный

2. ОБОЗНАЧЕНИЯ ВАКУУМНЫХ ЛОВУШЕК

2.1. Ловушка. Общее обозначение.

Примечание - Вместо знака «Х» указывают вид хладагента (температура)

Описание: 21

2.2. Ловушка, охлаждаемая жидкостью, заливаемой в резервуар

2.3. Ловушка термоэлектрическая.

Примечание - Вместо знака «Х» указывают температуру охлаждаемой поверхности

2.4. Ловушка адсорбционная

2.5. Ловушка ионная.

Примечание к 2.3 - 2.4 - Вместо знака «Х» указывают температуру охлаждаемой поверхности

Описание: 26

3. ОБОЗНАЧЕНИЯ ОТРАЖАТЕЛЕЙ ДИФФУЗИОННЫХ НАСОСОВ

3.1. Отражатель. Общее обозначение.

Примечание - Вместо знака «Х» указывают температуру отражателя

3.2. Отражатель, охлаждаемый воздухом

Описание: 28

3.3. Отражатель, охлаждаемый циркуляцией жидкости

Описание: 29

3.4. Отражатель, охлаждаемый жидкостью, заливаемой в резервуар

Описание: 30

3.5. Отражатель, охлаждаемый термоэлектрическим устройством

Описание: 31

4. УСТРОЙСТВА ПОДАЧИ ХЛАДАГЕНТА К ОХЛАЖДАЕМЫМ
ПОВЕРХНОСТЯМ ЛОВУШЕК И ОТРАЖАТЕЛЕЙ

4.1. Питатель сжиженного газа

Описание: 32

4.2. Сосуд криогенный для сжиженного газа:

а) открытый

Описание: 33

б) закрытый

Описание: 34

в) с питательным устройством

Описание: 35

5. ПРИБОРЫ ИЗМЕРЯЮЩИЕ, КОНТРОЛИРУЮЩИЕ,
РЕГИСТРИРУЮЩИЕ ДАВЛЕНИЕ И ДР.

5.1. Вакуумметры (манометры)

5.1.1. Вакуумметр. Общее обозначение

Описание: 36

5.1.2. Вакуумметр парциального давления

Описание: 37

5.1.3. Вакуумметр ионизационный с горячим катодом

5.1.4. Вакуумметр магнитный электроразрядный с холодным катодом (вакуумметр Пеннинга)

Описание: 39

5.1.5. Вакуумметр теплоэлектрический (термопарный, сопротивления)

Описание: 40

5.1.6. Вакуумметр U-образный, поршневой

Описание: 41

5.1.7. Вакуумметр компрессионный (Мак-Леода)

Описание: 42

5.1.8. Вакуумметр мембранный (деформационный)

Описание: 43

5.2. Течеискатель. Общее обозначение

Описание: 44

5.3. Масс-спектрометр

Описание: 45

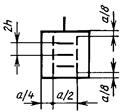
ПРИЛОЖЕНИЕ А

(обязательное)

РАЗМЕРЫ ОСНОВНЫХ ЭЛЕМЕНТОВ ВАКУУМНЫХ СИСТЕМ

Таблица А.1

Наименование основных элементов вакуумных систем

Размеры основных элементов вакуумных систем

1. Насос вращательный объемный (пластинчато-роторный, пластинчато-статорный, плунжерный) двухступенчатый, газобалластный

2. Насос двухроторный (насос Рутса)

3. Насос турбомолекулярный

4. Насос эжекторный

5. Насос диффузионный

6. Насос адсорбционный

7. Насос криогенный

8. Насос испарительно-ионный

9. Насос комбинированный

10. Ловушка

11. Отражатель

12. Отражатель, охлаждаемый термоэлектрическим устройством

13. Питатель сжиженного газа

14. Сосуд криогенный, закрытый

15. Вакуумметр. Общее обозначение

16. Вакуумметр парционального давления

17. Вакуумметр ионизационный с горячим катодом

18. Вакуумметр магнитный электроразрядный с холодным катодом (вакуумметр Пеннинга)

19. Вакуумметр теплоэлектрический (термопарный, сопротивления)

20. Вакуумметр U-образный, поршневой

21. Вакуумметр компрессионный (Мак-Леода)

22. Течеискатель. Общее обозначение

23. Масс-спектрометр

24. Компенсатор (сильфонный)

25. Переходник фланцевый

26. Переходник штуцерно-фланцевый

27. Вакуумное соединение фланцевое

28. Вакуумное соединение штуцерное

29. Вакуумное соединение быстроразъемное

30. Клапан проходной

31. Задвижка

32. Затвор

33. Клапан предохранительный (на закрытие)

34. Блок клапанов (двухклапанный)

35. Ручной привод

36. Пневмопривод или гидропривод

37. Электропривод

38. Камера вакуумная

39. Колпак технологический вакуумный

Примечание - Размер а выбирают из ряда 14, 20, 28, 40, 56 мм. Размер h должен быть не менее 1,5 мм.

ПРИЛОЖЕНИЕ Б

(справочное)

УСЛОВНЫЕ ГРАФИЧЕСКИЕ ОБОЗНАЧЕНИЯ ЭЛЕМЕНТОВ
ВАКУУМНОГО ТРУБОПРОВОДА, АРМАТУРЫ И КАМЕР

Таблица Б.1

Наименование

Обозначение

Примечание

1. ЭЛЕМЕНТЫ ВАКУУМНОГО ТРУБОПРОВОДА

1.1. Вакуумпровод

Описание: 85

ГОСТ 2.784, пункт 1 а

1.2. Вакуумпровод с указанием направления потока газа

Описание: 86

1.3. Соединение вакуумпровода

Описание: 87

1.4. Пересечение вакуумпровода (без соединения)

Описание: 88

ГОСТ 2.784, пункт 3

1.5. Вакуумпровод гибкий, шланг

Описание: 89

ГОСТ 2.784, пункт 5

1.6. Тройник

Описание: 90

ГОСТ 2.784, пункт 12 а

1.7. Крестовина

Описание: 91

ГОСТ 2.784, пункт 12 б

1.8. Колено

Описание: 92

ГОСТ 2.784, пункт 12 в

1.9. Коллектор, гребенка

Описание: 93

ГОСТ 2.784, пункт 12 г

1.10. Компенсатор

Описание: 94

ГОСТ 2.784, пункт 17 ж

1.11. Вакуумное соединение. Общее обозначение:

Описание: 95

ГОСТ 2.784, пункт 9 а

а) фланцевое

Описание: 96

ГОСТ 2.784, пункт 9 б

б) штуцерное

Описание: 97

ГОСТ 2.784, пункт 9 в

в) быстроразъемное

Описание: 98

ГОСТ 2.784, пункт 15 б

1.12. Конец вакуумпровода с заглушкой:

а) с фланцевым соединением

Описание: 99

ГОСТ 2.784, пункт 11 б

б) со штуцерным соединением

Описание: 100

ГОСТ 2.784, пункт 11 в

в) с быстроразъемным соединением

Описание: 101

1.13. Переходник:

а) фланцевый

Описание: 102

ГОСТ 2.784, пункт 14 б

б) штуцерно-фланцевый

Описание: 103

2. АРМАТУРА ВАКУУМНАЯ

2.1. Клапан:

а) проходный

Описание: 104

ГОСТ 2.785, пункт 1 а

б) угловой

Описание: 105

ГОСТ 2.785, пункт 1 б

2.2. Задвижка

Описание: 106

ГОСТ 2.785, пункт 9

2.3. Затвор поворотный

Описание: 107

ГОСТ 2.785, пункт 10

2.4. Кран проходной

Описание: 108

ГОСТ 2.785, пункт 11

2.5. Клапан регулирующий, дозирующий

Описание: 109

2.6. Клапан предохранительный (на закрытие)

Описание: 110

ГОСТ 2.785, пункт 20 а

2.7. Блок клапанов

Описание: 111

ГОСТ 2.785, пункт 28 а

2.8. Тип привода арматуры

2.8.1. Ручной

Описание: 112

ГОСТ 2.721, таблица 6, пункт 13 а

2.8.2. Пневмопривод или гидропривод

Описание: 113

ГОСТ 2.721, таблица 6, пункт 15 в

2.8.3. Электропривод

Описание: 115

ГОСТ 2.721, таблица 6, пункт 15 г

2.8.4. Электромагнитный привод

Описание: 116

ГОСТ 2.721, таблица 6, пункт 15 б

3. ВАКУУМНЫЕ КАМЕРЫ (ОБЪЕМНЫЕ)

3.1. Камера вакуумная

Описание: 117

ГОСТ 2.788, таблица 2, пункт 1 в

3.2. Колпак технологический вакуумный

Описание: 118

 

Ключевые слова: обозначения условные, элементы вакуумных систем

СОДЕРЖАНИЕ