Стандарт устанавливает правила изображения предметов (изделий, сооружений и их составных элементов) на чертежах (электронных моделях) всех отраслей промышленности и строительства.
| Обозначение: | ГОСТ 2.305-2008 |
| Название рус.: | Единая система конструкторской документации. Изображения - виды, разрезы, сечения |
| Статус: | действует |
| Заменяет собой: | ГОСТ 2.305-68 «Единая система конструкторской документации. Изображения - виды, разрезы, сечения» |
| Дата актуализации текста: | 05.05.2017 |
| Дата добавления в базу: | 01.09.2013 |
| Дата введения в действие: | 01.07.2009 |
| Утвержден: | 28.08.2008 Межгосударственный Совет по стандартизации, метрологии и сертификации (Inter-Governmental Council on Standardization, Metrology, and Certification 33)25.12.2008 Федеральное агентство по техническому регулированию и метрологии (703-ст) |
| Опубликован: | Стандартинформ (2009 г. ) |
| Ссылки для скачивания: |
|
МЕЖГОСУДАРСТВЕННЫЙ СОВЕТ ПО СТАНДАРТИЗАЦИИ, МЕТРОЛОГИИ И СЕРТИФИКАЦИИ INTERSTATE COUNCIL FOR STANDARDIZATION,
METROLOGY AND CERTIFICATION |
|
|
МЕЖГОСУДАРСТВЕННЫЙ |
ГОСТ |
Единая система конструкторской документации
ИЗОБРАЖЕНИЯ - ВИДЫ, РАЗРЕЗЫ,
СЕЧЕНИЯ
|
|
Москва Стандартинформ 2009 |
Предисловие
Цели, основные принципы и основной порядок проведения работ по межгосударственной стандартизации установлены ГОСТ 1.0-92 «Межгосударственная система стандартизации. Основные положения» и ГОСТ 1.2-97 «Межгосударственная система стандартизации. Стандарты межгосударственные, правила и рекомендации по межгосударственной стандартизации. Порядок разработки, принятия, применения, обновления и отмены»
Сведения о стандарте
1. РАЗРАБОТАН Федеральным государственным унитарным предприятием Всероссийский научно-исследовательский институт стандартизации и сертификации в машиностроении (ВНИИНМАШ), Автономной некоммерческой организацией Научно-исследовательский центр CALS-технологий «Прикладная логистика» (АНО НИЦ CALS-технологий «Прикладная логистика»)
2. ВНЕСЕН Федеральным агентством по техническому регулированию и метрологии
3. ПРИНЯТ Межгосударственным советом по стандартизации, метрологии и сертификации (протокол № 33 от 28 августа 2008 г.)
За принятие проголосовали:
|
Краткое
наименование страны |
Код страны |
Сокращенное
наименование национального органа |
|
Азербайджан |
AZ |
Азстандарт |
|
Армения |
AM |
Минторгэкономразвития |
|
Беларусь |
BY |
Госстандарт Республики Беларусь |
|
Казахстан |
KZ |
Госстандарт Республики Казахстан |
|
Кыргызстан |
KG |
Кыргызстандарт |
|
Молдова |
MD |
Молдова-Стандарт |
|
Российская Федерация |
RU |
Федеральное агентство по техническому регулированию и метрологии |
|
Таджикистан |
TJ |
Таджикстандарт |
|
Туркменистан |
TM |
Главгосслужба «Туркменстандартлары» |
|
Украина |
UA |
Гостпотребстандарт Украины |
4. Приказом Федерального агентства по техническому регулированию и метрологии от 25 декабря 2008 г. № 703-ст межгосударственный стандарт ГОСТ 2.305-2008 введен в действие в качестве национального стандарта Российской Федерации с 1 июля 2009 г.
5. ВЗАМЕН ГОСТ 2.305-68
Информация о введении в действие (прекращении действия) настоящего стандарта публикуется в указателе «Национальные стандарты».
Информация об изменениях к настоящему стандарту публикуется в указателе «Национальные стандарты», а текст изменений - в информационных указателях «Национальные стандарты». В случае пересмотра или отмены настоящего стандарта соответствующая информация будет опубликована в информационном указателе «Национальные стандарты»
СОДЕРЖАНИЕ
ГОСТ 2.305-2008
МЕЖГОСУДАРСТВЕННЫЙ СТАНДАРТ
|
Единая система конструкторской документации ИЗОБРАЖЕНИЯ - ВИДЫ, РАЗРЕЗЫ, СЕЧЕНИЯ Unified system for design documentation. Images - appearance, sections, profiles |
Дата введения - 2009-07-01
Настоящий стандарт устанавливает правила изображения предметов (изделий, сооружений и их составных элементов) на чертежах (электронных моделях) всех отраслей промышленности и строительства.
В настоящем стандарте использованы ссылки на следующие межгосударственные стандарты:
ГОСТ 2.052-2006 Единая система конструкторской документации. Электронная модель изделия. Общие положения
ГОСТ 2.102-68 Единая система конструкторской документации. Виды и комплектность конструкторских документов
ГОСТ 2.103-68 Единая система конструкторской документации. Стадии разработки
ГОСТ 2.104-2006 Единая система конструкторской документации. Основные надписи
ГОСТ 2.109-73 Единая система конструкторской документации. Основные требования к чертежам
ГОСТ 2.302-68 Единая система конструкторской документации. Масштабы
ГОСТ 2.317-69 Единая система конструкторской документации. Аксонометрические проекции
Примечание - При пользовании настоящим стандартом целесообразно проверить действие ссылочных стандартов на территории государства по соответствующему указателю стандартов, составленному по состоянию на 1 января текущего года, и по соответствующим информационным указателям, опубликованным в текущем году. Если ссылочный стандарт заменен (изменен), то при пользовании настоящим стандартом следует руководствоваться заменяющим (измененным) стандартом. Если ссылочный стандарт отменен без замены, то положение, в котором дана ссылка на него, применяется в части, не затрагивающей эту ссылку.
В настоящем стандарте применены следующие термины с соответствующими определениями:
3.1 вертикальный разрез: Разрез, выполненный секущими плоскостями, перпендикулярными к горизонтальной плоскости проекций.
3.2 вид предмета (вид): Ортогональная проекция обращенной к наблюдателю видимой части поверхности предмета, расположенного между ним и плоскостью проецирования.
3.3 вынесенное сечение: Сечение, расположенное на чертеже вне контура изображения предмета или в разрыве между частями одного изображения.
3.4 выносной элемент: Дополнительное, обычно увеличенное, отдельное изображение части предмета.
3.5 главный вид предмета (главный вид): Основной вид предмета на фронтальной плоскости проекции, который дает наиболее полное представление о форме и размерах предмета, относительно которого располагают остальные основные виды.
3.6 горизонтальный разрез: Разрез, выполненный секущими плоскостями, параллельными горизонтальной плоскости проекций.
3.7 дополнительный вид предмета (дополнительный вид): Изображение предмета на плоскости, непараллельной ни одной из основных плоскостей проекций, применяемое для неискаженного изображения поверхности, если ее нельзя получить на основном виде.
3.8 ломаный разрез: Сложный разрез, выполненный пересекающимися плоскостями.
3.9 местный вид предмета (местный вид): Изображение отдельного ограниченного участка поверхности предмета.
3.10 местный разрез: Разрез, выполненный секущей плоскостью только в отдельном, ограниченном месте предмета.
3.11 наклонный разрез: Разрез, выполненный секущей плоскостью, составляющей с горизонтальной плоскостью проекций угол, отличный от прямого.
3.12 наложенное сечение: Сечение, расположенное непосредственно на изображении предмета вдоль следа секущей плоскости.
3.13 ортогональная (прямоугольная) проекция: Параллельная проекция предмета или его части на плоскость, перпендикулярную к направлению проецирующих лучей, представляющую совмещенную с чертежом одну из граней пустотелого куба, внутри которого мысленно помещен предмет [1], [2].
3.14 основной вид предмета (основной вид): Вид предмета, который получен путем совмещения предмета и его изображения на одной из граней пустотелого куба, внутри которого мысленно помещен предмет, с плоскостью чертежа.
Примечание - Основной вид предмета может относиться к предмету в целом, его разрезу или сечению.
3.15 параллельная проекция: Изображение предмета или его части, полученное проецированием их воображаемым параллельным пучком лучей на плоскость.
3.16 поперечный разрез: Разрез, выполненный секущей плоскостью, направленной перпендикулярно к длине или высоте предмета.
3.17 продольный разрез: Разрез, выполненный секущей плоскостью, направленной вдоль длины или высоты предмета.
3.18 простой разрез: Разрез, выполненный одной секущей плоскостью.
3.19 профильный разрез: Вертикальный разрез, выполненный секущими плоскостями, параллельными профильной плоскости проекций.
3.20 разрез предмета (разрез): Ортогональная проекция предмета, мысленно рассеченного полностью или частично одной или несколькими плоскостями для выявления его невидимых поверхностей.
3.21 сечение предмета (сечение): Ортогональная проекция фигуры, получающейся водной или нескольких секущих плоскостях или поверхностях при мысленном рассечении проецируемого предмета.
Примечание - При необходимости в качестве секущей допускается применять цилиндрическую поверхность, развертываемую на плоскость чертежа.
3.22 сложный разрез: Разрез, выполненный двумя и более секущими плоскостями.
3.23 ступенчатый разрез: Сложный разрез, выполненный параллельными секущими плоскостями.
3.24 фронтальный разрез: Вертикальный разрез, выполненный секущими плоскостями, параллельными фронтальной плоскости проекций.
4.1. Общие требования к содержательной части чертежа - по ГОСТ 2.109, электронной модели изделия - по ГОСТ 2.052.
4.2. Изображения предметов на чертеже следует выполнять по методу прямоугольного проецирования. При этом предмет предполагается расположенным между наблюдателем и соответствующей плоскостью проекций (см. рисунок 1).
Рисунок 1
4.3. За основные плоскости проекций принимают шесть граней куба; грани совмещают с плоскостью, как показано на рисунке 2. Грань 6 допускается располагать рядом с гранью 4.
4.4. Изображение на фронтальной плоскости проекций принимается на чертеже в качестве главного. Предмет располагают относительно фронтальной плоскости проекций так, чтобы изображение на ней давало наиболее полное представление о форме и размерах предмета.
4.5. В зависимости от содержания изображения разделяют на виды, разрезы, сечения.
Масштаб изображений, расположенных в непосредственной проекционной связи друг с другом на основных плоскостях проекций, принимают за масштаб выполнения документа и записывают в соответствующем реквизите основной надписи (ГОСТ 2.104). Все иные изображения, выполненные на чертеже в ином масштабе, должны иметь о нем указания.
4.6. Для уменьшения количества изображений допускается на видах показывать необходимые невидимые части поверхности предмета с помощью штриховых линий (см. рисунок 3).
Рисунок 2
Рисунок 3
4.7. При выполнении разреза мысленное рассечение предмета относится только к данному разрезу и не влечет за собой изменения других изображений того же предмета. На разрезе показывают то, что получается в секущей плоскости и что расположено за ней (см. рисунок 4). Допускается изображать не все, что расположено за секущей плоскостью, если это не требуется для понимания конструкции предмета (см. рисунок 5).
Рисунок 4
Рисунок 5
4.8. На сечении показывают только то, что получается непосредственно в секущей плоскости (см. рисунок 6).
Допускается в качестве секущей применять цилиндрическую поверхность, развертываемую затем в плоскость (см. рисунок 7).
Рисунок 6
Рисунок 7
4.9. Количество изображений (видов, разрезов, сечений) должно быть наименьшим, но обеспечивающим полное представление о предмете при применении установленных в соответствующих стандартах условных обозначений, знаков и надписей.
5.1. Установлены следующие названия видов, получаемых на основных плоскостях проекций (основные виды, рисунок 2):
1 - вид спереди (главный вид);
2 - вид сверху;
3 - вид слева;
4 - вид справа;
5 - вид снизу;
6 - вид сзади.
При выполнении графических документов в форме электронных моделей (ГОСТ 2.052) для получения соответствующих изображений следует применять сохраненные виды.
В строительных чертежах в необходимых случаях соответствующим видам допускается присваивать специальные названия, например «фасад».
Названия видов на чертежах надписывать не следует, за исключением случая, предусмотренного в 5.2. В строительных чертежах допускается надписывать название вида с присвоением ему буквенного, цифрового или другого обозначения.
5.2. Если виды сверху, слева, справа, снизу, сзади не находятся в непосредственной проекционной связи с главным изображением (видом или разрезом, изображенным на фронтальной плоскости проекции), то направление проецирования должно быть указано стрелкой около соответствующего изображения. Над стрелкой и над полученным изображением (видом) следует нанести одну и ту же прописную букву (см. рисунок 8).
Рисунок 8
Чертежи оформляют так же, если перечисленные виды отделены от главного изображения другими изображениями или расположены не на одном листе с ним.
Когда отсутствует изображение, на котором может быть показано направление взгляда, название вида надписывают.
В строительных чертежах допускается направление взгляда указывать двумя стрелками (аналогично указанию положения секущих плоскостей в разрезах).
В строительных чертежах независимо от взаимного расположения видов допускается надписывать название и обозначение вида без указания направления взгляда стрелкой, если направление взгляда определяется названием или обозначением вида.
5.3. При необходимости получения на чертеже наглядного изображения предмета применяют аксонометрические проекции по ГОСТ 2.317.
5.4. Если какую-либо часть предмета на чертеже невозможно показать на перечисленных в 5.1 видах без искажения формы и размеров, то применяют дополнительные виды, получаемые на плоскостях, непараллельных основным плоскостям проекций (см. рисунки 9 - 11). В электронных моделях дополнительные виды не применяют.
5.5. Дополнительный вид должен быть отмечен на чертеже прописной буквой (см. рисунки 9, 10), а у связанного с дополнительным видом изображения предмета должна быть поставлена стрелка, указывающая направление взгляда, с соответствующим буквенным обозначением (например, стрелка Б, рисунки 9, 10).
Рисунок 9
Рисунок 10
Когда дополнительный вид расположен в непосредственной проекционной связи с соответствующим изображением, стрелку и обозначение вида не наносят (см. рисунок 11).
Рисунок 11
5.6. Дополнительные виды располагают, как показано на рисунках 9 - 11. Расположение дополнительных видов по рисункам 9 и 11 предпочтительнее.
Дополнительный вид допускается
повертывать, но с сохранением, как правило, положения, принятого для данного
предмета на главном изображении, при этом обозначение вида должно быть
дополнено условным графическим обозначением -
. При необходимости указывают угол поворота (см.
рисунок 12).
Несколько
одинаковых дополнительных видов, относящихся к одному предмету, обозначают
одной буквой и вычерчивают один вид. Если при этом связанные с дополнительным
видом части предмета расположены под различными углами, то к обозначению вида
условное графическое обозначение
не добавляют.
Рисунок 12
5.7. Местный вид (вид Г, рисунок 8; вид Д, рисунок 13) может быть ограничен линией обрыва, по возможности в наименьшем размере (вид Д, рисунок 13), или не ограничен (вид Г, рисунок 13). Местный вид должен быть отмечен на чертеже подобно дополнительному виду.
Рисунок 13
5.8. Соотношение размеров стрелок, указывающих направление взгляда, должно соответствовать приведенным на рисунке 14.
Рисунок 14
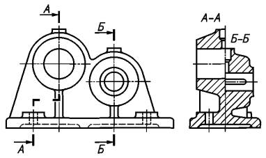
6.1. В зависимости от положения секущей плоскости относительно горизонтальной плоскости проекций разрезы разделяют на:
- горизонтальные (например, разрез А-А, рисунок 13; разрез Б-Б, рисунок 15).
В строительных чертежах горизонтальным разрезам допускается присваивать другие названия, например «план»;
- вертикальные (например, разрез на месте главного вида, рисунок 13; разрезы А-А, В-В, Г-Г, рисунок 15);
- наклонные (например, разрез В-В, рисунок 8).
В зависимости от числа секущих плоскостей разрезы разделяют на:
- сложные (например, разрез А-А, рисунок 8; разрез Б-Б, рисунок 15).
Рисунок 15
6.2. Вертикальный разрез бывает фронтальным (например, разрез, рисунок 5, разрез А-А, рисунок 16), и профильным (например, разрез Б-Б, рисунок 13).
6.3. Сложные разрезы бывают ступенчатыми (например, ступенчатый горизонтальный разрез Б-Б, рисунок 15; ступенчатый фронтальный разрез А-А, рисунок 16) и ломаными (например, разрезы А-А, рисунки 8 и 15).
Рисунок 16
6.4. Разрезы бывают продольными (см. рисунок 17) и поперечными, если секущие плоскости направлены перпендикулярно к длине или высоте предмета (например, разрезы А-А и Б-Б, рисунок 18).
Рисунок 17
Рисунок 18
6.5. Положение секущей плоскости указывают на чертеже линией сечения. Для линии сечения следует применять разомкнутую линию. При сложном разрезе штрихи проводят также у мест пересечения секущих плоскостей между собой. На начальном и конечном штрихах следует ставить стрелки, указывающие направление взгляда (см. рисунки 8 - 10, 13, 15); стрелки следует наносить на расстоянии 2 - 3 мм от конца штриха.
Начальный и конечный штрихи не должны пересекать контур соответствующего изображения.
В случаях, подобных указанному на рисунке 18, стрелки, указывающие направление взгляда, наносят на одной линии.
6.6. У начала и конца линии сечения, а при необходимости, и у мест пересечения секущих плоскостей ставят одну и ту же прописную букву русского алфавита. Буквы наносят около стрелок, указывающих направление взгляда, и в местах пересечения со стороны внешнего угла.
Разрез должен быть отмечен надписью по типу «А-А» (всегда двумя буквами через тире).
В строительных чертежах у линии сечения взамен букв допускается применять цифры, а так же надписывать название разреза (плана) с присвоенным ему буквенным цифровым или другим обозначением.
6.7. Когда секущая плоскость совпадает с плоскостью симметрии предмета в целом, а соответствующие изображения расположены на одном и том же листе в непосредственной проекционной связи и не разделены какими-либо другими изображениями, для горизонтальных, фронтальных и профильных разрезов не отмечают положение секущей плоскости и разрез надписью не сопровождают (например, разрез на месте главного вида, рисунок 13).
6.8. Фронтальным и профильным разрезам, как правило, придают положение, соответствующее принятому для данного предмета на главном изображении чертежа (см. рисунок 12).
6.9. Горизонтальные, фронтальные и профильные разрезы могут быть расположены на месте соответствующих основных видов (см. рисунок 13).
6.10. Вертикальный разрез, когда секущая плоскость не параллельна фронтальной или профильной плоскостям проекций, а также наклонный разрез должны строиться и располагаться в соответствии с направлением, указанным стрелками на линии сечения.
Допускается располагать такие
разрезы в любом месте чертежа (разрез В-В, рисунок 8), а
также с поворотом до положения, соответствующего принятому для данного предмета
на главном изображении. В последнем случае к надписи должно быть добавлено
условное графическое обозначение -
(разрез Г-Г,
рисунок 15).
6.11. При ломаных разрезах секущие плоскости условно повертывают до совмещения в одну плоскость, при этом направление поворота может не совпадать с направлением взгляда (см. рисунок 19).
Если совмещенные плоскости окажутся параллельными одной из основных плоскостей проекций, то ломаный разрез допускается помещать на месте соответствующего вида (разрезы А-А, рисунки 8, 15). При повороте секущей плоскости элементы предмета, расположенные за ней, вычерчивают так, как они проецируются на соответствующую плоскость, с которой производится совмещение (см. рисунок 20).
Рисунок 19
Рисунок 20
6.12. Местный разрез выделяют на виде сплошной волнистой линией (см. рисунок 21) или сплошной тонкой линией с изломом (см. рисунок 22). Эти линии не должны совпадать с какими-либо другими линиями изображения.
Рисунок 21
Рисунок 22
6.13. Часть вида и часть соответствующего разреза допускается соединять, разделяя их сплошной волнистой линией или сплошной тонкой линией с изломом (см. рисунки 23 - 25). Если при этом соединяются половина вида и половина разреза, каждый из которых является симметричной фигурой, то разделяющей линией служит ось симметрии (см. рисунок 26). Допускается также разделение разреза и вида штрихпунктирной тонкой линией (см. рисунок 27), совпадающей со следом плоскости симметрии не всего предмета, а лишь его части, если она представляет собой тело вращения.
Рисунок 23

Рисунок 24
Рисунок 25
Рисунок 26
Рисунок 27
6.14. Допускается соединять четверть вида и четверти трех разрезов: четверть вида, четверть одного разреза и половину другого и т.п. при условии, что каждое из этих изображений в отдельности симметрично.
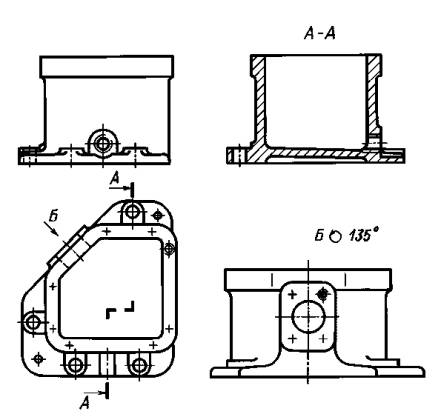
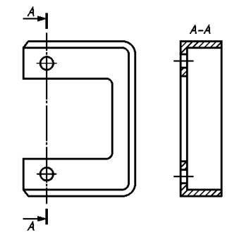
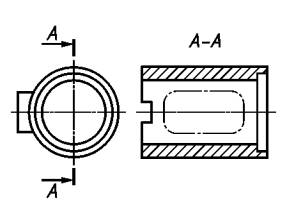
7.1. Сечения, не входящие в состав разреза, разделяют на:
- вынесенные (см. рисунки 6, 28);
- наложенные (см. рисунки 29 - 32).
Рисунок 28
Рисунок 29
Допускается располагать сечения на
любом месте поля чертежа, а также с поворотом с добавлением условного
графического обозначения
.
Вынесенные сечения являются предпочтительными и их допускается располагать в разрыве между частями одного и того же вида (см. рисунок 30).
Рисунок 30
В электронных моделях применяют только наложенные сечения (см. рисунок 31).
Рисунок 31
7.2. На чертежах контур вынесенного сечения, а также сечения, входящего в состав разреза, изображают сплошными основными линиями, а контур наложенного сечения - сплошными тонкими линиями, причем контур изображения в месте расположения наложенного сечения не прерывают (см. рисунки 13, 28, 29).
7.3. Ось симметрии вынесенного или наложенного сечения (см. рисунки 6, 29) указывают штрихпунктирной тонкой линией без обозначения буквами и стрелками и линию сечения не проводят.
В случаях, подобных указанному на рисунке 30, при симметричной фигуре сечения линию сечения не проводят.
7.4. Во всех остальных случаях на чертежах для линии сечения применяют разомкнутую линию с указанием стрелками направления взгляда и обозначают ее одинаковыми прописными буквами русского алфавита (в строительных чертежах - прописными или строчными буквами русского алфавита или цифрами).
На чертежах сечение сопровождают надписью по типу «А-А» (см. рисунок 28). В строительных чертежах допускается надписывать название сечения. На электронных моделях сечение надписью не сопровождают. Рекомендуется присваивать сохраненному виду, который служит для отображения сечения, одноименное с сечением наименование по типу «А-А».
7.5. На электронных моделях для указания расположения и направления взгляда на сечение следует использовать визуальное представление секущей плоскости. Контур изображения секущей плоскости изображают сплошными основными линиями, а контур наложенного сечения - сплошными тонкими линиями, причем контур изображения в месте расположения наложенного сечения не прерывают (см. рисунки 31, 32). Допускается выделять изображение секущей плоскости цветом, отличным от цвета изображения предмета, если устройство отображения электронно-вычислительной машины это позволяет.
Рисунок 32
На чертежах для несимметричных сечений, расположенных в разрыве (см. рисунок 33) или наложенных (см. рисунок 34), линию сечения проводят со стрелками, но буквами не обозначают.
Рисунок 33
Рисунок 34
В строительных чертежах при симметричных сечениях применяют разомкнутую линию с обозначением ее, но без стрелок, указывающих направление взгляда.
7.6. Сечение по построению и расположению должно соответствовать направлению, указанному стрелками (для чертежа - рисунок 28, для электронной модели - рисунки 31, 32, 35).
Для визуализации сечений на моделях рекомендуется использовать сохраненные виды. В этом случае все секущие плоскости, используемые в модели, должны быть однозначно идентифицированы, а все сечения должны быть выполнены в масштабе электронной модели.
Для указания направления взгляда на сечение следует применять видимые стрелки, как показано на рисунках 31, 32. Допускается указывать направления взгляда на сечение, как показано на рисунке 35.
Результат выполнения сечения может быть показан либо визуализацией линий, определяющих пересечение секущих плоскостей с предметом, отображаемых непосредственно на модели и перекрывающих ее изображение (см. рисунок 32), либо удалением материала с изображения модели предмета (см. рисунок 35).
При ломаных и ступенчатых разрезах секущие плоскости следует показывать соединенными между собой (см. рисунок 35).
Рисунок 35
7.7. Для нескольких одинаковых сечений, относящихся к одному предмету, линию сечения обозначают одной буквой и вычерчивают одно сечение (см. рисунки 36, 37).
Рисунок 36
Рисунок 37
Если
при этом секущие плоскости направлены под различными углами (см. рисунок 38), то условное графическое
обозначение
не наносят.
Рисунок 38
Когда расположение одинаковых сечений точно определено изображением или размерами, допускается наносить одну линию сечения, а над изображением сечения указывать количество сечений.
7.8. Секущие плоскости выбирают так, чтобы получить нормальные поперечные сечения (см. рисунок 39).
Рисунок 39
7.9. Если секущая плоскость проходит через ось поверхности вращения, ограничивающей отверстие или углубление, то контур отверстия или углубления в сечении показывают полностью (см. рисунок 40).
Рисунок 40
7.10. Если сечение получается состоящим из отдельных самостоятельных частей, то следует применять разрезы (см. рисунок 41).
Рисунок 41
7.11. Сохраненные виды должны быть ассоциативно связаны с моделью предмета, и изменения в модели должны вызывать соответствующие изменения сечений во всех сохраненных видах [3].
8.1. Выносной элемент используют на чертежах, как правило, для размещения какой-либо части предмета, требующей графического и других пояснений в отношении формы, размеров и иных данных.
В электронных моделях выносные элементы не используют.
Выносной элемент может содержать подробности, не указанные на соответствующем изображении, и может отличаться от него по содержанию (например, изображение может быть видом, а выносной элемент - разрезом).
8.2. При применении выносного элемента соответствующее место отмечают на виде, разрезе или сечении замкнутой сплошной тонкой линией - окружностью, овалом и т.п. с обозначением выносного элемента прописной буквой или сочетанием прописной буквы с арабской цифрой на полке линии-выноски. Над изображением выносного элемента указывают обозначение и масштаб, в котором он выполнен (см. рисунок 42). Значения масштаба - по ГОСТ 2.302.
Рисунок 42
В строительных чертежах выносной элемент на изображении допускается также отмечать фигурной или квадратной скобкой или графически не отмечать. У изображения, откуда элемент выносится, и у выносного элемента допускается также наносить присвоенное выносному элементу буквенное или цифровое (арабскими цифрами) обозначение и название.
8.3. Выносной элемент располагают возможно ближе к соответствующему месту на изображении предмета.
9.1. Подробность выполнения изображения предмета устанавливает разработчик исходя из требований к содержанию документа в зависимости от стадии разработки (ГОСТ 2.103) и вида документа (ГОСТ 2.102).
9.2. Если вид, разрез или сечение представляют собой симметричную фигуру, допускается вычерчивать половину изображения (вид В, рисунок 13) или немного более половины изображения с проведением в последнем случае линии обрыва (см. рисунок 25).
9.3. Если предмет имеет несколько одинаковых, равномерно расположенных элементов, то на изображении этого предмета полностью показывают один - два таких элемента (например, одно - два отверстия, рисунок 15), а остальные элементы показывают упрощенно или условно (см. рисунок 43).
Допускается изображать часть предмета (см. рисунки 44, 45) с надлежащими указаниями о количестве элементов, их расположении и т.п.
Рисунок 43
Рисунок 44
Рисунок 45
9.4. На видах и разрезах допускается упрощенно изображать проекции линий пересечения поверхностей, если не требуется точного их построения. Например, вместо лекальных кривых проводят дуги окружности и прямые линии (см. рисунки 46, 47).
Рисунок 46
Рисунок 47
9.5. Плавный переход от одной поверхности к другой показывают условно (см. рисунки 48 - 50) или совсем не показывают (см. рисунки 51 - 53).
Рисунок 48

Рисунок 49
Рисунок 50
Рисунок 51

Рисунок 52
Рисунок 53
Допускаются упрощения, подобные указанным на рисунках 54 - 57.
Рисунок 54
Рисунок 55
Рисунок 56
Рисунок 57
9.6. Детали, такие как винты, заклепки, шпонки, непустотелые валы и шпиндели, шатуны, рукоятки и т.п., при продольном разрезе показывают нерассеченными. Шарики всегда показывают нерассеченными.
Как правило, показывают нерассеченными на сборочных чертежах гайки и шайбы.
Элементы, такие как спицы маховиков, шкивов, зубчатых колес, тонкие стенки типа ребер жесткости и т.п., показывают незаштрихованными, если секущая плоскость направлена вдоль оси или длинной стороны такого элемента.
Если в подобных элементах детали имеется местное сверление, углубление и т.п., то делают местный разрез, как показано на рисунках 21, 22.
9.7. Пластины, а также элементы деталей (отверстия, фаски, пазы, углубления и т.п.) размером (или разницей в размерах) не более 2 мм изображают на чертеже с отступлением от масштаба, принятого для всего изображения, в сторону увеличения.
9.8. Незначительную конусность или уклон допускается изображать с увеличением.
Если уклон или конусность отчетливо не выявляются, например главный вид на рисунке 56 или вид сверху на рисунке 57, то на изображениях проводят только одну линию, соответствующую меньшему размеру элемента с уклоном или меньшему основанию конуса.
9.9. При необходимости выделения на чертеже плоских поверхностей предмета на них проводят диагонали сплошными тонкими линиями (см. рисунок 58).
Рисунок 58
9.10. Предметы или элементы, имеющие постоянное или закономерно изменяющееся поперечное сечение (валы, цепи, прутки, фасонный прокат, шатуны и т.п.), допускается изображать с разрывами.
Частичные изображения и изображения с разрывами ограничивают одним из следующих способов:
а) сплошной тонкой линией с изломом, которая может выходить за контур изображения на длину 2 - 4 мм. Эта линия может быть наклонной относительно линии контура (см. рисунок 59);
Рисунок 59
б) сплошной волнистой линией, соединяющей соответствующие линии контура (см. рисунок 60);
Рисунок 60
в) линиями штриховки (см. рисунок 61).
Рисунок 61
9.11. На чертежах предметов со сплошной сеткой, плетенкой, орнаментом, рельефом, накаткой и т.д. допускается изображать эти элементы частично с возможным упрощением (см. рисунок 62).
Рисунок 62
9.12. Для упрощения чертежей или сокращения количества изображений допускается:
а) часть предмета, находящуюся между наблюдателем и секущей плоскостью, изображать штрихпунктирной утолщенной линией непосредственно на разрезе (наложенная проекция, рисунок 63);
б) применять сложные разрезы (см. рисунок 64);
Рисунок 63
Рисунок 64
в) для показа отверстия в ступицах зубчатых колес, шкивов и т.п., а также для шпоночных пазов вместо полного изображения детали давать лишь контур отверстия (см. рисунок 65) или паза (см. рисунок 55);
Рисунок 65
г) изображать в разрезе отверстия, расположенные на круглом фланце, когда они не попадают в секущую плоскость (см. рисунок 15).
9.13. Если вид сверху не является необходимым и чертеж составляется из изображений на фронтальной и профильной плоскостях проекций, то при ступенчатом разрезе линия сечения и надписи, относящиеся к разрезу, наносят, как показано на рисунке 66.
Рисунок 66
9.14. Условности и упрощения, допускаемые в неразъемных соединениях, в чертежах электротехнических и радиотехнических устройств, зубчатых зацеплений и т.д. устанавливаются соответствующими стандартами.
9.15. Условное графическое обозначение «повернуто» должно соответствовать рисунку 67 и «развернуто» - рисунку 68.
Рисунок 67
Рисунок 68
|
ИСО 5456-2:1996 |
Технические чертежи. Методы проецирования. Часть 2. Представление в ортографической проекции |
|
|
ИСО 5456-3:1996 |
Технические чертежи. Методы проецирования. Часть 3. Аксонометрическое проецирование |
|
|
ИСО 10303-202:1996 |
Системы автоматизации производства и их интеграция. Представление данных об изделии и обмен этими данными. Часть 202. Протокол применения. Ассоциативное черчение |
|
Ключевые слова: конструкторская документация, виды, разрезы, сечения, выносные элементы |